
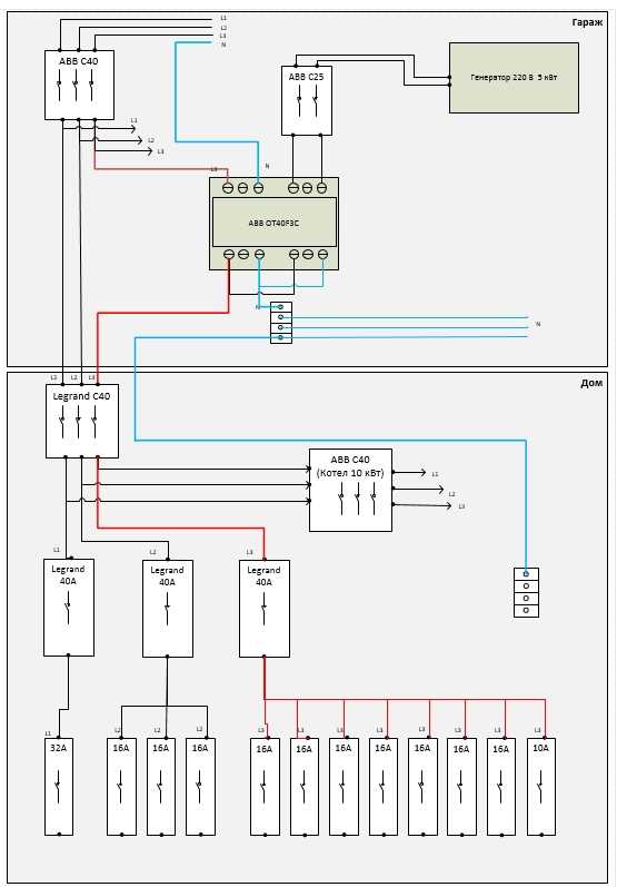
Однофазный генератор, рассчитанный на напряжение 220 В, может использоваться в трехфазной сети 380/220 В, но его подключение требует точного понимания электрических параметров системы. Основная задача – обеспечить сбалансированную нагрузку между фазами и исключить риск перегрузки генератора. Неправильное подключение может привести к перекосу фаз и повреждению оборудования.
На практике однофазный генератор подключается к одной из фаз трехфазной системы через автоматический выключатель или перекидной рубильник с учетом потребляемой мощности. Важно помнить, что мощность однофазного генератора, например 5 кВт, может быть использована только на одной фазе, что создает несимметрию в нагрузке сети. При превышении 30% перекоса между фазами в системе с нейтралью возможен перегрев и аварийное отключение других потребителей.
Если генератор применяется в качестве резервного источника питания, обязательна установка АВР (автоматического ввода резерва) с блокировкой одновременной подачи напряжения от двух источников. Также следует использовать УЗО или дифференциальный автомат на линии подключения, особенно если питание подается на жилой объект. Защитное заземление и выравнивание потенциалов – критически важные меры безопасности.
Для обеспечения надежной работы необходимо рассчитать сечение кабеля по току и длине линии. Например, при нагрузке 20 А и длине 30 метров требуется медный кабель не менее 4 мм² с учетом падения напряжения не более 5%. Подключение должно выполняться с соблюдением требований ПУЭ и сопровождаться проверкой параметров системы после ввода в эксплуатацию.
Выбор схемы подключения однофазного генератора к трехфазной нагрузке

При необходимости запитать трёхфазную нагрузку от однофазного генератора, следует учитывать тип и мощность потребителей, а также особенности распределения фазной и линейной мощности. На практике применяют три основные схемы: подключение к одной фазе, использование автотрансформатора и применение инверторной технологии.
При подключении только к одной фазе (например, между фазой L1 и нулём) питается лишь одна из трёх фаз нагрузки. Это допустимо только при наличии однофазных потребителей и неравномерной нагрузке по фазам, но при этом возможно нарушение баланса в сети и перегрузка одной линии. Такая схема подходит для систем с суммарной мощностью нагрузки, не превышающей 70% от номинала генератора.
Применение трёхфазного автотрансформатора позволяет равномерно распределить мощность однофазного источника между тремя фазами. Это решение эффективно, если нагрузка чувствительна к перекосу напряжений. Рекомендуется использовать автотрансформаторы с коэффициентом трансформации, обеспечивающим выходное напряжение 400 В между фазами. При этом необходимо строго следить за синфазностью подключения и согласованием частотных характеристик.
Инверторные схемы позволяют преобразовать однофазное напряжение в полноценное трёхфазное с синхронизацией фаз и стабилизацией частоты. Такие устройства обеспечивают высокое качество питания, что критично при работе с частотно-регулируемыми приводами и асинхронными двигателями. Недостатком является высокая стоимость и необходимость точного выбора параметров по току и мощности.
При выборе схемы необходимо учитывать пусковые токи нагрузки. Для двигателей рекомендуется запас мощности генератора не менее 2,5 крат от номинальной потребляемой мощности. Важно контролировать перекос фаз – отклонение более 10% может привести к перегреву оборудования и выходу из строя электродвигателей.
Оптимальный вариант подключения выбирается на основании анализа характера нагрузки, длительности её работы и допустимых технических параметров сети. Для стабильной и безопасной эксплуатации требуется согласование всех компонентов и обязательный контроль параметров генератора при работе в подобном режиме.
Ограничения по мощности при подключении к разным фазам
При подключении однофазного генератора к трехфазной сети важно учитывать допустимую нагрузку на каждую фазу. Несоблюдение этих ограничений приводит к неравномерному распределению тока, перегреву проводников и аварийным отключениям.
- Если генератор подключается к одной фазе, максимально допустимая мощность ограничивается расчётной нагрузкой этой фазы. Например, при стандартном вводе 15 кВт на трёхфазную сеть каждая фаза рассчитана на 5 кВт. Превышение этой величины может вызвать срабатывание автоматов защиты.
- При несимметричной нагрузке на фазы возможны перекосы фазного напряжения. Это особенно критично при наличии чувствительной электроники и асинхронных двигателей в других фазах.
- Однофазный генератор мощностью выше 6–7 кВт, как правило, нецелесообразно подключать к одной фазе – возрастают потери и появляется риск нестабильной работы при колебаниях тока.
Рекомендации:
- Проверить номинальный ток вводного автомата на фазу и убедиться, что ток генератора его не превышает.
- Оценить фактическое распределение нагрузки по фазам, особенно если в сети уже есть подключённые устройства.
- При подключении через автомат – использовать устройство с характеристикой, соответствующей пусковым токам генератора.
- Избегать подключения мощных потребителей к той же фазе, на которую подключён генератор, особенно в однофазной схеме.
- Если требуется резервировать нагрузку на несколько фаз – применять трансформаторы разделения или синхронизацию через ATS с фазным контролем.
Распределение нагрузки между фазами при работе с однофазным генератором
При подключении однофазного генератора к трехфазной сети критически важно обеспечить равномерное распределение нагрузки, чтобы избежать перегрузки одной из фаз. Генератор выдает напряжение только на одной фазе, поэтому подключение должно учитывать возможную дисбалансировку сети.
Оптимальный подход – использовать автоматический ввод резерва (АВР) с контролем фазной нагрузки. Подключение однофазных потребителей следует производить к той фазе, на которую подается питание от генератора. Остальные две фазы отключаются или остаются под напряжением, если питание подается с внешней сети.
Не допускается параллельное включение генератора в общую трехфазную сеть без согласования фаз и токов – это приведет к перекосу фаз и повреждению оборудования. При аварийной работе сети нагрузка перераспределяется вручную или через контакторы, направляя критически важные потребители на фазу, подключенную к генератору.
Токовая нагрузка на фазу, питаемую от генератора, не должна превышать 80% от его номинала для сохранения стабильности напряжения. Например, если генератор рассчитан на 5 кВт, то суммарная активная нагрузка должна быть не более 4 кВт. Использование токовых реле позволяет контролировать превышение допустимого тока в автоматическом режиме.
Для балансировки нагрузки в трехфазной системе с однофазным источником рекомендуется применять распределительные щиты с индивидуальными автоматами по фазам. Это позволяет гибко управлять подключением потребителей и исключить одностороннюю перегрузку.
Необходимость и подбор трансформаторов или фазовращателей

Подключение однофазного генератора к трехфазной сети требует точного согласования фазных параметров. Без выравнивания фазной системы возникнут перекосы напряжений, рост токов нулевой последовательности и перегрев оборудования. Решение – установка фазовращателя или трансформатора, обеспечивающего преобразование однофазной энергии в псевдотрехфазную форму.
Фазовращатели необходимы в случаях, когда:
- требуется подключение однофазного генератора к оборудованию, рассчитанному на трехфазное питание;
- нагрузка распределена по всем трем фазам и критично фазовое смещение на 120°;
- в сети присутствуют асинхронные двигатели, чувствительные к симметрии фаз.
Для маломощных нагрузок (до 5 кВт) возможно применение пассивных фазовращателей – это схемы с конденсаторами, которые создают фазовый сдвиг. Однако они не подходят для питания индуктивной или переменной нагрузки.
Для более мощных установок (свыше 5 кВт) требуются активные фазовращатели на базе роторов с короткозамкнутыми обмотками или специализированные автотрансформаторы с симметрирующими обмотками. Они создают стабильный сдвиг фаз независимо от характера нагрузки.
При выборе оборудования учитываются:
- Мощность генератора – фазовращатель должен обеспечивать полную нагрузку без перегрузки;
- Тип нагрузки – активная, индуктивная, смешанная, пусковые токи двигателей;
- Допустимое отклонение фазного напряжения – не более 5% от номинала;
- Температурный режим – наличие охлаждения обязательно при постоянной нагрузке.
Подключение трансформаторов или фазовращателей требует точной настройки и защиты от перегрузки. Перед вводом в эксплуатацию проводится проверка фазировки и балансировки токов. Недопустимо использование устройств, не рассчитанных на длительную работу с асимметричной нагрузкой.
Риски несимметричной нагрузки и способы их минимизации

Подключение однофазного генератора к трехфазной сети неизбежно создает перекос фаз, поскольку нагрузка распределяется только на одну из трех. Это приводит к появлению обратной и нулевой последовательностей токов, которые вызывают перегрев трансформаторов, неравномерное потребление энергии и сокращение срока службы оборудования.
Несимметрия увеличивает нагрузку на нулевой провод, вызывает искажения формы тока и напряжения, снижает коэффициент мощности. В системах с автоматикой возможны ложные срабатывания реле, нестабильная работа преобразователей частоты и импульсных источников питания.
Минимизация рисков требует точного расчета допустимого тока генератора с учетом коэффициента несимметрии. При подключении необходимо использовать симметрирующие устройства – например, пассивные балластные нагрузки на свободные фазы, или активные компенсаторы, автоматически перераспределяющие токи.
Рекомендуется устанавливать трансформаторы с изолированной нейтралью и контролировать баланс фаз с помощью многофазных анализаторов сети. Критически важно предусмотреть релейную защиту по току и напряжению в каждой фазе, а также ограничить продолжительность работы генератора в режиме несимметричной нагрузки.
На практике оптимальным решением является применение трех однофазных генераторов, подключенных в конфигурации «звезда» или «треугольник» с равномерным распределением нагрузки, либо использование инверторного генератора с возможностью формирования трехфазного выхода.
Подключение автоматов защиты и устройств контроля напряжения

Автоматические выключатели подбираются с учетом номинального тока генератора и максимального тока нагрузки. Рекомендуется использовать трехполюсные автоматы с характеристикой отключения типа C, рассчитанные на ток не более 125% от номинального тока генератора. Это обеспечивает надежную защиту от перегрузок и коротких замыканий на каждой фазе.
Для защиты от обратного тока и предотвращения синхронизации с сетевым напряжением необходим вводной автомат с дифференциальной защитой (УЗО). Его чувствительность выбирается исходя из параметров сети, обычно 30 мА для жилых и 100 мА для производственных объектов.
Устройства контроля напряжения должны контролировать амплитуду и симметрию фаз. Для однофазного генератора в трехфазной сети достаточно установки релейного контроля под напряжением и перенапряжения на подключенной фазе. Диапазон срабатывания должен быть установлен в пределах ±10% номинального напряжения (обычно 220 В ± 22 В).
Использование многофункциональных реле контроля позволяет мониторить пропадание фазы, асимметрию, а также частоту, что критично при работе с инверторными генераторами и смешанными энергосистемами.
Подключение защитных устройств осуществляется на стороне генератора, перед входом в распределительный щит, что обеспечивает максимальную эффективность и локализацию неисправностей.
Обязательным условием является обеспечение надежного заземления всех защитных компонентов, а также правильное соединение нулевого проводника, чтобы избежать ложных срабатываний и минимизировать риск поражения электрическим током.
Проверка соответствия подключения требованиям ПУЭ и норм безопасности
Подключение однофазного генератора к трехфазной сети требует строгого соблюдения раздела 1.7 ПУЭ, регулирующего безопасность электроустановок. В первую очередь необходимо обеспечить правильное заземление генератора и подключаемых цепей согласно требованиям ПУЭ п.1.7.54. Заземляющий контур должен иметь сопротивление не выше 4 Ом, а при отсутствии естественного заземления – предусмотреть отдельный заземлитель с расчетом на ток короткого замыкания.
Обязательным условием является установка устройств защитного отключения (УЗО) с током срабатывания не выше 30 мА, что снижает риск поражения электрическим током при аварийных режимах. Для защиты от перегрузок и коротких замыканий применяют автоматические выключатели с номиналом, рассчитанным на максимальный ток генератора и соответствующим сечением проводников.
Выполнение схемы подключения должно исключать возможность обратного питания в сеть энергоснабжающей организации. Для этого предусматривается установка реверсного реле или согласованного с сетевым оператором системы блокировки. Наличие разделительных трансформаторов или специальных защитных устройств не допускает появления разницы потенциалов, которые могут вызвать повреждение оборудования и создать опасность для персонала.
Технические характеристики генератора, включая номинальное напряжение 230 В и частоту 50 Гц, должны строго соответствовать параметрам питающей сети. Несоответствие по частоте или фазировке вызывает нарушение синхронизации, что недопустимо согласно ПУЭ п.1.7.45. Проверка фазировки осуществляется измерением последовательности фаз специальными приборами до подключения нагрузки.
Кабели и соединения следует выполнять с использованием изоляции, рассчитанной на рабочее напряжение не ниже 400 В и с температурным запасом согласно ПУЭ п.1.7.58. Все клеммы и контактные соединения должны иметь надежный механический контакт, исключающий нагрев и искрение при работе под нагрузкой.
Вопрос-ответ:
Можно ли подключить однофазный генератор напрямую к трехфазной сети?
Подключение однофазного генератора напрямую к трехфазной сети обычно невозможно без дополнительных устройств. Это связано с тем, что трехфазная сеть требует равномерного распределения нагрузки и синхронизации фаз, чего однофазный генератор обеспечить не может. Для интеграции требуется либо использование специальных преобразователей, либо подключение генератора к одной из фаз с учетом баланса нагрузки.
Какие риски возникают при подключении однофазного генератора к трехфазной системе без учета баланса нагрузки?
Если подключить однофазный генератор к трехфазной сети без правильного распределения нагрузки, это может привести к перегрузке одной фазы и недогрузке других. В результате возникает дисбаланс, что вызывает повышение токов в отдельных фазах, нагрев оборудования, снижение эффективности работы сети и возможные повреждения электроустановок. Кроме того, подобный дисбаланс влияет на качество электроэнергии, вызывая колебания напряжения и помехи.
Какие методы применяют для согласования однофазного генератора с трехфазной сетью?
Для согласования однофазного генератора с трехфазной сетью чаще всего используют трансформаторы или специальные устройства, позволяющие распределить нагрузку. Например, генератор может быть подключен к одной фазе через трансформатор с отводами, обеспечивающий баланс по напряжению. Также применяют системы автоматического управления нагрузкой и синхронизации, чтобы избежать перебоев и дисбаланса в трехфазной системе.
Как влияет подключение однофазного генератора на общую устойчивость трехфазной электросети?
Подключение однофазного генератора может вызвать неравномерное распределение мощности по фазам, что снижает стабильность работы всей сети. В результате появляются колебания напряжения и возможные перегрузки в отдельных линиях. При правильной настройке и использовании балансирующих устройств влияние сводится к минимуму, но без них устойчивость системы существенно ухудшается.
Что нужно учитывать при выборе однофазного генератора для работы в трехфазной системе?
При выборе однофазного генератора для работы с трехфазной сетью важно оценить его мощность относительно нагрузки на одну фазу, а также возможность подключения к системе с балансировкой. Следует учитывать характеристики напряжения и частоты, способ подключения и наличие защитных устройств. Кроме того, стоит обратить внимание на качество генератора и его способность выдерживать эксплуатационные условия без сбоев.
Можно ли подключить однофазный генератор напрямую к трехфазной сети без дополнительного оборудования?
Подключение однофазного генератора напрямую к трехфазной сети невозможно из-за различий в конструкции и работе генераторов. Трехфазная сеть предполагает наличие трех проводников с фазами, сдвинутыми по углу на 120 градусов, а однофазный генератор вырабатывает только одну фазу. Для безопасного и корректного подключения требуется использовать специальные устройства, такие как фазосдвигающие трансформаторы или схемы с компенсацией, которые позволяют согласовать параметры генератора с сетью и избежать перегрузок и повреждений оборудования.
