
Источники бесперебойного питания (ИБП) играют ключевую роль в обеспечении непрерывной работы электрических систем, защищая оборудование от внезапных перепадов напряжения и сбоев в подаче электричества. Основная задача ИБП заключается в поддержке стабильной работы подключенных устройств в случае отключения питания или его нестабильности. Чтобы понять, как достигается эта задача, необходимо рассмотреть принципиальную схему работы ИБП и его ключевые компоненты.
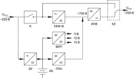
ИБП состоит из нескольких основных элементов: аккумулятора, инвертора, зарядного устройства, трансформатора и устройства управления. Каждый из этих компонентов выполняет свою функцию, обеспечивая эффективную работу устройства в различных условиях.
Аккумулятор – это главный элемент, который хранит энергию и поддерживает работу ИБП при отключении основного питания. Он может быть свинцово-кислотным или литий-ионным, в зависимости от мощности устройства и требований к длительности автономной работы. Зарядное устройство поддерживает аккумулятор в оптимальном состоянии, регулируя процесс его зарядки и предотвращая перезарядку.
Инвертор преобразует постоянное напряжение, поступающее от аккумулятора, в переменное, подходящее для работы подключенных к ИБП устройств. Он играет ключевую роль в обеспечении стабильного напряжения и частоты, что важно для чувствительных электронных компонентов. В свою очередь, трансформатор регулирует уровень напряжения, обеспечивая нужную подачу энергии в зависимости от требуемых характеристик.
Устройство управления отвечает за мониторинг состояния ИБП и управление его работой. Этот элемент обеспечивает защиту от перегрузок и коротких замыканий, а также управляет процессами включения и отключения устройства. В современных ИБП устройства управления часто интегрированы с системой мониторинга, что позволяет отслеживать работу устройства в реальном времени и своевременно предпринимать действия в случае возникновения неисправностей.
Принципиальная схема работы ИБП и его основные компоненты
ИБП (источник бесперебойного питания) представляет собой устройство, предназначенное для обеспечения стабильного электропитания при перебоях с внешним источником питания. В его основе лежит аккумулятор, который берет на себя функцию хранения энергии, обеспечивая работу подключенного оборудования во время отключения питания. ИБП включает несколько ключевых компонентов, каждый из которых выполняет свою функцию в обеспечении надежности и эффективности работы системы.
Основные компоненты ИБП:
1. Аккумулятор (батарея) – главный источник энергии в ИБП. При отсутствии электропитания из сети аккумулятор начинает подавать ток на подключенные устройства. Для большинства современных ИБП используются свинцово-кислотные или литий-ионные аккумуляторы. Они обеспечивают стабильное питание на несколько минут или часов в зависимости от мощности ИБП и характеристик нагрузки.
2. Инвертор – устройство, преобразующее постоянный ток (DC), получаемый от аккумулятора, в переменный ток (AC), который используется для питания оборудования. Инвертор должен быть высокоэффективным и надежным, чтобы минимизировать потери энергии и обеспечивать стабильность напряжения.
3. Зарядное устройство – компонент, обеспечивающий подзарядку аккумуляторов от внешнего источника питания. Оно регулирует процесс зарядки, предотвращая перезаряд и перегрев батареи. Зарядное устройство важно для продления срока службы аккумуляторов и их эффективного использования.
4. Контроллер (мониторинг) – интеллектуальная система, которая управляет работой ИБП, контролирует параметры напряжения и тока, а также регулирует процесс перехода между сетью и аккумулятором. Современные контроллеры оснащены функцией мониторинга состояния устройства и позволяют дистанционно отслеживать его работу через интерфейс пользователя.
5. Фильтр и стабилизатор напряжения – устройства, предотвращающие скачки и колебания напряжения в сети, что критично для защиты чувствительной электроники. Фильтры и стабилизаторы обеспечивают стабильное напряжение, что помогает предотвратить повреждения оборудования и уменьшить риски выхода из строя из-за перенапряжений.
Принцип работы ИБП основан на нескольких фазах. В нормальных условиях, когда электропитание стабильно, ИБП подключен к сети и через инвертор подает чистое напряжение на нагрузку. Когда происходит сбой в электросети (перебой или падение напряжения), система автоматически переключается на питание от аккумулятора. В момент восстановления питания ИБП вновь подключается к сети, и аккумуляторы начинают подзаряжаться.
Для обеспечения максимальной эффективности важно правильно выбирать тип ИБП в зависимости от требуемой мощности, характеристик подключаемых устройств и времени автономной работы. Так, для серверных помещений и критически важных нагрузок чаще всего используются ИБП с двойным преобразованием, которые обеспечивают максимально чистое и стабильное питание, даже в условиях нестабильной сети.
Как работает инвертор в источнике бесперебойного питания?

Процесс работы инвертора начинается с получения энергии от аккумулятора, который, в свою очередь, заряжается через выпрямитель от сетевого тока. Далее инвертор преобразует постоянное напряжение в переменное. Для этого используется транзисторная схема, основанная на принципе создания импульсных сигналов, которые затем фильтруются и сглаживаются до необходимого уровня качества переменного тока.
Инверторы для ИБП могут быть двух типов: с чистой синусоидой и с модифицированной синусоидой. Инверторы с чистой синусоидой обеспечивают наиболее стабильное и качественное питание, так как их выходной сигнал полностью соответствует стандартам электросети. В то время как инверторы с модифицированной синусоидой генерируют менее идеальный сигнал, который может вызывать шумы и помехи в некоторых устройствах.
Для улучшения работы инвертора используются различные фильтры и схемы управления мощностью, такие как схемы широтно-импульсной модуляции (ШИМ). Эти схемы позволяют инвертору эффективно регулировать напряжение и частоту выходного сигнала, минимизируя искажения и улучшая эффективность преобразования энергии.
Современные инверторы в ИБП часто используют микроконтроллеры для управления процессами синхронизации и защиты от перегрузок. В случае аномальных отклонений в работе системы (например, скачков напряжения или короткого замыкания) микроконтроллер автоматически отключает инвертор, предотвращая повреждение оборудования.
Важным аспектом работы инвертора является его способность адаптироваться к нагрузке. Современные инверторы могут изменять свою мощность в зависимости от потребности в энергии, что делает их более энергоэффективными и долговечными. Однако важно учитывать, что на эффективность работы инвертора влияет не только его конструкция, но и качество аккумулятора и системы охлаждения, так как перегрев может привести к выходу устройства из строя.
Роль аккумулятора в ИБП: как он поддерживает питание

Основное назначение аккумулятора в ИБП – это обеспечение непрерывности питания. Когда напряжение в сети падает или полностью пропадает, аккумулятор мгновенно подключается к системе и начинает снабжать нагрузку энергией. Время, которое аккумулятор может поддерживать работу устройств, зависит от его ёмкости, которая измеряется в ампер-часах (А·ч), и мощности нагрузки.
При выборе аккумулятора для ИБП необходимо учитывать его химический состав. Наиболее распространённые типы – это свинцово-кислотные и литий-ионные аккумуляторы. Свинцово-кислотные аккумуляторы имеют большую ёмкость и стабильность, но занимают больше места и требуют более частого обслуживания. Литий-ионные аккумуляторы более компактны и долговечны, но дороже и чувствительны к температурным колебаниям.
Роль аккумулятора заключается не только в поддержании питания в аварийных ситуациях, но и в том, чтобы обеспечить достаточное время для безопасного завершения работы или выключения оборудования. Обычно ИБП позволяет подключённым устройствам работать от нескольких минут до нескольких часов, в зависимости от их мощности и ёмкости батареи. Это время используется для сохранения данных или безопасного выключения техники.
Аккумулятор также защищает устройства от скачков напряжения, которые могут возникать при восстановлении электроснабжения. Он стабилизирует подаваемое напряжение, предотвращая повреждения чувствительной электроники.
Периодическая проверка и замена аккумулятора – важная часть обслуживания ИБП. Со временем аккумулятор теряет ёмкость и не может обеспечивать нужное время автономной работы. Средний срок службы аккумулятора в ИБП составляет от 3 до 5 лет. Регулярные проверки помогут своевременно выявить его износ и избежать ситуаций, когда ИБП не сможет выполнить свою функцию.
Рекомендации: для максимальной эффективности и долговечности аккумулятора в ИБП рекомендуется следить за температурой окружающей среды, поддерживать её в пределах 20-25°C, а также избегать полного разряда батареи, так как это может существенно сократить её срок службы.
Система зарядки в ИБП: как и когда происходит зарядка аккумулятора
Зарядка аккумулятора в ИБП осуществляется через встроенный зарядный блок, который подключен к выходной цепи устройства. Этот процесс начинается, как только ИБП подключен к сети. Однако зарядка не всегда происходит с одинаковой интенсивностью – она зависит от состояния аккумулятора и текущей нагрузки на устройство.
Когда ИБП подключен к сети, зарядный блок начинает подавать ток на аккумулятор. При этом используется метод управления зарядкой, который контролирует параметры тока и напряжения, чтобы не перегрузить аккумулятор. Современные ИБП применяют различные схемы зарядки, такие как:
- Константный ток (CC) – аккумулятор заряжается током, который остаётся постоянным до достижения определенного уровня напряжения.
- Константное напряжение (CV) – после достижения напряжением аккумулятора заданного уровня, зарядный ток снижается для предотвращения перегрева и излишней нагрузки.
- Пульсирующий режим – зарядка осуществляется переменным током с заданными интервалами для уменьшения тепловыделения и повышения эффективности заряда.
При этом важно понимать, что процесс зарядки зависит от нескольких факторов:
- Температура аккумулятора. При слишком высокой или низкой температуре эффективность зарядки снижается. Обычно в ИБП предусмотрены датчики температуры для предотвращения перегрева.
- Состояние аккумулятора. Если аккумулятор изношен или поврежден, зарядка может происходить медленно, с большими отклонениями от номинальных значений, либо вообще не происходить.
- Нагрузка на ИБП. В случае высокой нагрузки на ИБП зарядка может быть ограничена, поскольку зарядный блок будет делить мощность между аккумулятором и устройствами, подключенными к выходу ИБП.
Когда аккумулятор полностью заряжен, система автоматически переключается на поддержание напряжения, предотвращая излишнее накопление энергии и продлевая срок службы аккумулятора. В некоторых моделях ИБП предусмотрена возможность цикличной зарядки, при которой аккумулятор периодически разряжается и снова заряжается для поддержания его активности.
Для обеспечения надежности работы ИБП важно учитывать, что зарядка аккумулятора должна происходить в оптимальных условиях. Регулярная проверка состояния аккумулятора, а также калибровка системы зарядки позволяют продлить срок службы устройства и повысить эффективность работы в экстренных ситуациях.
Выходной фильтр ИБП: зачем он нужен для стабилизации напряжения

Выходной фильтр ИБП (источник бесперебойного питания) выполняет критически важную роль в обеспечении стабильности выходного напряжения. Он защищает подключенные устройства от помех и колебаний, которые могут возникать в процессе преобразования энергии и работы внутренних компонентов ИБП. Основная функция фильтра – сглаживание выходного сигнала, что необходимо для точной и безопасной работы электрооборудования.
В ИБП часто используются различные типы фильтров: от простых LC-фильтров до более сложных активных фильтров. Простые LC-фильтры (состоящие из индуктивности и ёмкости) эффективно устраняют высокочастотные помехи, но не могут гарантировать идеальное сглаживание низкочастотных колебаний. Для более надежной защиты от таких колебаний в системах используют фильтры с дополнительными активными компонентами, которые могут изменять параметры фильтрации в зависимости от условий.
Зачем это важно? Электронные устройства, такие как компьютеры, серверы, медицинское оборудование, чувствительны к качеству напряжения. Нестабильное или искажённое напряжение может привести к сбоям в работе, повреждениям или даже поломкам оборудования. Например, колебания напряжения могут повлиять на работу процессоров или других чувствительных микросхем, вызывая их перегрев или неправильное функционирование.
Выходной фильтр снижает уровень гармоник, который может вызвать искажения в сигналах, что особенно актуально для ИБП с преобразованием напряжения через инвертор. Это важный аспект при работе с нагрузками, требующими высокой точности в уровне напряжения, таких как лазерные принтеры или чувствительные измерительные приборы.
Рекомендации: При выборе ИБП важно обращать внимание на параметры фильтрации выходного сигнала. Для критически важных приложений, где стабильность работы зависит от точности и чистоты выходного напряжения, рекомендуется выбирать устройства с многоступенчатыми фильтрами, обеспечивающими улучшенную защиту от низкочастотных и высокочастотных помех.
Таким образом, выходной фильтр ИБП – это не просто дополнительный элемент системы, а необходимое условие для стабильной и безопасной работы подключаемого оборудования, исключающее возможные сбои и повреждения из-за нестабильного напряжения.
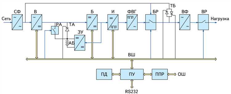
Как устроен блок управления в ИБП и его функции

Основные компоненты блока управления:
- Микропроцессор или микроконтроллер. Он выполняет все вычисления и операции на основе данных, получаемых от датчиков и внешних источников.
- Память (RAM/ROM). В ней хранится программное обеспечение для управления ИБП и данные о его состоянии.
- Цифровые и аналоговые входы/выходы. Они служат для получения информации от внешних датчиков и устройств (например, напряжения, тока) и для передачи команд другим компонентам ИБП.
- Программируемые логические устройства (PLD) или FPGA. Эти компоненты могут ускорять обработку данных и выполнять специализированные задачи, такие как генерация сигналов для инверторов.
Функции блока управления:
- Мониторинг состояния аккумуляторов. Блок управления отслеживает уровень заряда, температуру и напряжение аккумуляторов, что позволяет предотвратить их излишнюю разрядку или перегрев. При необходимости он регулирует параметры зарядки для обеспечения оптимального срока службы батарей.
- Переключение источников питания. Когда основной источник питания (сеть) выходит из строя, блок управления быстро переключает ИБП на питание от аккумуляторов, минимизируя время перехода.
- Регулировка инвертора и зарядного устройства. В зависимости от состояния сети и батарей, блок управления регулирует работу инвертора и зарядного устройства, обеспечивая стабильное выходное напряжение и предотвращая перегрузки.
- Защита от короткого замыкания и перегрузки. Если возникает неисправность в подключенной нагрузке или других компонентах, блок управления сразу же обнаруживает проблему и активирует защитные механизмы для предотвращения повреждений.
- Отображение состояния ИБП. Современные ИБП могут предоставлять пользователю данные о состоянии устройства через дисплеи или внешние интерфейсы. Блок управления обрабатывает и передает информацию о параметрах работы ИБП, например, уровень заряда аккумуляторов, нагрузку и эффективность работы устройства.
- Управление температурой. Встроенные датчики температуры позволяют контролировать перегрев устройства и вовремя включать вентиляторы или другие охлаждающие механизмы для предотвращения повреждения компонентов ИБП.
Таким образом, блок управления является мозгом системы ИБП, обеспечивая стабильную работу устройства в любых условиях и защищая от аварийных ситуаций. Правильная настройка и управление этим блоком гарантируют долговечность и высокую эффективность источника бесперебойного питания.
Что такое холодный старт и как ИБП обеспечивает эту функцию
Для реализации холодного старта ИБП оснащен системой автоматического переключения между батарейным и сетевым режимами. Когда ИБП включается без внешнего питания, он сразу переходит в режим работы от аккумуляторов, причем аккумуляторы могут работать в течение определенного времени, пока не восстановится подача энергии от сети или пока не будет отключено устройство.
Основная роль ИБП в этом процессе – это обеспечить мгновенное питание оборудования, не допуская его отключения. Для этого важными компонентами являются батареи, инвертор и контроллер управления. Инвертор преобразует постоянное напряжение с батарей в переменное, что позволяет подключать обычные устройства, работающие от сети. Контроллер управляет состоянием батарей, следя за их зарядом и обеспечивая безопасную работу в условиях холодного старта.
Продолжительность работы ИБП в режиме холодного старта зависит от мощности подключенного оборудования и емкости аккумуляторов. Чем более мощное устройство подключено, тем быстрее будет расходоваться заряд батареи, что важно учитывать при выборе ИБП для специфических нужд.
Для более продолжительного холодного старта рекомендуют выбирать устройства с высококачественными аккумуляторами и дополнительными функциями управления зарядом. Это повысит надежность ИБП в экстренных ситуациях, когда необходимо обеспечить бесперебойную работу оборудования в условиях полного отключения сети.
Вопрос-ответ:
Что такое ИБП и для чего он нужен?
ИБП (источник бесперебойного питания) — это устройство, предназначенное для подачи электроэнергии в случае перебоев или полного отключения основного источника питания. Он используется для защиты оборудования от внезапных отключений электричества, обеспечивая время для безопасного завершения работы или переключения на резервный источник питания.
Какие основные компоненты входят в состав ИБП?
Основные компоненты ИБП — это аккумулятор, инвертор, зарядное устройство и блок управления. Аккумулятор обеспечивает хранение энергии, инвертор преобразует постоянный ток в переменный, зарядное устройство поддерживает аккумулятор в заряженном состоянии, а блок управления контролирует все процессы и регулирует работу устройства.
Как работает инвертор в ИБП?
Инвертор в ИБП преобразует постоянный ток от аккумулятора в переменный, который используется для питания подключенного оборудования. Это важно, потому что большинство бытовых и офисных приборов работает именно на переменном токе. Инвертор также регулирует напряжение, чтобы оно оставалось стабильным в случае изменений в источнике питания.
Можно ли использовать ИБП для защиты всех видов электрооборудования?
ИБП могут защитить большинство типов оборудования, включая компьютеры, серверы, телевизоры и другое чувствительное к перебоям питание оборудование. Однако для особо мощных или требовательных устройств, таких как промышленное оборудование, могут понадобиться специальные модели ИБП с большей мощностью и дополнительными функциями для эффективной работы.
Какие факторы нужно учитывать при выборе ИБП?
При выборе ИБП важно учитывать мощность потребляемого оборудования, тип аккумулятора, время работы на батарее, а также дополнительные функции, такие как защита от перенапряжений, наличие дисплея для мониторинга и поддержка необходимых разъемов. Также стоит обратить внимание на частоту отключений и продолжительность работы от аккумулятора, чтобы выбрать устройство с подходящими характеристиками для ваших нужд.
Как работает ибп и какие компоненты входят в его состав?
ИБП (источник бесперебойного питания) предназначен для того, чтобы обеспечивать электропитанием устройства в случае перебоев в подаче электроэнергии. Основные компоненты ИБП включают аккумулятор, инвертор, зарядное устройство и устройство защиты. Аккумулятор служит для накопления энергии, инвертор преобразует постоянный ток из аккумулятора в переменный ток, подходящий для питания техники. Зарядное устройство поддерживает аккумулятор в заряженном состоянии, а система защиты предотвращает повреждение устройств от перегрузки или короткого замыкания.
