
Газовое отопление – один из самых энергоэффективных способов обогрева частного дома при условии наличия стабильного подключения к магистральному газу. Коэффициент полезного действия современных газовых котлов достигает 92–98 %, что обеспечивает низкие эксплуатационные затраты при высокой теплоотдаче. При этом важно учитывать не только мощность оборудования, но и особенности разводки системы, тип радиаторов и теплоизоляцию здания.
Основой системы является газовый котёл – настенный или напольный. Его задача – преобразование химической энергии природного газа в тепловую. После розжига горелки теплообменник нагревает теплоноситель, обычно воду или антифриз. Нагретая жидкость циркулирует по трубопроводу с помощью циркуляционного насоса, передавая тепло радиаторам или системе тёплого пола. Возврат охлаждённого теплоносителя происходит по обратному контуру, и цикл повторяется.
Автоматика газового котла регулирует мощность горелки в зависимости от заданной температуры. Современные модели оснащаются модулируемыми горелками и погодозависимыми контроллерами. Это позволяет снизить расход топлива до 15 % по сравнению с традиционными моделями. Дополнительно стоит предусмотреть установку комнатных термостатов и программаторов для гибкой настройки режима обогрева.
При проектировании системы необходимо учитывать теплопотери здания. Например, дом площадью 150 м² с хорошей теплоизоляцией потребует котёл мощностью около 15 кВт. При этом важно не допускать переизбытка мощности, так как это приведёт к неэффективной работе и частым включениям/выключениям котла.
Как устроен газовый котёл и его ключевые компоненты

Горелка – элемент, в котором происходит сгорание газа. Современные модели оснащаются модулируемыми горелками, регулирующими интенсивность пламени в зависимости от температуры теплоносителя. Это повышает КПД и снижает расход газа.
Теплообменник передаёт тепло от продуктов сгорания к воде в системе отопления. Чаще всего применяется медный или стальной теплообменник. Медь обладает высокой теплопроводностью и меньшим весом, но требует качественной воды. Сталь дешевле, но менее устойчива к коррозии.
Газовый клапан управляет подачей топлива к горелке. Он работает в связке с автоматикой безопасности и отключает газ при перегреве, отсутствии пламени или недостаточной тяге. Надёжность клапана – критический фактор безопасности.
Циркуляционный насос обеспечивает движение теплоносителя по системе. Без него возможен перегрев котла или неравномерное распределение тепла. В современных котлах насос интегрирован и работает автоматически в зависимости от нагрузки.
Автоматика и блок управления регулируют работу всех узлов. Это может быть как простая терморегуляция, так и погодозависимое управление. Желательно выбирать котёл с возможностью подключения комнатного термостата и модулируемой системой управления.
Расширительный бак компенсирует тепловое расширение воды. Объём подбирается с запасом, исходя из общей ёмкости системы. Нехватка объёма приводит к скачкам давления и срабатыванию клапанов сброса.
Предохранительный клапан автоматически сбрасывает избыточное давление при аварийных ситуациях. Регулярная проверка его работоспособности – обязательное условие безопасной эксплуатации.
Что происходит с газом внутри системы отопления

После поступления в дом по магистрали или из баллона, природный или сжиженный газ направляется к газовому котлу. В камере сгорания котла происходит смешение газа с воздухом в строго дозированных пропорциях, обеспечивающих полное сгорание топлива. Этот процесс контролируется форсункой и системой автоматики, регулирующей подачу газа и кислорода.
Сгорание газа вызывает резкое повышение температуры теплообменника, через который циркулирует теплоноситель – чаще всего вода. Образовавшееся тепло мгновенно передаётся теплоносителю, обеспечивая нагрев всей системы. Чтобы минимизировать теплопотери и достичь КПД выше 90%, большинство современных котлов оснащены модулируемыми горелками и конденсационными камерами, где дополнительно утилизируются горячие дымовые газы.
Газ после сгорания превращается в продукты, состоящие в основном из углекислого газа и водяного пара. Они удаляются через коаксиальный дымоход или турбонаддув. Важно обеспечить полную герметичность газопроводов и своевременно обслуживать горелочные модули, чтобы избежать неполного сгорания и появления опасного угарного газа.
Эффективность работы системы напрямую зависит от стабильного давления газа. Для магистрального газа нормой считается 13–20 мбар, для сжиженного – 30–37 мбар. Рекомендуется установка редуктора с манометром и автоматикой отключения при отклонениях от нормы.
Как регулируется температура в помещении при газовом отоплении

Современные термостаты поддерживают программирование по времени. Это позволяет снижать температуру ночью или в рабочие часы, экономя до 15% газа. Модели с Wi-Fi дают возможность управлять системой удалённо через смартфон.
Погодозависимая автоматика использует уличный датчик температуры. При понижении наружной температуры система автоматически увеличивает подачу тепла в контуре отопления, обеспечивая стабильный комфорт без постоянного ручного вмешательства.
На каждом радиаторе можно установить термостатический клапан. Он ограничивает подачу теплоносителя в зависимости от температуры в конкретной комнате. Это особенно эффективно в южных и солнечных помещениях, где нагрев требуется реже.
Для максимальной эффективности рекомендуется проводить балансировку системы. Это позволяет равномерно распределить тепло по всем помещениям и избежать перегрева отдельных зон. Без балансировки часть радиаторов может оставаться холодной даже при работающем котле.
Роль циркуляционного насоса в распределении тепла
Циркуляционный насос обеспечивает принудительное движение теплоносителя по системе отопления, исключая температурные перепады между подающими и обратными трубами. В современных закрытых системах без него невозможно добиться равномерного обогрева всех помещений, особенно при протяжённых магистралях и наличии нескольких отопительных контуров.
Производительность насоса подбирается с учётом гидравлического сопротивления труб, диаметра сечения, количества радиаторов и общей длины контура. Например, для дома площадью 120 м² с двухтрубной системой отопления оптимальна модель с напором от 4 м и производительностью от 2,5 м³/ч.
Правильная установка насоса – на обратной линии перед котлом, в горизонтальном положении, с учётом направления потока. Неправильный монтаж ведёт к кавитации, падению давления и перегреву котла.
Интеллектуальные модели с датчиками расхода и автоматической регулировкой скорости снижают энергопотребление до 50% по сравнению с обычными насосами, стабилизируют температуру и устраняют шум циркуляции.
Для бесперебойной работы необходим обратный клапан и байпас с шаровым краном, особенно в гравитационных системах. При отключении электроэнергии это позволяет сохранить минимальную циркуляцию и избежать перегрева теплообменника.
Чем отличаются открытая и закрытая системы отопления

Ключевое различие между открытой и закрытой системами отопления – способ взаимодействия теплоносителя с атмосферой и уровень давления в контуре.
- Открытая система работает при атмосферном давлении. В верхней точке контура устанавливается расширительный бак без герметизации. Это упрощает конструкцию, но делает систему уязвимой к испарению теплоносителя и попаданию кислорода, что ускоряет коррозию.
- Закрытая система герметична, давление поддерживается автоматически с помощью расширительного мембранного бака. Это исключает контакт с воздухом и позволяет использовать антифриз в качестве теплоносителя, что актуально для дач и сезонного проживания.
Выбор зависит от условий эксплуатации:
- Для одноэтажных домов с естественной циркуляцией часто выбирают открытую систему – она не требует насоса, но менее энергоэффективна.
- В домах с несколькими этажами и теплым полом предпочтительнее закрытая система – она стабильнее, безопаснее и обеспечивает равномерный прогрев.
При использовании газового котла с автоматикой рекомендуется закрытая система. Давление легко контролировать, исключаются потери теплоносителя и продлевается срок службы оборудования.
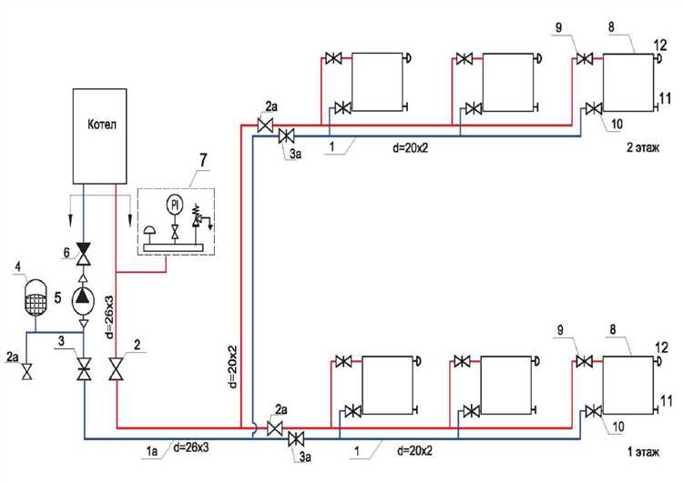
Как подключается газовый котёл к системе отопления дома
Подключение газового котла начинается с установки аппарата на прочное основание, выдерживающее вес устройства. Котёл фиксируется согласно инструкции производителя с учётом требований по вентиляции и доступу для обслуживания.
К подаче газа подводится стальная или медная труба диаметром, соответствующим паспортным данным котла. Перед газовым вводом монтируется запорный вентиль и газовый фильтр для предотвращения попадания механических загрязнений в систему. Соединение выполняется с использованием герметичных фитингов и уплотнительных материалов, сертифицированных для газовых систем.
Подключение к системе отопления осуществляется через обратный и подающий трубопроводы из металлопластика или металла с антикоррозийным покрытием. Для правильной циркуляции воды устанавливают насос, чаще циркуляционный с регулируемой производительностью, который подключается на обратном контуре.
Рекомендуется установка расширительного бака мембранного типа с объёмом, соответствующим общей ёмкости системы, чтобы компенсировать изменения объёма теплоносителя при нагреве.
Обязательным элементом является установка автоматических или ручных воздухоотводчиков на верхних точках системы для удаления воздушных пробок, ухудшающих теплообмен.
Подключение теплоносителя требует монтажа запорно-регулирующей арматуры (краны, балансировочные клапаны) для регулировки подачи и обратки с целью равномерного распределения тепла по дому.
Для безопасности устанавливают датчики температуры и давления, которые подключают к системе автоматики котла. В случае превышения допустимых значений срабатывает аварийное отключение.
После монтажа проводится обязательная проверка герметичности всех соединений с помощью манометра и опрессовка системы водой под давлением, превышающим рабочее на 20-30%. Это исключает утечки и обеспечивает надёжную эксплуатацию.
Вопрос-ответ:
Как работает газовое отопление в частном доме?
Газовое отопление в частном доме основано на использовании котла, который сжигает природный газ для нагрева воды. Горячая вода или пар по трубам поступают к радиаторам, которые передают тепло в помещения. Управление системой происходит с помощью термостата, поддерживающего нужную температуру в доме.
Какие основные компоненты входят в систему газового отопления?
Система газового отопления состоит из нескольких ключевых элементов: газового котла, трубопроводов, радиаторов и системы управления. Котел нагревает воду, которая циркулирует по трубам и передает тепло радиаторам. Важной частью является также дымоход, обеспечивающий вывод продуктов сгорания, и автоматика для безопасности и контроля температуры.
Насколько безопасно использовать газовое отопление в частном доме?
При правильной установке и регулярном техническом обслуживании газовое отопление считается безопасным. Важно обеспечить качественную вентиляцию и установить датчики утечки газа. Современные котлы оснащены системами защиты, которые автоматически отключают подачу газа при возникновении аварийных ситуаций.
Как влияет качество газа на работу отопительной системы?
Качество газа напрямую влияет на эффективность и долговечность оборудования. Загрязнения или неправильный состав газа могут привести к неполному сгоранию, образованию сажи и снижению тепловой отдачи. Это вызывает повышенный износ котла и необходимость более частого обслуживания.
