
Фахверковые колонны представляют собой ключевые несущие элементы каркасных конструкций, обеспечивающие равномерное распределение нагрузок между фундаментом и ограждающими стенами. Их конструктивная особенность – открытая решетчатая структура, позволяющая сочетать прочность и легкость, что существенно снижает общий вес здания без потери устойчивости.
Основная функция таких колонн – восприятие вертикальных и горизонтальных нагрузок, включая вес перекрытий, ветровые и сейсмические воздействия. Благодаря пространственной жесткости фахверковые колонны обеспечивают устойчивость каркаса и минимизируют деформации при эксплуатации. Важным параметром является их модуль упругости, который влияет на поведение здания под нагрузкой.
Использование фахверковых колонн целесообразно в сооружениях с большими пролетами и необходимостью максимальной прозрачности фасадов. Они позволяют интегрировать панорамное остекление без потери несущей способности. При проектировании следует учитывать оптимальное сечение колонн и выбор материалов, что влияет на долговечность и экономичность строительства.
Роль фахверковых колонн в распределении нагрузок каркаса здания

Фахверковые колонны выполняют ключевую функцию в передаче вертикальных и горизонтальных нагрузок от перекрытий и стен к фундаменту. Их основная задача – обеспечивать равномерное распределение сил, возникающих в каркасе, снижая концентрацию напряжений и минимизируя деформации конструкции.
Колонны воспринимают как постоянные нагрузки (собственный вес конструкции, вес оборудования и отделки), так и временные – ветровые, сейсмические и эксплуатационные. Для эффективного распределения нагрузок важно правильно определить шаг и сечение колонн, что позволяет оптимизировать материал и повысить устойчивость здания.
Фахверковые колонны работают совместно с ригелями и раскосами, формируя жесткий пространственный каркас. За счет этого снижается влияние боковых усилий и повышается общая жесткость. Равномерное восприятие нагрузок предотвращает локальные перегрузки и способствует долговечности каркаса.
При проектировании колонн учитывают тип материала, его прочностные характеристики, а также специфику нагрузки в конкретных узлах каркаса. Часто используют стальные профили с повышенной несущей способностью и антикоррозионной защитой для улучшения эксплуатационных свойств.
Контроль геометрии колонн в процессе монтажа критичен для сохранения расчетных нагрузочных характеристик. Любые отклонения способны вызвать перераспределение сил и появление напряжений, способных привести к повреждениям или аварийным ситуациям.
Оптимальное проектное решение предусматривает расчет на совместное действие всех видов нагрузок с использованием современных программных комплексов. Это позволяет точно определить усилия в колоннах и выбрать рациональные сечения с запасом прочности и жесткости.
Особенности конструктивного исполнения фахверковых колонн

Диаметр и сечение колонн подбираются с учётом ветровых и снеговых нагрузок, а также геометрии здания. В стальных колоннах часто применяют двутавровые или коробчатые профили с толщиной стенок от 6 до 12 мм в зависимости от класса прочности стали и нагрузок. Для железобетонных колонн характерно использование предварительно напряжённой арматуры для повышения устойчивости к изгибу.
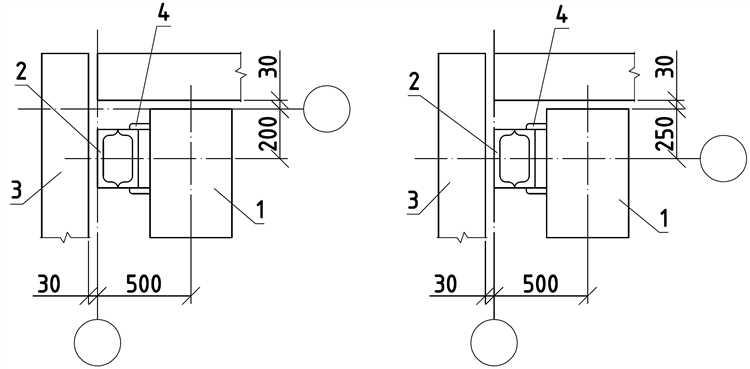
Особое внимание уделяется узлам сопряжения колонн с ригелями и перекрытиями. Используются жёсткие стальные пластины с болтовыми или сварными соединениями, обеспечивающие передачу усилий без деформаций. Стыки проектируются с компенсацией температурных расширений и возможных осадок, чтобы исключить появление трещин и разрушений.
Поверхность колонн обрабатывается антикоррозионными составами с толщиной покрытия не менее 120 мкм, что значительно увеличивает срок службы в агрессивных средах. Для железобетонных конструкций применяются гидрофобизаторы и морозостойкие добавки в бетон, обеспечивающие защиту от влаги и циклов замораживания.
Для повышения огнестойкости в конструкцию вводят огнезащитные покрытия или обшивки. Важно, что конструктивные решения предусматривают возможность быстрой замены элементов колонн при аварийных повреждениях без демонтажа крупных частей фасада или перекрытий.
Влияние фахверковых колонн на жесткость и устойчивость сооружения

Фахверковые колонны обеспечивают каркасную жесткость благодаря своей способности воспринимать как вертикальные, так и горизонтальные нагрузки. Их конструктивные особенности позволяют эффективно передавать нагрузки на фундамент, минимизируя деформации.
Основные механизмы влияния колонн на жесткость и устойчивость:
- Сопротивление изгибу и сдвигу: колонны работают на изгиб и сдвиг, повышая общую жесткость каркаса и снижая прогибы перекрытий.
- Формирование пространственной системы: за счет соединений с ригелями колонны создают жесткую пространственную структуру, препятствующую внеплановым смещениям.
- Передача ветровых и сейсмических нагрузок: фахверковые колонны эффективно распределяют боковые нагрузки по каркасу, предотвращая концентрацию напряжений.
- Устойчивость к локальным повреждениям: при повреждении одной колонны нагрузка перераспределяется между соседними элементами, что снижает риск аварийного разрушения.
Для обеспечения оптимальной жесткости необходимо учитывать следующие рекомендации:
- Выбирать профиль колонн с достаточным моментом инерции, ориентируясь на расчётные нагрузки и пролёты.
- Обеспечивать жёсткие и точно выполненные узлы сопряжения с ригелями и связями.
- Включать в проект дополнительные диагональные связи для повышения пространственной жёсткости при больших высотах и ветровых нагрузках.
- Использовать высокопрочные материалы с контролируемыми характеристиками для минимизации деформаций под нагрузкой.
Правильное проектирование и монтаж фахверковых колонн напрямую влияют на долговечность и эксплуатационную безопасность сооружения, снижая риск появления трещин и конструктивных повреждений.
Использование фахверковых колонн для организации фасадных систем
Фахверковые колонны выполняют ключевую роль в поддержке и структурировании навесных и светопрозрачных фасадов. Они обеспечивают необходимую несущую способность при минимальном весе конструкции, что позволяет создавать крупноформатные панели с высокой степенью остекления. Материал колонн чаще всего – сталь или алюминиевые сплавы, обладающие высокой прочностью и коррозионной стойкостью, что существенно увеличивает срок службы фасада.
Оптимальное расположение фахверковых колонн определяется расчетами нагрузки на ветровое давление и вес облицовки. Рекомендуется выдерживать шаг колонн от 1,2 до 2,4 метра, что обеспечивает равномерное распределение нагрузки и упрощает монтаж облицовочных элементов. При проектировании важно учитывать узлы крепления панелей к колоннам с применением уплотнителей для предотвращения проникновения влаги и улучшения теплоизоляции.
Использование фахверковых колонн позволяет интегрировать в фасадные системы дополнительные технические коммуникации, такие как вентиляция и электропроводка, скрывая их в пространстве между колоннами и облицовкой. Это упрощает обслуживание и модернизацию зданий без демонтажа основных элементов фасада.
Для обеспечения долговечности конструкции необходимо проводить антикоррозионную обработку колонн, включая грунтовку и многослойное покрытие с использованием полиуретановых или порошковых красок. Рекомендован регулярный технический осмотр и обслуживание, направленное на выявление и устранение повреждений защитного слоя.
Таким образом, фахверковые колонны являются не только несущим элементом, но и функциональной основой для создания современных, технологичных фасадных систем с высокой эстетической и эксплуатационной эффективностью.
Материалы и технологии изготовления фахверковых колонн
Фахверковые колонны традиционно изготавливаются из древесины твердых пород, таких как дуб, ясень или лиственница, обладающих высокой прочностью и стойкостью к нагрузкам. Современные конструкции могут включать клееный брус, обеспечивающий однородность материала и минимизацию дефектов, что повышает надежность и долговечность колонн.
Для защиты древесины применяют импрегнацию антисептиками и огнезащитными составами, что снижает риск гниения и возгорания. Важным этапом производства является строгание и калибровка деталей, обеспечивающая точность сборки и плотное прилегание элементов фахверка.
Металлические вставки из стали или алюминия используются для усиления узлов крепления и повышения общей жесткости конструкции. Соединения выполняются на шпонках, шипах и пазах с использованием клеевых составов с высокой адгезией, например, полиуретановых или эпоксидных клеев.
Современные технологии включают использование компьютерного моделирования для оптимизации размеров колонн и их сечений, что позволяет минимизировать расход материала без потери несущей способности. Производство часто автоматизировано с помощью станков с ЧПУ, что обеспечивает высокую точность обработки и уменьшает время изготовления.
Для повышения устойчивости к внешним воздействиям колонны могут покрываться защитными лаками или маслами с водоотталкивающими и ультрафиолетовыми фильтрами. Это продлевает срок службы и сохраняет эстетический вид фахверка в течение десятилетий.
Методы монтажа и крепления фахверковых колонн на стройплощадке
Монтаж фахверковых колонн требует точного соблюдения технологий, обеспечивающих жесткость конструкции и устойчивость к нагрузкам. Основные этапы включают подготовку основания, подъём и выверку колонн, а также их закрепление.
- Подготовка монтажной площадки: фундамент должен иметь отметки и анкерные элементы, выполненные с точностью не более ±5 мм. Неровности устраняются цементным раствором или подкладками из пластика/металла.
- Подъём колонн: используются краны с грузоподъёмностью, учитывающей вес и габариты колонн. Важно применять мягкие захваты или стропы с защитой от повреждения поверхности металла.
- Выверка положения: положение контролируется нивелиром или лазерным нивелиром с точностью до 2 мм на высоту. Вертикальность проверяется отвесом и угломером.
- Закрепление колонн: наиболее распространены анкеры химические и механические, обеспечивающие несущую способность не менее 150% расчетной нагрузки.
В зависимости от типа соединения применяются следующие методы крепления:
- Анкерное крепление к фундаменту: с применением анкерных болтов М16–М24, заглублённых не менее чем на 150 мм в бетон высокой марки (не ниже М300). Для повышения надежности используется химический анкер с эпоксидным составом.
- Крепление с помощью монтажных пластин: пластины толщиной от 10 мм привариваются к колонне на заводе, а затем фиксируются болтами к фундаменту. Размер болтов и количество определяется расчетом на сдвиг и вырыв.
- Временное крепление при монтаже: используются распорные элементы и временные подкладки для фиксации колонн до полного закрепления. Это предотвращает смещения при дальнейших операциях.
- Соединение колонн с ригелями и связями: болтовые узлы с шайбами и гайками класса прочности не ниже 8.8, затянутые динамометрическим ключом с усилием, рекомендованным проектом.
Дополнительно рекомендуется:
- Проводить контрольные испытания анкеров после монтажа, включая проверку момента затяжки и отсутствие люфта.
- Обеспечивать защиту от коррозии зон сварки и крепежных элементов антикоррозийными покрытиями.
- Использовать средства контроля вертикальности и жесткости не только на этапе монтажа, но и после завершения закрепления.
Ремонт и усиление фахверковых колонн при реконструкции зданий

Ремонт фахверковых колонн требует точного выявления дефектов: коррозии металлических элементов, трещин в бетоне или деформаций. Перед началом работ проводят неразрушающий контроль (ультразвуковой или магнитный), чтобы определить степень повреждений и скрытые дефекты.
Усиление колонн чаще всего выполняется с помощью сварки дополнительных стальных пластин или профильных элементов к повреждённым участкам. При этом важно обеспечить сохранение геометрии конструкции и избежать концентрации напряжений. Для этого усилительные элементы крепят на всю высоту повреждённого участка с заходом на здоровую зону не менее 300 мм.
Если колонна имеет трещины в бетоне, применяют метод инъектирования эпоксидных смол, восстанавливающих монолитность и повышающих прочность. В ряде случаев целесообразно использовать обшивку колонн углепластиковыми или базальтопластиковыми лентами, что снижает вес конструкции и повышает коррозионную стойкость.
Важной задачей является восстановление устойчивости колонн к продольным нагрузкам. Для этого часто устанавливают дополнительные вертикальные подкосы или распорки, распределяющие нагрузку и уменьшающие прогибы.
При реконструкции зданий с ограничениями по весу конструкций применяют метод наращивания колонн с помощью высокопрочных легких металлоконструкций, что позволяет увеличить несущую способность без значительного увеличения нагрузки на фундамент.
Все ремонтные и усилительные работы должны сопровождаться перерасчётом нагрузок и проверкой совместимости новых элементов с существующей конструкцией, что минимизирует риск появления новых дефектов и повышает долговечность колонн.
Требования к огнестойкости и коррозионной защите фахверковых колонн

Фахверковые колонны, как несущие элементы каркаса, обязаны соответствовать нормативам по огнестойкости не менее REI 60, что обеспечивает сохранение несущей способности в течение 60 минут при воздействии открытого пламени. Для достижения этого применяются огнезащитные покрытия на основе интумесцентных составов или минеральной ваты с толщиной слоя, рассчитанной по нормативам СП 135. Толщина огнезащитного слоя варьируется в зависимости от сечения колонны и класса стали, при этом для стали класса S235 она обычно составляет от 8 до 15 мм при использовании интумесцентных красок.
Коррозионная защита фахверковых колонн должна обеспечивать долговечность конструкции не менее 50 лет в условиях атмосферного воздействия, включая повышенную влажность и загрязнение воздуха. Применяется многослойное покрытие: первый слой – цинковое гальваническое покрытие с толщиной от 80 до 120 мкм, затем слой эпоксидной грунтовки толщиной не менее 60 мкм, и завершающий слой полиуретановой краски толщиной 40–60 мкм. В зонах с агрессивными условиями (приморская зона, промышленные районы) рекомендуется горячее цинкование с последующим нанесением органических покрытий, что увеличивает срок службы защиты до 70 лет.
Особое внимание уделяется обработке сварных швов и сопряжений колонн, так как именно в этих местах повышается риск коррозионного разрушения. После сварки обязательна повторная очистка и нанесение защитных слоев с контролем толщины покрытия ультразвуковыми толщиномерами.
Вопрос-ответ:
Для чего в строительстве применяются фахверковые колонны?
Фахверковые колонны используются как несущие элементы каркаса здания. Они передают нагрузки от верхних частей конструкции на фундамент, обеспечивая устойчивость и прочность сооружения. Кроме того, такие колонны часто служат архитектурным акцентом, формируя внешний вид строения.
Какие функции выполняют фахверковые колонны в строительных конструкциях?
Основные функции включают поддержание веса перекрытий и кровли, восприятие ветровых и сейсмических воздействий, а также обеспечение пространственной жёсткости каркаса. Они позволяют равномерно распределить нагрузки, что помогает избежать деформаций и повреждений здания в процессе эксплуатации.
В чем отличие фахверковых колонн от обычных несущих колонн?
Фахверковые колонны обычно имеют вид открытого каркаса с видимыми элементами, часто выполнены из дерева или металла, и включают в себя сочетание вертикальных и горизонтальных балок. В отличие от сплошных колонн, они формируют структуру, которая одновременно служит и несущим элементом, и декоративной частью фасада, что позволяет создавать более лёгкие и прозрачные конструкции.
Как влияет использование фахверковых колонн на общую конструктивную систему здания?
Фахверковые колонны задают каркас здания, определяя его жёсткость и устойчивость. Они позволяют уменьшить количество внутренних стен, создавая открытые планировки. При этом нагрузка равномерно передается на фундамент, а конструкция приобретает способность сопротивляться различным внешним воздействиям, сохраняя при этом лёгкость и эстетическую привлекательность.
