
Блок питания – один из ключевых компонентов настольного компьютера, отвечающий за стабильное снабжение всех узлов системы электрическим током нужного напряжения. При выходе из строя он может проявлять себя полным отсутствием реакции на нажатие кнопки питания, резким выключением ПК во время нагрузки или запахом гари. Прежде чем покупать новый, есть смысл провести диагностику и, при наличии базовых навыков пайки и обращения с мультиметром, попытаться восстановить устройство самостоятельно.
Часто проблемы вызваны элементарными неисправностями: вздутыми электролитическими конденсаторами, пробитыми диодами выпрямителя, перегоревшими предохранителями или отказом шим-контроллера. Эти компоненты легко заменить, если знать, как их правильно прозвонить и демонтировать. Например, при выходе из строя конденсатора ESR может увеличиться в разы, и это можно выявить только специализированным измерителем или косвенно – по нестабильному запуску ПК.
Перед началом ремонта необходимо полностью обесточить блок питания, разрядить накопительные конденсаторы и визуально осмотреть плату на наличие подгоревших дорожек, следов перегрева или потёков электролита. Нельзя приступать к ремонту, не убедившись в исправности кабелей и внешних разъёмов – иногда проблема кроется в обрыве контакта или замыкании внутри разъёма ATX. Также важно помнить: многие импульсные БП не запускаются без нагрузки, поэтому диагностику лучше проводить с подключённым тестовым стендом или хотя бы резисторной нагрузкой.
Как диагностировать неисправности блока питания компьютера

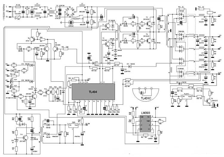
Первый этап диагностики – проверка выхода напряжений на разъёмах блока питания. Для этого понадобится мультиметр в режиме постоянного напряжения. Подключите черный щуп к общему проводу (обычно чёрного цвета), а красный – к каждому из выходов: +12 В (жёлтый), +5 В (красный), +3.3 В (оранжевый). Допустимое отклонение – не более ±5% от номинала. Если напряжения отсутствуют или сильно занижены, вероятна неисправность первичной цепи или системы стабилизации.
При отсутствии запуска блока питания без нагрузки следует выполнить тест запуска. Замкните контакт PS_ON (зелёный провод на 24-контактном разъёме) на GND с помощью перемычки. Если вентилятор не стартует, проверьте наличие напряжения на входе (сеть 220 В) и выходе дежурного источника +5VSB (фиолетовый провод). Норма – 5 В даже при выключенном ПК. Отсутствие этого напряжения указывает на неисправность дежурного блока или шим-контроллера.
Для точной диагностики используйте осциллограф, чтобы проверить форму выходного сигнала. Шумы, пульсации и искажения указывают на деградацию фильтрующих конденсаторов или сбои в обратной связи. Прозвонка диодов и транзисторов проводится в режиме проверки полупроводников. При пробое ключевых транзисторов в первичной цепи БП не подаёт признаков жизни, а плавкий предохранитель часто срабатывает мгновенно.
Обратите внимание на физическое состояние компонентов. Вздутие электролитов, обугленные участки платы, потемнение изоляции трансформатора – прямые признаки перегрева или короткого замыкания. Использование термопары позволяет измерить температуру радиаторов под нагрузкой. Значения выше 70°C могут свидетельствовать о недостаточном охлаждении или перегрузке цепей.
Необходимые инструменты и материалы для ремонта блока питания

Для ремонта блока питания потребуются специализированные инструменты и компоненты, обеспечивающие точность диагностики и качественный монтаж.
- Мультиметр с функцией измерения постоянного и переменного напряжения, а также прозвонки диодов и транзисторов.
- Осциллограф для оценки формы выходных импульсов и выявления пульсаций на выходе блока питания.
- Паяльная станция с регулируемой температурой не менее 350 °C для точной и аккуратной замены компонентов.
- Отсос припоя или медная оплетка для удаления старого припоя при демонтаже неисправных деталей.
- Набор миниатюрных отверток для разбора корпуса и крепления элементов внутри блока.
- Термопаста для улучшения теплопередачи от полупроводниковых компонентов к радиаторам после замены.
- Набор электролитических конденсаторов
- Диоды Шоттки и выпрямительные диоды
- Термоусадочные трубки
- Измеритель ESR конденсаторов
- Изолента
Наличие качественных расходных материалов и профессионального инструмента позволяет минимизировать ошибки и продлить срок службы отремонтированного блока питания.
Пошаговая проверка и замена предохранителя в блоке питания

Отключите блок питания от сети и разберите корпус, чтобы получить доступ к плате. Найдите предохранитель – обычно это цилиндрический элемент в керамическом или стеклянном корпусе, расположенный рядом с входным разъёмом питания.
Снимите предохранитель с платы. Для этого аккуратно выпаяйте его паяльником с регулируемой температурой около 350 °C, избегая перегрева дорожек и компонентов рядом.
Проверьте целостность предохранителя мультиметром в режиме прозвонки. Целый предохранитель покажет низкое сопротивление (близкое к нулю), а перегоревший – обрыв цепи (бесконечное сопротивление).
Если предохранитель перегорел, замените его на идентичный по номиналу тока и типу (например, быстродействующий или медленнодействующий). Неправильный выбор предохранителя может привести к повторному выходу из строя блока питания или повреждению других компонентов.
Впаяйте новый предохранитель на место старого, обеспечивая надёжный контакт и избегая холодных паяных соединений. После замены внимательно осмотрите плату на предмет коротких замыканий и повреждений вокруг предохранителя.
Перед повторным включением блока питания убедитесь, что все остальные элементы исправны и нет видимых дефектов. Включите устройство в сеть через ограничительный тестер или используйте лампу-обманку для контроля потребления тока и предотвращения повторного короткого замыкания.

Как проверить и заменить электролитические конденсаторы в блоке питания

Осмотрите плату на наличие вздутых, протекших или обесцвеченных электролитических конденсаторов. Вздутие верхней части корпуса, следы электролита или деформация оболочки – признаки неисправности. Обратите внимание на высокотемпературные зоны: рядом с радиаторами, выходными диодами и трансформатором.
Для проверки ESR (эквивалентного последовательного сопротивления) используйте ESR-метр. Измеряйте прямо на плате, предварительно разрядив конденсатор. Повышенное ESR (>1 Ом для большинства конденсаторов в блоках питания) указывает на деградацию. Также проверьте емкость с помощью мультиметра с соответствующей функцией – значения, отличающиеся более чем на 20% от номинала, говорят о необходимости замены.
Новый конденсатор подбирается по следующим параметрам: емкость – строго равная номиналу; напряжение – не ниже штатного; температура – минимум 105 °C; тип – low ESR (для импульсных источников питания). Используйте компоненты от проверенных производителей (Nichicon, Rubycon, Panasonic, United Chemi-Con).
После замены выполните пробный запуск блока через лампу накаливания 60–100 Вт, подключённую последовательно с сетью. Если лампа кратковременно вспыхнула и погасла – замена прошла успешно, блок работает корректно.
Процесс замены повреждённых транзисторов и диодов в блоке питания

После идентификации неисправных компонентов выпаять их паяльником мощностью не менее 40 Вт с использованием медной оплётки или вакуумного отсоса. Очищенные посадочные места осмотреть на наличие повреждений дорожек или перегрева платы.
При замене транзисторов необходимо строго соблюдать оригинальные параметры: тип (биполярный или MOSFET), максимальное напряжение коллектор-эмиттер (или сток-исток), ток, мощность рассеяния и коэффициент усиления (hFE или RDS(on) для MOSFET). Для диодов важны параметры максимального обратного напряжения и прямого тока. Также необходимо учитывать тип корпуса (TO-220, TO-247 и др.) для правильной установки и охлаждения.
После замены визуально проверить отсутствие замыканий, пайку и соответствие установленных компонентов. Рекомендуется подключить лампу накаливания мощностью 40–60 Вт последовательно в разрыв сети при первом включении для защиты при возможной ошибке. При отсутствии яркого свечения можно проводить дальнейшее тестирование под нагрузкой.
Тестирование блока питания после ремонта и меры предосторожности

Перед включением отремонтированного блока питания убедитесь в отсутствии короткого замыкания. Используйте мультиметр в режиме прозвонки: проверьте сопротивление между линиями +12В, +5В, +3.3В и землей. Значения менее 5 Ом – повод повторно проверить пайку и элементы цепи.
Далее выполните запуск без нагрузки:
- Замкните зелёный провод PS_ON и любой черный (GND) на 24-контактном разъеме питания с помощью перемычки.
- Подайте питание через сетевой фильтр и лампу накаливания (100–150 Вт) в разрыв фазного провода – это снизит риск повреждений при наличии неисправностей.
- Убедитесь, что вентилятор блока запустился, и есть выходные напряжения.
Проверьте выходные линии:
- +12В: допустимое отклонение ±5% (11.4–12.6 В)
- +5В: допустимо 4.75–5.25 В
- +3.3В: норма 3.14–3.47 В
Если напряжения в пределах нормы, переходите к нагрузочному тестированию:
- Подключите к блоку питания нагрузочные резисторы или заведомо исправный компьютерный стенд без накопителей и графической карты.
- Контролируйте стабильность напряжений при увеличении потребления.
- Измеряйте пульсации осциллографом – для +12В они не должны превышать 120 мВ, для +5В – 50 мВ.
Меры предосторожности:
- Не прикасайтесь к плате во время работы блока, особенно в зоне высоковольтной части (первичная цепь).
- Используйте изолированные инструменты, при необходимости работайте в перчатках.
- Не проводите тестирование вблизи легковоспламеняющихся материалов.
Только после успешного прохождения всех этапов блок питания можно использовать в полноценной системе.
