
Регулятор оборотов позволяет точно настраивать скорость вращения диска болгарки в зависимости от типа обрабатываемого материала и характера выполняемой работы. Это особенно важно при работе с древесиной, пластиком или мягкими металлами, где высокие обороты могут привести к перегреву и деформации заготовки. Самодельное устройство управления скоростью можно собрать без сложного оборудования, используя доступные компоненты.
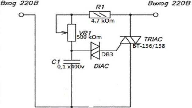
В основе регулятора лежит фазоимпульсное управление на симисторе, обеспечивающее плавную настройку мощности, подаваемой на двигатель. Один из самых распространённых вариантов – схема на симисторе типа BT136 или BTA16 в связке с динистором DB3 и резистивно-емкостной цепью. Такой узел стабильно работает при токах до 4–10 ампер, чего достаточно для большинства бытовых болгарок мощностью до 1500 Вт.
Для сборки потребуется: симистор, динистор, переменный резистор на 470 кОм с линейной характеристикой, конденсатор от 100 до 470 нФ, резисторы на 4,7–10 кОм, монтажная плата, проводка и термоусадочная изоляция. Все детали можно найти в любом магазине радиодеталей. Особое внимание стоит уделить теплоотводу симистора – при длительной нагрузке он должен быть установлен на радиатор с площадью от 20 см².
Перед началом сборки необходимо определить тип двигателя болгарки. Если это универсальный коллекторный двигатель – конструкция регулятора подходит идеально. Для асинхронных моделей (что встречается крайне редко) потребуется другая схема. Также важно учитывать, что при снижении оборотов падает крутящий момент, и это может влиять на эффективность работы инструмента.
Выбор типа регулятора: симисторный, тиристорный или импульсный

Симисторные регуляторы – наиболее распространённый вариант для регулировки оборотов в сетевых инструментах. Они позволяют плавно менять напряжение на двигателе, снижая его без трансформации частоты. Используются в цепях с универсальными коллекторными двигателями, что делает их совместимыми с большинством болгарок. Главный плюс – простота схемы и минимум компонентов: достаточно симистора, диака и пары резисторов. Однако при снижении напряжения увеличивается уровень пульсаций, что может вызывать нагрев обмоток и снижение ресурса мотора.
Тиристорные схемы чаще применяются в промышленных решениях. В бытовых болгарках их используют редко из-за более сложной схемотехники и необходимости синхронизации с фазой сети. При неправильной сборке тиристор может не закрываться полностью, что ведёт к перегреву двигателя. Применимы в случаях, когда требуется высокая нагрузочная способность и более точное управление при стабильной нагрузке.
Импульсные регуляторы работают по принципу широтно-импульсной модуляции. Они преобразуют переменное напряжение в постоянное, затем снова в переменное с регулируемой скважностью. Это обеспечивает наиболее стабильную работу двигателя даже при малых оборотах. КПД таких устройств выше, а тепловые потери ниже. Недостатки – сложность схемы, необходимость фильтров, дорогие компоненты. Рекомендуются для модернизации профессионального инструмента, где критична точность и стабильность.
Подбор элементов схемы: резисторы, конденсаторы, управляющий элемент

Резисторы подбираются с учетом номиналов, обеспечивающих стабильную работу фазоимпульсного управления. Для задания временных характеристик в RC-цепочке используйте резистор на 47 кОм – он обеспечивает достаточную задержку для регулировки фазы. В цепи затвора симистора желательно ставить резистор 330 Ом мощностью не менее 0,5 Вт для ограничения тока. Используйте только резисторы с допустимым отклонением не более 5%.
Конденсаторы в цепях задержки должны быть пленочными или керамическими, неэлектролитическими. Для RC-цепи подойдет емкость 0,1–0,22 мкФ с рабочим напряжением не ниже 400 В. Такие параметры обеспечивают достаточный диапазон регулировки без провалов напряжения и сбоев в открытии симистора. В цепях фильтрации используйте керамику на 100 нФ параллельно нагрузке для снижения помех.
Управляющий элемент – симистор, например, BT136 или аналогичный, рассчитанный на ток не менее 8 А и напряжение не ниже 600 В. Такой запас необходим для уверенной работы при включении под нагрузкой. Для повышения стабильности лучше использовать симисторы с чувствительным управлением (logic level), которые открываются при токе затвора менее 10 мА. Если используется динистор (например, DB3), он должен срабатывать при напряжении 30–32 В, чтобы обеспечить точный запуск симистора.
Важно: все элементы должны иметь температурный запас и быть рассчитаны на длительную работу в условиях вибрации и пыли – типичных для эксплуатации в болгарке.
Схема подключения регулятора к электродвигателю болгарки

Для подключения регулятора оборотов к электродвигателю болгарки необходимо учитывать тип двигателя. В большинстве бытовых моделей используется коллекторный однофазный двигатель. Стандартная схема подключения предполагает установку регулятора в разрыв одного из проводов питания, обычно фазы.
Подключение осуществляется следующим образом:
| 1 | Отключить болгарку от сети и разобрать корпус, обеспечив доступ к клеммам электродвигателя и сетевому кабелю. |
| 2 | Определить фазный провод, идущий от сетевого кабеля к выключателю и далее к двигателю. |
| 3 | Разрезать фазный провод и подключить регулятор последовательно между источником питания и двигателем. |
| 4 | Выход регулятора соединить с контактами двигателя, которые раньше получали питание напрямую. |
| 5 | Надёжно изолировать все соединения и зафиксировать регулятор внутри корпуса или в отдельном внешнем корпусе. |
| 6 | Проверить корректность подключения тестером: в выключенном состоянии сопротивление между фазой и двигателем должно быть разорвано. |
Рекомендуется использовать симисторный регулятор с фазоимпульсным управлением, рассчитанный на ток не менее 6 А и напряжение 220 В. При установке важно обеспечить теплоотвод от симистора, так как при длительной работе он нагревается. Использование готового модуля с радиатором упрощает монтаж и повышает надёжность устройства.
Особенности пайки и сборки платы на макетной или печатной основе
При сборке регулятора оборотов для болгарки на макетной плате важно учитывать длину и сечение проводников. Используйте жесткие одножильные провода диаметром 0,6–0,8 мм для стабильности соединений. Размещайте элементы компактно, избегая длинных перемычек – они могут вносить паразитные помехи в схему, особенно при работе с симисторами и динисторами.
Макетная плата требует тщательного контроля качества контактов. После установки компонентов каждый контакт проверяется омметром – даже если пайка визуально кажется надежной. Особое внимание уделите пайке токонесущих участков – дорожки, по которым идет питание на мотор, должны иметь увеличенную площадь сечения. При необходимости добавьте лужение припоем или установите дополнительные проводники поверх дорожек.
Для печатной платы рекомендуется использовать стеклотекстолит FR4 толщиной не менее 1,5 мм с двухсторонней металлизацией. Это обеспечит достаточную механическую прочность и устойчивость к вибрациям. При травлении контролируйте минимальную ширину дорожек – не менее 1 мм для силовых цепей. Зазоры между дорожками должны быть не менее 0,5 мм для предотвращения пробоев при скачках напряжения.
Пайку следует производить при температуре паяльника 320–350 °C. Используйте бессвинцовый припой с флюсом на канифольной основе. Перед пайкой обязательно удалите оксидную пленку с ножек компонентов механическим способом или спиртом. Плата после пайки очищается от остатков флюса изопропиловым спиртом, особенно вблизи чувствительных управляющих дорожек.
После сборки выполните прозвонку всех соединений, затем подключите питание через лампу накаливания (100–150 Вт) для первичной проверки – это защитит от короткого замыкания и перегрева при ошибках монтажа. Только после успешного теста допускается подключение к сети напрямую.
Корпус для регулятора: материалы, размеры и вентиляция

Корпус должен обеспечивать защиту регулятора от пыли, вибраций и перегрева. При выборе конструкции учитываются размеры электроники и особенности установки на корпус болгарки или внешнюю поверхность.
- Материал – ABS-пластик толщиной не менее 2 мм. Он устойчив к ударам и температуре до 80 °C. Альтернатива – корпус из алюминия, если необходима дополнительная защита от перегрева.
- Габариты корпуса – от 80×50×30 мм. Внутри должно оставаться минимум 5 мм свободного пространства вокруг элементов платы для циркуляции воздуха и предотвращения короткого замыкания.
- Монтаж – предусмотреть крепление к ручке болгарки с помощью хомута или винтового зажима. Если корпус внешний – добавить петлю для подвеса или магнитное основание.
Вентиляция обязательна. При установке внутри инструмента используется естественное охлаждение через прорези:
- Сделать 6–8 отверстий диаметром 5 мм на боковых стенках корпуса, ближе к верхней части, где накапливается горячий воздух.
- Добавить 3–4 прорези снизу для притока холодного воздуха. Общая площадь вентиляции – не менее 10% от площади корпуса.
- При использовании металлического корпуса – применить термопрокладку между платой и стенкой корпуса для улучшенного теплоотвода.
Корпус не должен иметь острых кромок. Все отверстия и прорези – с радиусными краями или обработаны напильником, чтобы исключить повреждение проводов и платы при вибрации.
Подключение регулятора к сети и проверка на холостом ходу

Для подключения регулятора оборотов к электросети требуется последовательное включение устройства между вилкой питания и шнуром болгарки. Обязательно отключите питание перед началом монтажа. Подключайте к сети 220 В через предохранитель на 5 А, чтобы предотвратить короткое замыкание.
Проверьте правильность полярности и надежность контактов. На входе регулятора должен быть установлен сетевой фильтр для подавления помех. Для болгарок с мощностью до 1500 Вт используйте тиристорный регулятор с радиатором не менее 50 см², чтобы избежать перегрева.
После подключения включите регулятор без нагрузки (болгарка выключена). При плавном вращении ручки регулятора напряжение на выходе должно изменяться от 0 до 220 В. Замерьте мультиметром напряжение на выходных клеммах регулятора, оно должно соответствовать установленной позиции ручки.
Проверьте отсутствие искрения и посторонних шумов. Если регулятор устойчиво поддерживает заданное напряжение, подключайте болгарку и повторно контролируйте изменения оборотов двигателя.
При резком изменении оборотов или мерцании индикаторов необходимо проверить качество сборки и наличие исправных компонентов, особенно конденсаторов и тиристоров.
Диагностика неисправностей при первом запуске устройства

При первом включении регулятора оборотов для болгарки важно последовательно проверить ключевые элементы и соединения, чтобы быстро выявить возможные неисправности.
- Проверка питания:
- Убедитесь, что напряжение на входе регулятора соответствует спецификации (обычно 220 В переменного тока).
- Проверьте исправность предохранителей и целостность проводки от розетки до устройства.
- Осмотр и тестирование управляющей схемы:
- Контроль пайки: отсутствие холодных или замкнутых контактов на плате регулятора.
- Измерение сопротивлений в ключевых точках (резисторы, переменные резисторы) мультиметром.
- Проверка работы триака или симистора – отсутствие пробоя и правильное переключение с помощью тестера с функцией диода.
- Подключение болгарки:
- Перед подключением двигателя осмотрите штекеры и кабели на предмет повреждений и правильной полярности.
- Испытание нагрузки без инструмента – включите устройство, чтобы проверить наличие искр и посторонних шумов.
- Проверка плавного регулирования оборотов:
- Плавно вращайте регулятор и фиксируйте изменение частоты вращения диска (при наличии тахометра или визуально).
- Отсутствие изменений или рывков говорит о проблемах с управляющим элементом или коммутацией.
- Обнаружение перегрева и запаха гари:
- При первых секундах работы следите за температурой корпуса регулятора.
- Наличие запаха гари или заметный нагрев требуют немедленного отключения и повторной проверки схемы и компонентов.
Если устройство не запускается вовсе, проверьте исправность кнопки включения и целостность всех соединений, включая землю и корпусные контакты. В случае нестабильной работы обратите внимание на качество элементов регулировки и возможность коротких замыканий в цепи.
Монтаж регулятора внутрь корпуса болгарки или выносное исполнение

При установке регулятора оборотов внутрь корпуса болгарки необходимо учитывать свободное пространство и тепловой режим устройства. Корпус должен иметь дополнительное место для монтажа платы регулятора, желательно вблизи питающих проводов для сокращения потерь и минимизации помех. Рекомендуется использовать термостойкий крепеж и обеспечить надежное крепление компонентов, чтобы избежать вибраций и механических повреждений.
При внутреннем монтаже важно соблюдать электрическую изоляцию, особенно если используется симисторный регулятор с открытыми контактами. Все соединения следует заизолировать с помощью термоусадочных трубок или электроизоляционной ленты. Для охлаждения регулятора можно использовать дополнительный радиатор, закрепленный внутри корпуса, с обеспечением свободной циркуляции воздуха.
Вариант с выносным регулятором оправдан при отсутствии места в корпусе или необходимости частого доступа к настройкам. Для этого применяют удобные корпусные решения с кнопками или поворотными регуляторами на передней панели. Соединение с болгаркой выполняется с помощью гибкого экранированного кабеля длиной 0,5–1 м, чтобы снизить электромагнитные помехи.
При выносном исполнении важно обеспечить защиту от попадания пыли и влаги, особенно если работа ведется в условиях строительной площадки. Для этого используют герметичные корпуса с резиновыми уплотнителями и кнопки с защитой от загрязнений. Также следует продумать крепление выносного блока на поясе или на стойке, чтобы обеспечить комфорт и безопасность оператора.
Вопрос-ответ:
Какой тип регулятора оборотов подойдет для болгарки с обычным коллекторным мотором?
Для болгарки с коллекторным двигателем обычно используют фазовый регулятор мощности на основе симистора или тиристора. Такой регулятор позволяет плавно изменять напряжение, подаваемое на двигатель, что меняет скорость вращения диска. Этот способ сравнительно прост в реализации и не требует сложной электроники.
Какие детали и инструменты понадобятся для сборки простого регулятора оборотов своими руками?
Для базового регулятора понадобятся: симистор или тиристор, диодный мост для выпрямления тока, переменный резистор (потенциометр) для регулировки, конденсаторы и резисторы для схемы управления, а также корпус для установки. Инструменты — паяльник, мультиметр, отвертки, изоляционная лента и, возможно, тестер напряжения. Желательно иметь базовые знания в электрике и навыки пайки.
Как обеспечить безопасность при изготовлении и использовании регулятора оборотов для болгарки?
Безопасность должна быть на первом месте. Обязательно нужно использовать изоляционные материалы и правильно монтировать все элементы, чтобы исключить короткое замыкание. Корпус устройства должен быть непроницаемым для пыли и влаги. Также важно проверить схему на отсутствие ошибок перед подключением к сети. Нельзя работать с инструментом и регулятором без заземления и средств защиты, таких как перчатки и очки.
Можно ли использовать такой самодельный регулятор для других электроинструментов кроме болгарки?
В большинстве случаев регуляторы с фазовым управлением подходят для других инструментов с коллекторными моторами, например, для электродрелей или лобзиков. Однако нужно учитывать номинальный ток и мощность устройства, чтобы компоненты регулятора соответствовали нагрузке. Для бесщеточных двигателей или инструментов с электронным управлением такой простой регулятор не подойдет.
Какие сложности могут возникнуть при самостоятельной сборке регулятора оборотов для болгарки?
Основные трудности связаны с правильным подбором компонентов, особенно симистора, который должен выдерживать ток болгарки. Еще одна сложность — правильная сборка схемы и ее монтаж в корпус, чтобы избежать замыканий и повреждений. Также возможны проблемы с тепловым режимом — регулятор может нагреваться, поэтому его нужно размещать с учетом вентиляции. Без опыта работы с электрическими схемами ошибки могут привести к поломке инструмента или опасным ситуациям.
Какой тип регулятора оборотов лучше всего подходит для болгарки при самостоятельной сборке?
Для самостоятельной сборки оптимальным вариантом является простейший тиристорный регулятор на основе схемы с симистором. Такой тип устройства позволяет плавно менять напряжение питания двигателя, тем самым регулируя скорость вращения диска. Он достаточно прост в изготовлении и не требует сложных компонентов, которые сложно найти. Важно подобрать подходящий симистор, рассчитанный на ток и напряжение болгарки, чтобы обеспечить надежную работу и безопасность.
