
Светодиоды требуют стабилизированного тока, поскольку их яркость и срок службы напрямую зависят от тока, протекающего через кристалл. Подключение светодиода напрямую к источнику напряжения, даже через резистор, в большинстве случаев приводит к нестабильной работе или перегреву. Для точного управления током применяется драйвер – специализированная электронная схема, обеспечивающая питание светодиода с заданными параметрами.
Драйверы делятся на линейные и импульсные. Линейные ограничивают ток за счёт падения напряжения на активных элементах, но при этом рассеивают лишнюю энергию в виде тепла. Импульсные, в отличие от них, используют преобразование энергии с помощью ШИМ-контроля или резонансных схем. Это повышает КПД до 90–95% и позволяет питать светодиоды от нестабильных или сильно отличающихся по уровню источников, включая аккумуляторы и блоки питания с нестабилизированным выходом.
Основной принцип работы импульсного драйвера – быстрое переключение транзистора с высокой частотой, накопление энергии в дросселе и последующая её отдача в нагрузку. Конденсаторы фильтруют пульсации, обеспечивая стабильный выходной ток. Важно правильно подобрать индуктивность и ёмкость, иначе возможны помехи, превышение тока или шум в сети.
Ключевыми параметрами при проектировании драйвера являются: номинальный ток светодиода, допустимое напряжение питания, тип регулировки (по току или напряжению), гальваническая развязка, КПД, защита от короткого замыкания и перегрева. Пренебрежение хотя бы одним из них снижает надёжность устройства и сокращает срок службы светодиодов.
При выборе готового решения рекомендуется учитывать условия эксплуатации: температура окружающей среды, влажность, допустимые габариты и режимы включения. Драйвер, работающий в импульсном режиме при низкой частоте коммутации, может вызывать мерцание, заметное человеческому глазу.
Назначение драйвера в цепи питания светодиода
Драйвер стабилизирует параметры питания светодиода, предотвращая перегрев, мерцание и сокращение срока службы. Он регулирует ток, поскольку даже небольшие колебания напряжения приводят к резкому изменению тока через светодиод.
- Обеспечение постоянного тока. Большинство светодиодов требуют стабильного тока, например, 350 мА, 700 мА или 1 А. Драйвер поддерживает этот уровень, независимо от изменения нагрузки или напряжения сети.
- Защита от перенапряжения. При скачке входного напряжения драйвер ограничивает его до безопасного уровня, предотвращая пробой p-n перехода.
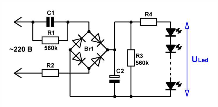
- Согласование с источником питания. Светодиоды не работают напрямую от сети 220 В. Драйвер преобразует переменное напряжение в подходящее по уровню и типу (постоянное или импульсное).
- Управление яркостью. В драйверах с ШИМ или аналоговым диммированием реализована возможность точной настройки светового потока.
- Электромагнитная совместимость. Качественные драйверы минимизируют генерацию помех, соответствуя требованиям стандартов (например, EN 55015).
- Термозащита. Некоторые модели автоматически снижают ток при перегреве, предотвращая разрушение корпуса светодиода.
Отсутствие драйвера приводит к нестабильной работе светодиодов: миганию, перегреву, снижению световой эффективности и быстрому выходу из строя. Подбор драйвера осуществляется по току, напряжению и характеристикам нагрузки. Например, для светодиодной матрицы 9–12 В при 700 мА нужен драйвер с выходными параметрами 9–12 В DC, 700 мА.
Типы драйверов: линейные и импульсные схемы

Линейные драйверы стабилизируют ток за счёт использования регулируемых резистивных элементов или линейных стабилизаторов напряжения. Они работают при минимальной разнице между входным и выходным напряжением, что ограничивает их применение источниками с напряжением, близким к требуемому для светодиодов. КПД таких схем редко превышает 60–70%, остальная энергия уходит в тепло. Тепловыделение требует использования радиаторов, особенно при токах выше 350 мА.
Импульсные драйверы основаны на принципе преобразования энергии с помощью дросселей и ключевых транзисторов. Наиболее распространённые типы: понижающие (buck), повышающие (boost) и инвертирующие (buck-boost). КПД импульсных схем достигает 85–95%. Они устойчивы к колебаниям входного напряжения и позволяют питать светодиоды от широкого диапазона источников, включая аккумуляторы и нестабилизированные блоки питания. Частота коммутации варьируется от десятков до сотен килогерц, что требует тщательной фильтрации для устранения пульсаций и электромагнитных помех.
При выборе типа драйвера важно учитывать условия эксплуатации. Для компактных устройств с ограниченным тепловым режимом предпочтительнее импульсные схемы. Линейные подходят для простых приложений с небольшим током и стабильным питанием. При проектировании импульсных драйверов требуется точный подбор дросселя, расчёт частоты ШИМ и защита от перегрева и короткого замыкания.
Стабилизация тока как ключевая функция драйвера

Светодиоды чувствительны к изменению тока. Даже небольшое превышение номинального значения приводит к перегреву, деградации кристалла и сокращению ресурса. Поэтому драйвер должен поддерживать стабильный ток независимо от колебаний входного напряжения и параметров нагрузки.
В отличие от резистивных ограничителей, драйвер на базе импульсного преобразователя регулирует ток в замкнутом контуре. Это достигается за счёт обратной связи: ток через светодиод измеряется и сравнивается с эталонным значением, а управляющий сигнал изменяется таким образом, чтобы удерживать ток в заданных пределах.
На практике наиболее распространены три типа преобразователей: понижающий (buck), повышающий (boost) и понижающе-повышающий (buck-boost). Выбор схемы зависит от соотношения входного и требуемого выходного напряжения, а также от числа последовательно подключённых светодиодов.
Пример: для питания одного светодиода с Vf = 3,2 В от источника 12 В подойдёт понижающий преобразователь с регулировкой тока на уровне 350 мА. Если требуется запитать цепь из 10 светодиодов, суммарное прямое напряжение составит около 32 В. В этом случае потребуется повышающий преобразователь.
Ключевым элементом является шунт (резистор малого сопротивления), установленный в цепи тока. Он используется для измерения падения напряжения, пропорционального току. Типовое значение шунта – 0,1 Ом. Напряжение на нём обрабатывается усилителем ошибки, управляющим широтно-импульсной модуляцией.
Важно соблюдать температурную стабильность элементов, участвующих в измерении и регулировании тока. Использование термокомпенсированных шунтов и операционных усилителей с малым дрейфом позволяет минимизировать ошибки регулировки.
При проектировании драйвера необходимо учитывать параметры динамического отклика. Быстрая коррекция тока предотвращает мигание и обеспечивает устойчивую работу при резких изменениях напряжения питания.
Особенности построения драйвера с ШИМ-регулированием
ШИМ-регулирование (широтно-импульсная модуляция) применяется для управления яркостью светодиодов путём изменения скважности управляющего сигнала при постоянной амплитуде. Это позволяет сохранить стабильный ток через светодиод при эффективном управлении световым потоком.
При построении драйвера с ШИМ важно учитывать частоту модуляции. Значения ниже 500 Гц вызывают заметное мерцание, особенно при боковом зрении. Оптимальная частота – от 1 кГц до 20 кГц. Частоты выше 30 кГц увеличивают потери на переключение в силовых ключах и создают электромагнитные помехи.
Для формирования ШИМ-сигнала применяют специализированные контроллеры (например, серии TL494, SG3525) или микроконтроллеры с поддержкой таймеров PWM. В простых схемах используют генераторы на таймерах типа NE555, однако такие решения ограничены по стабильности и диапазону частот.
Ключевой элемент – силовой транзистор, обычно MOSFET с низким сопротивлением открытого канала (RDS(on)). Он должен выдерживать рабочее напряжение с запасом не менее 30%. При токах выше 1 А рекомендуется применять полевые транзисторы с внешним драйвером затвора для снижения времени переключения.
Фильтрация осуществляется LC-цепями на выходе, чтобы исключить высокочастотные пульсации. Емкость подбирается с учётом выходного тока: на каждый ампер требуется не менее 100–220 мкФ при низком ESR. Дроссель рассчитывается исходя из требуемой индуктивности, чтобы обеспечить непрерывный режим тока.
При проектировании схемы нужно предусматривать защиту от перегрева, короткого замыкания и перегрузки по току. В микроконтроллерах для этого используют встроенные АЦП и компараторы, в дискретных схемах – отдельные контроллеры тока или термисторы.
При питании от нестабильного источника (например, аккумулятора) применяется комбинация ШИМ с стабилизацией по току – так называемый current-mode PWM. Это требует использования шунтирующего резистора с усилителем, сигнала обратной связи и стабилизатора на операционном усилителе или специализированном чипе (например, AMC7135).
В отличие от линейных схем, ШИМ-драйверы чувствительны к разводке платы. Короткие широкие дорожки, надёжное заземление, развязка питания и минимальные петли тока – обязательные условия для корректной работы. Ошибки в трассировке приводят к наводкам, дрожанию скважности и нестабильности свечения.
Роль обратной связи в управлении током светодиода
Обратная связь в драйвере светодиода необходима для поддержания стабильного тока через нагрузку независимо от изменений входного напряжения и температурных колебаний. В типичных схемах используется шунтирующий резистор, включённый последовательно со светодиодом. Напряжение на этом резисторе пропорционально току, протекающему через светодиод. Оно подаётся на операционный усилитель или компаратор, который управляет широтно-импульсной модуляцией или аналоговым регулятором.
В импульсных драйверах ток регулируется изменением скважности ШИМ-сигнала. Контур обратной связи сравнивает опорное напряжение с сигналом с шунта и корректирует работу ключевого транзистора. Это позволяет добиться точности стабилизации тока до ±1–3%, что особенно важно для светодиодов высокой яркости, чувствительных к перегрузке.
В линейных драйверах обратная связь обеспечивает работу регулирующего транзистора в активной области. Напряжение на шунте управляет базой или затвором транзистора, удерживая ток в заданных пределах. При этом важно учитывать тепловыделение, так как в линейном режиме оно возрастает пропорционально разности напряжений.
При проектировании контура обратной связи следует минимизировать задержки и шумы. Использование малошумящих операционных усилителей и точных резисторов с низким температурным коэффициентом снижает ошибки регулирования. Фильтрация ВЧ-помех на входах усилителя дополнительно повышает стабильность системы.
Наличие обратной связи делает возможной реализацию защиты от перегрузки, короткого замыкания и перегрева. При превышении допустимого тока схема автоматически ограничивает или отключает выход, предотвращая повреждение светодиода.
Защита светодиодов от перегрева и перенапряжения

Перегрев и перенапряжение – основные причины выхода светодиодов из строя. Для их предотвращения применяют комплекс аппаратных и схемных решений.
- Тепловой контроль:
- Использование термисторов NTC для измерения температуры и отключения питания при превышении порога, обычно 85–90 °C.
- Монтаж радиаторов и теплоотводов с теплопроводностью не менее 1,5 Вт/К для равномерного рассеивания тепла.
- Применение термопредохранителей с током срабатывания, соответствующим мощности LED-модуля.
- Ограничение тока:
- Использование стабилизаторов тока с точностью регулировки ±5% для предотвращения превышения номинального тока светодиода (обычно 20–30 мА для стандартных LED).
- Внедрение линейных или импульсных драйверов с защитой по току.
- Защита от перенапряжения:
- Включение варисторов или стабилитронов с напряжением срабатывания на 10-15% выше номинального напряжения светодиода.
- Применение цепей ограничивающих скачки напряжения (RC-цепи, TVS-диоды).
- Использование импульсных драйверов с встроенной защитой от пиков напряжения.
- Мониторинг и автоматическое отключение:
- Интеграция схем контроля температуры и напряжения с микроконтроллерами для моментального отключения питания при аварийных режимах.
- Реализация программируемых порогов срабатывания для точной настройки защиты.
Правильный подбор компонентов и проектирование схемы с учетом тепловых и электрических характеристик LED обеспечивают надежную и долговременную работу светодиодных систем.
Параметры выбора драйвера под конкретный светодиод
Основной параметр при подборе драйвера – номинальный ток светодиода. Драйвер должен обеспечивать стабильный ток, совпадающий с рекомендуемым в техническом паспорте светодиода, например, 350 мА, 700 мА или 1 А. Отклонения от этого значения сокращают срок службы или снижают яркость.
Рабочее напряжение драйвера должно соответствовать суммарному прямому напряжению светодиодного модуля. Для одиночного диода это обычно 2–3 В, для сборок – сумма всех диодов в цепи, например, 12 В для 4 диодов по 3 В. Низковольтный драйвер при высоком сопротивлении приведет к нестабильной работе.
Мощность драйвера выбирают с запасом 10–20 % от расчетной мощности светодиода, чтобы избежать перегрева и выхода из строя. Для светодиода с мощностью 3 Вт оптимально использовать драйвер на 3,5–4 Вт.
Важно учитывать тип управления – постоянный ток (DC) или постоянное напряжение (CV). Для точного поддержания яркости и предотвращения перегрузки подходят драйверы с стабилизацией тока.
Если светодиодная сборка чувствительна к пульсациям, выбирайте драйверы с уровнем пульсаций не выше 5 %. Это снижает мерцание и улучшает качество освещения.
Температурный диапазон работы драйвера должен соответствовать условиям эксплуатации светодиода. Важно проверить наличие защит от перегрева и короткого замыкания, чтобы избежать повреждения.
Для сложных схем с несколькими светодиодами учитывайте возможность последовательного или параллельного подключения и выбирайте драйвер с соответствующим током и напряжением, исключая превышение технических параметров.
Вопрос-ответ:
Как устроен драйвер светодиода и из каких основных компонентов он состоит?
Драйвер светодиода включает несколько ключевых частей: источник питания, контроллер тока и защитные элементы. Источник питания преобразует напряжение сети в нужный уровень. Контроллер тока регулирует силу тока, подаваемого на светодиод, чтобы обеспечить стабильное свечение и предотвратить перегрузку. Защитные компоненты, например, резисторы или стабилизаторы, оберегают устройство и светодиод от скачков напряжения и коротких замыканий.
Почему важно контролировать ток в драйвере светодиода, а не только напряжение?
Светодиод — это полупроводниковый прибор, который реагирует главным образом на величину тока. Если подавать только постоянное напряжение без контроля тока, светодиод может перегреться и быстро выйти из строя. Контроллер тока в драйвере поддерживает стабильный ток, что позволяет избежать перегрузки и продлить срок службы светодиода, сохраняя его яркость и эффективность.
Какие типы драйверов светодиодов существуют и в чем их основные отличия?
Существуют два основных типа драйверов: линейные и импульсные. Линейные драйверы проще и дешевле, они работают за счёт последовательного регулирования тока, но теряют энергию в виде тепла. Импульсные драйверы используют методы преобразования энергии с переключением, что позволяет повысить КПД и уменьшить нагрев, но при этом они сложнее по конструкции и дороже. Выбор зависит от требований к энергопотреблению, размеру и стоимости устройства.
Как драйвер светодиода защищает светодиод от перепадов напряжения и коротких замыканий?
Для защиты светодиода драйвер оснащён элементами, такими как предохранители, стабилизаторы тока и схемы ограничения напряжения. Они отслеживают рабочие параметры и при превышении допустимых значений ограничивают ток или отключают питание. Это предотвращает повреждение светодиода при скачках напряжения или замыкании, сохраняя работоспособность и безопасность всей цепи.
Можно ли использовать один драйвер для нескольких светодиодов, и что при этом нужно учитывать?
Один драйвер можно применять для нескольких светодиодов, если общая нагрузка по току и напряжению соответствует характеристикам драйвера. При этом важно правильно соединять светодиоды — последовательно или параллельно — в зависимости от выходных параметров драйвера. Последовательное соединение увеличивает общее напряжение, а параллельное — суммарный ток. Неправильный выбор может привести к неравномерному свечению или выходу из строя компонентов.
Как устроен драйвер светодиода и из каких основных частей он состоит?
Драйвер светодиода обычно включает в себя источник питания, стабилизатор тока и схемы защиты. Его задача — обеспечить постоянный ток, необходимый для стабильной работы светодиода, так как светодиоды чувствительны к перепадам напряжения. Внутри драйвера может быть микроконтроллер или аналоговая схема, которая регулирует ток и защищает светодиод от перегрева или перенапряжения. Часто используются компоненты для сглаживания помех и предотвращения мерцания света.
Почему для светодиодов важно поддерживать именно ток, а не напряжение, и как драйвер решает эту задачу?
Светодиоды требуют определённого тока для нормальной работы, так как их яркость зависит именно от силы тока, а не от напряжения. Если подавать постоянное напряжение без ограничения тока, светодиод может перегореть или быстро выйти из строя. Драйвер светодиода поддерживает стабильный ток, автоматически подстраивая выходное напряжение под нагрузку. Это достигается с помощью схем, которые измеряют и регулируют ток, обеспечивая безопасную и долговечную работу светодиодов. Такой подход помогает избежать скачков тока и продлевает срок службы устройства.
