
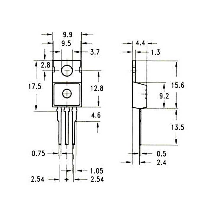
Тиристор BTA16 600B – это симисторный прибор, рассчитанный на ток до 16 А и напряжение до 600 В. Он применяется в схемах управления нагрузкой переменного тока, в частности в диммерах, регуляторах оборотов и сварочных аппаратах. Для диагностики работоспособности такого компонента на этапе ремонта или сборки схемы можно использовать обычный цифровой мультиметр с функцией прозвонки диодов.
Для проверки функции открытия тиристора необходимо подать кратковременный управляющий импульс между G и MT1, подключив щупы мультиметра таким образом: положительный – к MT2, отрицательный – к MT1, а затем кратковременно соединить G с MT2 через резистор порядка 1 кОм. После этого сопротивление между MT1 и MT2 должно резко упасть – тиристор откроется. Это поведение свидетельствует о его исправности.
При обратной полярности щупов, симистор должен вести себя аналогично, если он симметричный. Однако если при подаче управляющего импульса прибор не открывается, это указывает на неисправность управляющего перехода или деградацию внутренних слоёв.
Выбор режима мультиметра для проверки тиристора
Для проверки тиристора BTA16 600B мультиметр необходимо перевести в режим прозвонки или измерения падения напряжения на диоде. Это позволяет определить целостность p-n переходов и характер проводимости тиристора при отсутствии управляющего сигнала.
- Режим измерения падения напряжения на диоде (если доступен отдельно от прозвонки) обеспечивает более точные числовые значения (обычно в диапазоне 0,5–0,8 В для исправного p-n перехода), что позволяет отличить рабочий тиристор от пробитого или обрывного.
Режим измерения сопротивления использовать не рекомендуется: тиристор в закрытом состоянии имеет большое сопротивление, и измерение не даст полезной информации. Также нельзя использовать режим измерения напряжения, поскольку он не активирует переходы и не покажет внутреннее состояние прибора.
Проверка сопротивления между анодом и катодом

Для проверки сопротивления между анодом (A1) и катодом (A2) тиристора BTA16 600B установите мультиметр в режим измерения сопротивления (R×1k или аналогичный). Щупы подключите: черный к A1, красный к A2.
В исправном состоянии тиристор должен демонстрировать высокое сопротивление в обоих направлениях – обычно более 1 МОм. Это связано с тем, что при отсутствии управляющего сигнала переход между A1 и A2 остается закрытым. Если мультиметр показывает низкое сопротивление (менее 100 Ом) или прозвонку, это свидетельствует о внутреннем пробое – тиристор неисправен.
Измерение следует повторить, поменяв полярность щупов. Результат должен остаться таким же: высокое сопротивление. Любое отклонение указывает на утечку или короткое замыкание внутри структуры тиристора.
Важно: перед измерением тиристор должен быть полностью разряжен и выпаян из схемы. Подключение к цепи и наличие остаточного заряда на управляющем электроде (G) могут исказить результат.
Проверка управляющего электрода относительно катода

Для проверки перехода между управляющим электродом (G) и катодом (K) тиристора BTA16 600B используйте мультиметр в режиме «проверка диодов». Щупы подключайте следующим образом: красный – к катоду, черный – к управляющему электроду.
Если тиристор исправен, прибор покажет падение напряжения на PN-переходе в диапазоне 0,4–0,7 В. Это подтверждает наличие проводящего перехода между катодом и управляющим электродом в прямом направлении.
При смене полярности (черный щуп к катоду, красный к управляющему электроду) мультиметр должен показать «обрыв» или значение выше 1. Если в обоих направлениях наблюдается ноль или короткое замыкание – тиристор поврежден. Отсутствие проводимости в прямом направлении также указывает на неисправность управляющего перехода.
Тест включения тиристора подачей управляющего импульса

Для проверки работоспособности тиристора BTA16 600B методом подачи управляющего импульса потребуется источник постоянного напряжения 9–12 В, резисторы 100 Ом и 1 кОм, а также мультиметр в режиме измерения сопротивления или прозвонки.
Соберите следующую схему:
| 2. | Катод соедините с общим проводом (минус источника). |
| 3. | Управляющий электрод (G) подключите к аноду через резистор 1 кОм и кнопку, которая при нажатии замыкает цепь. |
После подачи питания тиристор остаётся в закрытом состоянии, и ток через лампу не течёт. Кратковременное нажатие кнопки вызывает импульс тока на управляющий электрод, и тиристор переходит в открытое состояние. Лампа загорается, свидетельствуя о включении. После этого даже при отпускании кнопки ток продолжает течь – тиристор «залипает» во включенном состоянии до разрыва цепи питания.
Если лампа не загорается, возможны причины: неисправность тиристора, недостаточная амплитуда управляющего сигнала, плохой контакт или ошибочная полярность подключения. Убедитесь, что управляющий ток превышает минимальный порог – для BTA16 600B он составляет не менее 10 мА.
Такой тест позволяет не только определить исправность тиристора, но и оценить чувствительность управляющего входа. Точное соблюдение номиналов элементов схемы критично для получения достоверного результата.
Определение пробоя или короткого замыкания внутри тиристора
Далее проверяют управляющий электрод. Между управляющим электродом и катодом сопротивление должно быть высоким в обе стороны. Низкое сопротивление говорит о пробое управляющего перехода, что делает тиристор непригодным к эксплуатации.
Для точного выявления пробоя полезно использовать функцию прозвонки на мультиметре. Прозвонка срабатывает на низкое сопротивление: при нормальном тиристоре переходы срабатывают только в одном направлении. Срабатывание в обеих полярностях подтверждает пробой.
Если мультиметр не показывает очевидных признаков короткого замыкания, но подозрения на неисправность сохраняются, рекомендуется проверить тиристор под нагрузкой в цепи, поскольку скрытые повреждения могут проявляться только при включении.
Проверка тиристора без выпаивания из схемы
Для тестирования тиристора BTA16 600B непосредственно в рабочей цепи понадобится мультиметр с функцией проверки диодов. Выключите питание устройства и разрядите все конденсаторы для безопасности. Подключите черный щуп мультиметра к катоду тиристора, а красный – к аноду. В норме показания на дисплее должны быть бесконечными или очень высокими, так как тиристор в закрытом состоянии не пропускает ток в прямом направлении без управляющего сигнала.
Далее переключите красный щуп на управляющий электрод (затвор) при подключенном черном к катоду. Если мультиметр в режиме проверки диодов показывает падение напряжения около 0,6–0,7 В, значит управляющий переход исправен и способен открывать тиристор. В обратном направлении (черный на анод, красный на катод) сопротивление должно быть очень высоким, подтверждая отсутствие короткого замыкания.
Важно учитывать влияние соседних компонентов схемы, которые могут создавать параллельные пути для тока. Чтобы минимизировать погрешности, на время измерений желательно отключить нагрузку и элементы, напрямую связанные с управляющим электродом, если это возможно без выпаивания тиристора.
Таким образом, комплексная проверка переходов в составе платы позволяет определить работоспособность BTA16 600B без демонтажа, выявляя обрыв или короткое замыкание в управляющей цепи и основных переходах тиристора.
Интерпретация результатов проверки и принятие решения о замене
При проверке тиристора BTA16 600B мультиметром в режиме прозвонки или проверки диодов необходимо оценивать следующие показатели:
- Если в одном направлении виден переход с падением напряжения около 0,5–0,8 В (характерное для кремниевых диодов), а в обратном – высокое сопротивление, тиристор не имеет внутренних повреждений диодного характера.
- При низком сопротивлении (от нескольких Ом до сотен Ом) в обоих направлениях обнаруживается короткое замыкание. В таком случае тиристор подлежит замене.
- Если сопротивление при измерении между управляющим электродом (затвором) и катодом сильно отклоняется от типового (обычно несколько кОм), это свидетельствует о повреждении управляющего перехода, что снижает возможность запуска тиристора.
- Отсутствие изменения показаний при прикосновении к затвору мультиметром (в режиме прозвонки) указывает на разрыв управляющей цепи и требует замены.
Решение о замене основывается на следующих критериях:
- Отсутствие диодных переходов между основными электродами или их значительное отклонение от типовых параметров.
- Нарушение целостности цепи затвора, выраженное в постоянном или обрывном показании сопротивления.
- Повышенное утечное токовое сопротивление, выявленное в специализированных тестах, если мультиметр поддерживает такие функции.
Если хотя бы один из перечисленных признаков обнаружен, дальнейшая эксплуатация тиристора BTA16 600B нежелательна, так как это может привести к нестабильной работе и повреждению силовой части схемы.
Вопрос-ответ:
Как проверить тиристор BTA16 600B мультиметром в режиме проверки диодов?
Для проверки тиристора BTA16 600B с помощью мультиметра нужно установить прибор в режим проверки диодов. Затем подключить красный щуп к аноду, а черный — к катоду. В этом положении мультиметр должен показать небольшое прямое падение напряжения, примерно 0.5–0.7 В. После этого нужно поменять щупы местами — в обратном направлении мультиметр должен показывать разрыв цепи (обрыв). Если показания отличаются, возможно, тиристор неисправен.
Почему мультиметр не всегда может определить состояние тиристора BTA16 600B?
Мультиметр в режиме проверки диодов не всегда выявляет внутренние повреждения тиристора, так как прибор проверяет только переходы PN-структуры при небольшом напряжении. Тиристор может иметь скрытые дефекты, например повреждение управляющего электрода или внутренние короткие замыкания, которые не проявляются в простом тесте. Для более точной диагностики используют специализированные тестеры тиристоров или схемы с управляющим сигналом.
Как проверить управляющий электрод тиристора BTA16 600B мультиметром?
Для проверки управляющего электрода мультиметром необходимо сначала определить анод и катод, затем перевести прибор в режим омметра. После этого подключить один щуп к управляющему электроду, а второй — к катоду. В норме сопротивление между управляющим электродом и катодом должно быть достаточно высоким, обычно несколько сотен кОм. Если сопротивление близко к нулю, возможно, произошло короткое замыкание в управляющем электроде, что свидетельствует о неисправности тиристора.
Можно ли проверить тиристор BTA16 600B мультиметром без отключения от схемы?
Проверка тиристора непосредственно в цепи нежелательна, так как окружающие компоненты влияют на показания мультиметра, создавая ложные результаты. Для достоверного теста следует снять тиристор с платы или отключить его выводы от схемы. Если такой возможности нет, можно попытаться измерить сопротивление между выводами, но результаты будут неточными, и интерпретировать их сложнее.
