
Трехходовой кран типа Т представляет собой устройство, предназначенное для перенаправления потока жидкости или газа между тремя портами. Его конструкция включает корпус с тремя соединительными патрубками, поворотный запорный элемент с Т-образным отверстием и рукоятку для ручного управления. В отличие от L-образных моделей, кран типа Т способен одновременно соединять три потока, что делает его применимым в схемах смешивания или распределения среды.
Особенность Т-образного проходного канала заключается в возможности направлять поток в любом из трех направлений или обеспечивать циркуляцию между двумя линиями при одновременном соединении с третьей. Это обеспечивает гибкость в системах отопления, вентиляции, гидравлических и пневматических установках. При повороте запорного элемента на 90° или 180° пользователь может выбирать между режимами распределения, объединения или отключения потока.
На практике важно учитывать положение рукоятки и направление канала внутри крана. Неправильная установка может привести к перекрытию линии, нарушению баланса давления или смешиванию несовместимых сред. Для стабильной работы необходимо периодически проверять герметичность уплотнений и износ внутренних компонентов. Также рекомендуется устанавливать кран типа Т в системах с предсказуемым направлением потока, чтобы исключить обратное давление на неподходящих участках.
Как устроен трехходовой кран типа Т внутри

Внутренняя конструкция трехходового крана типа Т предусматривает наличие одного подвижного элемента – пробки с Т-образным сквозным каналом. Эта пробка вращается вокруг своей оси, обеспечивая соединение различных пар патрубков или всех трёх одновременно.
Корпус крана изготавливается из латуни, нержавеющей стали или бронзы, и включает три патрубка: два боковых и один центральный. Пробка располагается в камере внутри корпуса и герметизируется при помощи уплотнительных колец, устойчивых к давлению и температуре рабочей среды.
Основные конструктивные элементы:
- Цельнолитой корпус с тройниковыми отводами.
- Поворотная пробка с каналом в форме буквы «Т», проходящим насквозь.
- Уплотнительные кольца из фторопласта, EPDM или NBR – в зависимости от среды.
- Шток управления, соединённый с пробкой и выходящий наружу для ручного или автоматического привода.
В зависимости от положения пробки, жидкость может:
- Протекать между двумя боковыми патрубками.
- Одновременно поступать из одного патрубка в два других.
- Перекрываться полностью, если предусмотрен специальный поворот на 90° с глухой стороной пробки.
Для повышения надежности конструкции рекомендуется выбирать модели с двойным уплотнением штока и антикоррозийным покрытием пробки, особенно в агрессивных средах. При монтаже важно учитывать направление потока, обозначенное на корпусе, чтобы исключить обратный ток жидкости в нежелательный момент.
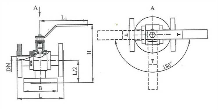
В каких положениях может находиться кран типа Т

Трехходовой кран типа Т может занимать три рабочих положения, каждое из которых определяет направление потока рабочей среды внутри системы. Понимание этих положений важно для точной настройки контура и предотвращения нежелательного смешивания потоков.
- Положение «все каналы соединены» – центральное положение штока, при котором сообщаются все три порта. Поток свободно распределяется между ними, что применяется при необходимости циркуляции или выравнивания давления в нескольких ветках одновременно.
- Положение «прямой поток» – шток поворачивается на 90°, и соединяются только два противоположных порта, например, вход и выход, а третий порт перекрывается. Это стандартное положение для прямого прохождения рабочей среды через кран.
- Положение «переключение потока» – соединение осуществляется между центральным портом и одним из боковых, в то время как второй боковой порт перекрыт. Такое положение используется при необходимости переключения потока между двумя различными направлениями.
Для точного позиционирования штока используются фиксаторы или ограничители, обеспечивающие надежную установку в заданное положение. Важно учитывать, что кран типа Т не предназначен для полного перекрытия всех потоков одновременно – при необходимости запирания линии следует применять дополнительные отсечные устройства.
Что происходит с потоком жидкости при переключении положений
При повороте рукоятки трехходового крана типа Т изменяется направление потока жидкости за счёт изменения внутреннего соединения между портами. Всего предусмотрено три рабочих положения, каждое из которых формирует уникальную конфигурацию потока.
В положении «прямой поток» соединены два противоположных порта (например, A и B), а третий (C) полностью перекрыт. Жидкость движется по прямой, не создавая завихрений и дополнительных сопротивлений. Это оптимально для систем, где требуется минимальная потеря давления.
При переводе крана в положение «переключение» соединяются соседние порты (например, B и C), а третий порт (A) блокируется. Поток перенаправляется под углом 90 градусов, что сопровождается увеличением локального гидравлического сопротивления. Важно учитывать, что при этом возможен скачок давления на входе, особенно в системах с высокой скоростью потока.
Промежуточное положение, возникающее в момент переключения между двумя стабильными положениями, может кратковременно соединить все три порта. Это приводит к частичной утечке или одновременному распределению потока по двум направлениям. Такое состояние нежелательно в контуре с разным давлением на выходах. Рекомендуется производить переключение быстро, исключая длительное нахождение в этом положении.
Для минимизации гидравлических потерь и исключения обратного потока необходимо правильно учитывать особенности конфигурации трубопровода и величину давления на каждом порте. Перед монтажом следует проверить маркировку портов, так как ошибочное подключение может привести к нарушению работы всей системы.
Для каких схем трубопроводов применяется кран типа Т
Трехходовой кран типа Т используется в системах, где требуется перераспределение потока между тремя направлениями без остановки процесса. Он особенно эффективен в байпасных линиях, позволяя направлять жидкость либо через основной контур, либо по обходному пути без прерывания подачи.
В отопительных системах кран типа Т применяется для переключения между источниками тепла, например, котлом и тепловым насосом. Это позволяет гибко управлять теплоснабжением в зависимости от погодных условий и тарифов на энергоносители.
В технологических установках с несколькими резервуарами кран используется для подачи жидкости в выбранный бак или для соединения емкостей между собой. При этом обеспечивается герметичное перекрытие неиспользуемого направления, что предотвращает перетекание среды.
На производственных линиях кран типа Т устанавливается в узлах промывки оборудования. Он позволяет оперативно переключаться между рабочим раствором, промывочной жидкостью и сливом, упрощая обслуживание и сокращая простой.
В пищевой и фармацевтической промышленности такие краны применяются в схемах, где важна частая смена направления потока с минимальным риском перекрестного загрязнения. Благодаря простой геометрии и отсутствию мертвых зон они легко очищаются и подходят для санитарных условий.
Чем отличается кран типа Т от крана типа L

Главное отличие между трехходовыми кранами типа Т и типа L заключается в конфигурации внутренних каналов, определяющих направления потока. Кран типа Т имеет форму отверстия в виде буквы «Т», позволяющую одновременно соединять все три порта или попарно переключать направления потока. В кране типа L внутренняя полость выполнена в форме угла, что обеспечивает только последовательное соединение двух из трех портов, исключая тройное соединение.
Кран типа Т применяется в схемах, где необходимо обеспечить смешивание, распределение потока между двумя направлениями или одновременное питание из одного источника двух линий. Он способен работать как делитель потока, что критично, например, при управлении температурой в теплообменных системах.
Кран типа L чаще используется для переключения потока между двумя потребителями или линиями, где соединение всех трех портов недопустимо. Он подходит для направленного переключения при передаче жидкости или газа из одного источника поочередно в разные участки системы.
Еще одно отличие – это количество возможных положений рукоятки. Кран типа Т может иметь до четырех рабочих положений, включая перекрытие, в то время как у крана типа L, как правило, два или три четко фиксированных положения. Это влияет на управление и необходимость в дополнительной маркировке положений.
При выборе между этими двумя типами важно учитывать требования к направлению потока, наличию или отсутствию необходимости в одновременном соединении всех портов, а также схему трубопровода и особенности управления краном.
Какие ошибки возможны при подключении крана типа Т

Основная ошибка при подключении трехходового крана типа Т – неправильное распределение входных и выходных патрубков. Если перепутать подводы, кран не сможет корректно переключать потоки, что приведет к некорректной работе системы и возможному гидроудару.
Часто встречается ошибка установки крана без учета направления потока, обозначенного стрелками на корпусе. Игнорирование маркировки вызывает неправильное направление жидкости и снижает эффективность регулировки.
Неплотное соединение резьбовых соединений приводит к протечкам. Рекомендуется использовать уплотнительные материалы, соответствующие типу рабочей среды и температуре, например, фторопластовую ленту или паронитовые прокладки.
Ошибочным является установка крана без соблюдения требований к монтажному положению. Некоторые модели требуют строго горизонтального или вертикального положения, нарушение этого приводит к ускоренному износу внутренних уплотнений.
Подключение крана к трубопроводу без соответствующих компенсаторов вибраций или без учета теплового расширения трубы приводит к деформациям и повреждениям корпуса крана.
Не рекомендуется использование крана типа Т в системах с загрязненной или агрессивной средой без предварительной фильтрации. Засорение внутренностей крана вызывает заклинивание запорного механизма и повышенный износ.
Отсутствие корректного подключения к автоматическим приводам (если предусмотрено) ведет к неправильной работе переключения положений и сокращению срока службы сервопривода.
Перед монтажом необходимо убедиться в соответствии технических характеристик крана требованиям системы – рабочее давление, температура и тип среды должны совпадать с параметрами крана. Несоблюдение этого ведет к авариям и выходу оборудования из строя.
Вопрос-ответ:
Как устроен трехходовой кран типа Т и чем он отличается от других кранов?
Трехходовой кран типа Т состоит из корпуса с тремя соединительными патрубками и внутренним механизмом в виде поворотного диска или пробки с Т-образным каналом. Благодаря этой конструкции кран позволяет направлять поток жидкости между тремя трубопроводами, обеспечивая возможность переключения направления или смешивания потоков. В отличие от крана типа L, который переключает поток между двумя направлениями, кран типа Т позволяет одновременно соединять все три канала.
В каких схемах трубопроводов целесообразно применять кран типа Т?
Кран типа Т часто используется в системах отопления и водоснабжения, где требуется переключение потока между разными контурами или смешивание жидкостей. Например, в системах циркуляции теплоносителя он может служить для подмешивания горячей воды в обратный поток, обеспечивая нужную температуру. Также кран типа Т востребован в промышленных установках с несколькими технологическими линиями, где необходимо быстро и надежно перенаправить поток.
Что происходит с потоком жидкости при переключении положений крана типа Т?
При изменении положения поворотного элемента внутри крана происходит изменение путей движения жидкости. В одном положении поток может проходить напрямую из одного патрубка в другой, в другом — смешиваться между двумя потоками через третий патрубок. Благодаря Т-образному каналу внутри крана обеспечивается плавное переключение без резких гидравлических ударов и снижается риск протечек.
Какие ошибки возможны при монтаже и подключении трехходового крана типа Т?
Частые ошибки при установке крана типа Т связаны с неправильным ориентированием крана по схеме, что приводит к некорректному распределению потоков. Еще одна ошибка — несоблюдение направления вращения ручки или привода, из-за чего переключение не выполняется. Нередко нарушается герметичность при неправильном использовании уплотнительных материалов или из-за перекоса корпуса крана при монтаже. Все это может вызвать протечки, ухудшение управления и выход крана из строя.
