
Устройство защитного отключения (УЗО) необходимо устанавливать в электрическом щите квартиры для предотвращения поражения током и пожарной безопасности. Правильное расположение УЗО влияет на эффективность его работы и быстроту отключения при утечке тока. Основное требование – монтаж устройства на вводном щите или отдельном распределительном щите рядом с счетчиком электроэнергии.
УЗО следует устанавливать таким образом, чтобы оно защищало все группы электроприборов, особенно те, которые эксплуатируются во влажных помещениях – кухни, ванные комнаты, туалеты. Важно размещать устройства на каждой ответвительной линии, питающей мощные или ответственные потребители, например, электроплиты, бойлеры, кондиционеры.
Расположение УЗО в квартире должно соответствовать требованиям ПУЭ и ГОСТ, в частности по высоте монтажа – обычно от 1,4 до 1,7 метра от пола, чтобы обеспечить удобный доступ для обслуживания и контроля. Нельзя монтировать устройство в местах с повышенной влажностью или запыленностью без дополнительной защиты. Также важно обеспечить четкую маркировку и возможность быстрого отключения в случае аварии.
Основные нормы установки УЗО в квартирном электрощите

УЗО в квартирном электрощите устанавливаются в соответствии с требованиями ПУЭ (Правила устройства электроустановок) и ГОСТами. Основной принцип – защита всех ответвлений, питающих жилые помещения, от токов утечки свыше 30 мА для обеспечения безопасности человека.
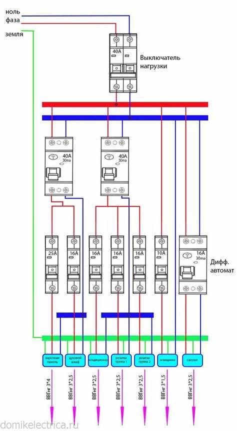
При монтаже УЗО необходимо устанавливать их сразу после вводного автомата, но до групповых автоматов, обеспечивая защиту всей линии. Рекомендуется использовать отдельное УЗО для каждой группы линий: освещение, розетки и крупная бытовая техника. Это упрощает поиск неисправностей и повышает надежность.
Ток срабатывания УЗО для жилых помещений должен составлять не более 30 мА. Для электрооборудования с повышенным риском – например, ванная комната, кухня – требуется обязательная установка отдельного устройства с таким током утечки.
В электрощите монтаж УЗО производится на DIN-рейку, с фиксацией к ней с помощью защелок. Контактные клеммы должны быть прочно зажаты, а проводники правильно маркированы, чтобы избежать ошибок при подключении.
Не допускается установка УЗО на линии с номинальным током, превышающим заявленные параметры устройства. При необходимости защиты больших нагрузок применяются УЗО с увеличенной номинальной токовой нагрузкой, но с сохранением предельного значения тока утечки.
Для корректной работы УЗО важно соблюдать полярность подключения: фазный провод подключается к входной клемме устройства, нулевой – к соответствующему контакту. Ошибки в подключении ведут к неправильной работе или отсутствию защиты.
Запрещается установка УЗО в местах с повышенной влажностью внутри электрощита без дополнительной защиты от конденсата и пыли. Электрощит должен обеспечивать свободный доступ для обслуживания и проверки устройств.
Обязательна регулярная проверка работоспособности УЗО с помощью встроенной кнопки «Тест» не реже одного раза в три месяца. При обнаружении неисправности устройство должно быть немедленно заменено.
Выбор места установки УЗО в зависимости от типа электропроводки

При прокладке скрытой электропроводки УЗО устанавливается в квартирном электрощите на входе в цепь, чтобы обеспечить защиту всех питаемых линий. В этом случае рекомендуют размещать устройство максимально близко к вводному автомату, чтобы минимизировать длину питающего провода и снизить вероятность ложных срабатываний.
Для открытой проводки, чаще применяемой в старом жилом фонде, установка УЗО также должна производиться в распределительном щите или на вводе цепи. Однако из-за повышенного риска механических повреждений кабелей и более длинных трасс монтаж УЗО нужно дополнительно проверять на соответствие нормам по допустимым токам утечки и при необходимости использовать защитные кожухи.
В квартирах с двухпроводной сетью (фаза и ноль без отдельного заземления) установка УЗО обязательна именно в электрощите на вводе, поскольку устройство контролирует дифференциальный ток и не зависит от наличия заземляющего провода. При этом требуется точное соблюдение полярности подключения, чтобы избежать некорректной работы.
При использовании трехпроводной системы (фаза, ноль, заземление) рекомендуется размещать УЗО таким образом, чтобы оно обеспечивало защиту не только линий освещения, но и розеток, особенно в помещениях с повышенной влажностью (ванная, кухня). Важно обеспечить отдельные линии с УЗО для питания мощных приборов и бытовой техники.
В распределительных щитах квартир с модульной системой монтажа часто применяют каскадное подключение нескольких УЗО: на вводе устанавливается общий защитный блок, а на отдельные группы потребителей – дополнительные устройства с меньшим током срабатывания. Место их установки подбирается с учетом длины и назначения линий, а также доступности для технического обслуживания.
При проектировании схемы расположения УЗО необходимо учитывать ток утечки и номинальный ток автоматов, чтобы УЗО срабатывало своевременно и не создавало помех в работе электросети. На практике размещение в непосредственной близости к точкам максимальной опасности (влажные зоны, электроплиты) улучшает уровень безопасности и снижает риск поражения электрическим током.
Подключение УЗО к отдельным группам розеток и освещения

Для повышения безопасности электроснабжения в квартире целесообразно разделять розетки и освещение на отдельные группы с индивидуальными УЗО. Это снижает риск полного отключения и позволяет локализовать аварийные ситуации.
- Группа розеток должна иметь отдельное УЗО с током срабатывания 30 мА. Это обусловлено повышенной вероятностью поражения током при работе с электроприборами, подключаемыми к розеткам.
- Группа освещения подключается через отдельное УЗО, допустимый ток срабатывания может быть выше – 100 мА, так как вероятность прямого контакта с токоведущими частями ниже.
Рекомендуется проектировать электросеть так, чтобы на каждый функциональный блок приходилось отдельное УЗО. Например:
- Кухонные розетки и бытовая техника – отдельное УЗО.
- Розетки в жилых комнатах – отдельное УЗО.
- Освещение во всех помещениях – отдельное УЗО.
Важно обеспечить правильную последовательность подключения УЗО:
- Нулевой провод (N) должен быть подключён напрямую к нулевой шине без прохода через УЗО.
- Фазные провода (L) каждой группы подключаются через соответствующее УЗО.
Такое подключение гарантирует корректное срабатывание УЗО при утечках тока. В случае объединения розеток и освещения под одним устройством с током 30 мА возрастает вероятность ложных срабатываний из-за особенностей нагрузок освещения.
При проектировании учитывайте расположение электрощита для удобства доступа и минимизации длины кабелей, а также соответствие выбранных УЗО требованиям ПУЭ и ГОСТ.
Правила установки УЗО в зонах с повышенной влажностью
Установка устройства защитного отключения (УЗО) в помещениях с повышенной влажностью требует соблюдения строгих требований для обеспечения безопасности и надежности электроснабжения.
- УЗО должно быть установлено вне непосредственного воздействия влаги, то есть в сухом, защищённом от брызг месте, например, внутри электрощитка с герметичным корпусом.
- При монтаже в ванных комнатах и душевых следует применять УЗО с классом защиты не ниже IP44, а в особо влажных зонах – IP65.
- Ввод кабеля и подключение к УЗО необходимо выполнять с использованием герметичных вводов и уплотнителей, чтобы предотвратить попадание влаги внутрь корпуса.
- В помещениях с высокой влажностью рекомендуются УЗО с дифференциальным током срабатывания 10-30 мА для защиты человека от поражения электрическим током.
- Монтаж оборудования должен производиться с соблюдением расстояний от водопроводных труб и сантехнических приборов, чтобы исключить риск прямого контакта с водой.
- Питание УЗО и подключаемых к нему линий следует прокладывать в кабелях с двойной изоляцией и влагозащитной оболочкой.
- Регулярно выполнять проверку работоспособности УЗО с помощью встроенной тестовой кнопки не реже одного раза в месяц.
Соблюдение перечисленных правил позволяет минимизировать риск короткого замыкания, электрического пробоя и обеспечить надежную защиту в условиях повышенной влажности.
Расположение УЗО с учётом доступности для обслуживания и замены
Рекомендуется предусмотреть достаточное пространство вокруг УЗО для безопасного снятия и замены без демонтажа соседних модулей. Минимальный зазор по бокам должен составлять не менее 50 мм, сверху и снизу – не менее 100 мм. Это облегчит доступ к зажимам и переключателям.
При проектировании электрического щита стоит избегать установки УЗО в местах с ограниченным освещением или теснотой, где оператору будет сложно выполнить тестовую проверку кнопкой «Тест» и визуально оценить состояние устройства. Для комфортного обслуживания важно предусмотреть монтаж щитка с дверцей или крышкой, которая открывается на 180° или полностью снимается.
УЗО следует размещать таким образом, чтобы не возникало необходимости отключать другие группы электроприборов при проведении работ по замене или ремонту. Это обеспечивает минимизацию времени отключения и упрощает эксплуатацию сети.
В помещениях с повышенной влажностью или пылью монтаж УЗО рекомендуется выполнять в герметичных или специализированных защитных корпусах, которые допускают легкий доступ к элементам управления и индикаторам, сохраняя при этом защиту от неблагоприятных факторов.
Совместимость УЗО с другими защитными устройствами в щите
УЗО должно корректно работать в сочетании с автоматическими выключателями, дифференциальными автоматами и другими защитными элементами. Рекомендуется устанавливать УЗО после вводного автоматического выключателя, чтобы обеспечить защиту от утечки тока без ложных срабатываний, вызванных коммутацией нагрузки.
Автоматические выключатели отвечают за защиту проводки от перегрузок и коротких замыканий, УЗО же контролирует ток утечки. Необходимо, чтобы номинальный ток автоматов превышал номинальный ток УЗО, иначе автомат может сработать раньше УЗО, снижая эффективность защиты от токов утечки.
Дифференциальные автоматы объединяют функции автомата и УЗО в одном корпусе, однако при использовании отдельных устройств важно учитывать их параметры и последовательность подключения для предотвращения конфликтов в работе.
Разделение цепей по зонам защиты позволяет установить несколько УЗО, каждое из которых обслуживает отдельную группу потребителей. Это повышает удобство обслуживания и снижает риск отключения всей квартиры при срабатывании одного из устройств.
При установке реле контроля напряжения следует размещать его до УЗО, чтобы исключить ложные отключения из-за перепадов напряжения, не влияющих на защиту от токов утечки.
Не рекомендуется подключать УЗО последовательно друг с другом, так как это может привести к ложным срабатываниям и снижению надежности. Каждый защитный элемент должен иметь собственный отдельный вход в распределительном щите.
Важен правильный выбор характеристик устройств с учетом нагрузки, типа электропроводки и условий эксплуатации, а также проверка их совместимости по технической документации производителей.
Требования к маркировке и обозначению УЗО в электрощите

Маркировка УЗО должна содержать уникальное обозначение, соответствующее схеме электроснабжения квартиры. Каждое устройство необходимо помечать на DIN-рейке или панели с указанием его назначения: например, «Ванная», «Кухня», «Розетки спальни».
На корпусе УЗО обязательно должны быть указаны технические параметры: номинальный ток (In), ток утечки (IΔn), напряжение (Ue), класс чувствительности и тип устройства (AC, A, F, B). Это помогает избежать путаницы при эксплуатации и обслуживании.
Все обозначения должны быть выполнены устойчивыми к стиранию и хорошо читаемыми – предпочтительно использовать лазерную гравировку или профессиональные наклейки с защитой от влаги и механических воздействий.
При наличии нескольких УЗО внутри щита, для облегчения диагностики целесообразно пронумеровать их в порядке подключения к нагрузкам, например, УЗО-1, УЗО-2 и так далее.
Маркировка должна располагаться непосредственно рядом с устройством или на лицевой панели электрощита, чтобы обеспечить быстрый доступ визуальной информации при необходимости отключения или проверки.
В соответствии с ГОСТ Р 50571.13-2012, обозначение УЗО должно быть согласовано с электрической схемой квартиры и отражено в документации на электроснабжение, что снижает риск ошибок при ремонте или расширении электроустановки.
Типичные ошибки при размещении УЗО и способы их избежать

Неправильное распределение нагрузок при подключении групповых линий часто приводит к ложным срабатываниям. Рекомендуется строго разделять линии освещения и розеток на разные УЗО, а также учитывать суммарный ток нагрузки для выбора подходящего номинала устройства.
Игнорирование маркировки полюсов при подключении УЗО вызывает нарушение его работы и риск электротравмы. Необходимо соблюдать полярность подключения входных и выходных клемм, ориентируясь на обозначения производителя.
Еще одна ошибка – установка УЗО на линии с большими длинами проводов и кабелей, где возможны токи утечки, вызванные емкостным сопротивлением. Для минимизации ложных срабатываний стоит использовать устройства с высокой селективностью и при необходимости установить дополнительную защиту.
Отсутствие согласования УЗО с другими защитными аппаратами (автоматами, дифференциальными выключателями) приводит к снижению эффективности защиты. Следует применять УЗО с характеристиками, совместимыми с установленными автоматами, и соблюдать рекомендации по последовательности монтажа.
Неправильный выбор типа УЗО – ошибка, когда устройство не соответствует условиям эксплуатации (например, установка однофазного УЗО в трехфазной системе). Для предотвращения этого необходимо точно определить конфигурацию электросети и подобрать УЗО по типу тока утечки и числу полюсов.
Ошибки в защите влажных помещений возникают при установке УЗО без дополнительной защиты от конденсата и влаги. Для таких зон рекомендуется выбирать устройства с повышенной степенью защиты (IP44 и выше) и устанавливать их в герметичных коробках.
Недостаточное внимание к заземлению и нулевому проводу часто снижает эффективность работы УЗО. Все цепи нулевого и защитного проводников должны быть правильно проложены и надежно соединены в щитке с учетом требований ПУЭ.
Вопрос-ответ:
Где в квартире лучше всего устанавливать УЗО для обеспечения максимальной безопасности?
УЗО обычно размещают в электрическом щите на входе электропитания квартиры — сразу после счетчика и вводного автомата. Такое расположение позволяет защитить все линии, подключенные к щиту. Также может быть разумным установить отдельные УЗО на группы розеток и освещения, чтобы изолировать и быстро отключать аварийные участки без обесточивания всей квартиры.
Можно ли устанавливать УЗО в помещениях с повышенной влажностью, например, в ванной комнате?
Установка УЗО непосредственно в ванной комнате не рекомендуется из-за повышенной влажности и риска коррозии. Обычно устройство размещают в сухом и доступном месте, например, в электрическом щите в прихожей или коридоре. Однако саму проводку в ванной обязательно защищают с помощью УЗО, установленного в щите, чтобы обеспечить защиту от поражения электрическим током в этой зоне.
Какие ошибки чаще всего допускают при размещении УЗО и как их избежать?
Распространённые ошибки — установка УЗО в труднодоступных местах, отсутствие маркировки и неправильное подключение. Если устройство закрыто и до него сложно добраться, сервис и проверка становятся проблематичными. Неправильная последовательность подключения может привести к снижению чувствительности или отключению при нормальной работе. Избежать этих проблем помогает чёткое планирование схемы, соблюдение технических требований и удобное размещение устройства в щите.
Нужно ли устанавливать отдельное УЗО для освещения и розеток в квартире?
Рекомендуется разделять освещение и розетки на разные линии с собственными УЗО. Это обеспечивает изоляцию проблемных участков и снижает вероятность отключения всего электричества при аварийной ситуации. Например, если на розетках возникнет утечка тока, выключится только соответствующее УЗО, а освещение останется включённым, что повышает удобство и безопасность.
Как обеспечить доступность УЗО для регулярного тестирования и обслуживания?
УЗО устанавливают на видном и легко доступном уровне в электрощите — обычно на высоте около 1,5 метра от пола. Важно, чтобы крышка щита легко открывалась, а устройство не было закрыто другими элементами или находилось в труднодоступном углу. Регулярное тестирование кнопкой «Тест» требует свободного доступа, чтобы проверять работоспособность без лишних усилий. Правильное расположение облегчает обслуживание и повышает безопасность.
Где лучше всего разместить устройство защитного отключения (УЗО) в квартире?
УЗО обычно устанавливают в распределительном щите рядом с вводным автоматом или главной линией питания. Такое расположение обеспечивает защиту всех подключённых цепей и удобство обслуживания. Важно разместить УЗО так, чтобы к нему был лёгкий доступ для проверки и замены. Кроме того, следует избегать установки в местах с повышенной влажностью без дополнительной защиты. Если в квартире несколько отдельных линий питания, целесообразно установить несколько УЗО, каждое из которых будет отвечать за отдельную группу электроприборов.
Можно ли установить УЗО в ванной комнате или других влажных зонах квартиры?
Установка УЗО непосредственно внутри ванной комнаты не рекомендуется из-за риска попадания влаги на электрооборудование. Лучше всего установить устройство в сухой зоне, например, в электрощите на коридоре или кухне. При этом электрические цепи, обслуживающие влажные помещения, должны быть защищены УЗО с соответствующими характеристиками, обеспечивающими срабатывание при утечках тока. Важно соблюдать правила монтажа и использовать корпуса с защитой от влаги, если есть необходимость размещать оборудование вблизи влажных зон.
