
Электромеханический или электромагнитный замок можно интегрировать в большинство современных домофонных систем без привлечения специалистов. Это требует базовых знаний электрики, минимального набора инструментов и внимательного изучения схемы подключения конкретной модели оборудования.
Перед началом работ необходимо определить тип замка. Электромагнитные замки требуют постоянного питания (обычно 12 В), тогда как электромеханические активируются кратковременным импульсом. Домофон должен обеспечивать совместимость по напряжению и способу управления. Если напряжение не совпадает, потребуется установка стабилизатора или дополнительного источника питания.
Основные соединения производятся через клеммы COM, NO (или NC) на блоке управления домофона. К контактам подключается питающий провод и управляющий импульс. Рекомендуется использовать многожильный кабель сечением не менее 0.5 мм², чтобы исключить потери при длине линии более 10 метров.
Если замок установлен снаружи, обязательно устанавливается диод шоттки или варистор параллельно катушке – это исключает обратный ток и продлевает срок службы реле в домофоне. При монтаже необходимо учитывать полярность и следить за тем, чтобы цепь была разомкнута в нерабочем состоянии (режим нормально-открыт).
Завершив подключение, следует протестировать работу замка с домофона: открытие с панели и с квартиры, проверка стабильности питания и отклика. Рекомендуется также дополнительно заземлить металлические элементы замка и использовать гофру для защиты кабелей от механических повреждений.
Выбор совместимого электрозамка под конкретную модель домофона
Перед покупкой электрозамка необходимо уточнить тип выходного сигнала домофона: релейный, транзисторный (открытый коллектор) или комбинированный. Большинство вызывных панелей типа Vizit, Commax, Tantos используют релейный выход, который подходит для подключения большинства нормально закрытых электромеханических замков.
Если домофон рассчитан на транзисторное управление, как это бывает у некоторых моделей Hikvision и Dahua, требуется замок с низким потреблением тока (до 500 мА) или использование промежуточного реле. Прямое подключение мощного электромагнитного замка может привести к выходу из строя управляющей схемы домофона.
Уточните напряжение, подаваемое на замок: 12 В постоянного или переменного тока. Некоторые домофоны, например, от CTV или Falcon Eye, могут подавать только 12 В DC. В этом случае нельзя подключать замки, рассчитанные исключительно на AC.
Уровень потребляемого тока электрозамка должен быть не выше допустимого значения, указанного в документации домофона. Например, если выход реле рассчитан на 1 А, замок, потребляющий 1.5 А, потребует установки дополнительного блока питания с развязкой по управлению.
Важно проверить наличие функции автозакрытия или задержки удержания замка в модели домофона. Если такой функции нет, рекомендуется использовать замок с внутренним таймером или установить внешний таймер, чтобы избежать постоянного удержания катушки под напряжением.
Для многоквартирных систем типа Vizit или Cyfral с цифровым интерфейсом (DU или CCD) подключение стороннего замка возможно только через согласующее устройство или модуль управления, совместимый с конкретной моделью панели.
Перед окончательной покупкой замка сверяйте его характеристики с паспортом домофона. Несовместимость по напряжению или типу сигнала приведёт к нестабильной работе или повреждению оборудования.
Определение типа выходного сигнала домофона (релейный, транзисторный и др.)

Перед подключением электрозамка важно точно определить тип выходного сигнала домофона, так как ошибка приведёт к отказу оборудования или его повреждению. Основные варианты – релейный, транзисторный (открытый коллектор) и слаботочный управляющий выход.
Релейный выход – это нормально разомкнутые или замкнутые контакты, не имеющие полярности и электрически изолированные от схемы управления. Проверка: при активации замка мультиметром фиксируется замыкание между двумя клеммами без появления напряжения. Часто обозначается как «NO/COM» или «NC/COM».
Транзисторный выход, как правило, выполнен по схеме «открытый коллектор» и требует подачи внешнего питания на нагрузку. Один из контактов при активации подключается к «земле» через транзистор. Измерения показывают падение напряжения до 0–1 В при активном сигнале. Обозначается как «GND/OUT» или «-/OUT».
Иногда выход подаёт управляющее напряжение (обычно 12 В) – это слаботочный источник, не предназначенный для непосредственного подключения электрозамка. Подключение в этом случае возможно только через промежуточное реле или модуль управления замком. Измерения на выходе покажут 12 В только в момент активации замка.
Для точного определения используйте мультиметр в режимах прозвонки и измерения постоянного напряжения. Перед началом измерений отключите питание, чтобы избежать коротких замыканий. После включения активируйте функцию открытия и фиксируйте параметры на выходных клеммах. Это позволит выбрать правильную схему подключения и избежать ошибок.
Необходимые инструменты и материалы для подключения

Для монтажа электрозамка к домофону потребуется набор инструментов и компонентов, обеспечивающих надёжное и безопасное соединение. Основное внимание стоит уделить совместимости оборудования и качеству проводки.
Понадобится крестовая и шлицевая отвертки для демонтажа корпуса домофона и крепления замка. Мультиметр обязателен для проверки напряжения на выходах устройства вызова и контроля правильности подключения. Нож или стриппер для зачистки кабеля – необходим при подготовке проводов к соединению.
Из материалов потребуется кабель, предпочтительно многожильный медный с сечением не менее 0.5 мм², например, марки ШВВП или КСПВ – в зависимости от условий прокладки. Длина кабеля рассчитывается по маршруту от блока домофона до электрозамка с запасом минимум 10%.
Для соединений рекомендуются клеммные колодки типа WAGO или пайка с последующей изоляцией термоусадкой. Изолента не обеспечивает надёжной фиксации и может привести к обрыву сигнала или короткому замыканию.
Электрозамок должен соответствовать типу домофонной системы: для аналоговых домофонов – обычно используется нормально закрытый (NC) электромеханический замок. Также потребуется блок питания 12В с током не менее 1А, если встроенного питания домофона недостаточно для открывания замка.
Дополнительно полезны пластиковые хомуты для аккуратной укладки кабеля и перфоратор с буром, если требуется прокладка провода через стены. Уровень и рулетка помогут проложить провод аккуратно и точно.
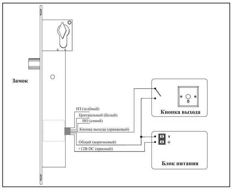
Подключение электрозамка к вызывной панели домофона

Для подключения электромеханического замка к вызывной панели требуется доступ к клеммной колодке панели, где предусмотрены контакты для управления замком. Обычно это обозначения типа LOCK, DOOR или NC/NO/COM.
Первым делом определите тип замка: нормально-замкнутый (NC) или нормально-разомкнутый (NO). Большинство электромеханических замков работают по схеме NO. Подключение осуществляется к выходу реле панели:
| COM | Общий контакт реле |
| NO | Нормально-разомкнутый контакт (для подачи питания при открытии) |
| NC | Нормально-замкнутый (используется реже, для замков с другой логикой) |
Питание на замок обычно подаётся отдельно от вызывной панели, особенно если панель не имеет встроенного источника на 12 В с достаточным током. Используйте внешний блок питания с выходом 12 В DC и током не менее 1 А.
Схема подключения: один провод от блока питания подключается к COM, второй – к плюсовому контакту замка. Минус блока питания соединяется с минусом замка. При активации вызова и нажатии кнопки открытия на мониторе, контакты COM-NO замыкаются, подавая питание на замок.
Перед подключением отключите питание панели. Используйте провода сечением не менее 0.5 мм². Соблюдайте полярность и избегайте перегрузки по току – проверьте паспортную мощность замка и соответствие характеристик реле панели.
Если длина кабеля превышает 10 метров, рекомендуется использовать витую пару UTP категории 5e или выше, задействовав по два проводника на каждый контакт для уменьшения сопротивления линии.
Схема подключения с отдельным блоком питания

При подключении электрозамка с использованием отдельного блока питания исключается нагрузка на сам домофон, что особенно важно при работе с мощными замками типа электромеханических или электромагнитных моделей с потреблением свыше 500 мА.
Для реализации схемы потребуется: электрозамок, вызывная панель, домофон, реле (или модуль управления замком), блок питания 12 В с током не менее 1 А. Реле необходимо для гальванической развязки цепей домофона и силового питания замка.
Контакт управления замком на домофоне подключается к управляющему входу реле. Блок питания подключается напрямую к контактам реле, через которые запитывается сам замок. Важно учитывать полярность и номинал напряжения – большинство замков работают от 12 В DC.
Минус питания (GND) блока питания рекомендуется объединить с общим минусом домофона, если это допускается производителем оборудования. Это обеспечит корректную работу управляющего сигнала. При наличии сомнений – использовать опторазвязку.
Провода от блока питания к замку должны быть сечением не менее 0.75 мм² при длине до 10 метров, чтобы избежать просадки напряжения. При большем удалении рекомендуется увеличить сечение до 1.0–1.5 мм².
После подключения проверяется работа замка от кнопки открытия на домофоне. Если замок не срабатывает, нужно перепроверить схему подключения, особенно правильность коммутации реле и соответствие напряжений.
Настройка задержки открывания двери через домофон

Настройка задержки открывания двери через домофон важна для правильной работы системы и обеспечения удобства использования. Задержка позволяет контролировать момент открытия двери после нажатия кнопки, предотвращая случайное открытие или несанкционированный доступ. Чтобы настроить задержку, нужно учитывать несколько факторов, таких как тип домофона, модель электрозамка и способ подключения.
- Выбор типа задержки: Некоторые домофоны предлагают несколько типов задержек. Важно выбрать подходящий вариант: задержка с фиксированным временем или с регулируемым параметром. Для большинства моделей задержка составляет от 1 до 5 секунд.
- Подключение устройства: Для настройки задержки вам потребуется подключить домофон к контроллеру замка через релейный контакт. Этот элемент позволяет контролировать время активации замка и регулирует задержку. Убедитесь, что реле поддерживает нужное время задержки.
- Настройка через программное обеспечение: Современные домофоны часто позволяют настроить задержку через меню в приложении или через веб-интерфейс устройства. В разделе «настройки» найдите опцию задержки открытия двери и установите нужное время, в зависимости от ваших предпочтений.
- Регулировка времени задержки вручную: Если ваш домофон не имеет программных настроек, настройка может осуществляться с помощью перемычек или переменных резисторов на плате устройства. Обычно для этого есть специальная инструкция. Внимательно следуйте схеме, чтобы не нарушить работу устройства.
- Учет характеристик электрозамка: Некоторые модели электрозамков имеют встроенную задержку. Если вы хотите изменить эту задержку, придется внести изменения в настройку замка, подключив его к контроллеру, который может регулировать время открытия. Для этого потребуется изучить руководство по эксплуатации замка и уточнить, как связаны его задержка и настройки домофона.
После настройки задержки обязательно протестируйте работу системы, чтобы удостовериться в ее корректной настройке. Проверьте, что замок открывается через нужное количество времени, а задержка не вызывает задержек в функционале системы в целом.
Проверка полярности и защита цепи с помощью диода
Чтобы правильно подключить диод, нужно учитывать следующие моменты:
- Выбор диода: Для защиты цепи используется диод с прямым напряжением пробоя, которое немного выше рабочего напряжения устройства (например, диод с пробоем 1N4007 для цепей до 100 В). Он должен быть рассчитан на ток, который будет проходить через цепь (обычно до 1 А).
- Правильное подключение диода: Диод следует подключать параллельно электрозамку, но с противоположной полярностью относительно подачи напряжения. Это обеспечит защиту от кратковременного переплюсовки, позволяя диоду «поглотить» лишний ток, который может возникнуть при неправильной полярности.
После подключения диода и проверки полярности можно безопасно подключать электрозамок к домофону. Если полярность будет установлена неверно, диод защитит внутренние компоненты замка, предотвратив их повреждение.
Тестирование системы после подключения и устранение типичных ошибок

После подключения электрозамка к домофону важно провести тщательное тестирование всей системы. Это позволяет не только убедиться в правильности работы, но и устранить возможные неисправности до того, как система начнёт использоваться в повседневной эксплуатации.
Затем следует проверить работу электрозамка в обеих фазах его работы: открытие и закрытие. Для этого попробуйте активировать замок через домофон, а также с помощью внешних кнопок или сенсоров (если они есть). Замок должен срабатывать без задержек и с минимальным шумом.
Важно также протестировать взаимодействие замка с системой домофона. Убедитесь, что сигнал с домофона корректно передаётся на замок, а открытие происходит именно по нажатию кнопки на домофоне. Иногда возникают ситуации, когда контакт между устройствами прерывается из-за плохого соединения проводов. Это может привести к тому, что сигнал не будет восприниматься.
Если замок не срабатывает, проверьте соединение проводов и их надежность. Отсутствие контакта в одном из проводов может быть причиной некорректной работы. Также убедитесь в правильности подключения управляющего сигнала домофона к замку.
После завершения всех проверок протестируйте систему при различных условиях: как при нормальном напряжении, так и при его колебаниях. Некоторые замки могут некорректно работать при изменении напряжения в сети. Если система имеет функции программирования, убедитесь, что все настройки были сохранены и работают корректно.
Кроме того, следите за возможными типичными проблемами. Например, если замок работает слишком шумно или заедает, причиной может быть неправильная установка механизма или недостаточное количество смазки на движущихся частях замка. В таком случае достаточно отрегулировать или смазать элементы замка.
Если замок не открывается при первом попытке, проверьте настройки временных задержек на домофоне. Слишком длительная задержка может стать причиной сбоя в системе. В случае появления таких проблем полезно будет проверить настройки программного обеспечения или обновить прошивку устройства.
Наконец, протестируйте систему в условиях реальной эксплуатации. Проверьте работу на всех возможных сценариях: откроется ли замок при разных углах наклона, при различных уровнях освещенности или в случае помех от других устройств. Это поможет избежать непредвиденных ситуаций в будущем.
Вопрос-ответ:
Как правильно подключить электрозамок к домофону самостоятельно?
Подключение электрозамка к домофону начинается с выбора подходящего устройства, которое будет совместимо с домофоном. Важно внимательно изучить схемы подключения в инструкции и подготовить необходимые инструменты: отвертки, изоленту, проводку. Сначала необходимо отключить питание домофона, чтобы избежать короткого замыкания. Далее соединяются контакты электрозамка с контактами домофона согласно схеме подключения. После того как все провода подсоединены, можно подключить питание и проверить работу устройства. Важно также соблюдать правила безопасности, чтобы не повредить оборудование и не создать угрозу для эксплуатации.
Какие ошибки можно допустить при подключении электрозамка к домофону и как их избежать?
Наиболее частые ошибки при подключении электрозамка к домофону включают неправильное подключение проводов, отсутствие правильной изоляции проводов, а также подключение электрозамка к неисправному домофону. Чтобы избежать этих ошибок, важно заранее изучить схему подключения в инструкции к домофону и электрозамку. Также перед началом работы стоит проверить исправность всех компонентов и использовать качественные материалы для подключения. Обязательно следите за тем, чтобы провода были надежно заизолированы и не перекрывали друг другу контакты. Это обеспечит стабильную работу системы и предотвратит короткие замыкания.
Можно ли подключить электрозамок к старому домофону?
Подключить электрозамок к старому домофону возможно, но потребуется обратить внимание на несколько факторов. Во-первых, важно, чтобы старый домофон поддерживал функцию управления замком. Для этого вам нужно будет проверить наличие соответствующего выхода или контакта для подключения электрозамка. Во-вторых, могут возникнуть проблемы с совместимостью напряжений, так как современные замки и домофоны могут работать на разных уровнях напряжения. В таком случае необходимо использовать трансформатор или дополнительные преобразователи напряжения. Если старый домофон не поддерживает нужные функции, придется заменить его на более современную модель или использовать дополнительные модули для подключения замка.
Как проверить правильность подключения электрозамка к домофону после установки?
После подключения электрозамка к домофону нужно выполнить несколько простых шагов для проверки правильности работы. Во-первых, включите питание и убедитесь, что все компоненты работают корректно. Далее, при нажатии кнопки на домофоне замок должен открыться. Если замок не открывается или не реагирует на команду, проверьте соединение проводов и убедитесь, что они подключены согласно схеме. Также важно проверить, не перегружен ли домофон или не возникли ли проблемы с электропитанием. Если замок не реагирует, проверьте его работоспособность отдельно, подключив к другому источнику питания.
Нужно ли иметь специальные навыки для подключения электрозамка к домофону?
Подключение электрозамка к домофону можно выполнить без специальных навыков, если следовать инструкции и соблюдать осторожность. Однако важно понимать основы работы с электрическими устройствами. Необходимо уметь обращаться с инструментами, правильно подключать провода и соблюдать технику безопасности. Если у вас нет опыта в электротехнических работах, рекомендуется сначала проконсультироваться с профессионалом или провести обучение. Правильное подключение не только обеспечит безопасность, но и продлит срок службы устройства.
Как подключить электрозамок к домофону своими руками?
Для подключения электрозамка к домофону потребуется несколько шагов. Во-первых, важно убедиться, что домофон поддерживает такую функцию, как управление замком. Затем необходимо подключить электрозамок к электросети и соединить его с контактами домофона. Если в домофоне есть специальный выход для электрозамка, достаточно просто соединить провода. В случае отсутствия такого выхода, можно использовать реле или дополнительное оборудование для управления замком. Также следует проверить правильность подключения, чтобы избежать короткого замыкания или других неисправностей. После этого нужно настроить домофон так, чтобы при нажатии кнопки открытия двери электрозамок сработал. Важно помнить о безопасности — перед началом работы рекомендуется отключить питание.
