
При подборе сифона важен не только его тип, но и точное соответствие диаметру сливного отверстия. Неподходящий размер приведёт к протечкам, перекосам и нарушению герметичности соединений. Стандартный диаметр сливного отверстия у большинства раковин – 32 мм или 40 мм, но встречаются модели с нестандартными размерами.
Для раковин с отверстием 32 мм обычно используются сифоны с резьбой 1¼ дюйма. Если диаметр 40 мм, потребуется резьба 1½ дюйма. Эти параметры указываются на упаковке сифона. Несовпадение размеров приведёт к необходимости использования переходников, что снижает надёжность соединения.
Измерение диаметра отверстия нужно проводить с точностью до миллиметра. Подойдут штангенциркуль или металлическая линейка. Учитывайте, что производители сантехники могут округлять значения, поэтому при сомнениях лучше взять раковину за образец или предварительно уточнить техническую документацию.
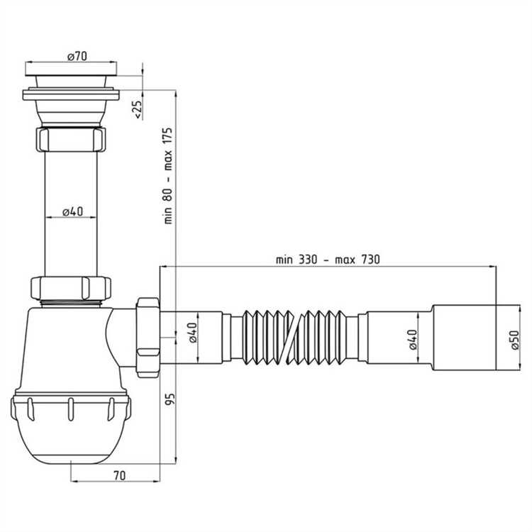
Также важно учитывать тип подключения сифона к канализации. Если труба канализации имеет наружный диаметр 50 мм, потребуется сифон с соответствующим патрубком или гибкая гофра с переходником. Диаметр сливного отверстия и тип выпускного патрубка – ключевые параметры при выборе.
Как измерить диаметр сливного отверстия раковины
Снимите сливную решётку, если она установлена. Это обеспечит доступ к кромке отверстия и устранит искажения при замерах.
Используйте штангенциркуль или металлическую линейку с миллиметровой шкалой. Инструмент должен плотно прилегать к краям отверстия без зазоров.
Измеряйте по внутреннему диаметру. Важно учитывать именно рабочую площадь отверстия, куда будет устанавливаться часть сифона.
Если отверстие имеет форму овала или нарушенную геометрию, измерьте по двум взаимно перпендикулярным осям. При выборе сифона ориентируйтесь на наименьшее значение.
Для типовых моделей значение чаще всего составляет 32 или 40 мм. Эти размеры соответствуют наиболее распространённым резьбовым соединениям сифонов.
После измерения убедитесь, что полученное значение соответствует маркировке сифона, которую указывают в описании товара как «диаметр подключения к раковине» или «диаметр выпуска».
Какие диаметры сливов бывают и чем они отличаются

Наиболее распространённые диаметры сливных отверстий в раковинах – 32, 40 и 50 мм. Эти значения определяют выбор сифона и соединительных элементов.
Отверстие диаметром 32 мм встречается в компактных умывальниках и требует установки узкого сифона с выходом под трубу 32 мм. Такой сифон не рассчитан на большие объёмы воды, поэтому для кухонных моек не подходит.
Отверстие 40 мм – стандарт для большинства моек и раковин. Подходит для установки сифонов с резьбовым соединением 1½ дюйма и выпуском под трубу 40 мм. Обеспечивает стабильный слив без риска переполнения при интенсивном использовании.
Диаметр 50 мм используется в сантехнике, рассчитанной на повышенную нагрузку, например, в общественных учреждениях или при подключении нескольких приборов к одному сливу. Для подключения требуется переходник или специальный сифон с соответствующим диаметром.
При выборе учитывается не только диаметр сливного отверстия в раковине, но и диаметр канализационной трубы. Несовпадение требует установки переходников или гибких труб соответствующего сечения.
Какой тип сифона подходит для раковин с нестандартным диаметром
Если диаметр сливного отверстия отличается от типового значения 32 или 40 мм, стандартные сифоны не подойдут без адаптации. В таких случаях используются модели с регулируемыми переходниками или комплектами редукций. Например, для отверстий 50 мм подойдёт бутылочный сифон с переходником 50×40 мм.
При отверстиях меньше 32 мм (в старой сантехнике или дизайнерских изделиях) подходят сифоны с гибкой трубой и уплотнительными кольцами разного размера. Они обеспечивают герметичное соединение без необходимости подгонки резьбы.
Если у раковины нестандартная форма или расположение слива смещено, используют гофрированные сифоны с регулируемой длиной. Они подходят для нестандартных отверстий при наличии адаптера под конкретный диаметр. Подключение производится через накидную гайку с прокладкой, которая компенсирует разницу в размерах.
Важно проверить, совпадает ли диаметр переливного отверстия сифона с отверстием в мойке. В нестандартных вариантах может потребоваться отдельно приобретённая накладка или адаптер перелива.
Перед покупкой необходимо точно измерить внутренний диаметр сливного отверстия штангенциркулем. Отклонение даже в 2–3 мм может привести к протечке. Если найти готовый сифон сложно, возможен заказ переходного элемента у сантехнического мастера или в специализированной мастерской.
На что влияет диаметр сливного отверстия при выборе сифона

Диаметр сливного отверстия напрямую определяет тип сифона, который можно установить. Стандартные значения для раковин – 32 мм и 40 мм. Если отверстие меньше 32 мм, потребуется переходник или нестандартный сифон. При размере 40 мм и выше часто используются сифоны с высокой пропускной способностью, подходящие для кухонных моек.
Неправильный выбор диаметра приводит к неплотному прилеганию фланца, что вызывает протечки. Также несоответствие размеров нарушает герметичность соединения с выпуском, особенно при пластиковых моделях, где нет возможности подгонки. Диаметр влияет и на комплектацию: выпуск, прокладки и прижимная гайка должны соответствовать конкретному размеру отверстия.
При выборе сифона следует измерить внутренний диаметр сливного отверстия штангенциркулем. Ошибка даже в 1–2 мм может сделать монтаж невозможным или ненадёжным. Под кухонные мойки с широким отверстием подходят сифоны с увеличенным выпуском, тогда как для компактных умывальников подбираются модели на 32 мм.
Если устанавливается накладной выпуск с решёткой, важно учитывать, чтобы его диаметр и форма точно совпадали с отверстием. Даже при установке силиконовой прокладки несоответствие размеров приведёт к деформации и течи. Все элементы должны быть рассчитаны на конкретный диаметр, включая декоративную чашку и запорную гайку.
Как подобрать переходник, если диаметр сифона и раковины не совпадают

Если диаметр выпускного отверстия раковины не совпадает с диаметром входа сифона, потребуется переходник. Чаще всего возникают две ситуации: сифон 40 мм, а выпуск 32 мм, либо наоборот.
- Для соединения выпуска 32 мм с сифоном 40 мм используется резиновый переходник-уплотнитель. Он надевается внутрь гайки сифона и обеспечивает плотное прилегание к выпуску меньшего диаметра.
- Если сифон 32 мм, а выпуск 40 мм, потребуется пластиковый переходник с резиновым уплотнением. Такой элемент вставляется в выпуск и уменьшает его диаметр до 32 мм.
- При нестандартных диаметрах – например, 50 мм на 40 мм – используют специальные переходные муфты из ПВХ или гофрированные адаптеры с разной посадкой на концах.
- Плотность соединения зависит от качества уплотнителей. При наличии течи прокладку стоит заменить на более жесткую или использовать сантехнический герметик.
- Важно: перед покупкой измерьте наружный и внутренний диаметры как выпуска, так и сифона штангенциркулем. Указание «32» или «40 мм» может относиться как к наружной, так и к внутренней части трубы.
Не стоит подгонять детали на силу – деформация приведёт к утечкам. Лучше сразу использовать адаптер соответствующего диаметра и материала (ПВХ, полиэтилен, силикон).
Какие материалы сифонов доступны для разных диаметров отверстия
Пластиковые сифоны – самый распространённый вариант для стандартных отверстий диаметром 40–50 мм. Легкие, устойчивы к коррозии, удобны в установке. При диаметре 40 мм подходят для раковин с небольшим расходом воды, 50 мм – для более интенсивного использования.
Металлические сифоны из нержавеющей стали или латуни выпускаются преимущественно для отверстий 50 мм и выше. Они долговечнее пластика, выдерживают высокие температуры и механические нагрузки, подходят для кухонь и ванн с интенсивной эксплуатацией.
Сифоны из полипропилена и ПВХ доступны в широком диапазоне диаметров – от 32 до 70 мм. Для отверстий до 40 мм оптимальны полипропиленовые модели, обладающие гибкостью и устойчивостью к химическим веществам. Для больших диаметров лучше выбирать ПВХ – более жесткий и прочный материал.
Стеклянные сифоны
Выбор материала должен учитывать диаметр отверстия и условия эксплуатации: для маленьких и средних диаметров 32–50 мм пластиковые и полипропиленовые варианты обеспечат достаточную надежность и простоту монтажа; для отверстий от 50 мм и выше – металл гарантирует долговечность и повышенную прочность.
Чем отличаются сифоны для раковин с переливом и без – с учётом диаметра

Сифоны для раковин с переливом оснащены дополнительным выходом для отвода избыточной воды, предотвращая переполнение. Это влияет на конструкцию и выбор диаметра.
Диаметр отверстия в раковине обычно составляет 40 мм или 50 мм. Для моделей с переливом важно учитывать, что диаметр основного патрубка должен совпадать с выпуском раковины, а диаметр переливной трубы – стандартизирован и чаще всего составляет 18–20 мм.
Сифоны без перелива имеют простой корпус, поэтому выбор диаметра сводится к соответствию основного патрубка диаметру сливного отверстия. Чаще всего это 40 мм, реже 50 мм для больших раковин.
При выборе сифона с переливом необходимо проверить, чтобы переходник на перелив соответствовал диаметру переливного отверстия раковины. Несоответствие ведёт к протечкам и затруднениям при установке.
Для раковин с диаметром отверстия 50 мм рекомендуется использовать сифоны с основным патрубком 50 мм. Для отверстий 40 мм – соответственно 40 мм. Переливные патрубки подбираются отдельно и обычно имеют универсальный диаметр.
Покупая сифон, следует измерить оба диаметра – основного отверстия и перелива, если он есть. Несоответствие диаметров требует переходников, что снижает надёжность и увеличивает риск засоров.
Вопрос-ответ:
Как правильно измерить диаметр отверстия для подбора сифона?
Для точного выбора сифона сначала измерьте внутренний диаметр сливного отверстия раковины. Используйте рулетку или штангенциркуль и замеряйте именно диаметр трубы, куда будет вставляться сифон. Важно ориентироваться на размер, указанного в миллиметрах, чтобы избежать несовпадения и проблем с установкой.
Можно ли установить сифон с диаметром больше, чем у отверстия в раковине?
Подсоединять сифон с большим диаметром к меньшему отверстию не рекомендуется. Это приведёт к протечкам и нарушению герметичности. Если отверстие меньше, лучше подобрать переходник или сифон с нужным размером, который подходит по диаметру, чтобы избежать ошибок при монтаже.
Какой диаметр сифона обычно используется для стандартных кухонных и ванных раковин?
Для большинства кухонных и ванных раковин стандартным считается диаметр 40 мм для труб слива. Иногда встречаются варианты 32 мм, особенно для небольших раковин в туалетах или гостевых зонах. Перед покупкой лучше измерить точный размер на месте.
Что делать, если диаметр отверстия раковины нестандартный и подобрать сифон сложно?
В таком случае используют переходники, которые позволяют соединить сифон с нестандартным отверстием. Они бывают разной конструкции и помогают адаптировать размер трубы сифона под имеющееся отверстие без необходимости менять раковину.
Как влияет правильный выбор диаметра сифона на работу сливной системы?
Если диаметр сифона совпадает с размером отверстия, вода будет уходить быстро и без протечек. Неподходящий размер может вызвать заторы, утечки или неприятные запахи из слива. Подходящий диаметр обеспечивает надежность и долгую службу системы без лишних проблем.
Как определить диаметр отверстия в раковине для правильного выбора сифона?
Чтобы подобрать подходящий сифон, сначала нужно измерить диаметр сливного отверстия. Для этого можно использовать обычную линейку или штангенциркуль. Измеряется внутреннее расстояние между краями отверстия. Обычно стандартные размеры составляют 40 или 50 мм, но бывают и другие варианты. Точный замер поможет избежать покупки сифона, который не подойдёт по размеру, и предотвратит протечки после установки.
Можно ли использовать сифон с меньшим диаметром, чем отверстие в раковине, или это приведёт к проблемам?
Использование сифона с меньшим диаметром по сравнению с отверстием в раковине нежелательно. Такой сифон не сможет обеспечить герметичное соединение, что приведёт к протечкам и неприятным запахам. Чтобы исправить ситуацию, потребуются дополнительные переходники или уплотнительные элементы, но это усложнит монтаж и может снизить надёжность конструкции. Лучше сразу выбирать сифон, который точно соответствует диаметру отверстия или немного больше, с возможностью использования переходников, специально предназначенных для таких случаев.
