
Выбор автоматического выключателя для греющего кабеля требует точного расчёта тока и понимания особенностей конкретной системы обогрева. Неправильно подобранный автомат может привести к ложным срабатываниям или, наоборот, не отключиться при перегреве. Главный параметр – ток срабатывания автомата. Он должен быть выше рабочего тока кабеля, но ниже тока, при котором возможен перегрев проводки или самого кабеля.
Рабочий ток рассчитывается по формуле: I = P / U, где P – мощность кабеля, U – напряжение сети. Например, при мощности 30 Вт/м и длине кабеля 50 м общая мощность составит 1500 Вт. При напряжении 220 В ток составит примерно 6,8 А. В этом случае уместен автомат на 10 А. Запас необходим, но не более 25–30% от расчетного значения.
Для саморегулирующихся кабелей нужно учитывать пусковой ток, который в первые секунды может в 2–3 раза превышать номинальный. Если кабель на холоде потребляет 6 А в рабочем режиме, на запуске он может кратковременно требовать до 15 А. Автомат должен выдерживать эти кратковременные скачки. Рекомендуется использовать автомат с характеристикой C, а в некоторых случаях – D, особенно при пусковых токах свыше 10 А.
Для систем с УЗО в одной цепи с автоматом следует выбирать устройства, способные работать корректно в связке. УЗО подбирается по токам утечки, характерным для типа кабеля. Для большинства бытовых систем достаточно УЗО на 30 мА. При этом автомат не должен дублировать функции УЗО, но обязан отключать при коротком замыкании или перегрузке.
И последнее: автомат должен быть рассчитан на тип монтажа (DIN-рейка), соответствовать классу защиты и климатическому исполнению щита, особенно при размещении снаружи. Не рекомендуется использовать универсальные автоматы без паспорта – только устройства с подтвержденными характеристиками от известных производителей.
Какой номинал автомата подходит для конкретной мощности кабеля
Выбор номинала автомата зависит от суммарной мощности греющего кабеля и напряжения сети. Формула расчёта тока: I = P / U, где P – мощность в ваттах, U – напряжение в вольтах.
Например, при мощности кабеля 1000 Вт и напряжении 220 В ток составит около 4,5 А. В этом случае устанавливается автомат на 6 А. Для кабеля мощностью 2000 Вт – ток 9 А, нужен автомат на 10 А. Если используется 3000 Вт, ток составит 13,6 А – применяется автомат на 16 А.
Автомат не должен срабатывать при штатной нагрузке, но обязан отключаться при перегрузке. Номинал подбирается с запасом в 10–15% от расчётного тока. При этом учитывается тип автомата – для кабеля подходит характеристика C, рассчитанная на нагрузки с умеренными пусковыми токами.
Если в контуре несколько секций кабеля, мощности складываются. Для двух кабелей по 1500 Вт – общая мощность 3000 Вт, автомат на 16 А. При подключении через терморегулятор автомат ставится перед ним, а не после.
Для однофазной сети используют автоматы на 6, 10, 16 или 20 А. В трёхфазной сети номинал подбирается аналогично, но с учётом распределения нагрузки по фазам.
Почему важно учитывать пусковой ток саморегулирующихся кабелей

Саморегулирующиеся нагревательные кабели при включении создают кратковременную, но значительную нагрузку на сеть. Это связано с тем, что при низкой температуре сопротивление их полупроводниковой матрицы минимально, и ток в первые секунды после подачи напряжения может в 3–5 раз превышать рабочий.
- Например, кабель с рабочим током 10 А может давать пиковую нагрузку 30–50 А в момент включения.
- Если автомат не рассчитан на такой ток, сработает ложное отключение или произойдет его выход из строя.
- Для большинства бытовых и коммерческих установок применяются автоматы с характеристикой срабатывания типа C или D.
Автоматы типа B не подходят – они рассчитаны на кратность тока отключения 3–5 от номинала, чего недостаточно при пуске греющего кабеля.
- Рассчитайте пиковый ток системы: умножьте длину кабеля на пусковой ток на метр (указывается производителем).
- Выберите автомат с номиналом, соответствующим рабочему току, но с времятоковой характеристикой C (в 5–10 раз выше номинала) или D (в 10–20 раз выше).
- При групповой установке нескольких кабелей обязательно суммируйте пусковые токи и учитывайте их при подборе автомата.
Неправильно подобранный автомат не защитит кабель и сеть, а в мороз может привести к отказу всей системы обогрева.
Как рассчитать токовую нагрузку для одного и нескольких кабелей

Для расчёта токовой нагрузки необходимо знать мощность кабеля и напряжение сети. Формула: I = P / U, где I – ток (А), P – мощность (Вт), U – напряжение (В).
Пример: греющий кабель мощностью 20 Вт/м, длина – 30 метров. Общая мощность: 20 × 30 = 600 Вт. При напряжении 220 В: I = 600 / 220 ≈ 2,73 А.
Если подключается несколько кабелей, нужно сложить их мощности. Например, два кабеля по 600 Вт: общая мощность 1200 Вт. Ток: 1200 / 220 ≈ 5,45 А.
Рекомендуется учитывать запас по току не менее 20%. Для одного кабеля: 2,73 × 1,2 ≈ 3,28 А. Для двух: 5,45 × 1,2 ≈ 6,54 А.
Автоматический выключатель подбирается по итоговому значению тока с запасом. В первом случае подойдёт автомат на 6 А, во втором – на 10 А. Использовать автомат меньшего номинала нельзя – возможны ложные срабатывания.
При подключении более трёх кабелей желательно рассчитывать нагрузку на каждую фазу (в случае трёхфазной сети) или использовать отдельные автоматы на группы кабелей.
Нужно ли использовать дифференциальный автомат и в каких случаях

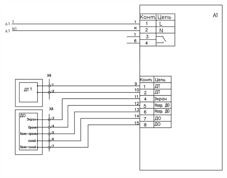
Дифференциальный автомат необходим, если греющий кабель установлен в зонах с повышенной влажностью: на крыше, в водостоках, во дворе, в помещениях без отопления. Устройство совмещает функции защиты от короткого замыкания, перегрузки и утечки тока, что исключает необходимость ставить УЗО отдельно.
Рекомендуется выбирать дифференциальный автомат с током утечки 30 мА – это стандартное значение для защиты людей от поражения электрическим током. Если греющий кабель обслуживает только техническое оборудование, допустимо использовать устройство с током утечки 100 мА, чтобы избежать ложных срабатываний при пусковых токах.
При монтаже системы обогрева труб или резервуаров внутри производственных помещений с заземлённым металлическим корпусом допускается применение обычного автомата без дифференциальной защиты, но только при наличии уравнивания потенциалов и отдельного УЗО на вводе. В противном случае защита от утечки становится обязательной.
Для кабелей с металлической оплёткой, подключённых через гильзы или клеммы к щиту без строгого контроля изоляции, диффавтомат снижает риск скрытых утечек и перегрева. Особенно это актуально при эксплуатации в зимнее время, когда влага и конденсат способствуют разрушению изоляции.
Если в системе используется саморегулирующийся кабель с высокой пусковой нагрузкой, следует выбирать дифференциальный автомат с выдержкой по времени или типом «A» вместо «AC», чтобы избежать ложных отключений при включении.
Как выбрать автомат по типу характеристики срабатывания: B, C или D

Тип характеристики срабатывания определяет, при каком кратковременном превышении тока автомат отключит цепь. Для греющих кабелей, особенно на основе саморегулирующихся или резистивных элементов, выбор между типами B, C и D зависит от пусковых токов и условий эксплуатации.
Автоматы типа B срабатывают при токе, превышающем номинальный в 3–5 раз. Они подходят только для кабелей с минимальным пусковым током. Использование таких автоматов с саморегулирующимся кабелем может привести к ложным срабатываниям, особенно при низких температурах, когда ток в первые секунды после включения повышен.
Тип C срабатывает при превышении номинального тока в 5–10 раз. Это универсальный вариант для большинства систем обогрева. Саморегулирующиеся кабели, мощность которых возрастает при понижении температуры, стабильно работают с автоматами C-типа. Это оптимальный выбор для установки в жилых зданиях и на открытом воздухе.
Тип D предназначен для нагрузок с высокими пусковыми токами (10–20 номиналов). Такие автоматы применяются, если длина кабеля значительная или несколько секций включаются одновременно. Тип D требуется при использовании мощных резистивных кабелей с резким стартом или при централизованном управлении несколькими зонами обогрева.
Для бытового применения в большинстве случаев достаточно автомата типа C. Тип D следует применять после расчёта пусковых токов, особенно если система запускается при отрицательных температурах. Установка типа B допустима лишь при гарантированно низком старте и коротких линиях подключения.
Как влияет длина кабеля и сечение провода на выбор автомата
При выборе автомата для греющего кабеля критичны два параметра: длина кабеля и сечение проводников. Они напрямую влияют на токовую нагрузку и падение напряжения, что определяет номинал автомата.
- Длина кабеля увеличивает сопротивление цепи. Чем длиннее кабель, тем выше ток утечки и падение напряжения. Для длинных участков требуется автомат с меньшим номиналом или увеличение сечения провода, чтобы избежать ложных срабатываний.
- Сечение провода определяет максимальный ток, который может безопасно пройти без перегрева. При недостаточном сечении увеличивается риск перегрева, поэтому автомат выбирается с учетом максимально допустимого тока для данного сечения.
Рекомендуемые действия:
- Вычислить суммарное сопротивление кабеля по длине и сечению, используя справочные данные или формулы.
- Определить максимальный ток, который будет проходить через кабель, исходя из мощности греющего элемента и напряжения.
- Выбрать автомат с номиналом, не превышающим максимально допустимый ток для выбранного сечения провода, с учётом длины кабеля.
- При длине кабеля свыше 20 м рекомендуется увеличить сечение провода или использовать автомат с меньшим номиналом, чтобы снизить риск перегрева и отключения.
Например, для кабеля с сечением 1.5 мм² и длиной до 15 м подойдет автомат на 16 А, но при увеличении длины до 30 м стоит рассмотреть автомат на 10 А и увеличить сечение до 2.5 мм².
В итоге выбор автомата зависит от баланса длины кабеля, сечения провода и требуемой мощности греющего кабеля – несоблюдение этих параметров ведёт к неправильной защите и снижению срока службы оборудования.
Можно ли подключать греющий кабель через обычный автомат в щитке
Подключение греющего кабеля через обычный автомат возможно, но требует учёта нескольких важных факторов. В первую очередь нужно сверить номинальный ток автомата с расчетным током греющего кабеля. Обычно на упаковке или в техническом паспорте кабеля указана потребляемая мощность и ток, исходя из которых выбирается автомат с запасом 25-30% на пусковые токи и перегрузки.
Стандартные однополюсные автоматы на 16 или 20 А часто подходят для кабелей небольшой мощности, но если нагрузка выше 3,5 кВт, лучше использовать автоматы на 25 А или специализированные устройства. Для греющих кабелей с большим потреблением рекомендуется подключение через дифференциальный автомат (УЗО с автоматом), что повысит безопасность эксплуатации и защиту от токов утечки.
Важно проверить, выдерживает ли автомат номинальное напряжение и ток при длительной работе. Обычные автоматы могут не обеспечивать достаточную селективность и защиту от перегрузок при специфических условиях эксплуатации греющего кабеля. Также следует обратить внимание на тип автомата – для кабеля предпочтительнее автомат с характеристикой C или D, так как они устойчивы к кратковременным пусковым токам.
Если греющий кабель подключается через обычный автомат без дополнительной защиты, рекомендуется использовать тепловое реле или отдельный терморегулятор, контролирующий включение и отключение питания, чтобы исключить перегрев и повысить ресурс системы.
В итоге, обычный автомат подходит, если он правильно подобран по току, типу и установлен с учётом дополнительных мер безопасности. Для сложных систем и больших нагрузок предпочтительнее использовать специализированные решения с УЗО и терморегуляторами.
Какие ошибки допускают при подборе автомата для систем антиобледенения
Частая ошибка – выбор автомата по номинальному току, не учитывая пусковые токи греющего кабеля. Обычно ток на пуске может превышать рабочий в 1,5–2 раза, поэтому автомат должен иметь запас по току, чтобы избежать ложных срабатываний.
Некорректный расчет мощности нагрузки. Автомат подбирают, не учитывая полную длину кабеля и его суммарную мощность, что приводит к перегрузке и быстрому выходу из строя защитного устройства.
Игнорирование типа автомата. Для греющих кабелей предпочтительны автоматы с характеристикой C, поскольку они устойчивы к кратковременным пиковым токам, в то время как автоматы типа B могут отключаться без причины.
Неучет температуры окружающей среды и способа прокладки кабеля. При низких температурах и в закрытых пространствах ток может изменяться, что требует дополнительного запаса по току автомата.
Отсутствие селективности при выборе автомата. Подбирая автомат только с расчетом на максимальный ток, не учитывают необходимость координации с другими устройствами защиты, что осложняет поиск и устранение неисправностей.
Пренебрежение требованиями по минимальному времени срабатывания. Для греющего кабеля важно, чтобы автомат не отключался при кратковременных перегрузках, поэтому выбирают устройства с задержкой срабатывания.
Отсутствие учета электромагнитных помех и особенностей сети. В условиях высоких помех или нестабильного напряжения стоит использовать автоматы с повышенной устойчивостью к внешним факторам.
Не проверяют соответствие автомата по характеристикам УЗО и защитным функциям с требованиями конкретной системы антиобледенения, что снижает общую безопасность и эффективность защиты.
Вопрос-ответ:
Как определить необходимую мощность автомата для греющего кабеля?
Мощность автомата выбирается исходя из суммарной нагрузки греющего кабеля. Для этого нужно сложить мощность всех участков кабеля, которые будут подключены к одному автомату. Обычно на коробке с кабелем указывается мощность на метр, умножьте это значение на длину кабеля, чтобы получить общую нагрузку. Затем выбирайте автомат с током, который немного превышает рассчитанную нагрузку, чтобы обеспечить надежную защиту и избежать частых срабатываний.
Можно ли использовать обычный автомат защиты для греющего кабеля, или нужен специальный?
Чаще всего для греющего кабеля подходит обычный автоматический выключатель, но стоит учесть особенности кабеля и условия эксплуатации. Если кабель предназначен для использования во влажных или агрессивных средах, рекомендуется выбирать автоматы с повышенной степенью защиты. Также важно, чтобы характеристики автомата соответствовали рабочему току и типу нагрузки кабеля. Иногда для защиты могут потребоваться дополнительные устройства, например, УЗО или дифференциальные автоматы.
Как выбрать автомат по типу срабатывания для греющего кабеля?
Для греющего кабеля обычно подходят автоматы типа С, которые реагируют на кратковременные токи срабатывания и подходят для нагрузок с некоторыми пусковыми токами. Если кабель используется в системе с большим количеством подключенных приборов, где возможны кратковременные пиковые нагрузки, тип С будет наиболее универсальным. Автоматы типа В срабатывают быстрее и подходят для чувствительных цепей, а типа D — для оборудования с большими пусковыми токами, например, двигателей. Для греющего кабеля оптимальным вариантом считается автомат типа С.
На что обратить внимание при выборе номинального тока автомата для системы с греющим кабелем?
Номинальный ток автомата должен быть немного выше расчетного рабочего тока греющего кабеля, чтобы избежать ложных срабатываний. При этом важно не выбирать слишком большой номинал, иначе устройство не защитит кабель от перегрузок. Обычно рекомендуют брать автомат с номиналом, который на 10–20% превышает расчетный ток. Также учитывайте, что ток должен соответствовать сечению проводников и условиям прокладки, чтобы обеспечить правильную работу и безопасность.
Можно ли подключить несколько греющих кабелей к одному автомату?
Да, но при этом нужно просчитать суммарную нагрузку всех кабелей, подключаемых к одному автомату. Если сумма мощностей превышает номинальный ток автомата, нужно либо разделить кабели на несколько групп с отдельными автоматами, либо подобрать автомат с большим номиналом, учитывая также возможность токовых перегрузок. Важно правильно организовать подключение, чтобы избежать перегрева и сбоев в работе системы.
Какие параметры автомата нужно учитывать при выборе для греющего кабеля?
При выборе автомата важно смотреть на номинальный ток, который должен соответствовать максимально возможной нагрузке греющего кабеля. Также важен тип автомата — он должен обеспечивать защиту от перегрузок и коротких замыканий. Рекомендуется выбирать автоматы с характеристикой отключения, подходящей для индуктивных и емкостных нагрузок, которые часто бывают у греющих систем. Не забудьте проверить напряжение и число полюсов автомата, чтобы подключение было правильным и безопасным.
Можно ли использовать обычный автомат вместо специального для греющего кабеля, и чем это грозит?
Использовать обычный автомат допустимо, если он соответствует параметрам нагрузки и характеристикам кабеля, но в большинстве случаев специализированные автоматы имеют лучшие защитные свойства для греющих систем. Обычный автомат может не сработать вовремя при перегрузке, что приведет к перегреву кабеля и повреждению. Также могут возникнуть проблемы с чувствительностью к токам утечки или импульсным нагрузкам, типичным для нагревательных элементов. Это повышает риск аварий и сокращает срок службы оборудования.
