
Собрать точные весы в домашних условиях возможно при наличии базовых знаний в области электроники и доступа к распространённым компонентам. Вместо готовых промышленных датчиков, можно использовать тензодатчики от старых электронных весов или приобрести недорогие модули HX711 с тензорезистивными элементами. Это позволяет создать точное измерительное устройство с минимальными затратами.
Для проекта потребуется микроконтроллер, например Arduino Uno или ESP32, модуль HX711 и тензодатчик с минимальной погрешностью 0.01 кг. Платформа Arduino удобна для отладки и программирования, а HX711 обеспечивает точное усиление сигнала от тензорезистора. Соединение осуществляется с помощью четырёх проводов: два на питание, два на выход данных. Все элементы можно закрепить на деревянной или пластиковой платформе толщиной не менее 1 см для стабильности измерений.
Особое внимание стоит уделить калибровке. После сборки и подключения компонентов необходимо использовать эталонный груз для настройки коэффициента измерения. В Arduino IDE это реализуется через библиотеку HX711.h, где можно задать переменную scale в соответствии с известной массой объекта. Для повышения стабильности результата рекомендуется производить усреднение измерений по 10 и более значениям.
Выбор типа весов: механические или электронные

Для домашних самодельных весов критичны точность, доступность компонентов и простота сборки. Механические весы основаны на уравновешивании рычагов и применении пружин. Их преимущество – отсутствие электроники, что упрощает ремонт и снижает стоимость. Подойдут, если требуется взвешивание предметов до 5 кг с точностью порядка 10–20 г. В качестве основы можно использовать пружину от старой ручки или кухонного таймера, а корпус – из фанеры или плотного картона.
Электронные весы обеспечивают точность до 1 г и ниже. Основной элемент – тензодатчик. Его можно извлечь из старых электронных весов или заказать отдельно. Требуется микроконтроллер, например Arduino Uno, и модуль HX711 для считывания сигнала. Такой вариант сложнее в сборке, требует навыков пайки и базовых знаний электроники. Зато позволяет реализовать функции автокалибровки, цифрового отображения массы и даже подключение к смартфону.
Если приоритет – максимальная точность и возможность автоматизации, выбирайте электронные. При ограниченном бюджете и отсутствии опыта работы с микросхемами разумнее собрать механические. Тип выбирается исходя из задач: бытовое взвешивание продуктов, деталей или реагентов требует разных подходов.
Подбор доступных материалов и компонентов

Для сборки бытовых весов в домашних условиях подойдут недорогие и легко доступные элементы. Ниже приведён перечень компонентов, которые можно найти в радиомагазинах или заказать онлайн.
- Тензодатчик: оптимальный вариант – тензодатчик 50 кг (например, модели типа YZC-133). Поддерживает точность до 0,01 кг, подключается к усилителю HX711.
- Усилитель сигнала HX711: используется для считывания данных с тензодатчика. Совместим с большинством микроконтроллеров, работает по протоколу I2C.
- Контроллер (например, Arduino Uno): принимает данные от HX711 и обрабатывает их. Подходит любой Arduino с минимум двумя цифровыми входами.
- Питающий источник: блок питания 5 В или батарейный отсек для питания Arduino и HX711. Важно обеспечить стабильное напряжение без скачков.
- Платформа для взвешивания: подойдёт лист фанеры толщиной 6–10 мм или кусок оргстекла. Размер зависит от предполагаемой нагрузки и формы весов.
- Крепёж: болты М4, гайки, шайбы. Используются для фиксации тензодатчика и платформы. Желательно использовать металлические, чтобы избежать деформаций.
- Провода: желательно использовать многожильные экранированные провода для минимизации наводок и помех.
Для подключения и сборки также понадобятся: паяльник, припой, термоусадочная трубка, отвертка. Все компоненты должны быть совместимы по напряжению и току. Избегайте случайных замен – они могут повлиять на точность или работоспособность устройства.
Создание платформы для взвешивания и корпуса

Для платформы используйте жёсткий и лёгкий материал – алюминиевый лист толщиной 3–5 мм. Размер зависит от предполагаемой нагрузки, но для бытового применения достаточно 15×15 см. Отверстия под крепление тензодатчиков сверлите с учётом их расположения и размеров: точность важна для равномерной передачи нагрузки.
К платформе тензодатчики крепятся винтами М4 с потайной головкой. Убедитесь, что поверхность алюминия ровная, без прогибов – это критично для достоверных измерений. При необходимости выровняйте наждачной бумагой на плоской подложке.
Корпус изготавливается из фанеры толщиной 10–12 мм или ПВХ-панелей. Главное – обеспечить жёсткость и защиту электроники. В нижней части корпуса просверлите вентиляционные отверстия диаметром 6–8 мм для отвода тепла от элементов питания и микроконтроллера.
Фиксацию платформы производите через эластичные демпферы (например, резиновые шайбы), чтобы исключить паразитные колебания и увеличить срок службы тензодатчиков. Все соединения внутри корпуса должны быть закреплены термоклеем или хомутами, чтобы избежать смещения при эксплуатации.
Для доступа к внутренним компонентам сделайте съёмную крышку, закреплённую на винтах или магнитах. Отверстие под дисплей (если предусмотрен) вырежьте заранее, учитывая его габариты и способ монтажа – встраиваемый или накладной.
Установка и подключение датчиков веса

Для создания домашних весов подойдут тензодатчики типа HX711 в связке с усилителем сигнала. Один из самых популярных – тензорезистивный датчик веса 50 кг с четырьмя проводами: красный, черный, зеленый и белый. Их необходимо соединить мостом Уитстона для точного измерения массы.
Перед монтажом проверь плоскость установки: платформа должна быть жёсткой, без изгибов. Датчики крепятся к основанию через демпфирующие прокладки, исключающие ложные сигналы от вибраций. Установи по одному датчику на каждый угол платформы, обеспечив равномерное распределение нагрузки.
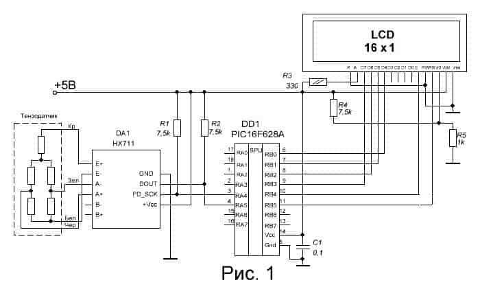
Провода подключаются к модулю HX711 следующим образом: красный – E+, чёрный – E-, белый – A-, зелёный – A+. Модуль соединяется с микроконтроллером (например, Arduino): DT – на цифровой пин D3, SCK – на D2. Питание модуля – 5V и GND.
После подключения требуется калибровка. На весовую платформу помещается известный груз, и значения с датчика сравниваются с эталонными. Калибровочный коэффициент подбирается программно до достижения точности менее 1%.
Важно: избегай механических перегрузок датчиков. Допустимая нагрузка не должна превышаться, иначе измерения будут искажены или датчик выйдет из строя.
Сборка схемы и настройка контроллера

Для управления весами используется микроконтроллер, например Arduino Uno. К нему подключается тензодатчик через модуль усилителя HX711. Красный провод тензодатчика соединяется с E+, черный – с E−, белый – с A−, зеленый – с A+ модуля HX711.
Питание модуля HX711 (VCC и GND) подключается к соответствующим пинам Arduino. Пин DT модуля соединяется с цифровым пином D3 контроллера, а SCK – с D2. Все соединения выполняются через качественные разъемы или пайку. Перед включением питания необходимо проверить отсутствие коротких замыканий мультиметром.
После физической сборки загружается скетч с библиотекой HX711. В коде указываются пины подключения, инициализируется модуль, производится считывание “нулевого” значения. Контроллер должен быть установлен на твердой поверхности, исключающей вибрации.
Проверка точности и калибровка весов

Для проверки точности домашних весов подготовьте эталонные гири с известной массой, например 100 г, 500 г и 1 кг. Убедитесь, что поверхность весов ровная и стабильная. Поставьте гирю на центр платформы и зафиксируйте показания. Отклонение более чем на 1% от номинальной массы требует корректировки.
Калибровка начинается с обнуления весов без нагрузки. Если весы имеют механический регулятор, используйте винт или рычаг для точной подстройки. В цифровых моделях выполните сброс и последовательно взвесьте стандартные гири, корректируя программное значение в настройках.
После каждого изменения повторно проверяйте вес эталонных гирь. При многократных взвешиваниях отклонения не должны превышать ±0,5% от реальной массы. Для повышения стабильности учитывайте температуру и влажность помещения, так как они влияют на чувствительность датчиков.
Регулярно проверяйте весы, особенно при изменении условий эксплуатации или после длительного хранения. При отсутствии эталонных гирь используйте наборы из предметов с четко известной массой, например, монеты, но учитывайте их возможные производственные погрешности.
Вопрос-ответ:
Какие материалы понадобятся для самостоятельной сборки весов дома?
Для сборки простых механических весов потребуются металлическая или деревянная основа, пружина с известной жесткостью, платформа для размещения предмета, а также крепежные элементы. Для электронных весов понадобятся датчик нагрузки (тензорезистор или аналог), микроконтроллер, дисплей, провода и блок питания. Также полезно иметь инструменты для сборки и паяльник.
Как определить точность весов, сделанных своими руками?
Точность зависит от используемых компонентов и калибровки. Для проверки можно использовать стандартные гири с известной массой. Измерив их на собранных весах, нужно сравнить результаты и, при необходимости, подстроить датчик или откалибровать систему через программное обеспечение, если весы электронные. Чем качественнее датчик и тщательнее калибровка, тем точнее будут показания.
Насколько сложно сделать электронные весы без специальных знаний?
Создание электронных весов требует базовых знаний в электронике и программировании, так как нужно правильно подключить датчик нагрузки и настроить микроконтроллер для обработки сигналов. Если есть опыт работы с Arduino или похожими платами, задача становится проще. Для новичков доступны подробные инструкции и готовые модули, которые значительно упрощают процесс.
Можно ли использовать весы, собранные дома, для взвешивания продуктов в быту?
Да, самодельные весы вполне подходят для бытовых нужд, если они правильно собраны и откалиброваны. Обычно точности таких моделей хватает для измерения массы продуктов с погрешностью в несколько граммов. Главное — регулярно проверять и перенастраивать весы, чтобы избежать ошибок при взвешивании.
Какие основные этапы сборки механических весов своими руками?
Процесс включает подготовку платформы для предмета, установку пружины с известной характеристикой упругости, монтаж стрелочного или цифрового индикатора, а также настройку конструкции для плавного и точного срабатывания. Важный шаг — проверка отклика пружины на нагрузку и обеспечение стабильности конструкции, чтобы избежать колебаний и ошибок при измерении.
