
Трёхфазное подключение необходимо в частных домах, где суммарная мощность электроприборов превышает 15 кВт. Это особенно актуально для объектов с электрокотлами, мощными насосами, сварочным оборудованием и электроплитами. Для получения доступа к трёхфазной сети необходимо не только техническое обоснование, но и соблюдение официальной процедуры подключения.
Первым шагом является обращение в сетевую организацию, обслуживающую ваш населённый пункт. Найти её можно через реестр субъектов электроэнергетики на сайте Россетей или через местную управляющую компанию. Заявка подаётся в письменной форме или через портал «Госуслуги». К заявлению необходимо приложить план участка, правоустанавливающие документы и расчёт требуемой мощности.
После подачи заявки организация проводит техусловия и расчёт стоимости работ. Срок выдачи технических условий не должен превышать 20 рабочих дней. При этом, если расстояние до точки подключения менее 300 метров и мощность не превышает 15 кВт, подключение будет считаться льготным. В иных случаях потребуется заключение индивидуального договора с расчётом по смете.
Далее следует этап проектирования, согласования, проведения монтажных работ и приёмки. Для соблюдения сроков важно заранее выбрать аккредитованную проектную организацию и электролабораторию. Подключение проводится только после заключения договора энергоснабжения и установки счётчика, соответствующего классу точности 1.0 или выше.
Подключение трёх фаз в частном доме: куда обращаться

Первоначально необходимо определить, находится ли ваш участок в зоне обслуживания конкретной сетевой организации. Это можно сделать через официальный сайт Россетей (https://портал-тп.рф), где по кадастровому номеру определяется зона ответственности оператора электросетей.
Далее следует подать заявку на технологическое присоединение. Это делается через портал госуслуг или напрямую через сайт региональной электросетевой компании. В заявке указываются: тип подключения (трёхфазное), максимальная мощность, точное местоположение объекта, схема участка и документы, подтверждающие право собственности.
После регистрации заявки вы получите договор на подключение с техническими условиями. Эти условия включают требования к счётчику (обычно – многотарифный, с поддержкой АСКУЭ), марке кабеля, расположению вводного щита и типу автоматики. Нарушение технических требований приводит к отказу в подключении.
Подключение осуществляет сама сетевая организация или аккредитованная подрядная организация, указанная в договоре. Проверка и запуск линии выполняются только после завершения всех монтажных работ и актирования.
При возникновении вопросов или задержек обращайтесь в региональное управление Росэнергонадзора или направляйте жалобу через сайт прокуратуры по месту жительства.
Когда и зачем требуется подключение трёхфазного электричества
Если планируется использование сварочного аппарата, мощных насосов или станков, однофазная сеть может не выдержать пусковые токи. Трёхфазное питание обеспечивает равномерную нагрузку на сеть, снижает риск просадок напряжения и повышает надёжность работы техники.
Ещё один аргумент – распределение нагрузки по фазам. Это даёт возможность подключить мощные потребители к разным фазам, снижая вероятность перегрузок и отказов. Также трёхфазные счётчики обеспечивают более точный контроль за расходом электроэнергии.
Важно: при проектировании электросети в новом доме целесообразно сразу закладывать трёхфазное подключение, особенно если планируется рост энергопотребления. Получение технических условий и согласование с сетевой организацией займёт время, поэтому не стоит откладывать оформление до появления проблем с нагрузкой.
Проверка технической возможности подключения по адресу

Для запроса потребуется точный адрес объекта, кадастровый номер участка и, при наличии, копия правоустанавливающих документов. Также желательно подготовить схему расположения участка относительно ближайших опор ЛЭП. Запрос можно подать через личный кабинет на портале Россети (https://портал-тп.рф) или напрямую в местное отделение сетевой компании.
После регистрации обращения инженер выезжает на место и проверяет: наличие свободной мощности в трансформаторной подстанции, расстояние до ближайшей точки подключения, техническое состояние ЛЭП. Если расстояние до возможной точки подключения превышает норматив (обычно 300 метров для СНТ и 500 метров для ИЖС), может потребоваться строительство новой линии, что повлечёт дополнительные расходы и согласования.
В случае отсутствия технической возможности подключения в текущем виде, вы получите официальный отказ с обоснованием. При наличии возможности – сетевой организацией будет подготовлен технический отчёт, который послужит основанием для дальнейшего оформления техусловий на подключение.
Куда подавать заявление на подключение трёх фаз

Заявление на подключение трёхфазного электроснабжения в частном доме подаётся в сетевую организацию, на балансе которой находится линия электропередачи, проходящая рядом с участком. Узнать её можно через портал «Светлая страна» (svetlayastrana.ru) или на сайте Россетей, указав адрес объекта.
Подача заявления возможна через портал «Госуслуги», Личный кабинет на сайте сетевой организации или в региональный Центр обслуживания потребителей. При подаче потребуется предоставить копию документа, подтверждающего право собственности на участок, ситуационный план, схему расположения энергопринимающих устройств и технические характеристики планируемой нагрузки.
После регистрации заявки вы получите проект договора технологического присоединения и технические условия. Важно проверить, что указана максимальная мощность, соответствующая трёхфазному подключению – обычно от 15 кВт и выше. Срок исполнения договора варьируется, но не должен превышать 90 дней для стандартного подключения.
Перечень документов для подачи заявки на подключение
1. Заявление на технологическое присоединение. Содержит информацию о заявителе, типе подключения (трёхфазное), максимальной мощности и предполагаемом сроке ввода в эксплуатацию.
2. Документ, подтверждающий право собственности или иное законное основание на объект. Это может быть свидетельство о регистрации права, выписка из ЕГРН или договор аренды с правом проведения электромонтажных работ.
3. Ситуационный план участка. С указанием местоположения объекта, границ земельного участка и ориентировочной точки подключения. План должен быть актуальным и соответствовать кадастровым данным.
4. Копия паспорта заявителя (для физических лиц) или копии учредительных документов и доверенности на представителя (для юридических лиц).
5. Согласие на обработку персональных данных. Обязательное приложение к заявке, если подаётся физическим лицом.
6. Расчёт максимальной потребляемой мощности. Требуется при подключении к существующим сетям, если предполагаемая нагрузка превышает 15 кВт.
7. Проект электроснабжения. Предоставляется при нестандартных условиях подключения или если это предусмотрено региональными нормативами.
Рекомендуется уточнить перечень и формат документов на сайте вашей сетевой организации или через личный кабинет на портале «Россети». Неверно оформленные или неполные заявки не рассматриваются.
Сроки рассмотрения заявки и этапы согласования
После подачи заявления на подключение трёхфазного электричества в частный дом, энергокомпания обязана рассмотреть заявку в течение 10 рабочих дней. В этот срок входит проверка технической возможности подключения и сбор необходимых документов.
Этапы согласования включают:
1. Приём и регистрация заявки с приложением технического задания и паспорта электросчётчика.
2. Проведение технического обследования участка для определения параметров подключения, обычно занимает до 5 рабочих дней.
3. Формирование технических условий (ТУ), которые выдаются в срок не более 7 рабочих дней после обследования.
4. Подписание договора энергоснабжения и согласование сметы затрат на подключение, что занимает до 10 дней, если обе стороны предоставили все необходимые документы без задержек.
Общая продолжительность согласования варьируется от 20 до 30 календарных дней при отсутствии дополнительных требований и корректировок.
Для ускорения процесса рекомендуется заранее подготовить полный пакет документов и чётко согласовать дату обследования с энергетиками.
Выбор компании для монтажа и пуско-наладочных работ

При выборе подрядчика для подключения трёхфазного электроснабжения в частном доме важно ориентироваться на лицензии и допуски СРО, подтверждающие право на выполнение электромонтажных и пуско-наладочных работ. Отсутствие таких документов обычно означает нарушение законодательства и риск отказа в подключении от энергоснабжающей организации.
Рекомендуется выбирать компании с опытом минимум 3 лет и реализованными объектами аналогичной сложности. Уточните наличие отзывов от клиентов, желательно с контактами для проверки. Надежный подрядчик предоставляет подробный сметный расчёт и техническое предложение с указанием используемых материалов и оборудования.
Важно проверить наличие собственной сервисной службы для последующего обслуживания и гарантийного сопровождения. Специалисты компании должны иметь сертификаты на работы с высоковольтным оборудованием и опыт работы с нормативными документами ГОСТ, ПУЭ и Правилами технической эксплуатации.
Перед подписанием договора обратите внимание на пункт о гарантийных обязательствах и ответственность за качество, а также на сроки выполнения работ, чтобы избежать задержек в подключении. Желательно, чтобы компания имела прямые контакты с местными электросетями для ускорения согласований.
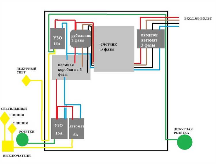
Как проверить соответствие электросчётчика и вводного автомата

Для корректной работы и безопасности электрооборудования важно, чтобы параметры электросчётчика и вводного автомата совпадали по техническим характеристикам. Проверка включает следующие этапы:
-
Определение номинального тока вводного автомата
- Указан на корпусе автомата, например, 25 А, 40 А, 63 А.
- Номинал должен соответствовать максимальной нагрузке, которую планируется подключить.
-
Проверка номинального тока электросчётчика
- Должен совпадать или превышать номинальный ток автомата, чтобы не допускать ложных срабатываний и повреждений.
- На табличке счётчика указаны значения Iном, Iмакс и Iмин.
-
Проверка типа счётчика и способа подключения
- Для трёхфазной сети должен использоваться трёхфазный счётчик с соответствующим количеством входов и выходов.
- Тип подключения (прямое, трансформаторное) должен соответствовать схеме электроснабжения дома.
-
Согласование времени срабатывания автомата и характеристик счётчика
- Автомат должен обеспечивать защиту при перегрузках и коротких замыканиях без превышения токов, которые счётчик способен обрабатывать.
- Выбор автомата с характеристикой B, C или D зависит от типа нагрузки и пусковых токов.
-
Проверка технической документации и маркировки
- Все параметры должны быть подтверждены паспортом оборудования.
- При несоответствии рекомендуется замена одного из устройств или консультация с электриком.
Подытоживая, соответствие обеспечивается при совпадении или правильном согласовании номинальных токов, типа счётчика и автомата, а также учёте способа подключения и характера нагрузки.
Что делать в случае отказа или задержки подключения

Если вы столкнулись с отказом или значительной задержкой подключения трёхфазного электроснабжения, действуйте по следующему плану:
-
Проверка статуса заявки:
- Обратитесь в местную электросетевую компанию (РЭС или филиал МЭС) для получения официальной информации о текущем статусе заявки.
- Уточните причины задержки или отказа в письменной форме – это понадобится для дальнейших действий.
-
Анализ причин отказа или задержки:
- Проверьте соответствие технической документации требованиям электросети (согласованные мощности, соблюдение норм ПУЭ и СНиП).
- Убедитесь в наличии и правильности проектной документации, договора на технологическое присоединение и оплаты всех услуг.
- Если причиной является отсутствие технической возможности, запросите письменный ответ с детализацией.
-
Подготовка и подача жалобы или обращения:
- Если причина отказа или задержки необоснованна, оформите жалобу в территориальное отделение Федеральной службы по тарифам (ФСТ), Ростехнадзор или Роспотребнадзор.
- Используйте электронные сервисы и порталы государственных услуг для подачи жалоб – это ускорит рассмотрение.
- При необходимости направьте претензию с требованием о возмещении убытков, если задержка нанесла материальный ущерб.
-
Юридическая поддержка:
- Обратитесь к профильным юристам для оценки ситуации и помощи в составлении искового заявления в суд.
- Подготовьте документы: договоры, акты, переписку с электросетевой компанией, официальные ответы и жалобы.
-
Временные меры электроснабжения:
- Рассмотрите возможность временного подключения через однофазную сеть или использование автономных источников энергии (генераторы) на период ожидания.
- Уточните у электросетевой компании условия и технические возможности временного решения.
Вопрос-ответ:
Куда обращаться для подключения трёхфазного электричества в частном доме?
Для подключения трёхфазного электричества необходимо обратиться в местную электросетевую компанию, которая обслуживает ваш район. Обычно это ресурсоснабжающая организация, ответственная за распределение электроэнергии. В заявлении нужно указать адрес объекта и технические характеристики потребления. После подачи заявки специалисты проведут осмотр и дадут рекомендации по дальнейшим действиям.
Какие документы потребуются для оформления подключения трёхфазного питания в частный дом?
Для оформления подключения обычно нужны: паспорт или иной документ, удостоверяющий личность, правоустанавливающие документы на дом и земельный участок, технический паспорт здания, а также заявление в электросетевую компанию. В некоторых случаях может понадобиться проект электроснабжения, который составляют специализированные организации. Точный перечень документов лучше уточнять у вашей местной энергоснабжающей организации.
Сколько времени занимает процесс подключения трёхфазного электричества в частном доме?
Сроки подключения зависят от множества факторов — загруженности электросетевой компании, наличия свободных мощностей, необходимости прокладки новых линий и согласования проекта. Обычно процесс занимает от нескольких недель до нескольких месяцев. На ранних этапах после подачи заявки производится техническое заключение, затем согласование и монтаж оборудования. Чтобы ускорить процедуру, рекомендуется заранее подготовить все необходимые документы и соблюдать требования электросетевой организации.
Можно ли самостоятельно провести трёхфазное подключение в частном доме или обязательно нужна помощь специалистов?
Самостоятельное подключение трёхфазного питания без согласования с электросетевой компанией запрещено. Трёхфазное подключение требует проведения сложных технических работ, соблюдения норм безопасности и обязательной проверки со стороны энергетиков. Нарушение правил может привести к штрафам и отключению электроэнергии. Поэтому все работы должны выполняться лицензированными специалистами и согласовываться с соответствующими организациями.
Какие тарифы и платежи предусмотрены при подключении трёхфазного электричества в частном доме?
Стоимость подключения зависит от региона и особенностей подключения — расстояния до линии, необходимой мощности и объёма подготовительных работ. Обычно оплачивается подача заявки, техническое заключение, разработка проекта и монтаж оборудования. Также может взиматься абонентская плата за обслуживание линии. Тарифы устанавливаются электросетевыми компаниями и регулируются государственными органами. Перед началом работ рекомендуется уточнить все расценки, чтобы избежать неожиданных затрат.
Куда обращаться для подключения трёхфазного электричества в частном доме?
Для подключения трёхфазного электричества необходимо обратиться в местную электроснабжающую организацию или районное отделение энергокомпании. Обычно процесс начинается с подачи заявки на технические условия подключения, после чего специалисты проводят осмотр участка и оценивают возможности подключения. Далее оформляется договор, и при соблюдении всех требований выполняется монтаж и подключение оборудования. Рекомендуется заранее уточнить перечень документов, которые понадобятся для оформления.
Какие документы и данные нужно подготовить для подключения трёх фаз в частном доме?
Для подключения трёхфазного питания в частном доме потребуются следующие документы: заявление на подключение, паспорт собственника или доверенного лица, правоустанавливающие документы на участок или дом, технический паспорт объекта, а также проект электроснабжения, если он необходим. Иногда требуется согласование с местными властями или пожарной инспекцией. Кроме того, для расчёта мощности нужно предоставить информацию о планируемом электропотреблении. Полный список может немного отличаться в зависимости от региона и энергокомпании.
