
На ВАЗ 2114 с 8-клапанным инжекторным двигателем правильная прокладка и подключение бронепроводов напрямую влияет на стабильность зажигания и общее поведение автомобиля при нагрузках. Неправильная коммутация может вызвать перебои в работе цилиндров, снижение мощности и увеличение расхода топлива.
Бронепровода подключаются от катушки зажигания к свечам строго в определённой последовательности: 1-3-4-2 – это порядок работы цилиндров. Нумерация начинается от шкива ГРМ: первый цилиндр – ближе к ремню, четвёртый – ближе к КПП. Каждый провод имеет строго определённую длину, что также помогает избежать ошибок при подключении.
Важно: бронепровода необходимо надёжно фиксировать в резиновых направляющих и не допускать перегибов. Контакты должны плотно садиться как на свечи, так и на катушку. Любое ослабление соединения ведёт к высоковольтному пробою и возможному повреждению электрооборудования.
Перед установкой стоит проверить сопротивление каждого провода. Допустимое значение – от 3 до 10 кОм, в зависимости от длины. Отклонения от нормы могут свидетельствовать о внутреннем повреждении изоляции или разрыве токопроводящей жилы. Такие элементы необходимо заменить до установки.
Подбор подходящих бронепроводов для инжекторного двигателя
Для инжекторного двигателя ВАЗ 2114 с 8-клапанной головкой требуется подбор бронепроводов с точным соответствием длины и типа наконечников. Длина проводов должна обеспечивать свободную укладку без перегибов и натяжения. Оптимальные значения: от 230 до 330 мм для цилиндров 1–4 соответственно.
Тип наконечников – угловые «папа» (на свечах) и прямые «мама» (на катушке), устойчивые к вибрациям и термозагрузкам. Диаметр центральной жилы – не менее 1 мм, материал – стекловолокно или кевлар с многослойной силиконовой изоляцией. Допустимое сопротивление – от 3 до 10 кОм на провод, что обеспечивает стабильный импульс без просадок напряжения.
При выборе обращать внимание на температурную устойчивость – не ниже +180°C, наличие защитных экранов от ЭМП, а также соответствие стандарту ISO 3808. Рекомендуемые производители: Tesla, Finwhale, BERU. Не подходят провода с графитовой жилой – они быстро теряют сопротивление и чувствительны к влаге.
Старение изоляции и потеря контакта проявляются в виде пропусков зажигания и нестабильной работы ЭСУД. Срок службы – до 60 тыс. км при регулярной проверке контактных групп. Установка новых бронепроводов проводится строго по порядку цилиндров: 1–3–4–2, от катушки к свечам.
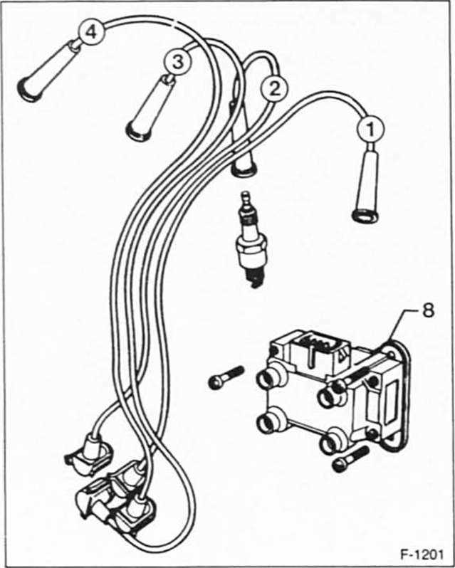
Схема подключения бронепроводов к катушке зажигания и свечам

На ВАЗ 2114 с 8-клапанным инжекторным двигателем устанавливается катушка зажигания с двумя выходами. Каждый выход обслуживает пару цилиндров, работающих по схеме 1–4 и 2–3. Это значит, что при подключении бронепроводов необходимо строго соблюдать порядок, чтобы избежать пропусков зажигания.
Цилиндры считаются от передней части двигателя к задней: 1-й – ближе к ГРМ, 4-й – ближе к КПП. Слева направо, если смотреть на двигатель со стороны радиатора: 1, 2, 3, 4.
Длина бронепроводов различается: самый короткий – на 2-й цилиндр, затем 3-й, 4-й и самый длинный – на 1-й. При замене важно соблюдать длину и расположение проводов, избегая натяжения и пересечений, чтобы минимизировать наводки и потери тока.
Категорически запрещается менять местами провода, даже если двигатель запускается – это приводит к детонации и перегреву. При установке каждый провод должен фиксироваться в гнезде с характерным щелчком. Контакт должен быть плотным, люфты недопустимы.
Как определить порядок работы цилиндров для правильного подключения

- Цилиндры считаются от ГРМ к коробке передач: 1-й – со стороны ремня, 4-й – со стороны КПП.
Подключение выполняется следующим образом:
- Определи, где первый цилиндр – он ближе всего к шкиву ГРМ.
- На катушке:
- Правый ближний – 4-й,
- Левый дальний – 2-й,
- Правый дальний – 3-й.
- Соедини бронепровода согласно порядку 1-3-4-2:
- 3-й – к правому дальнему,
- 4-й – к правому ближнему,
- 2-й – к левому дальнему.
Перед подключением визуально проверь длину каждого провода – они имеют разную длину и ориентированы на конкретный цилиндр. Ошибка в подключении приведёт к пропускам зажигания и нестабильной работе двигателя.
Очистка и подготовка контактных площадок перед установкой
Сначала отключите аккумулятор. Используйте мелкозернистую наждачную бумагу (не грубее Р600) или абразивный ластик для аккуратного удаления налёта с металлических участков. Не допускайте чрезмерного усилия – медные и латунные элементы легко повредить. При наличии следов коррозии обработайте их щёткой из нержавеющей стали, двигаясь в одном направлении, чтобы не оставлять металлической стружки.
После механической очистки обработайте площадки спиртосодержащим очистителем (например, изопропанолом) для удаления остатков масла и пыли. Не используйте универсальные обезжириватели на основе силикона – они оставляют плёнку, ухудшающую проводимость. Перед подключением дайте контактам полностью высохнуть, не допускайте попадания влаги внутрь наконечников проводов.
Проверьте плотность посадки наконечников бронепроводов: люфт недопустим. При необходимости подогните внутренние лепестки или замените наконечник. Только чистые, плотно прилегающие контакты обеспечивают стабильную искру и надёжную работу системы зажигания.
Укладка бронепроводов с учётом штатных креплений и направляющих

На ВАЗ 2114 с инжекторным 8-клапанным двигателем бронепровода укладываются строго по штатной схеме, чтобы исключить паразитные наводки и повреждения изоляции. Основной маршрут прокладки – от катушки зажигания к свечам – проходит через пластиковые направляющие, закреплённые на клапанной крышке и корпусе ГБЦ.
Порядок укладки: сначала устанавливаются провода на свечи, затем – на катушку. Это позволяет избежать перекручивания и перегибов. Каждый провод должен идти по индивидуальной траектории, не касаясь выпускного коллектора и движущихся элементов.
Штатные пластиковые держатели расположены: один – на верхней части клапанной крышки (ближе к ГРМ), второй – по центру крышки. В них защёлкиваются провода с усилием, но без деформации оплётки. Недопустимо использование самодельных стяжек – они приводят к микроповреждениям экранирующего слоя.
Важно соблюдать порядок цилиндров: провода не должны пересекаться. Первый цилиндр – ближайший к ремню ГРМ. Нумерация на катушке может отличаться, ориентироваться следует по маркировке на корпусе или схеме подключения.
Если использованы бронепровода нестандартной длины, необходимо убедиться, что запас не образует петель и не создает натяжения. Избыточную длину укладывают в мягкую дугу, фиксируя только в штатных точках.
Контроль после установки: при заведённом двигателе проверить отсутствие биений, шумов и вибраций. Осмотр через 10–15 минут прогрева выявит, не касаются ли провода горячих поверхностей. Любой контакт – повод изменить маршрут укладки.
Проверка сопротивления бронепроводов мультиметром

Для точной диагностики бронепроводов ВАЗ 2114 с инжекторным двигателем необходим измеритель сопротивления мультиметр с функцией омметра.
- Отключите провода от свечей зажигания и катушки.
- Установите мультиметр в режим измерения сопротивления (Ом).
- Измерьте сопротивление каждого бронепровода между его контактами.
- Нормальное сопротивление для бронепровода на ВАЗ 2114 составляет от 3 кОм до 15 кОм в зависимости от длины провода.
- Если сопротивление меньше 3 кОм – провод коротит, что ведёт к пропускам зажигания.
- Если сопротивление выше 15 кОм или бесконечность – провод обрывной и требует замены.
- Проводите замеры при выключенном зажигании и холодном двигателе для точности.
Особое внимание уделите внешнему состоянию бронепроводов: наличие трещин и обрывов изоляции может влиять на показатели сопротивления.
При выявлении неисправного провода замените его на оригинальный или сертифицированный аналог с аналогичными параметрами сопротивления.
Признаки неправильного подключения и способы их устранения
Проблемы с запуском двигателя – частый симптом, если бронепровода перепутаны. Например, ошибка при подключении цилиндров приводит к отсутствию искры в нужный момент. Для проверки используйте тестер или индикатор искры поочередно на каждом проводе.
Неустойчивая работа двигателя на холостом ходу возникает из-за пропусков зажигания. Причина – неправильный порядок подключения бронепроводов. Перепроверьте расположение проводов согласно заводской схеме ВАЗ 2114 инжектор 8, чтобы искра попадала на соответствующий цилиндр.
Повышенный расход топлива и снижение мощности связаны с неправильной синхронизацией искрообразования. Если после замены или переноса бронепроводов возникли такие симптомы, нужно точно сверить порядок подключения и целостность проводов, особенно проверить сопротивление каждого бронепровода (норма – 5-15 кОм).
Появление пропусков зажигания при нагрузке может свидетельствовать о плохом контакте на клеммах или повреждении изоляции бронепроводов. Для устранения очистите клеммы, замените поврежденные провода и обеспечьте плотное соединение с катушкой и свечами.
Индикатор «Check Engine» с ошибками по системе зажигания требует сканирования на ошибки, например, P030x (пропуски зажигания по цилиндрам). После диагностики перепроверьте правильность подключения проводов по цилиндрам и их состояние.
Основное правило устранения проблем – строгое соответствие порядку подключения и контроль технического состояния бронепроводов. Регулярно проверяйте целостность изоляции, сопротивление проводов и качество контактов, особенно после технического обслуживания.
Тестирование зажигания после установки бронепроводов

После замены бронепроводов на ВАЗ 2114 с инжекторным двигателем 8 клапанов необходимо проверить качество подключения и работу системы зажигания. Первым шагом измерьте сопротивление каждого провода с помощью омметра – допустимые значения находятся в диапазоне от 3 до 12 кОм, в зависимости от длины и марки провода.
Подключите диагностический сканер к ЭБУ и выполните считывание кодов ошибок, связанных с системой зажигания (обычно P0300–P0312). Отсутствие ошибок подтверждает корректное функционирование цепи.
Запустите двигатель и обратите внимание на устойчивость холостого хода – нестабильность или провалы могут указывать на неправильное подключение бронепроводов или повреждения изоляции.
Для проверки искры снимите наконечник бронепровода с одной из свечей зажигания, установите свечу на массу и прокрутите стартер. Искра должна быть яркой, голубого цвета, без прерывистости. Желтый или слабый огонь указывает на неисправность провода или катушки зажигания.
Рекомендуется выполнить тест-драйв с подключенным сканером, контролируя параметры пропусков зажигания и работу датчика положения коленвала. Отсутствие сбоев подтверждает правильность установки бронепроводов и их соответствие техническим требованиям.
Вопрос-ответ:
Как правильно подключить бронепровода на ВАЗ 2114 с инжекторным двигателем 8 клапанов?
Подключение бронепроводов требует аккуратности и точности. Для начала следует снять старые провода, запомнив или отметив их расположение. На ВАЗ 2114 инжектор с 8 клапанами провода идут от катушки зажигания к свечам. Каждый провод имеет разъемы, которые должны надежно сидеть на катушке и на свечах. Важно не перепутать порядок подключения, иначе двигатель будет работать с перебоями. Обычно на катушке и проводах есть метки или номера, указывающие, к какой свече подключать провод. При замене проводов лучше использовать комплект, предназначенный именно для вашей модели двигателя, так как длина и качество изоляции имеют значение для стабильной работы.
Можно ли самостоятельно заменить бронепровода на ВАЗ 2114 8 клапанов и какие инструменты для этого нужны?
Да, замену бронепроводов можно выполнить своими руками без специализированного оборудования. Вам понадобятся: набор ключей (обычно 10 мм для снятия катушки, если требуется), пассатижи или специальные съемники для снятия проводов с катушки и свечей, а также чистая тряпка для очистки контактов. Важно перед началом работы отключить аккумулятор, чтобы избежать случайного короткого замыкания. Далее аккуратно снимите провода, запоминая порядок их подключения, и установите новые. В процессе не стоит сильно тянуть или крутить провода, чтобы не повредить разъемы. После замены следует проверить работу двигателя, он должен запускаться без затруднений и работать ровно.
Как определить неисправность бронепроводов на ВАЗ 2114 8 клапанов?
Признаки износа или повреждения бронепроводов могут проявляться в виде пропусков зажигания, неровной работы двигателя, увеличенного расхода топлива и снижения мощности. Визуально провода могут иметь трещины, потертости или обгоревшие участки. Иногда слышны щелчки искры или заметны искры вокруг проводов при работе двигателя. Для точной диагностики стоит проверить сопротивление каждого провода с помощью омметра — у исправного провода сопротивление должно соответствовать техническим параметрам, указанным в инструкции. Если сопротивление значительно выше нормы или провод поврежден визуально, его нужно заменить.
Влияет ли длина бронепроводов на работу двигателя ВАЗ 2114 8 клапанов?
Да, длина бронепроводов имеет значение для правильной работы системы зажигания. Провода должны быть подобраны так, чтобы свободно дотягиваться от катушки до свечей, не создавая лишних натяжений и не свисая слишком сильно. Слишком короткие провода могут вызвать плохой контакт и повреждение разъемов, а слишком длинные — увеличить сопротивление и создать помехи в работе зажигания. Оптимальная длина позволяет обеспечить надежное соединение и минимальные потери сигнала искры. Поэтому рекомендуется использовать оригинальные или специально предназначенные комплекты проводов для данной модели автомобиля.
Как правильно обслуживать и продлить срок службы бронепроводов на ВАЗ 2114 инжектор 8 клапанов?
Для продления срока службы бронепроводов следует регулярно проверять их состояние — обращать внимание на целостность изоляции и надежность соединений. При загрязнении проводов или контактов нужно аккуратно очистить их мягкой щеткой или специальным средством для электрических контактов. Следует избегать попадания влаги и масла на провода, так как это способствует их разрушению. Также важно не перегибать и не перекручивать провода при ремонтах и замене других компонентов. При первых признаках износа или повреждения лучше заменить провод сразу, чтобы избежать проблем с двигателем и системой зажигания.
Как правильно подключить бронепровода на ВАЗ 2114 с инжекторным двигателем 8 клапанов?
Для подключения бронепроводов на ВАЗ 2114 с 8-клапанным инжекторным двигателем необходимо тщательно соблюдать порядок проводов, чтобы обеспечить корректную работу зажигания. Сначала следует определить номер цилиндра и соответствующий ему провод на трамблёре (распределителе зажигания). Обычно цилиндры нумеруются слева направо, начиная с двигателя. Далее подключите провода в соответствии с порядком работы двигателя 1-3-4-2. При этом важно проверить целостность проводов и отсутствие повреждений. После подключения стоит проверить качество контактов, чтобы избежать пропусков искры и сбоев в работе мотора.
