
В условиях отсутствия стационарной проводки для потолочного освещения часто возникает необходимость подключения светильника непосредственно от розетки. Это решение удобно для временного освещения или при ограниченном доступе к электрическим точкам. Однако прямое включение в розетку затрудняет управление светом, особенно если требуется включение и выключение из одного места. Установка промежуточного выключателя решает эту задачу.
Для реализации схемы потребуется кабель сечением не менее 0,75 мм², рассчитанный на ток до 6 А, штепсельная вилка, выключатель с однополюсным размыканием и патрон под нужный тип лампы. Выключатель включается в разрыв фазного провода, подключённого к светильнику. Нельзя разрывать нулевой провод – это нарушает требования ПУЭ и создает опасность поражения током при замене лампы.
Важно учитывать полярность подключения: фазу от розетки необходимо определить с помощью индикаторной отвертки. После этого фазный провод подводится к выключателю, а от него – к контакту патрона светильника. Нулевой провод подключается напрямую от вилки к второму контакту патрона. Использование клеммников типа WAGO или пайки с термоусадкой обеспечит надежный контакт и исключит риск короткого замыкания.
Подключение через розетку допускается только при соблюдении всех правил электробезопасности и при условии, что общая нагрузка не превышает допустимый ток вилки и проводки. Для светильников мощностью до 100 Вт подобное решение считается допустимым, особенно в бытовых условиях, где необходима быстрая и простая установка без штробления стен и прокладки новой линии.
Выбор подходящего типа выключателя для подключения через розетку

Для организации подключения светильника от розетки критично правильно выбрать тип выключателя, учитывая нагрузку, способ монтажа и условия эксплуатации. Подключение через розетку предполагает использование устройств, рассчитанных на номинальный ток не менее 10 А, чтобы избежать перегрева контактов.
Механический клавишный выключатель – оптимальный выбор при стационарной установке. Он прост в подключении, совместим с большинством стандартных распаек и способен переключать фазу, что обеспечивает безопасность при обслуживании светильника. При использовании важно подводить фазный провод к выключателю, а не ноль.
Проводной выключатель с вилкой – актуален для временных решений. Монтируется непосредственно на шнур питания и не требует вмешательства в стационарную электропроводку. Подходит для подключаемых через розетку настольных или напольных светильников. При выборе обращайте внимание на сечение провода – не менее 0,75 мм² при нагрузке до 1 кВт.
Радиоуправляемый модуль – решение для скрытого монтажа. Устанавливается в корпусе розетки или рядом с ней. Управляется пультом или смартфоном. Выбирайте модели с номинальной мощностью не ниже предполагаемой нагрузки, например, 1000 Вт для светодиодных лент или прожекторов.
Выключатель с датчиком движения пригоден в случае автоматизации, особенно в подсобных помещениях. Он должен поддерживать работу от стандартной розеточной сети 220 В и иметь регулируемую чувствительность. Проверьте наличие возможности ручного отключения – это критично при нестабильной работе датчика.
Избегайте использования диммеров без указания на совместимость с конкретным типом ламп. Неправильный выбор приведёт к мерцанию или выходу из строя светильника.
Схема подключения: как организовать цепь между розеткой, выключателем и светильником
Для подключения светильника от розетки через выключатель требуется чёткое соблюдение порядка соединения элементов в цепи. Ниже представлен пошаговый алгоритм организации подключения с учётом электробезопасности и функциональности.
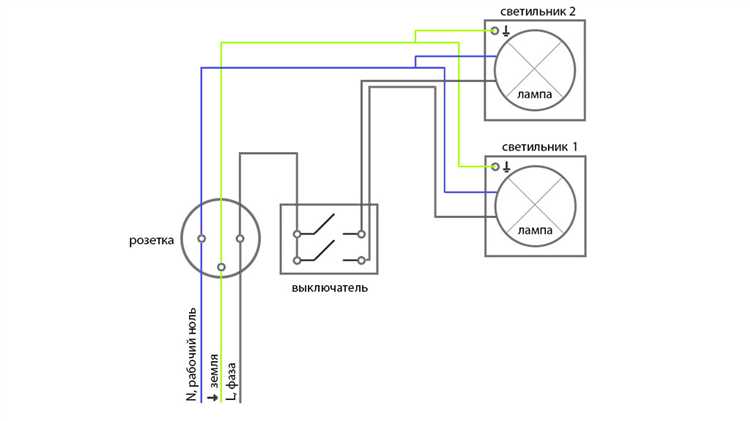
- От розетки отводится фазный и нулевой провод. Фазу необходимо определить индикаторной отвёрткой.
- Фазный провод от розетки подключается ко входному контакту выключателя. Используйте одноклавишный выключатель для управления одним светильником.
- От выходного контакта выключателя прокладывается провод к фазному входу светильника.
- Нулевой провод от розетки соединяется напрямую с нулевым входом светильника без прохождения через выключатель.
- Заземляющий провод (если имеется) подключается от розетки к корпусу светильника по прямой линии.
Особенности монтажа:
- Применяйте трёхжильный кабель (фаза, ноль, земля) с сечением не менее 1,5 мм², соответствующий нагрузке светильника.
- Все соединения выполняйте в распределительной коробке или в углублённых подрозетниках с клеммными зажимами.
- Фазу на выключатель подавайте обязательно, ноль не должен прерываться.
- Провода маркируйте и проверяйте тестером перед окончательной сборкой.
- Используйте автоматический выключатель в щитке, рассчитанный на ток 10 А для световой линии.
После сборки проверьте правильность подключения и работоспособность цепи: при включении выключателя светильник должен загораться, при выключении – полностью обесточиваться.
Необходимые материалы и инструменты для монтажа
Провод ВВГнг 3×1.5 мм² – для соединения розетки, выключателя и светильника. При длине трассы более 10 метров желательно использовать сечение 2.5 мм².
Выключатель одноклавишный – предпочтительно встраиваемый, с номинальным током не ниже 10 А. При необходимости можно установить двухклавишный для управления несколькими зонами освещения.
Розетка с заземляющим контактом – только с клеммами винтового типа, особенно если в помещении предусмотрено подключение мощных потребителей.
Светильник с допустимым напряжением 220 В – оптимально использовать модели с возможностью крепления на стену или потолок, подходящие под условия помещения (влагозащита, мощность).
Подрозетники и монтажные коробки – пластиковые, диаметром 68 мм, с возможностью фиксации в бетон или гипсокартон. Для распределительных соединений понадобится одна или две коробки с крышкой.
Клеммники WAGO или аналогичные – только оригинальные, рассчитанные на соответствующее сечение проводов, обеспечивающие надежный контакт без пайки.
Дрель с коронкой по бетону или дереву – для установки подрозетников. Диаметр коронки должен соответствовать типу коробок (обычно 68–70 мм).
Стриппер или бокорезы – для снятия изоляции без повреждения жил. Желательно использовать инструмент с возможностью регулировки под диаметр провода.
Отвертка-индикатор и мультиметр – для проверки наличия напряжения, целостности цепи и правильности подключения.
Изоляционная лента ПВХ и термоусадочные трубки – для дополнительной защиты оголённых участков, особенно в распределительных коробках.
Крепеж: саморезы, дюбели, скобы – подбираются по материалу стен и типу прокладки кабеля. Для гипсокартона применяются дюбели «бабочка», для бетона – пластиковые дюбели и саморезы 5×40 мм.
Как правильно разобрать розетку для подключения провода к светильнику
Перед началом работ отключите питание на соответствующем автомате. Используйте индикаторную отвертку, чтобы убедиться в отсутствии напряжения на розетке.
Открутите декоративную рамку розетки, аккуратно поддев её плоской отверткой или монтажным ножом. Снимите лицевую панель, избегая повреждений крепежных элементов.
Осмотрите внутреннюю часть: открутите крепёжные винты, удерживающие корпус розетки в подрозетнике. Выньте механизм розетки с проводами, не натягивая их.
Идентифицируйте провода: фаза (обычно коричневый или красный), ноль (синий) и заземление (зелёно-жёлтый). Для подключения к светильнику оставьте доступ к фазному и нулевому проводам.
Отсоедините провода, ослабив винтовые зажимы. При необходимости зачистите концы проводов на 8-10 мм, чтобы обеспечить надёжный контакт при подключении светильника.
При прокладке нового провода используйте клеммники или винтовые зажимы, совместимые с сечением проводов, избегайте скруток. Проверяйте плотность крепления, чтобы исключить нагрев и искрение.
Соберите розетку в обратном порядке, убедившись, что провода не пережаты и не касаются металлических частей корпуса. Включите питание и проверьте работоспособность светильника через выключатель.
Прокладка кабеля от розетки до выключателя и светильника: особенности и ограничения

Для подключения светильника через выключатель от розетки применяют медный кабель с сечением жил не менее 1,5 мм² для освещения. Прокладку необходимо выполнять в соответствии с ПУЭ, учитывая тип помещения и условия эксплуатации.
Кабель прокладывают в защитных трубах или гофротрубах, особенно если он проходит по стенам с возможным механическим воздействием. В местах с повышенной влажностью требуется использование кабеля с двойной изоляцией или бронированного исполнения.
Запрещается прокладывать кабель напрямую в бетон или кладку без защитных элементов. Максимальная длина линии от розетки до выключателя и светильника не должна превышать 10–15 метров, чтобы избежать падения напряжения и снижения надежности контактов.
Для обеспечения правильного управления освещением линия должна содержать отдельный провод фазы, подключаемый к выключателю, а от выключателя – к светильнику. Нейтральный провод следует тянуть напрямую от розетки к светильнику, минуя выключатель.
Запрещено использовать розеточный кабель для питания освещения без установки отдельного выключателя и соответствующего разделения фазных проводников. В местах соединений необходимо использовать специальные клеммники или кросс-модули с плотным контактом.
При прокладке учитывайте минимальные расстояния от электропроводки до водопроводных и газовых труб – не менее 50 мм. Для наружных монтажей кабель следует защищать от ультрафиолета и температурных перепадов, используя специализированные материалы и каналы.
Подключение проводов в клеммных колодках: что важно учесть

Правильное подключение проводов в клеммных колодках напрямую влияет на безопасность и стабильность работы светильника. При подключении от розетки через выключатель следует учитывать следующие ключевые моменты:
- Чистота контактов. Перед установкой провода необходимо очистить жилы от изоляции на длину, соответствующую глубине клеммы (обычно 8–10 мм). Жила должна быть ровной, без повреждений и окисления.
- Калибр провода. Сечение жил должно соответствовать допустимой нагрузке и клеммной колодке. Использование тонких жил в крупных клеммах или наоборот ухудшает контакт и может привести к перегреву.
- Жесткие и гибкие жилы. Для гибких проводов рекомендуется использовать наконечники (гильзы). Это исключит расплющивание и улучшит фиксацию в клемме.
- Фиксация провода. Провод должен быть надежно зажат в клемме без люфта. Слишком сильное затягивание винта может повредить жилу, слишком слабое – ослабить контакт.
- Порядок подключения. Обычно фаза подключается через выключатель, нейтраль напрямую к светильнику. В клеммных колодках важно соблюдать соответствие маркировке и цветовой кодировке проводов.
- Изоляция возле клеммы. Изоляция не должна заходить внутрь клеммы, чтобы избежать короткого замыкания. При подключении нельзя оставлять оголённые жилы вне клеммы.
- Проверка после подключения. После фиксации проводов необходимо проверить надежность контактов: легкое расшатывание провода не допускается.
- Использование подходящих клемм. Для подключения светильника предпочтительны винтовые или пружинные клеммники с заявленным диапазоном сечений, устойчивые к вибрациям и коррозии.
Соблюдение этих требований снижает риск перегрева и коротких замыканий, обеспечивает долговечность соединения и надежную работу светильника при управлении через выключатель.
Проверка работы схемы и устранение возможных ошибок

При неправильной работе светильника первым шагом является проверка правильности подключения фазного и нулевого проводов. Фаза должна проходить через выключатель, ноль – напрямую к светильнику. Ошибка в подключении фазного и нулевого проводов приведет к постоянному свечению или полному отсутствию света.
Если светильник не загорается, проверьте исправность выключателя с помощью омметра: при включенном положении сопротивление должно быть близко к нулю, при выключенном – бесконечным. Переключатель с механическими повреждениями необходимо заменить.
Отсутствие свечения может быть связано с перегоревшей лампой или неисправным патроном. Перед заменой проверьте целостность лампы и надежность контактов в патроне, удалите окисления, если они есть.
При мерцании света или нестабильной работе обратите внимание на качество контактов в розетке и выключателе, а также на наличие заземления в цепи. Наличие плохого контакта увеличивает сопротивление и приводит к скачкам напряжения.
Если после проверки всех узлов схема не работает, проверьте кабель на повреждения с помощью тестера целостности. Особенно внимательно осмотрите места прокладки кабеля и соединения с клеммами.
Правила безопасности при работе с электропроводкой в домашних условиях

Перед началом любых работ обязательно отключите электричество в распределительном щите, используя автоматический выключатель или выкрутив предохранитель. Проверяйте отсутствие напряжения с помощью тестера или индикаторной отвертки.
Используйте инструменты с изолированными ручками и работайте в резиновых перчатках, чтобы минимизировать риск поражения током. Никогда не касайтесь оголённых проводов без предварительной проверки отсутствия напряжения.
Запрещается проводить монтаж или ремонт электропроводки в сырых помещениях без дополнительной защиты, а также при наличии видимых повреждений на изоляции проводов. Поврежденные кабели заменяйте полностью.
При подключении светильника через выключатель соблюдайте последовательность подключения: фаза должна идти на вход выключателя, а нагрузка – на выход. Нейтральный провод подводится напрямую к светильнику.
Для соединений используйте только специализированные клеммники или зажимы, исключая скрутки без изоляции. Все соединения должны быть плотно закреплены и надежно изолированы.
Не превышайте рекомендуемую нагрузку выключателя и светильника, учитывая мощность ламп и суммарное потребление всех подключенных устройств.
После завершения монтажа обязательно проверяйте исправность работы выключателя и отсутствие искрения при включении. При любых признаках неисправности – запах гари, нагрев, нестабильное включение – немедленно отключайте питание и устраняйте проблему.
Вопрос-ответ:
Какие материалы и инструменты нужны для подключения светильника через выключатель к розетке?
Для подключения светильника через выключатель к розетке потребуются: электрический кабель с подходящим сечением, выключатель (одинарный или двойной, в зависимости от схемы), розетка, изолента или термоусадочные трубки, отвертки, кусачки, индикатор напряжения и, при необходимости, клеммники для надежного соединения проводов.
Как правильно выбрать место для установки выключателя при подключении светильника от розетки?
Выключатель лучше всего устанавливать в удобном и доступном месте рядом с входом в комнату или рядом с местом, откуда обычно включают свет. Это позволит быстро управлять светильником, не заходя в помещение полностью. Также стоит учитывать высоту установки — обычно выключатели монтируют на уровне около 90–110 см от пола.
Какая схема подключения используется при подключении светильника к розетке через выключатель?
Чаще всего применяется простая схема с последовательным включением: фаза от розетки подается сначала на выключатель, а уже затем — на светильник. Нейтральный провод напрямую идет к светильнику. Такой способ позволяет разрывать цепь фазы, полностью отключая питание светильника через выключатель.
Можно ли использовать обычную розетку для подключения светильника через выключатель, или нужна специальная?
Обычная бытовая розетка подходит для подключения светильника через выключатель при условии правильной установки и соблюдения техники безопасности. Главное — убедиться, что розетка исправна, рассчитана на необходимую нагрузку и что провода подключены корректно. Если светильник мощный или есть особые требования, лучше проконсультироваться с электриком.
Какие меры безопасности следует соблюдать при самостоятельном подключении светильника через выключатель к розетке?
Перед началом работы необходимо отключить питание на щитке, проверить отсутствие напряжения индикатором, использовать изолированные инструменты и надежно заизолировать все соединения проводов. Не допускается выполнять подключение во влажных условиях или при повреждениях кабеля. Если есть сомнения, стоит обратиться к специалисту.
