
Подключение диодов к трансформатору – важный процесс, который необходим для преобразования переменного тока в постоянный. Диоды в этом случае играют роль выпрямителей, и их правильное подключение напрямую влияет на эффективность работы устройства. Основная задача заключается в правильной организации цепи для обеспечения надежной работы системы.
Для начала важно правильно выбрать тип диодов в зависимости от мощности трансформатора и требуемого напряжения. Использование диодов с недостаточной мощностью может привести к их перегреву и выходу из строя. Диоды должны быть рассчитаны на максимальное рабочее напряжение и ток, которые может генерировать трансформатор.
Первый шаг – это подключение диодов в схему выпрямителя. Наиболее распространенные варианты – полупериодный и полный мостовой выпрямитель. В обоих случаях необходимо правильно соблюдать полярность, так как это влияет на направление тока и стабильность работы устройства. Важно помнить, что катод диода должен быть подключен к отрицательному полюсу, а анод – к положительному.
Второй шаг – установка фильтров, которые сгладят пульсации напряжения, возникшие в процессе выпрямления. Для этого используются конденсаторы, которые помогают достичь стабильного постоянного тока. Подключать их следует как можно ближе к выходу от диодов, чтобы минимизировать потери на проводах и обеспечить качественное сглаживание.
Не забудьте о тепловом режиме диодов. При высоких нагрузках они могут сильно нагреваться, что приведет к их повреждению. Для предотвращения перегрева необходимо использовать радиаторы или другие системы охлаждения, особенно при работе с мощными трансформаторами.
Последний этап – проверка системы на отсутствие коротких замыканий и правильность работы диодов. Для этого можно использовать тестер или мультиметр, чтобы убедиться в исправности каждого компонента. Проверка напряжения на выходе поможет удостовериться, что схема подключена корректно и работает в пределах заданных параметров.
Как выбрать диоды для подключения к трансформатору
При подключении диодов к трансформатору важно учитывать несколько факторов, чтобы обеспечить правильную работу схемы и избежать повреждений. Правильный выбор диодов зависит от типа трансформатора, его мощности и требований к нагрузке. Рассмотрим ключевые моменты, которые нужно учитывать при выборе диодов.
1. Напряжение питания
Диоды должны быть способны выдерживать пиковое обратное напряжение, которое может возникнуть в схеме при переключении. Это значение часто превышает номинальное рабочее напряжение трансформатора. Выбирайте диоды с запасом по обратному напряжению не менее 20-30% от максимального напряжения трансформатора.
2. Ток диода
Номинальный ток диода должен соответствовать току, который будет протекать через нагрузку в момент работы. Этот параметр обычно зависит от мощности трансформатора. Учитывайте, что при пиковых токах через диоды их токовая нагрузка может быть значительно выше номинала, поэтому стоит выбирать диоды с небольшим запасом по току.
3. Тип диода
Для трансформаторов чаще всего используют кремниевые диоды, так как они устойчивы к высокому напряжению и имеют хорошие характеристики при высоких токах. В случае использования трансформаторов с низким напряжением и для большей эффективности можно рассмотреть диоды с улучшенными характеристиками, например, с использованием Schottky-диодов, которые имеют меньшую падение напряжения.
4. Падение напряжения
Для схем с выпрямлением важно минимизировать падение напряжения на диодах, чтобы избежать лишнего тепловыделения и потерь мощности. В большинстве случаев кремниевые диоды имеют падение напряжения в пределах 0,7 В, в то время как Schottky-диоды – около 0,3 В, что позволяет повысить эффективность системы.
5. Скорость переключения
Если трансформатор работает в высокочастотных схемах, например, в импульсных источниках питания, важно выбирать диоды с высокой скоростью переключения. Диоды с быстрым временем восстановления помогут избежать излишних потерь энергии и обеспечат более стабильную работу схемы.
6. Температурный режим
Диоды могут перегреваться при длительных высоких нагрузках. Выбирайте диоды с соответствующим температурным диапазоном, который подходит для вашего трансформатора. Убедитесь, что система охлаждения (если она есть) достаточна для предотвращения перегрева.
7. Механическая прочность
При установке диодов в схему следует учитывать их механическую устойчивость к вибрациям и нагрузкам. Это особенно важно в промышленных приложениях, где диоды подвергаются воздействию внешних факторов.
Подготовка трансформатора для установки диодов
Перед тем как подключить диоды к трансформатору, необходимо тщательно подготовить его к работе, чтобы обеспечить безопасность и стабильную работу всей схемы. Процесс подготовки включает несколько ключевых шагов, каждый из которых должен быть выполнен с максимальной точностью.
1. Оценка характеристик трансформатора
Для начала следует оценить параметры трансформатора: напряжение, ток и мощность, чтобы точно понять, какие диоды будут использоваться в схеме. Также важно учитывать тип трансформатора – если это понижающий или повышающий трансформатор, это повлияет на выбор диодов для выпрямителя.
2. Проверка состояния обмоток трансформатора
Перед подключением диодов необходимо убедиться в исправности обмоток трансформатора. Порванные или поврежденные изоляционные материалы могут привести к короткому замыканию, что сделает установку диодов небезопасной. Проверка должна включать измерение сопротивления между обмотками и заземлением, а также контроль целостности изоляции.
4. Обеспечение адекватного охлаждения
При добавлении диодов в схему важно учитывать тепловые потери. Диоды могут перегреваться в случае неправильного выбора или установки, что приведет к их выходу из строя. Обеспечьте достаточное охлаждение, особенно если трансформатор работает с высокой нагрузкой. Это можно сделать с помощью радиаторов или активных систем охлаждения.
5. Установка предохранителей и защиты от короткого замыкания
При монтаже диодов на трансформатор обязательно установите защитные элементы, такие как предохранители или автоматические выключатели. Они защитят систему от перегрузок и коротких замыканий, которые могут возникнуть из-за неправильно выбранных компонентов или неправильной установки.
6. Проверка заземления
Надежное заземление – ключевой момент при работе с трансформатором и диодами. Плохое заземление может привести к опасности поражения электрическим током и повредить как компоненты, так и систему в целом. Перед подключением диодов убедитесь, что заземление выполнено согласно техническим нормам.
Схема подключения диодов к трансформатору

Для реализации выпрямления переменного тока с помощью диодов, важно правильно подключить их к трансформатору. Схема подключения диодов зависит от типа выпрямителя и его назначения.
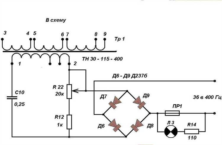
Один из наиболее распространенных методов – использование диодов в схеме мостового выпрямителя. В таком случае четыре диода подключаются к каждому из выходов трансформатора. Основные принципы подключения:
1. Первоначально подключите два выхода трансформатора (фазы) к четырем диодам, как показано на схеме. Два диода должны быть подключены анодами к положительному выходу, а катодами – к отрицательному.
2. Диоды на другой половине схемы должны быть противоположными по полярности. Т.е. один из них будет подключен анодом к положительному выходу, а катодом – к отрицательному.
3. После подключения диодов, каждый из них будет проводить ток в своем полупериоде, тем самым создавая постоянный ток на выходе схемы.
Важно обеспечить правильную полярность подключения: катод диода должен быть подключен к положительному выходу, а анод – к отрицательному. Ошибка в подключении может привести к неправильной работе устройства или повреждению элементов схемы.
Для улучшения характеристик схемы, можно использовать диоды с низким падением напряжения, чтобы минимизировать потери и повысить эффективность работы устройства.
Правильное соединение диодов с нагрузкой

При подключении диодов к нагрузке важно учитывать несколько факторов для обеспечения корректной работы и минимизации потерь. Одна из основных задач – правильно выбрать способ соединения, чтобы избежать перегрева диодов и обеспечить стабильную работу цепи.
Основные принципы правильного подключения:
- Полярность подключения. Диоды всегда подключаются с учетом их полярности. Анод должен быть подключен к положительному полюсу источника тока, катод – к отрицательному. Несоответствие полярности приведет к выходу из строя диодов или нестабильной работе схемы.
- Режим работы диодов. Важно, чтобы диоды работали в прямом (открытом) режиме. Для этого необходимо, чтобы напряжение на аноде всегда было выше, чем на катоде, на величину, превышающую пороговое напряжение диода.
- Выбор диодов по мощности. Диоды должны быть выбраны с учетом мощности нагрузки. Использование диодов с слишком низким рейтингом по току приведет к перегреву и повреждению компонентов.
- Последовательное и параллельное соединение. В зависимости от схемы подключения диодов, они могут быть соединены как последовательно, так и параллельно. При последовательном соединении важно учитывать общий ток, который должен быть одинаковым через все диоды. При параллельном соединении необходимо использовать балансировочные резисторы для равномерного распределения тока.
Особенности для различных типов нагрузок:
- Для резистивных нагрузок. Диоды подключаются прямо к нагрузке, без дополнительных элементов. В этом случае важно только правильно выбрать диоды по мощности и полярности.
- Для индуктивных нагрузок. При подключении к нагрузке с индуктивностью необходимо предусмотреть защиту от перенапряжений, возникающих при отключении тока. Это можно сделать, используя диоды в схеме свободного хода.
При подключении диодов к нагрузке обязательно учитывать рабочее напряжение и ток, чтобы избежать перегрузки и повреждения компонентов. Неправильный выбор диодов может привести к существенным потерям мощности и выходу из строя всей схемы.
Проверка работы диодов после подключения

После подключения диодов к трансформатору важно убедиться в их корректной работе. Для этого используйте мультиметр, настроив его в режим измерения напряжения постоянного тока (DC). Включите питание и проверьте выходное напряжение на каждом диоде.
При правильном подключении диоды должны пропускать ток в одном направлении. Измерьте напряжение на каждом диоде в прямом и обратном направлении. В прямом направлении напряжение должно быть близким к номинальному, а в обратном – почти нулевым (для большинства диодов). Если в обратном направлении наблюдается значительное напряжение, это может свидетельствовать о неисправности диода.
Также важно проверить, что выходное напряжение соответствует ожидаемым значениям, которые зависят от конфигурации подключённой схемы. Например, в мостовой выпрямительной схеме каждый диод должен пропускать ток в соответствующий момент времени, обеспечивая равномерную работу выпрямителя.
Если схема работает с фильтром, также необходимо убедиться, что пульсации на выходе минимальны, что подтверждает правильность работы диодов в процессе выпрямления. Для этого можно использовать осциллограф для измерения формы выходного сигнала и анализа пульсаций.
При подозрении на неисправность одного из диодов можно провести более детальную диагностику, отключив его от схемы и проверив его параметры на тестере диодов. Отсутствие проводимости в прямом направлении или наличие проводимости в обратном могут быть признаками неисправности.
Частые ошибки при подключении диодов и как их избежать

Ошибка 1: Неправильная полярность подключения диодов. Это самая распространенная ошибка, которая может привести к полному выходу из строя диодов. Диоды имеют анод и катод, и их подключение в неправильной полярности нарушает работу цепи. Чтобы избежать этой ошибки, всегда проверяйте маркировку на корпусе диода: катод обычно помечен полоской или другим визуальным индикатором. В случае сомнений, используйте мультиметр для проверки полярности перед подключением.
Ошибка 2: Превышение допустимой мощности диода. Каждый диод имеет свой предел мощности и тока, который может безопасно пропускать. Если использовать диод с недостаточной мощностью для заданного тока, он перегреется и выйдет из строя. Выбирайте диоды, которые соответствуют характеристикам нагрузки, и убедитесь, что их мощность значительно превышает максимальные параметры вашей цепи для обеспечения долговечности.
Ошибка 3: Отсутствие защиты от перегрузки. В некоторых случаях подключение диодов без использования дополнительных защитных элементов (например, резисторов или термопредохранителей) может привести к повреждениям из-за перепадов напряжения или коротких замыканий. Важно всегда предусматривать защиту цепи, особенно в мощных и высоковольтных схемах.
Ошибка 4: Использование диодов с неправильными характеристиками для выпрямления. Для правильной работы выпрямителей важно использовать диоды с соответствующими характеристиками, такими как прямое напряжение, токовая нагрузка и скорость переключения. Использование обычных кремниевых диодов в высокоскоростных схемах может привести к их неправильной работе. Для таких целей используйте быстрые диоды с низким временем восстановления.
Ошибка 5: Игнорирование охлаждения. При высоких токах диоды могут сильно нагреваться, что приводит к их повреждению или выходу из строя. Для избежания перегрева необходимо обеспечить эффективное охлаждение, например, с помощью радиаторов или установки диодов с более низким тепловым сопротивлением. Убедитесь, что диоды не перегреваются в процессе работы, иначе это сокращает их срок службы.
Ошибка 6: Необоснованный выбор типа диода. При подключении диодов важно учитывать не только их электрические характеристики, но и тип – например, диоды Шоттки, кремниевые или германиевые. Каждый тип имеет свои особенности работы, такие как падение напряжения и скорость переключения. Неправильный выбор типа диода может снизить эффективность работы схемы. Подбирайте диоды согласно требованиям конкретной задачи.
Вопрос-ответ:
Какие шаги необходимо выполнить для подключения диодов к трансформатору?
Для подключения диодов к трансформатору нужно выполнить несколько последовательных шагов. Во-первых, необходимо убедиться в правильности выбранных диодов, учитывая их параметры (например, максимальное напряжение и ток). Во-вторых, подключите диоды в нужной конфигурации (например, мостовой выпрямитель). Затем следует правильно подключить аноды и катоды диодов к выходам трансформатора, следя за полярностью. После этого важно проверить соединения и заизолировать их для безопасности. Наконец, можно подключить нагрузку и провести тестирование устройства.
Как проверить правильность подключения диодов к трансформатору?
Для проверки правильности подключения диодов можно использовать мультиметр в режиме проверки диодов. Сначала необходимо измерить напряжение на выходах трансформатора. Затем, проверяя мультиметром каждое соединение, убедитесь, что диоды пропускают ток только в одну сторону (анод к катоду). Если мультиметр показывает «непропускающий» ток в обеих направлениях, это указывает на ошибку подключения. Также стоит проверить, не перегреваются ли диоды в процессе работы, так как это может свидетельствовать о неправильном подключении или недостаточной мощности диодов.
Какие типы диодов можно использовать для подключения к трансформатору?
Для подключения к трансформатору обычно используют кремниевые диоды, так как они хорошо работают в большинстве схем. В зависимости от того, какой тип выпрямления используется (полуволновое или мостовое), можно выбирать диоды с различными характеристиками. Для мощных нагрузок часто применяются диоды с более высоким током и напряжением, например, диоды Schottky, которые имеют низкое напряжение на прямом включении, что помогает снизить потери энергии. Также можно использовать диоды с высоким пределом обратного напряжения, если трансформатор вырабатывает высокое напряжение.
Какие ошибки можно совершить при подключении диодов к трансформатору?
Одной из самых распространенных ошибок является неправильное подключение диодов по полярности. Если аноды и катоды будут перепутаны, диоды не будут работать должным образом, и схема не обеспечит требуемое выпрямление. Также важным моментом является недооценка мощности диодов: если они не соответствуют мощности трансформатора, они могут перегреться или выйти из строя. Еще одна ошибка — недостаточная изоляция проводов и соединений, что может привести к короткому замыканию или повреждению компонентов.
Как выбрать подходящие диоды для подключения к трансформатору?
При выборе диодов для подключения к трансформатору нужно учитывать несколько факторов. Во-первых, важно определить максимальное напряжение и ток, которые могут возникнуть в схеме, и выбрать диоды, которые выдержат такие параметры. Обычно выбирают диоды с запасом по мощности, чтобы избежать перегрева. Во-вторых, следует учитывать частоту работы трансформатора — для высокочастотных схем подойдут диоды с быстрым временем восстановления. Не стоит забывать и о типе выпрямления, которое будет использоваться (мостовое или полуволновое), так как для каждого типа схемы могут потребоваться разные характеристики диодов.
Как правильно подключить диоды к трансформатору?
Для подключения диодов к трансформатору важно учитывать несколько факторов. Прежде всего, необходимо знать характеристики как трансформатора, так и диодов. Обычно диоды подключаются в схему выпрямителя для преобразования переменного тока в постоянный. Один из самых распространенных вариантов – это мостовой выпрямитель, где используются четыре диода. Диоды должны быть подключены правильно: аноды — к положительным выводам, а катоды — к отрицательным. Также важно, чтобы диоды имели подходящее номинальное напряжение и ток, чтобы избежать перегрева или повреждения устройства.
