
Трехфазные счетчики применяются для измерения энергопотребления в промышленных и коммерческих объектах с нагрузкой, подключенной к трем фазам. Основная задача – получить точные показания по каждой фазе, чтобы избежать ошибок в расчетах и контролировать расход электроэнергии по отдельности.
Для правильного снятия показаний нужно учитывать, что трехфазный счетчик фиксирует показатели по трем каналам. Обычно на дисплее отображаются значения по каждой фазе отдельно, а также суммарный итог. Снимать показания необходимо в определенном порядке: фиксировать значения каждой фазы и записывать время снятия данных.
Рекомендуется проверять целостность пломб и корректность подключения счетчика. Ошибки в монтаже, например, перепутанные фазы или неправильное подключение нуля, приведут к некорректным показаниям. Для проверки корректности снятых данных можно сравнить сумму фазных показаний с общим значением счетчика – они должны совпадать или отличаться незначительно.
Определение типа трехфазного счетчика и его схемы подключения

Трехфазные счетчики делятся на индукционные и электронные. Индукционные модели подходят для стандартных сетей с напряжением до 380 В, током до 100 А. Электронные счетчики имеют расширенный диапазон измерений и поддерживают дополнительные функции, например, многотарифный учет и удаленную передачу данных.
При выборе счетчика учитывайте его класс точности, который варьируется от 1,0 до 2,5. Для коммерческого учета рекомендуется класс 1,0 или выше. По способу подключения счетчики бывают прямого включения и с трансформаторами тока. Прямое подключение применяется при токах нагрузки до 80 А, выше требуется использование трансформаторов.
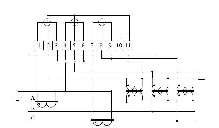
Схемы подключения трехфазных счетчиков бывают двух типов: трехпроводные и четырехпроводные. Трехпроводная схема используется в сетях без нулевого провода, четырехпроводная – с нулевым проводом (звезда). Подключение должно строго соответствовать маркировке на корпусе счетчика – фазные входы и выходы не допускается перепутывать.
Для подключения счетчика с трансформаторами тока на входах фаз устанавливают трансформаторы, которые уменьшают ток до безопасного значения. В таких схемах важно правильно выбрать коэффициенты трансформации и настроить параметры счетчика с учетом этих коэффициентов, чтобы обеспечить точность измерений.
Проверяйте соответствие напряжения сети номинальному напряжению счетчика (220/380 В). Несоответствие приведет к ошибкам измерений или выходу прибора из строя. Правильное подключение нулевого провода и заземление обязательны для безопасности и корректной работы счетчика.
В случае сомнений по схеме подключения обратитесь к технической документации производителя или квалифицированному электрику. Ошибки при монтаже могут привести к неправильному учету электроэнергии и нарушению электробезопасности.
Пошаговый порядок снятия показаний с цифрового трехфазного счетчика

1. Подойдите к счетчику и убедитесь, что на дисплее отображается текущий экран с активной фазой или общим показанием.
2. Для перехода между фазами используйте кнопку «Ввод» или «Сброс» (в зависимости от модели), нажимая её последовательно для отображения показаний по каждой из трех фаз (L1, L2, L3) и общего суммарного потребления.
3. Запишите значения активной энергии (кВт·ч) для каждой фазы и общий итог. Активная энергия обозначается символом «kWh» или просто числовым значением без дополнительных индексов.
4. При наличии в счетчике дополнительных параметров, таких как реактивная энергия (kVArh), косинус фи (cos φ), напряжение и ток, сфокусируйтесь только на показателях активной энергии для учета потребления.
5. Повторите процедуру снятия показаний в одно и то же время суток для получения корректных данных о расходе.
6. В случае, если дисплей автоматически возвращается к основному экрану, повторно выберите нужный режим с помощью кнопки навигации.
7. Фиксируйте показания вручную или с помощью мобильного приложения при поддержке счетчика, если таковое предусмотрено.
8. Не забывайте проверять целостность корпуса счетчика и отсутствие повреждений, чтобы избежать искажений данных.
Как считать показания с индукционного трехфазного счетчика

Индукционный трехфазный счетчик имеет три отдельные шкалы для каждой фазы. Каждая шкала состоит из диска с циферблатом и стрелками, показывающими количество потребленной электроэнергии в киловатт-часах (кВт·ч).
- Определите положение циферблатов по фазам: обычно они подписаны как L1, L2 и L3.
- Считайте значения с каждой шкалы по часовой или против часовой стрелки в зависимости от конструкции счетчика (на циферблате это указано стрелками).
- Запишите показания с каждой шкалы по очереди, обращая внимание на количество целых киловатт-часов. Если есть показания с десятичными знаками, учитывайте их согласно инструкции к счетчику.
- Обратите внимание, что у индукционных счетчиков счетные диски могут прокручиваться неравномерно, поэтому считывайте показания внимательно, фиксируя каждое число, а не приблизительно.
- Сложите показания всех трех фаз для получения общего потребления электроэнергии за период.
Рекомендуется делать снимок показаний в одно и то же время суток для корректного учета и сравнения потребления по фазам. При наличии механических дефектов или сбоев в показаниях обратитесь к специалисту для проверки счетчика.
Расчет потребленной электроэнергии по каждой фазе

Для точного учета электроэнергии необходимо снимать показания по каждой фазе отдельно. В трехфазном счетчике показания представлены в киловатт-часах (кВт·ч) для фаз А, В и С. Следует записать текущие значения счетчика на начало и конец расчетного периода для каждой фазы.
Расчет потребленной энергии по каждой фазе производится вычитанием начального показания из конечного:
Энергия_фазы = Показание_конец — Показание_начало.
Если показания счетчика представлены в десятых или сотых долях киловатт-часа, необходимо учитывать точность и не округлять промежуточные значения, чтобы избежать ошибок в суммарном расчете.
После вычисления потребленной энергии по каждой фазе суммируются полученные результаты для определения общего потребления за период:
Общее_потребление = Энергия_фазы_А + Энергия_фазы_В + Энергия_фазы_С.
При заметных расхождениях в потреблении между фазами рекомендуется проверить баланс нагрузки и состояние подключения, так как значительный дисбаланс может привести к искажениям показаний и дополнительным потерям.
Для автоматизации учета полезно использовать счетчики с цифровым интерфейсом, которые позволяют выгружать данные по каждой фазе и минимизируют ошибки ручного снятия показаний.
Как учитывать показатели счетчика при наличии нескольких тарифов

Трехфазные счетчики с несколькими тарифами оснащены отдельными регистрами для каждого тарифа, обычно от двух до четырех. Для правильного учета необходимо фиксировать показания каждого тарифа отдельно, не сводя их вместе.
Считывание начинается с проверки текущих показаний каждого тарифа, отмеченных на счетчике. Например, если счетчик имеет два тарифа – дневной и ночной, фиксируйте показания обоих независимо.
Для расчета потребленной электроэнергии по каждому тарифу вычтите предыдущие показания из текущих. Итоговая сумма по всем тарифам даст общий объем потребления за период.
При наличии дистанционного сбора данных (через ЖК-экран или телеметрию) убедитесь, что система корректно отображает показания по каждому тарифу без объединения.
В случае ручного снятия данных ведите журнал с указанием даты, времени и значений для каждого тарифа. Это поможет избежать ошибок и спорных ситуаций при оплате.
Важно: при смене тарифного плана или переходе на другой период учитывайте дату и время снятия показаний, чтобы корректно разделить объемы потребления по соответствующим тарифам.
Не используйте сумму показаний тарифов для прямого расчета оплаты, учитывайте отдельные тарифные ставки, установленные энергокомпанией.
Проверка корректности снятых данных и выявление ошибок

Для проверки точности показаний трехфазного счетчика следует сверить снятые значения с паспортными характеристиками устройства и предыдущими отчетами. Разница в показаниях между фазами не должна превышать 5%, в противном случае возможна ошибка подключения или неисправность счетчика.
Следует проверить правильность установки счетчика: соответствие фаз и нулевого провода, правильное направление тока и напряжения. Ошибки подключения приводят к искажению показаний и могут вызвать отрицательные значения или сбросы.
Если показания отличаются от ожидаемых, необходимо измерить напряжение и ток на каждой фазе мультиметром или клещами, затем сравнить с данными счетчика. Расхождения более 10% указывают на неисправность прибора или ошибки при снятии данных.
При регулярных сбоях или резких скачках в показаниях стоит провести проверку счетчика с помощью поверочного оборудования или вызвать специалистов для диагностики и калибровки.
Ошибки, возникающие из-за неправильной записи цифр или запутанности в показаниях, исключаются путем многократного считывания и фиксирования значений с разных точек счетчика (например, на экране и в памяти, если счетчик цифровой).
Если используется ручной способ записи, рекомендуется делать фотографии дисплея для последующей сверки и исключения ошибок при переносе данных.
Наличие дополнительных индикаторов на счетчике – например, мерцание светодиодов при нагрузке – помогает выявить нестабильную работу и определить момент, когда данные сняты корректно.
Обнаружение отрицательных значений, неожиданных скачков или повторяющихся цифр требует проверки схемы подключения и технического состояния счетчика, так как такие признаки свидетельствуют о сбоях в работе прибора.
Вопрос-ответ:
Как определить, какой именно показания нужно снимать с трехфазного счетчика?
На трехфазном счетчике обычно есть несколько дисплеев или окошек с цифрами, по одному на каждую фазу, а также общий показатель. Для учета потребленной энергии учитывают значение общего счетчика — оно показывает суммарный расход по всем фазам. Если же необходимо узнать нагрузку на конкретную фазу, смотрят цифры по соответствующему счетчику фазы. Важно обращать внимание на маркировку, чтобы не перепутать показания.
Почему цифры на счетчике могут отличаться по форме и количеству знаков после запятой?
Разные модели счетчиков могут отображать показания с разной точностью и в разных форматах. Иногда счетчик показывает целые киловатт-часы, иногда — десятые или сотые доли, чтобы фиксировать более точное потребление. Количество цифр зависит от характеристик устройства и его возможностей. При снятии показаний нужно учитывать, сколько знаков после запятой необходимо фиксировать для правильного учета, обычно достаточно целых и одной-двух десятичных.
Как правильно считать счетчик, если электроэнергия измеряется в кВт·ч и в кВАр·ч?
В некоторых трехфазных счетчиках отображается не только активная энергия в киловатт-часах (кВт·ч), но и реактивная энергия в киловольт-ампер-реактивных часах (кВАр·ч). Для расчета общего потребления обычно берут показатели активной энергии, так как именно она оплачивается. Реактивная энергия нужна для анализа качества электроэнергии и, в некоторых случаях, для расчета штрафов при превышении коэффициента мощности. Снимать показания нужно отдельно: для кВт·ч и кВАр·ч — разные значения и обычно разные счетчики на приборе.
Что делать, если показания счетчика вдруг резко изменились за короткий промежуток времени?
Резкое изменение показаний может указывать на несколько причин: неисправность счетчика, ошибку при снятии данных или изменение нагрузки на объекте. Сначала нужно проверить правильность снятия показаний — не перепутаны ли цифры, не перескочила ли маркировка. Затем стоит проверить, нет ли внезапного увеличения потребления, например, из-за включения мощного оборудования. Если сомнений много, лучше вызвать специалиста для проверки работоспособности счетчика.
Можно ли снимать показания трехфазного счетчика самостоятельно или лучше вызвать электрика?
Если у вас есть базовые знания и вы точно понимаете, как устроен счетчик, можно снять показания самостоятельно, особенно если прибор оснащен удобным цифровым или аналоговым дисплеем. Важно внимательно записывать все цифры и следить за маркировкой фаз и общего счета. Однако, если счетчик сложный или установлен в труднодоступном месте, или если есть сомнения в правильности данных, лучше обратиться к специалисту. Это поможет избежать ошибок и неправомерных начислений.
Как правильно снять показания с трехфазного счетчика электроэнергии?
Чтобы правильно снять показания с трехфазного счетчика, нужно внимательно посмотреть на дисплей или циферблаты, которые показывают потребленную энергию по каждой из фаз — обычно три значения, по одной на каждую фазу. В цифровых счетчиках все показатели часто выводятся последовательно, и нужно записать число, соответствующее суммарному потреблению, если оно отображается. В счетчиках с механическими дисками или циферблатами следует записывать показания каждого из трех счетчиков отдельно, обращая внимание на направление вращения стрелок и правильный порядок цифр. Полученные данные обычно суммируются для определения общего расхода. Если счетчик снабжен функцией автоматического суммирования, достаточно снять итоговое число, но при сомнениях стоит проверить инструкцию к конкретной модели.
