
Трехфазные электросчетчики применяются в сетях 380 В для учета потребления электроэнергии в жилых домах, мастерских, коммерческих объектах и на производстве. Подключение такого прибора требует точного соблюдения схемы – ошибки могут привести к некорректному учету, выходу из строя оборудования или аварийной ситуации.
Перед монтажом необходимо определить тип счетчика: прямого включения или через трансформаторы тока. В первом случае ток проходит непосредственно через измерительный механизм, что допустимо при нагрузках до 60–100 А. Во втором случае используются трансформаторы с коэффициентом 5 А, что позволяет подключать счетчик к цепям с большими токами, сохраняя точность измерения.
При установке счетчика прямого включения важно соблюдать порядок подключения фазных и нулевого проводников. Линия должна подключаться к клеммам с первой по четвёртую, а нагрузка – с пятой по восьмую. Фаза A – к клеммам 1 и 2, фаза B – 3 и 4, фаза C – 5 и 6, ноль – 7 и 8. Ошибочное подключение приведёт к неправильной работе механизма подсчета или его блокировке.
Для подключения через трансформаторы тока дополнительно требуется правильно ориентировать токовые и напряженческие цепи: вторичная обмотка трансформатора подключается к соответствующим клеммам счетчика, а направление тока должно совпадать с метками «P1» и «P2» на корпусе трансформатора. Несоответствие фазности между цепями тока и напряжения часто становится причиной систематической погрешности учёта.
Перед началом работ рекомендуется подготовить однолинейную схему, учесть наличие автоматических выключателей до и после счетчика и обеспечить доступ к клеммной коробке. После подключения необходимо выполнить проверку показаний при помощи нагрузочного теста: при включенной однофазной нагрузке индикаторы счётчика должны корректно отображать потребление по соответствующей фазе.
Выбор подходящей схемы подключения в зависимости от типа счетчика

Схема подключения трехфазного счетчика определяется его конструкцией: прямого включения, трансформаторного или комбинированного типа. Каждый вариант требует конкретного подхода к монтажу.
Счетчики прямого включения рассчитаны на ток до 100 А. Они подключаются непосредственно в цепь без промежуточных измерительных трансформаторов. Для таких моделей используется схема с последовательным включением фазных и нулевого проводников через клеммы счетчика. Важно соблюдать порядок фаз, указанный на корпусе устройства.
Трансформаторные счетчики применяются при токах выше 100 А. В этом случае используется схема с токовыми трансформаторами (ТТ), подключаемыми к отдельным клеммам измерительных каналов. Необходимо учитывать коэффициенты трансформации, так как они вводятся вручную или автоматически в настройках устройства. Обязательно соблюдение направлений подключения ТТ и их вторичных обмоток (начало на вход, конец на выход).
Комбинированные модели поддерживают оба варианта подключения. При выборе схемы важно уточнить, активирована ли в устройстве функция учета через трансформаторы. В противном случае возможны искажения показаний. Не допускается одновременное использование прямого подключения и через ТТ.
При наличии функции учета реактивной энергии необходимо подключать не только фазные, но и напряженческие цепи всех трех фаз, чтобы избежать некорректных данных по cos φ. В цепях с реверсивной подачей энергии (например, при наличии генератора) требуется схема с возможностью измерения в обоих направлениях тока.
Маркировка клемм и наличие схемы на крышке клеммного отсека – ключевые ориентиры. Перед монтажом следует свериться с документацией производителя, так как различия в расположении контактов встречаются даже у моделей с одинаковыми номиналами.
Как правильно подключить счетчик прямого включения

Счетчики прямого включения подключаются непосредственно в цепь, без использования трансформаторов тока. Такой способ применяется при нагрузке до 60–100 А, в зависимости от модели прибора. Подключение выполняется по четырехпроводной схеме: три фазы и ноль.
Перед началом работ необходимо обесточить ввод и убедиться в отсутствии напряжения. Используются медные провода сечением, соответствующим току нагрузки: при токе до 50 А – не менее 10 мм².
Контактные винты затягиваются с усилием, указанным в паспорте счетчика (обычно 2–3 Н·м). После монтажа проверяется надежность крепления и отсутствие оголенных участков. Ноль должен быть общим и надежно заземлен на вводе.
После подключения проводится проверка: включение автоматов, контроль фазы индикаторной отверткой или мультиметром, нагрузка включается поочередно на каждую фазу. Счетчик должен реагировать на ток, индицируя его на экране или светодиодом.
Важно: неправильное чередование фаз или подключение нулевого провода к неверной клемме приведет к искажению показаний или выходу устройства из строя.
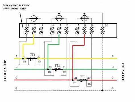
Подключение трехфазного счетчика через трансформаторы тока

При подключении счетчиков, рассчитанных на измерение больших токов, применяются трансформаторы тока (ТТ), снижающие ток до стандартного уровня, обычно 5 А или 1 А. Это позволяет использовать измерительные приборы без риска их перегрузки.
- Перед подключением необходимо определить коэффициенты трансформации каждого ТТ. Например, трансформатор с маркировкой 300/5 означает, что при протекании 300 А в первичной обмотке, во вторичной будет 5 А.
- Все трансформаторы устанавливаются на каждую фазу в разрыв токоведущих проводов, при этом соблюдается направление тока – от источника к нагрузке.
- Вторичные обмотки ТТ подключаются к счетчику по схеме «звезда». Обычно это означает, что один конец каждой вторичной обмотки соединяется с общей точкой (заземляется), а другие – к соответствующим токовым входам счетчика (I1, I2, I3).
- Потенциальные цепи (напряжение) подключаются непосредственно от фазных проводов к соответствующим клеммам счетчика (U1, U2, U3) и нейтрали (N).
- Контуры вторичных цепей ТТ нельзя размыкать при работе – это может привести к пробою изоляции и повреждению оборудования.
- Все соединения выполняются медным проводом сечением не менее 2,5 мм², с применением опломбируемых клеммных крышек для предотвращения вмешательства.
- Перед вводом в эксплуатацию проверяется правильность фазировки и соответствие направления тока и напряжения. При ошибках возможны искажения показаний или отсутствие учета.
Подключение осуществляется строго по паспорту конкретной модели счетчика и трансформаторов. Нарушение схемы влечет недостоверный учет и может быть признано нарушением правил учета электроэнергии.
Требования к сечению и материалу проводов при подключении
Для подключения трехфазного счетчика применяются медные или алюминиевые проводники с сечением, соответствующим расчетной нагрузке. При выборе сечения учитываются номинальный ток потребителей, протяженность линии и условия прокладки.
Медный провод предпочтителен благодаря меньшему сопротивлению и большей механической прочности. При подключении нагрузок до 15 кВт рекомендуется использовать медный кабель сечением не менее 4 мм². Для нагрузок до 25 кВт – от 6 мм². При использовании алюминия сечение увеличивается на один стандартный шаг, то есть не менее 6 мм² для 15 кВт и 10 мм² для 25 кВт.
Если расстояние от счетчика до точки подключения превышает 25 метров, учитываются потери напряжения. В таких случаях допустимо увеличение сечения на 30–50 % от расчетного. При открытой прокладке кабеля по воздуху можно использовать кабели с изоляцией ПВХ, например, ВВГнг. В скрытой проводке или внутри труб предпочтительнее кабели с улучшенной термостойкостью – например, NYM.
Заземляющий и нулевой рабочий провод должны иметь такое же сечение, как и фазные. Недопустимо использование разных металлов в одной линии без переходных клемм – соединение меди и алюминия вызывает электрохимическую коррозию и перегрев. При монтаже следует использовать обжимные наконечники, исключающие ослабление контакта под нагрузкой.
Порядок подключения фаз и нулевого провода

Перед началом работ необходимо убедиться в отсутствии напряжения на всех вводах. Проверка выполняется индикаторной отверткой или мультиметром. Подключение трехфазного счетчика производится строго по схеме, указанной на корпусе устройства.
Нулевой провод (N) подключается к клемме 10. Он должен идти напрямую от ввода без ответвлений и коммутаций. Клемма 9 используется для выхода нулевого провода к нагрузке. При неправильной коммутации возможен перегрев нулевого проводника из-за неравномерного распределения тока по фазам.
Затяжка контактов производится с использованием динамометрической отвертки. Рекомендуемый момент – 2–2,5 Н·м, если не указано иное в документации. Слабо затянутые клеммы приводят к искрению и выходу счетчика из строя.
Важно: не допускается перепутывание порядка фаз. Это может вызвать реверс вращения электродвигателей и нарушение синхронизации оборудования. Для контроля последовательности фаз используется фазоуказатель.
Расположение клемм может отличаться в зависимости от модели счетчика. Подключение выполняется только в соответствии с паспортной схемой конкретного устройства.
Проверка корректности подключения и устранение типичных ошибок

Первым шагом после монтажа трехфазного счетчика необходимо проверить правильность подключения фазных проводов. Фазы L1, L2 и L3 должны быть подключены строго по маркировке на корпусе счетчика. Ошибка в последовательности фаз приведет к неправильному учету потребления и возможным повреждениям.
Следует убедиться в надежности контактов зажимов – ослабленные клеммы вызывают нагрев и нестабильность показаний. Рекомендуется использовать динамометрический ключ для контроля усилия затяжки, рекомендуемое значение – 2,5–3 Н·м.
Проверка правильности подключения нулевого провода обязательна. Ноль должен быть подключен к соответствующей клемме, иначе счетчик не будет учитывать ток правильно, что приведет к ошибкам в измерениях.
Типичные ошибки включают перепутывание входных и выходных клемм, что блокирует прохождение тока через счетчик. Для проверки можно измерить напряжение на выходных клеммах – оно должно совпадать с входным.
Не реже одного раза в год проводится тест на сопротивление изоляции между фазами и корпусом устройства. Значение не должно превышать 0,5 МОм. При более низких значениях необходимо искать повреждения изоляции и устранять их.
Если при подключении установлен модуль трансформаторов тока, следует проверить корректность подключения вторичных цепей: фазность и направление тока должны совпадать с входными фазами. Ошибки в подключении трансформаторов тока вызывают искажение показаний до 30%.
При выявлении несоответствий схемы подключения рекомендуется отключить питание и провести повторный визуальный и инструментальный контроль. Использование мультиметра с функцией фазометра позволит определить правильность фазировки.
Резюмируя, для исключения типичных ошибок следует строго соблюдать схему подключения, обеспечить качественный контакт клемм, проверить направление и фазировку токов, а также регулярно проводить диагностику изоляции и целостности цепей.
Вопрос-ответ:
Как правильно подключить трехфазный счетчик по схеме?
Для подключения трехфазного счетчика нужно сначала отключить питание, чтобы избежать поражения электрическим током. Затем подключают три фазы к соответствующим клеммам счетчика: обычно они подписаны как L1, L2, L3. Нулевой провод подключают к клемме N, а заземление — к заземляющему контакту, если он предусмотрен. После этого проверяют правильность подключения, включают питание и убеждаются, что счетчик работает корректно.
Какие ошибки часто допускают при подключении трехфазного счетчика?
Одна из распространённых ошибок — неправильное подключение фаз, что может привести к неверному учету потребленной энергии или поломке счетчика. Также иногда забывают подключить нулевой провод или делают это неправильно, что нарушает работу схемы. Ещё частая ошибка — отсутствие или неправильное подключение заземления, что снижает безопасность эксплуатации.
Можно ли самостоятельно подключить трехфазный счетчик или лучше вызвать специалиста?
Если у вас есть опыт работы с электрическими схемами и знания правил безопасности, можно попробовать подключить счетчик самостоятельно, строго соблюдая инструкции и меры предосторожности. Однако в большинстве случаев рекомендуется обратиться к квалифицированному электрику, поскольку ошибки в подключении могут привести к серьезным последствиям, включая возгорание или выход из строя оборудования.
Какие требования предъявляются к месту установки трехфазного счетчика?
Счетчик следует устанавливать в сухом, защищённом от прямого попадания влаги месте с хорошей вентиляцией. Место установки должно обеспечивать удобный доступ для снятия показаний и обслуживания. Кроме того, счетчик необходимо закрепить на ровной поверхности, чтобы обеспечить стабильную работу и исключить механические повреждения.
Как проверить правильность подключения трехфазного счетчика по схеме?
Для проверки правильности подключения сначала визуально осматривают соответствие проводов их маркировке на счетчике и распределительном щите. После подачи питания нужно убедиться, что счетчик показывает расход энергии без сбоев. Также можно использовать тестер или мультиметр, чтобы измерить напряжение и ток на каждом входе, сверяя их с паспортными данными устройства.
Как правильно подключить трехфазный счетчик по схеме с нейтралью и заземлением?
Для подключения трехфазного счетчика необходимо сначала убедиться, что электросеть отключена. Три фазных провода подключают к соответствующим входным клеммам счетчика (обычно обозначаются как L1, L2, L3). Нейтральный провод подключается к клемме N, а заземление — к специальной клемме или шине, если она предусмотрена конструкцией счетчика. Важно следить за правильной последовательностью фаз, чтобы избежать неправильного учета электроэнергии и не повредить прибор. После подключения все клеммы должны быть надежно зажаты, и необходимо проверить схему на отсутствие коротких замыканий или неправильных соединений.
