
Однолинейная схема электроснабжения является основой проектирования и эксплуатации электрических сетей. Она позволяет наглядно представить структуру системы, упростив её анализ и обслуживание. Главная цель такой схемы – показать соединения между элементами сети, указав все ключевые компоненты и их взаимодействие. Это важный инструмент для инженеров, который помогает избежать ошибок в монтаже и при эксплуатации.
Прежде чем приступить к чертежу, необходимо точно определить компоненты, которые будут отображены на схеме. Важно учесть все элементы системы: трансформаторы, распределительные щиты, защитные устройства, линии электропередач и источники питания. Каждый элемент должен быть обозначен с помощью стандартных символов, соответствующих ГОСТ. Примером такого стандарта является использование прямоугольников для оборудования, линий для проводников и треугольников для трансформаторов.
При проектировании схемы необходимо также соблюдать логичность и ясность. Электрические соединения отображаются в виде прямых линий, и важно, чтобы они не пересекались, что повысит читаемость схемы. Размещение элементов должно быть таким, чтобы последовательность подачи электричества была легко воспринимаема. Для этого важно придерживаться топологии системы, чтобы читатель мог легко понять поток энергии от источника до конечного потребителя.
Для повышения информативности схемы целесообразно использовать разные виды линий: сплошные для основных цепей, пунктирные для вспомогательных, а также различные типы стрелок для обозначения направления тока. Также, каждый элемент должен быть подписан с указанием номинальных характеристик, таких как мощность трансформатора или токовая нагрузка линии. Это позволит обеспечить точность в дальнейшем проектировании и эксплуатации системы.
Выбор схемы электроснабжения для конкретного объекта

При проектировании системы электроснабжения необходимо учитывать множество факторов, чтобы выбрать оптимальную схему для конкретного объекта. Рассмотрим основные моменты, на которые стоит обратить внимание при выборе схемы.
1. Тип объекта
- Жилые здания: для них чаще всего используется схема однофазного или трехфазного подключения с распределением нагрузки по этажам.
- Промышленные объекты: для таких объектов требуется более мощная схема, обычно трехфазная с возможностью резервирования и разделения на несколько цепей.
- Торговые и офисные помещения: схема может включать как однофазное, так и трехфазное подключение в зависимости от мощности потребления.
2. Мощность потребления
Мощность потребляемой нагрузки напрямую влияет на выбор схемы электроснабжения. Для небольших объектов с мощностью до 15 кВт можно использовать однофазную схему, для крупных объектов с нагрузкой более 15 кВт предпочтительнее трехфазная схема. Если предполагается расширение мощности, следует заранее заложить возможность увеличения мощности в схеме.
3. Резервирование
- Для критически важных объектов (например, медицинские учреждения, серверные комнаты) необходима схема с резервированием источника питания. Это могут быть двухсторонние схемы или схемы с автоматическим переключением на резервный источник.
- Для менее критичных объектов достаточно использования автоматического ввода резерва (АВР), который переключает источник питания при его сбое.
4. Условия эксплуатации
В случае эксплуатации в условиях повышенной влажности или температуры, например, на открытых площадках или в агрессивных средах, требуется усиленная защита оборудования. В таких случаях предпочтение следует отдавать схемам с дополнительной защитой от коротких замыканий и перенапряжений, а также использованием специальных герметичных распределительных щитов.
5. Структура объекта
- Для многоэтажных зданий выбирается схема с централизованным распределением на каждом этаже.
- Для распределенных объектов, таких как загородные дома, лучше использовать схему с распределением питания по секторам с отдельными вводами для каждого участка.
6. Сетевые ограничения
Сетевые ограничения, такие как мощность трансформаторов и возможности подключения к внешней электросети, должны быть учтены заранее. Иногда необходимо согласовывать проект с энергетическими компаниями для получения разрешений на подключение.
Определение ключевых компонентов системы: от источника питания до потребителей

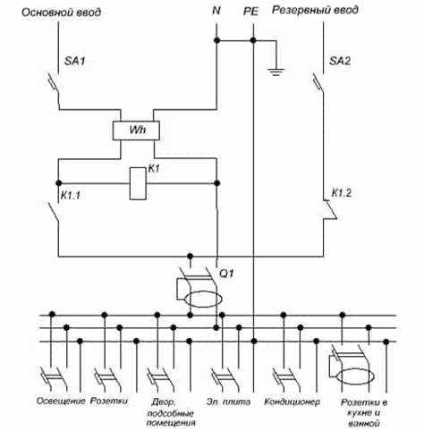
При создании однолинейной схемы электроснабжения важно точно отобразить каждый компонент системы, начиная от источника питания и заканчивая конечными потребителями энергии. В этой части схемы выделяют несколько ключевых элементов, которые играют основную роль в обеспечении стабильности и безопасности работы электросети.
Источник питания – это первое звено системы, которое определяет основной источник электрической энергии. В большинстве случаев это трансформаторная подстанция, которая преобразует высокое напряжение в уровень, подходящий для распределения. При проектировании необходимо указать параметры трансформатора: мощность, напряжение на первичной и вторичной обмотке. Важно правильно выбрать место установки и тип трансформатора, чтобы обеспечить нужную мощность для всей системы.
Распределительное оборудование – это элементы, которые управляют распределением электричества между различными частями сети. Сюда входят распределительные щиты, автоматы защиты, предохранители и другие устройства, обеспечивающие безопасное распределение энергии. Эти элементы должны быть правильно спроектированы с учетом максимальной нагрузки и возможных аварийных ситуаций.
Линии электропередач – соединяют источник питания с потребителями, обеспечивая передачу электрической энергии. В схеме важно указать тип проводников, их сечение, а также длину и тип изоляции. Линии электропередач должны соответствовать нормативным требованиям по нагрузке и погодным условиям, чтобы избежать перегрева или коротких замыканий.
Средства защиты – в системе обязательны устройства, которые обеспечивают безопасность и предотвращают повреждения оборудования. Сюда входят автоматические выключатели, устройства защиты от перенапряжений, дифференциальные автоматы и заземление. Их характеристики должны быть детализированы в схеме, чтобы в случае аварии можно было оперативно отключить проблемную часть сети и предотвратить её распространение.
Потребители – это устройства или установки, которые потребляют электрическую энергию. В схемах отображаются все ключевые потребители: освещение, отопление, вентиляция, промышленное оборудование и другие установки. Для каждого потребителя указывается его мощность и тип подключения. Это необходимо для корректного расчета нагрузки и выбора соответствующего оборудования для распределения энергии.
При составлении однолинейной схемы важно придерживаться стандарта расположения элементов и их правильной маркировки, чтобы схема была понятна и для специалистов, и для обслуживающего персонала. Каждый компонент должен быть четко обозначен, а параметры — актуализированы в соответствии с проектными требованиями.
Как правильно отобразить электрические устройства на схеме

При создании однолинейной схемы важно правильно отразить все электрические устройства. Четкость и точность отображения помогает избежать ошибок в эксплуатации и монтаже системы. Основные принципы следующие:
1. Использование стандартных условных обозначений. Для каждого типа устройства существуют официальные стандарты, например, ГОСТ или IEC. Эти обозначения упрощают понимание схемы специалистами, поскольку символы имеют универсальное значение. Например, трансформаторы, распределительные щиты и автоматы имеют четкие и одинаковые графические символы по всей отрасли.
2. Указание номиналов и характеристик устройств. Важно указывать не только название устройства, но и его ключевые параметры. Для автоматов и предохранителей – номинальный ток, для трансформаторов – мощность и напряжение, для кабелей – сечение и тип изоляции. Эти данные позволяют понять, как работает система и избежать неправильных подключений.
3. Схематическое отображение соединений. Все соединения должны быть четко обозначены, чтобы не было путаницы при монтаже. Линии, соединяющие устройства, должны быть прямыми, без излишних изгибов. Важно избегать пересечений проводников, которые могут создавать визуальный шум и затруднять восприятие схемы.
4. Обозначение заземления и нулевых проводников. Заземление и нулевой проводник должны быть отдельно выделены на схеме, чтобы обеспечить безопасность эксплуатации. Это можно сделать, например, с помощью специальных символов или цветовых кодов, если это предусмотрено стандартами.
5. Четкая маркировка кабелей и линий. Каждая линия на схеме должна иметь четкую маркировку, указывающую на тип проводника и его назначение (например, фаза, нейтраль, заземление). Это помогает при монтаже и обслуживании системы, снижая риск ошибок.
6. Обозначение состояния устройств. Если схема предполагает отображение состояния устройств (например, открытие или закрытие контактов), это должно быть указано соответствующими знаками или штрихами. Это также помогает понять работу системы в реальном времени.
Правила отображения защиты и заземления в однолинейной схеме

В однолинейной схеме электроснабжения защита и заземление отображаются с целью указания на элементы, обеспечивающие безопасность эксплуатации. Все устройства защиты и заземления должны быть четко обозначены для понимания принципа их работы и обеспечения надежности работы сети.
Для отображения защиты в схеме используются стандартные условные обозначения. Основные элементы, такие как автоматические выключатели, предохранители и защитные реле, отображаются с указанием номинального тока, типа защиты и, при необходимости, зоны срабатывания. Например, автоматические выключатели часто обозначаются круглыми или прямоугольными символами с номиналом тока, в то время как реле показываются с помощью специфичных знаков, указывающих на тип защиты (например, защиту от короткого замыкания или перегрузки).
Заземление в схеме обозначается специальным символом, который может быть представлен в виде линии, соединяющей заземляющий контур с объектом. Все элементы заземления (например, заземляющие проводники, заземляющие устройства и их соединения) должны быть указаны в соответствии с нормами ГОСТ и ПУЭ. Также необходимо обозначить, к какому типу заземления (например, TN-S, TT или IT) относится схема, и указать местоположение заземляющих электродов.
Важно соблюдать масштаб и пропорции элементов защиты и заземления, чтобы избежать путаницы при чтении схемы. Устройства защиты должны быть размещены в логичной последовательности относительно потоков энергии, начиная с источника питания и заканчивая потребителями. Размещение элементов заземления должно учитывать не только технические требования, но и местные строительные нормы, чтобы гарантировать безопасность при эксплуатации системы.
При проектировании схемы следует также предусматривать дополнительные элементы защиты, такие как устройства дифференциальной защиты и защитные заземляющие системы, для улучшения надежности и безопасности электроснабжения.
Что важно учесть при указании мощности и характеристик оборудования

При проектировании однолинейной схемы электроснабжения точность указания мощности и характеристик оборудования критична для правильного функционирования всей системы. Описание мощности устройства должно соответствовать его номинальному значению, которое указано в технических паспортах. Это обеспечит правильный выбор кабелей, защиты и других элементов схемы.
1. Номинальная мощность оборудования должна быть указана в ваттах (Вт) или киловаттах (кВт) и отражать максимальное потребление энергии при стандартных рабочих условиях. Важно учитывать, что для большинства электрических приборов существует понятие пикового и постоянного потребления. Пиковая мощность может значительно превышать номинальное значение, поэтому важно учитывать эти параметры при проектировании защитных устройств.
2. Коэффициент мощности (cos φ) влияет на правильный выбор трансформаторов и кабелей. Он определяет, как эффективно электрическое оборудование использует потребляемую энергию. Если коэффициент мощности низкий, то потребуется большее количество реактивной мощности, что влияет на выбор аппаратов защиты и прокладку кабелей большего сечения.
3. Классы защиты оборудования – в зависимости от степени защиты от воды и пыли, а также от воздействия механических факторов, необходимо правильно указать класс защиты. Это важно для защиты электроснабжения в сложных условиях эксплуатации. Учитывайте также стандартные индикаторы, такие как IP (например, IP55) и IK (классы механической прочности).
4. Напряжение и ток должны быть точно указаны в соответствии с техническими характеристиками приборов. Для обеспечения безопасной эксплуатации необходимо учитывать как рабочее, так и возможные максимальные значения, чтобы правильно выбрать элементы защиты, такие как автоматические выключатели и предохранители.
5. Условия работы оборудования могут значительно влиять на его характеристики. Например, температурный диапазон, влажность и другие внешние факторы могут изменить параметры работы устройства. Учитывайте эти условия для выбора оптимальных типов оборудования и защиты от коротких замыканий или перегрузок.
6. Пусковые токи – для оборудования с индуктивной нагрузкой, например, насосы, электродвигатели, важно указать пусковой ток, который может в несколько раз превышать рабочий. Неправильный расчет пускового тока может привести к неправильной настройке защитных устройств и повреждению системы.
Использование стандартных символов и условных знаков в схеме

В соответствии с ГОСТ 2.709-89, стандартные символы для электрических схем делятся на несколько групп: источники питания, оборудование, электрические цепи, защитные устройства и другие элементы. Каждый элемент схемы должен быть представлен уникальным графическим знаком, который однозначно определяет его функцию и технические характеристики.
Источники питания на схемах изображаются в виде прямоугольников или кругов с добавлением условных знаков, таких как треугольник для трансформаторов и специальные знаки для генераторов. При этом важно соблюдать стандарты, чтобы избежать путаницы. Например, для трансформаторов используется символ с двумя горизонтальными линиями, а для генераторов – вертикальная линия с обозначением мощности.
Оборудование отображается с учетом функциональных характеристик. Электрические машины, такие как насосы, двигатели или компрессоры, обозначаются кругами с дополнительными метками, показывающими их параметры. Для защиты от коротких замыканий используются условные знаки в виде прямоугольников с обозначением типа защиты.
При изображении систем управления необходимо четко разграничить элементы управления, такие как выключатели, реле и автоматы. Для каждого устройства предусмотрен свой условный знак: для выключателя это пересекающиеся линии, для реле – прямоугольник с подключенной катушкой.
Также важно помнить, что для соединений и проводников применяются разные типы линий: для проводов без напряжения – прерывистая линия, для фаза – сплошная линия, а для нейтрали – линия с добавлением точек. Эти различия позволяют быстро воспринимать информацию о функциональном назначении каждого элемента схемы.
Использование стандартных символов и условных знаков позволяет не только точно отображать конструкцию, но и облегчить монтаж, проверку и обслуживание электросети.
Как правильно подписывать элементы и указывать их параметры
При создании однолинейной схемы электроснабжения важно не только точно изобразить элементы, но и правильно их подписать. Это необходимо для того, чтобы схема была понятна и легко читаема. Каждый элемент на схеме должен иметь уникальное обозначение и, при необходимости, параметры для понимания его назначения и характеристик.
Подписи элементов должны включать в себя следующие обязательные данные:
- Обозначение устройства или оборудования: например, трансформатор (Т), автоматический выключатель (АВ), распределительная коробка (РК).
- Номер элемента: для уникальности, например, Т1 для первого трансформатора, АВ2 для второго автоматического выключателя.
- Тип устройства: если это необходимо для понимания, например, тип автомата (АВ-32), категория устройства (ПС – подстанция).
Кроме того, важно указать параметры элементов. Эти параметры включают:
- Номинальное напряжение: для трансформаторов и других устройств, работающих под определенным напряжением, например, 0,4 кВ или 10 кВ.
- Номинальный ток: для автоматов и других защитных устройств, например, 16 А для автоматического выключателя.
- Мощность: для оборудования, которое потребляет или генерирует мощность, например, трансформатор мощностью 50 кВА.
- Класс защиты: для устройств, например, IP 44 или IP 65 для обозначения уровня защиты от пыли и воды.
- Параметры проводников: для кабелей и проводов указание сечения, материала (медь или алюминий), и их класса изоляции.
Обозначения должны быть расположены рядом с элементами на схеме, чтобы их легко можно было прочитать и понять без необходимости дополнительного объяснения.
Для удобства понимания схемы желательно использовать общепринятые стандарты и условные графические обозначения, такие как ГОСТ или другие нормативы, которые помогут избежать путаницы и ошибок при чтении схемы.
Вопрос-ответ:
Какие основные этапы нужно учитывать при черчении однолинейной схемы электроснабжения?
Процесс начинается с определения всех элементов системы электроснабжения: трансформаторов, распределительных щитов, кабелей и т.д. После этого идет их правильное размещение на плане, соблюдая стандарты и требования. На схеме должны быть указаны номинальные токи, напряжения, типы оборудования. Не забывайте о подключениях, защите и заземлении, которые также следует обозначить на схеме. Важным этапом является проверка схемы на соответствие стандартам безопасности и действующим нормативам.
Какие правила существуют для обозначений на однолинейной схеме?
Для обозначений на однолинейной схеме используются стандартные символы, которые регламентируются ГОСТами. Важно соблюдать их точность и соответствие. Например, трансформаторы обозначаются стандартным символом, который указывает их мощность и параметры, а линии электропередачи — толщиной и типом проводов. Все элементы должны быть подписаны и иметь четкое описание для правильной интерпретации схемы. Обычные устройства, такие как автоматы защиты, тоже должны быть обозначены корректно.
Как учесть требования безопасности при создании однолинейной схемы электроснабжения?
При проектировании однолинейной схемы необходимо учитывать несколько аспектов безопасности. Во-первых, следует правильно выбирать мощность оборудования, чтобы избежать перегрузок. Во-вторых, на схеме должны быть показаны все защитные устройства, такие как автоматы защиты, дифференциальные выключатели и заземляющие системы. Также нужно продумать размещение кабелей с учетом минимальных безопасных расстояний и защиты от коротких замыканий. Все эти элементы должны быть четко отображены на схеме, а также указаны расчетные токи и напряжения для каждой линии.
Как избежать ошибок при черчении однолинейной схемы для большого объекта?
Для большого объекта важно предварительно составить подробный план размещения оборудования и линий электроснабжения. Это помогает избежать ошибок при проектировании, таких как неправильное распределение нагрузки или недооценка мощности трансформаторов. Также не стоит забывать о соблюдении норм и стандартов для каждой части системы, например, для распределительных щитов и автоматов защиты. Важно провести проверку схемы на этапе проектирования с помощью расчетных программ, чтобы выявить возможные несоответствия и ошибки до начала монтажа.
Какие программы и инструменты можно использовать для черчения однолинейных схем электроснабжения?
Для создания однолинейных схем часто используют программы AutoCAD и специализированные инструменты для проектирования электрооборудования, такие как EPLAN или Elcut. Эти программы позволяют не только рисовать схему, но и учитывать параметры компонентов, такие как мощность трансформаторов, диаметр проводов и т.д. Важным преимуществом этих программ является возможность автоматической генерации расчетов и проверок, что значительно упрощает работу и снижает риск ошибок. Для простых схем можно использовать и более доступные программы, такие как Visio или SmartDraw, но они имеют ограниченные возможности по расчетам.
