
Подключение системы сигнализации в квартире – важная мера для обеспечения безопасности. На каждом этапе установки важно учитывать тип жилья, количество потенциальных угроз и расположение компонентов системы. Этот процесс требует внимательности, правильного выбора оборудования и точного выполнения шагов. В этой статье мы детально разберем все этапы установки сигнализации, начиная от выбора устройства до его подключения к источнику питания и сети.
Шаг 1. Подбор оборудования – первый и ключевой этап. Прежде чем приступать к установке, важно выбрать сигнализацию, которая соответствует вашим требованиям. Для квартиры оптимальными являются системы с беспроводными датчиками, так как они не требуют проведения сложных проводок и позволяют гибко настраивать систему. Рассмотрите модели с датчиками движения, открытия дверей и окон, а также с камерами видеонаблюдения.
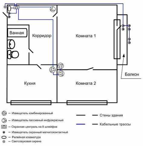
Шаг 2. Планирование размещения датчиков имеет решающее значение для эффективности работы сигнализации.
Выбор места для установки датчиков движения и сенсоров

При установке сигнализации в квартире важно правильно выбрать места для датчиков движения и сенсоров. Неправильное размещение может привести к ложным срабатываниям или недостаточной эффективности охраны. Вот несколько рекомендаций, которые помогут оптимизировать защиту:
1. Датчики движения лучше всего устанавливать в углах помещений. Это обеспечит максимальный угол обзора. Оптимальная высота установки – от 2,2 до 2,5 метров от пола. При этом датчик должен быть ориентирован в сторону возможных путей движения нарушителя.
2. Избегайте установки датчиков перед окнами и в местах с прямым солнечным светом. Яркий свет может вызвать ложные срабатывания, так как датчики могут воспринимать его как движение. Также не рекомендуется устанавливать датчики рядом с обогревателями, кондиционерами и вентиляционными решетками – изменение температуры может повлиять на их работу.
3.
Как правильно подключить центральный блок сигнализации
Для установки центрального блока выберите место, защищённое от влаги и прямых солнечных лучей, с хорошей вентиляцией. Оптимально – внутренний угол комнаты на высоте 1,5–2 метра от пола, чтобы минимизировать риск повреждений и не допустить доступа посторонних.
Перед подключением отключите питание. Проверьте схему подключения именно вашей модели сигнализации, так как распиновка может различаться. Основные линии – питание (обычно 12 В), заземление и линии связи с датчиками и сиреной.
Подключите питание через стабилизированный блок питания с номиналом, указанным в инструкции (обычно 12 В, 1–2 А). Обеспечьте надёжное крепление проводов, используйте клеммы или пайку для контактов – чтобы исключить ослабление и перебои.
Соедините центральный блок с датчиками по назначенным линиям. Для проводных датчиков используйте экранированный кабель с сечением не менее 0,5 мм². Следите за правильной полярностью, если она предусмотрена. Протестируйте каждое соединение мультиметром.
Подключите сирену согласно схеме, учитывая полярность и мощность. Для внешних сирен используйте отдельный кабель с защитой от механических повреждений.
При наличии резервного аккумулятора подсоедините его к специальным клеммам центрального блока, соблюдая полярность. Проверьте исправность аккумулятора перед установкой.
После завершения подключения включите питание и проведите тест системы. Проверяйте индикаторы работы блока и корректность сигналов от датчиков. При обнаружении неисправностей – повторно проверьте все соединения и контакты.
Подключение дверных и оконных датчиков: пошаговое руководство

Подключение дверных и оконных датчиков – важный этап при установке системы сигнализации. Эти устройства фиксируют открытие или закрытие дверей и окон, мгновенно передавая сигнал в центральный блок. Ниже описан процесс их подключения шаг за шагом.
Шаг 1: Подготовка и выбор места установки
Датчики устанавливаются на дверные и оконные рамы, а также на противоположные части, которые двигаются. Ожидайте, что магнитный элемент будет находиться на подвижной части (двери или окне), а датчик – на неподвижной (корпус двери или рама окна).
Настройка беспроводной связи между компонентами системы

Настройка беспроводной связи между компонентами системы сигнализации – ключевой этап при установке. Он включает в себя правильное соединение датчиков, камер, панели управления и других устройств через Wi-Fi, ZigBee или Z-Wave. Этапы настройки могут варьироваться в зависимости от типа используемой системы, однако общие принципы остаются одинаковыми.
Для начала необходимо убедиться, что все компоненты системы поддерживают беспроводное соединение. Каждый элемент сигнализации имеет свой радиоканал и протокол связи. Чаще всего используются два стандарта: Wi-Fi и специализированные протоколы связи, такие как ZigBee или Z-Wave. Wi-Fi предлагает хорошую скорость передачи данных, но может испытывать помехи при перегрузке сети. ZigBee и Z-Wave менее подвержены помехам, но имеют ограниченный диапазон передачи сигнала.
Шаг 1: Включение и настройка центра управления. Центр управления (панель) является основным элементом системы. Он должен быть подключен к сети Wi-Fi или локальной сети с использованием LAN-порта.
Монтаж и подключение сирены для сигнала тревоги

- Выбирайте место установки в недоступной для быстрого отключения зоне – под потолком возле входной двери или в коридоре с минимальным количеством мебели.
- Избегайте установки рядом с источниками тепла и влажности. Не допускается размещение в вентиляционных шахтах или за подвесными потолками.
<
Тестирование системы после установки: проверка всех компонентов

После завершения монтажа сигнализации необходимо последовательно протестировать каждый элемент системы. Это критически важно для выявления ошибок подключения и исключения ложных срабатываний.
- Контрольная панель: Включите питание. Убедитесь, что индикаторы состояния отображают нормальную работу. Проверьте доступ к настройкам и корректную синхронизацию с датчиками.
- Датчики движения: Активируйте систему и проходите перед каждым датч
Подключение сигнализации к мобильному приложению и охранной компании
После установки оборудования необходимо интегрировать систему с мобильным приложением и настроить связь с охранной компанией. Для подключения к мобильному приложению выполните следующие шаги:
1. Скачайте официальное приложение производителя сигнализации с Google Play или App Store.
2. Создайте учетную запись, указав email и номер телефона для подтверждения.
3. В меню добавления устройства выберите тип сигнализации и введите уникальный идентификатор (ID), который указан на основном блоке системы.
4. Подключите сигнализацию к Wi-Fi сети, используя настройки приложения, убедившись, что сеть стабильна и имеет постоянный интернет.
5. Проверьте успешное подключение, вызвав тестовое уведомление о срабатывании датчика через приложение.
Для передачи тревожных сигналов в охранную компанию следует выполнить настройку центра мониторинга:
1. Свяжитесь с выбранной охранной компанией и предоставьте серийный номер устройства и адрес объекта.
2. Получите от компании инструкции по интеграции, включая параметры подключения (IP-адреса, порты, коды шифрования).
3. В интерфейсе сигнализации введите эти параметры, активируйте протокол передачи данных (чаще всего используется SIA DC-09 или Contact ID).
4. Проверьте корректность связи, отправив тестовый сигнал тревоги и подтвердив его получение оператором.
Особое внимание уделяйте обновлению прошивки системы и приложения – производители регулярно выпускают патчи для повышения безопасности и стабильности соединения.
Вопрос-ответ:
Как выбрать подходящий тип сигнализации для квартиры?
Выбор системы зависит от ваших потребностей и бюджета. Если вы хотите простое решение для оповещения при проникновении, достаточно базового датчика движения и сирены. Для более надежной защиты подойдут системы с возможностью уведомления на телефон, подключением к пульту охраны и несколькими видами датчиков, например, движения, открытия дверей и разбития стекла. Обратите внимание на совместимость оборудования и возможность самостоятельной установки.
Какие этапы необходимо выполнить для установки сигнализации в квартире?
Первым шагом следует определить места установки датчиков, обычно это входные двери и окна. Затем производится монтаж датчиков и центрального блока — контроллера. После этого подключают питание и связывают датчики с центральным модулем. В конце необходимо настроить систему, проверить корректность срабатывания и при необходимости подключить оповещение на телефон или пульт охраны.
Какие инструменты и материалы понадобятся для монтажа системы охранной сигнализации?
Для установки понадобятся отвертки, дрель или шуруповерт для крепления датчиков, изолента и, возможно, крепежные элементы. Также может понадобиться кабель для соединения элементов системы, если выбран проводной вариант. Важно подготовить место для центрального блока, где будет удобный доступ к электропитанию и, при необходимости, интернет-соединению.
Как проверить работоспособность сигнализации после установки?
Для проверки нужно активировать систему и протестировать каждый датчик. Например, открыть дверь или окно с установленным датчиком и убедиться, что сигнализация срабатывает. Также стоит проверить работу сирены и, если подключена, уведомления на телефон. Рекомендуется провести несколько тестов в разное время и проверить, что система реагирует корректно и без задержек.
