
Перфоратор Makita HR2450 – одна из самых популярных моделей среди полупрофессионального инструмента. Прочный корпус, простой редуктор и надёжный механизм переключения режимов сделали эту модель востребованной как в строительстве, так и в быту. Однако даже у надёжной техники со временем возникает необходимость в разборке для обслуживания, замены щёток, смазки или устранения неисправностей.
Перед началом разборки необходимо полностью обесточить инструмент, снять бур и очистить корпус от пыли. Работы проводятся на ровной поверхности, при хорошем освещении. Под рукой должны быть: отвертка Torx T20, крестовая отвертка, тонкая шлицевая отвертка, пассатижи, ветошь и ёмкость для хранения мелких деталей. Использование неправильных инструментов может повредить крепёж и усложнить сборку.
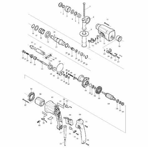
Разборка Makita HR2450 требует аккуратности и соблюдения последовательности. Например, попытка снять редуктор без предварительного отсоединения ударного механизма приводит к деформации посадочных мест. Необходимо заранее изучить конструкцию, особенно элементы фиксации режимов и особенности посадки бойка. В процессе разбора важно отслеживать положение деталей – это упростит обратную сборку и поможет избежать ошибок, связанных с перекосами и заклиниванием узлов.
Как снять и разобрать корпус редуктора без повреждений

Сначала отсоедините заднюю крышку корпуса, предварительно выкрутив четыре винта крестовой отверткой. Снимите ручку и отключите электрическую часть, аккуратно отсоединив провода от клемм и убрав переключатель режимов.
Перед разборкой редуктора обязательно установите рычаг выбора режима в положение «удар без вращения», иначе фиксирующий механизм не даст разобрать корпус.
Снимите переднюю часть кожуха, удерживая инструмент вертикально. Ударьте по корпусу через деревянный брусок лёгкими движениями резинового молотка – корпус редуктора начнёт отходить от основного блока. Не тяните силой: зацепление с поршневым механизмом может повредиться.
Откручивание корпуса начинайте с боковых винтов. Выкручивайте их равномерно по диагонали, чтобы не деформировать резьбу. После снятия верхней половины корпуса зафиксируйте нижнюю часть в тисках с мягкими губками. Осторожно отделите корпус, следя за расположением стопорных колец и пружин.
При снятии шестерён не применяйте отвёртку в качестве рычага – используйте съёмник. Если шестерня сидит плотно, подогрейте корпус строительным феном до 60–70 °C, чтобы ослабить посадку на валу.
Перед повторной сборкой очистите посадочные места от пыли и смазки, проверьте целостность сальников и состояние игольчатых подшипников. Изношенные детали заменяйте сразу – обратная сборка без этого приведёт к выходу из строя.
Разбор передней части перфоратора: патрон, втулка, шарик

Перед началом разборки отключите питание и извлеките бур. Снимите резиновый пыльник с конца патрона, поддев его тонкой отверткой. Под ним находится стопорное кольцо – извлеките его пинцетом или шилом, стараясь не деформировать.
После снятия кольца аккуратно вытяните металлическое кольцо, за ним – плоскую шайбу. Далее видна прижимная втулка. Слегка надавите на неё, одновременно вращая – она удерживается пружиной и фиксируется шариком.
Шарик расположен в боковом отверстии корпуса патрона. Освободите его, поддев острым предметом. При снятии будьте внимательны – шарик может выскочить. Лучше работать на столе с бортиками или использовать магнит.
После извлечения шарика и втулки доступ к направляющей буров и пружине полностью открыт. Осмотрите детали на наличие износа: если шарик деформирован или пружина потеряла упругость, замените их. Смазку нанесите только после полной очистки посадочных мест от старой грязи и пыли.
Сборку производите в обратном порядке, следя за правильным положением деталей. При установке шарика используйте фиксатор или пинцет, избегая перекосов втулки.
Отсоединение и проверка ударного механизма

Снимите редукторный кожух, выкрутив четыре крепёжных винта под крестовую отвёртку. Осторожно извлеките редуктор с ударным механизмом, удерживая корпус за боковые ребра – внутри находится преднатянутый боёк и втулка с пружиной, которые могут выскочить.
Удалите стопорное кольцо с хвостовика бойка, используя съёмник или тонкие изогнутые пинцеты. Выньте цилиндр с бойком, следом достаньте пружину и направляющую втулку. Осмотрите цилиндр на наличие задиров и трещин – любые дефекты снижают эффективность удара. Боёк не должен иметь сколов на торцах; пружина должна сохранять жёсткость, без деформации витков.
Проверьте подвижность бойка в цилиндре: он должен перемещаться свободно, без закусывания. При наличии загрязнений протрите детали ветошью, смоченной в керосине. Не используйте смазки до полной сборки – излишки могут мешать свободному ходу механизма.
Осмотрите посадочные поверхности на втулке и внутри корпуса редуктора. Наличие выработки требует замены деталей. Особое внимание уделите посадке пружины: если она просела или перекошена, восстановление нормального удара невозможно.
По завершении осмотра детали укладываются в том порядке, в котором извлекались, для последующей корректной сборки. Нарушение порядка может привести к некорректной работе ударного узла.
Разборка переключателя режимов и его фиксаторов

Перед разборкой переключателя убедитесь, что инструмент отключён от сети и полностью разобрана передняя часть корпуса.
- Поверните переключатель режимов в положение «удар без вращения».
- Плоской отвёрткой аккуратно подденьте декоративную крышку переключателя. Она удерживается на защёлках, приложите усилие равномерно, чтобы не сломать направляющие.
- Снимите крышку и зафиксируйте положение внутреннего механизма, чтобы избежать самопроизвольного вращения вала.
- Извлеките стопорное кольцо. Оно удерживает фиксатор переключателя в корпусе. Используйте тонкий пинцет или съёмник стопорных колец.
- Осторожно извлеките шарик фиксатора и пружину. Удерживайте их при демонтаже, так как детали подпружинены и могут вылететь.
- Снимите сам переключатель. Он посажен на шлицевую втулку, может потребоваться лёгкое раскачивание.
При сборке:
- Убедитесь, что шарик входит в соответствующую канавку на втулке.
- Пружина должна быть без деформаций и иметь исходную длину (приблизительно 10 мм).
- Фиксация стопорного кольца должна быть плотной, без люфтов.
Проверка переключателя проводится вручную: поворот должен быть чётким, с фиксацией в каждом положении без заеданий.
Как снять и заменить щётки электродвигателя

Отключите перфоратор Makita HR2450 от сети. Снимите заднюю крышку корпуса, открутив четыре винта крестовой отверткой. Крышка снимается вместе с резиновым кольцом уплотнения – аккуратно извлеките его, чтобы не повредить.
Щёткодержатели расположены по обе стороны якоря. Каждая щётка прижата пружиной внутри направляющего канала. Отсоедините пружину, отведя её в сторону тонкой отвёрткой, затем аккуратно вытяните износившуюся щётку.
Осмотрите контактные пластины и графитовый след на коллекторе. Если щётки стерты до 5 мм или менее, требуется замена. Используйте оригинальные графитовые щётки Makita CB-325, рассчитанные на данную модель.
Установите новые щётки, следя за тем, чтобы они свободно скользили в канале и не заклинивали. Прижмите пружину обратно. Повторите действия для второй щётки.
После установки щёток проверьте легкость вращения якоря. Закройте корпус и затяните винты. Рекомендуется обкатать новые щётки в течение 10–15 минут работы на холостом ходу.
Пошаговая разборка якоря и статора

Снимите заднюю крышку корпуса перфоратора, открутив крепёжные винты крестовой отверткой. Отсоедините щётки от контактных колец якоря, аккуратно поддев их пластиковым инструментом, чтобы не повредить провода.
Выверните четыре крепёжных болта, фиксирующих якорь внутри корпуса. Осторожно извлеките якорь, вращая его с небольшим усилием – на втулках подшипников может быть плотная посадка.
Для снятия подшипников используйте пресс или специальный съемник, чтобы избежать деформации вала якоря. Осмотрите кольца коллектора на наличие износа и загрязнений; при необходимости зачистите мелкой наждачной бумагой зернистостью 600–800.
Статор фиксируется четырьмя винтами вокруг корпуса – выкрутите их. Аккуратно выньте статор, следя, чтобы не повредить обмотку. При наличии следов перегрева или запаха горелого изоляционного лака рекомендуется проверка сопротивления обмотки мультиметром.
Осмотрите изоляцию обмотки статора на наличие трещин и повреждений. При необходимости выполните повторную пропитку изоляционным лаком и просушку в термокамере при температуре 120 °C в течение 1 часа.
Особенности сборки после технического обслуживания

Перед сборкой обязательно проверить состояние уплотнительных колец на патроне и сальниках вала – изношенные элементы требуют замены для предотвращения попадания пыли и смазки на двигатель. Смазка редуктора должна быть свежей, использовать только фирменную литиевую смазку Makita с указанием маркировки, иначе повышается износ зубьев.
При установке боевой муфты важно выдержать момент затяжки фиксирующего кольца – слишком сильное давление вызовет деформацию, слишком слабое приведет к люфтам и ускоренному износу. Легкое смазывание контактов выключателя увеличит срок службы без сбоев в работе.
Проверка правильного позиционирования зубчатого венца редуктора гарантирует точное взаимодействие с валом двигателя, что снижает вибрацию и шум. После сборки механизма необходимо вручную прокрутить патрон, чтобы убедиться в отсутствии заеданий и равномерности вращения.
Подключение электрического кабеля требует особого внимания к надежности контактов и изоляции – даже минимальные повреждения изоляции могут вызвать короткое замыкание при высокой нагрузке. Рекомендуется использовать оригинальные разъемы и фиксирующие элементы.
Завершающий этап – проверка работы перфоратора без нагрузки на коротком режиме. Отсутствие посторонних звуков, равномерность вращения и корректное срабатывание режимов подтверждают правильность сборки.
Вопрос-ответ:
Какие инструменты и материалы нужны для разборки перфоратора Makita HR2450?
Для разборки перфоратора Makita HR2450 потребуются крестовая и плоская отвертки, шестигранные ключи (обычно 3 или 4 мм), чистая ткань или тряпка, а также контейнер для мелких деталей. Дополнительно полезно иметь смазку для редуктора и небольшую кисточку для очистки внутренних частей от пыли и грязи.
Как правильно снять патрон и редуктор с перфоратора Makita HR2450, чтобы не повредить механизм?
Сначала отключите инструмент от электросети. Затем отверткой открутите винты крепления корпуса, аккуратно разделите две половинки. Для снятия патрона потребуется зафиксировать его, чтобы избежать прокручивания, и аккуратно выкрутить крепеж. Редуктор снимается после удаления фиксирующих элементов — обычно это несколько винтов и стопорных колец. Важно не применять чрезмерную силу, чтобы не повредить зубья шестерёнок и подшипники.
Что делать, если при разборке перфоратора Makita HR2450 обнаружены изношенные детали редуктора?
Если заметны следы износа или повреждения на шестернях или подшипниках, рекомендуется заменить их новыми, совместимыми с моделью HR2450. Продолжать эксплуатацию с такими деталями не стоит, так как это может привести к более серьёзным поломкам. При отсутствии запасных частей можно обратиться в специализированные сервисные центры, где сделают замену или ремонт на профессиональном уровне.
Как правильно смазать внутренние механизмы перфоратора Makita HR2450 после разборки?
После очистки всех деталей от старой смазки и пыли следует нанести новую смазку на шестерни редуктора, подшипники и направляющие втулки. Используйте смазку, рекомендованную производителем, обычно это литиевая или специализированная для электроинструментов. Наносить нужно ровным слоем, чтобы не было излишков, которые могут попасть на электродвигатель или контакты. Затем аккуратно соберите инструмент, проверяя, чтобы все части были на своих местах и двигались свободно.
