
Реле контроля фаз применяются для защиты трёхфазного оборудования от опасных режимов работы, связанных с нарушением порядка чередования, перекосом фазных напряжений, а также с обрывом одной или нескольких фаз. Устройства этого типа реагируют на отклонения параметров питающей сети и позволяют своевременно отключить нагрузку, предотвращая выход из строя электродвигателей, трансформаторов и другого оборудования с трёхфазным питанием.
Наиболее распространённые ситуации, при которых требуется установка реле контроля фаз: подключение асинхронных двигателей, эксплуатация автоматических систем вентиляции, насосных станций, подъёмных механизмов. В этих случаях отказ одной фазы или её неправильное подключение может привести к перегреву обмоток, перекосу магнитного поля и механическим повреждениям.
Реле контроля фаз могут выполнять несколько функций одновременно: контроль порядка следования фаз (например, для предотвращения вращения электродвигателя в обратную сторону), обнаружение асимметрии напряжений, контроль минимального и максимального уровня питающего напряжения. Некоторые модели также позволяют настраивать время задержки срабатывания, чтобы исключить ложные срабатывания при кратковременных просадках.
Рекомендуется использовать реле контроля фаз с встроенной индикацией состояния сети, что облегчает диагностику при обслуживании. При выборе устройства следует учитывать номинальное напряжение сети, тип нагрузки и характеристики системы автоматического управления, в которую будет интегрировано реле.
Контроль чередования фаз для предотвращения обратного вращения двигателей

Обратное вращение электродвигателей при неправильном чередовании фаз способно вызвать серьёзные последствия: механические повреждения оборудования, отказ технологических процессов, аварийные остановки. Особенно чувствительны к такому нарушению насосные агрегаты, компрессоры и вентиляторы с направленной крыльчаткой.
Для исключения этих ситуаций применяются реле контроля чередования фаз, которые автоматически отслеживают правильность подключения фаз в трехфазной сети. При обнаружении неправильного порядка, реле блокирует пуск двигателя, предотвращая его запуск с обратным вращением. Это особенно актуально на объектах, где допускается ручное подключение оборудования или возможны переподключения после ремонтных работ.
Реле обычно реагируют на неправильное чередование в течение 0,1–0,5 секунды и не допускают включение исполнительных механизмов. В некоторых моделях предусмотрен световой или звуковой сигнал, а также возможность дистанционного оповещения через системы АСУ ТП.
Рекомендуется использовать реле контроля фаз в цепях управления магнитными пускателями, где размыкание контактов реле физически блокирует включение двигателя. Это обеспечивает дополнительную защиту при автоматических и ручных запусках, а также при перебоях в электроснабжении и повторных включениях.
При выборе устройства следует учитывать номинальное напряжение, диапазон рабочих температур, габариты, метод установки (на DIN-рейку или в корпус щита) и наличие регулировок чувствительности. Использование реле с функцией контроля направления вращения позволяет сократить количество аварий, связанных с неправильным подключением и эксплуатацией трехфазного оборудования.
Защита оборудования при пропадании одной или нескольких фаз
Пропадание одной или двух фаз в трёхфазной системе питания приводит к несимметрии напряжений и перегрузке электрических двигателей, трансформаторов, систем автоматики. Наиболее уязвимы асинхронные двигатели с короткозамкнутым ротором – при потере одной фазы и сохранении нагрузки ток в оставшихся фазах возрастает в 1,7–2 раза, что может привести к перегреву и выходу из строя обмоток за несколько минут.
Реле контроля фаз фиксирует обрыв одной или двух фаз и мгновенно разрывает цепь управления пускателем, отключая питание потребителя. Это особенно актуально при работе с насосами, вентиляторами, компрессорами, где остановка без отключения может вызвать блокировку вала и повреждение механической части.
Настройка реле контроля фаз осуществляется с учётом типа нагрузки и допустимого времени реакции. Большинство моделей срабатывают при снижении напряжения на одной из фаз ниже 80–85% номинала или при полном его исчезновении. В некоторых устройствах предусмотрена задержка отключения (до 10 секунд), исключающая ложные срабатывания при кратковременных просадках напряжения.
Для надёжной защиты оборудования рекомендуется использовать реле, контролирующие как наличие фаз, так и уровень напряжения по каждой фазе. Это особенно важно в распределительных шкафах, питающих несколько ответственных нагрузок – отказ одного из элементов без отключения всей системы создаёт риск незаметного выхода из строя отдельных узлов.
В системах с автоматическим вводом резерва (АВР) реле контроля фаз также используется для оценки качества напряжения от основного и резервного ввода. Если одна из фаз отсутствует, реле не разрешает подключение соответствующего источника, предотвращая нестабильную работу потребителей.
Обнаружение асимметрии фазных напряжений в трехфазной сети

Асимметрия фазных напряжений возникает при неравномерной нагрузке, обрыве одного из проводников или дефектах источника питания. Это приводит к перегреву обмоток электродвигателей, снижению КПД и риску выхода оборудования из строя.
Реле контроля фаз позволяет выявить отклонения между фазами, сравнивая амплитудные значения напряжений. Если разница превышает допустимый порог (обычно 10–15 % от номинала), реле формирует сигнал отключения. Такой подход исключает длительное воздействие перекоса напряжений на оборудование.
Для точного контроля необходимо выбирать реле с возможностью настройки порога асимметрии и времени задержки срабатывания. Это позволяет избежать ложных отключений при кратковременных переходных процессах. При выборе реле следует учитывать класс точности измерения и допустимый диапазон входных напряжений.
Монтаж реле осуществляется на вводе трехфазной линии, до основного коммутационного оборудования. Желательно использовать устройства, способные одновременно контролировать не только симметрию напряжений, но и наличие всех фаз, правильность чередования, а также минимальные и максимальные уровни напряжения.
Игнорирование асимметрии может привести к недопустимым токам в нулевом проводе и появлению вибраций в электродвигателях. В системах с ответственной нагрузкой рекомендуется установка реле с цифровой индикацией и возможностью передачи сигнала на АСУТП или диспетчерский пункт.
Применение реле контроля фаз в системах автоматического ввода резерва

При потере одной или нескольких фаз, снижении напряжения ниже заданного порога или нарушении чередования фаз, реле формирует сигнал для отключения поврежденного источника и подключения резервного питания. Это предотвращает подачу нестабильного или опасного напряжения на потребители, защищая оборудование и минимизируя простои.
В системах АВР рекомендуются реле с возможностью настройки уставок напряжения и времени срабатывания, что исключает ложные срабатывания при кратковременных провалах или выбросах напряжения. Типичные диапазоны уставок для контроля фазных напряжений – 0,8…1,15 номинального значения с выдержкой времени от 0,1 до 3 секунд.
Пример схемы работы АВР с использованием реле контроля фаз:
| Событие | Действие реле контроля фаз | Результат |
|---|---|---|
| Исчезновение одной фазы на основном вводе | Срабатывание реле, отключение основного ввода | Автоматическое подключение резервного источника |
| Нарушение чередования фаз | Блокировка включения нагрузки | Защита двигателей от обратного вращения |
| Возврат нормального напряжения | Задержка времени на возврат, отключение резерва | Плавное переключение на основной ввод |
Выбор реле должен учитывать тип нагрузки и требования к быстродействию. Для электродвигателей рекомендуется использовать устройства с контролем чередования фаз и задержкой срабатывания, чтобы избежать ложных переключений. Для критичных потребителей важно использовать реле с диагностикой и сигнализацией, что позволяет своевременно обнаружить проблемы на электросети.
Внедрение реле контроля фаз в системы АВР увеличивает надежность электроснабжения и снижает риски повреждения оборудования, что оправдывает затраты на их установку и настройку.
Использование в составе систем защиты электродвигателей
Реле контроля фаз применяются для оперативного выявления отклонений в параметрах питающей сети, способных привести к повреждению электродвигателей. Основные задачи – контроль наличия всех трех фаз, правильного порядка чередования фаз и симметрии напряжений.
Отсутствие одной или нескольких фаз вызывает режим «одной фазы», при котором электродвигатель перегревается из-за увеличения тока в оставшихся фазах. Реле фиксирует это состояние и отключает питание до устранения неисправности.
Изменение порядка чередования фаз ведет к обратному вращению ротора, что критично для насосов, вентиляторов и других механизмов с определенным направлением вращения. Контроль чередования фаз исключает такие повреждения.
Реле контроля фаз также фиксируют асимметрию напряжений, превышающую заданный порог (обычно 10-15%). Асимметрия вызывает дисбаланс токов в обмотках двигателя, что снижает ресурс и увеличивает износ изоляции.
Для систем защиты электродвигателей рекомендуются реле с регулировкой порогов срабатывания и выдержкой времени. Выдержка времени исключает ложные отключения при кратковременных пульсациях напряжения, обеспечивая надежную защиту без снижения надежности работы оборудования.
Подключение реле осуществляется по схеме, обеспечивающей контроль входных напряжений до пускового устройства двигателя (контактор, пускатель). Рекомендуется интегрировать реле в цепи блокировки пуска и аварийного отключения.
Использование реле контроля фаз позволяет предотвратить дорогостоящие ремонты, снизить риск аварийных остановок и увеличить срок службы электродвигателей за счет своевременного реагирования на отклонения питающей сети.
Особенности работы реле контроля фаз в сетях с нестабильным напряжением

В сетях с нестабильным напряжением реле контроля фаз сталкиваются с повышенными требованиями к точности и надежности срабатывания. Колебания уровня напряжения и частоты могут вызвать ложные срабатывания или, наоборот, задержки в защите оборудования.
Основные технические моменты, влияющие на работу реле в таких условиях:
- Диапазон допустимых отклонений напряжения должен учитывать амплитудные колебания сети, обычно в пределах ±15-20% от номинала.
- Функция гистерезиса и задержка времени срабатывания позволяют избежать срабатываний при кратковременных пульсациях напряжения.
- Необходимо предусмотреть настройку времени задержки срабатывания, исходя из характера нестабильности сети и особенностей подключаемого оборудования.
- Реле должно контролировать не только наличие и величину напряжения, но и порядок и симметрию фаз, чтобы предотвратить работу при асимметрии или обратном чередовании.
Для повышения надежности в таких сетях рекомендуется:
- Использовать модели реле с расширенными параметрами регулировки порогов напряжения и времени задержки.
- Применять реле с цифровой обработкой сигналов, обеспечивающей фильтрацию помех и устранение ложных срабатываний.
- Регулярно проводить проверку и калибровку реле для учета изменений параметров сети с течением времени.
- При необходимости использовать дополнительные устройства стабилизации напряжения или источники бесперебойного питания.
В условиях нестабильного напряжения корректная настройка реле контроля фаз снижает риск повреждений электродвигателей и другого оборудования, продлевая срок их эксплуатации.
Вопрос-ответ:
Для чего устанавливают реле контроля фаз в трехфазных электросетях?
Реле контроля фаз предназначено для контроля наличия всех трех фаз, правильного порядка их чередования и симметрии напряжений. Оно защищает оборудование от повреждений, вызванных пропаданием одной или нескольких фаз, неправильным чередованием, а также значительным перекосом напряжений.
Какие параметры электросети контролирует реле контроля фаз?
Основные параметры — это наличие всех трех фаз, порядок их чередования и величина фазных напряжений. Кроме того, устройство способно обнаруживать перекос фазных напряжений и отсутствие одной или нескольких фаз.
Как реле контроля фаз влияет на работу электродвигателей?
Реле предотвращает запуск электродвигателей при неправильном порядке фаз, что исключает обратное вращение ротора. Также оно защищает двигатель от повреждений, возникающих из-за пропадания или перекоса фаз, отключая питание при возникновении опасных условий.
Можно ли использовать реле контроля фаз в сетях с нестабильным напряжением?
Да, но при этом требуется выбирать модели с соответствующим диапазоном настройки и временем срабатывания, чтобы избежать ложных отключений при кратковременных колебаниях. Некоторые реле имеют фильтры или задержки срабатывания для адаптации к условиям нестабильной сети.
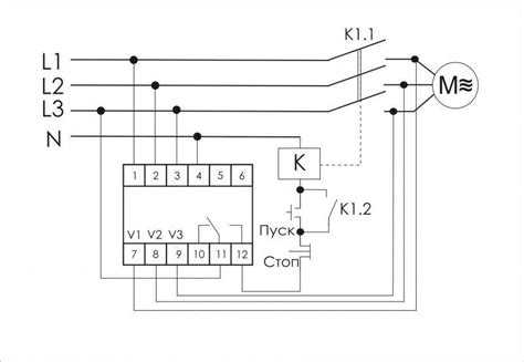
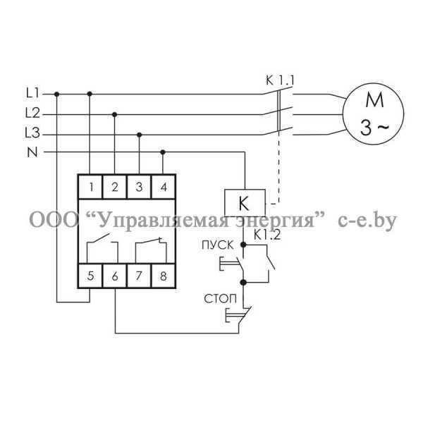
Как подключается реле контроля фаз в схему электросети?
Реле подключается к фазным проводам, которые необходимо контролировать. Обычно устройство имеет входы для трех фаз и выходные контакты для управления цепью нагрузки или системы автоматики. Правильное подключение учитывает последовательность фаз и требования конкретного оборудования.
Для чего устанавливают реле контроля фаз в трехфазных электросетях?
Реле контроля фаз служит для контроля правильности подачи напряжения в трехфазной системе. Оно следит за наличием всех фаз, проверяет их последовательность и равенство напряжений. При обнаружении отклонений — например, пропадании одной из фаз, изменении порядка или перекосе напряжений — устройство отключает питание или сигнализирует о неисправности. Это предотвращает повреждение подключенного оборудования, особенно электрических двигателей, которые чувствительны к нарушениям в фазах. Таким образом, реле защиты обеспечивает сохранность техники и безопасность эксплуатации сети.
