
Электромагнитный пускатель применяется для дистанционного включения и отключения электродвигателей и других мощных потребителей тока. Его основное назначение – управление рабочими токами без участия оператора и без прямого контакта с силовой цепью. Это особенно актуально в промышленных и производственных установках, где требуется частое и надёжное коммутационное управление.
Типовая схема подключения пускателя включает в себя катушку управления, силовые контакты и тепловое реле. Катушка замыкается через управляющую кнопку или релейную схему, после чего силовые контакты подают питание на нагрузку. В случае перегрузки тепловое реле отключает питание, защищая двигатель от перегрева. Таким образом, пускатель выполняет сразу несколько функций: включение, отключение и защита.
При проектировании схем следует учитывать тип пускателя – с нормально открытыми или нормально закрытыми контактами, напряжение катушки и наличие встроенного теплового реле. Например, для однофазных двигателей часто применяются пускатели с катушкой на 220 В, тогда как в трёхфазных сетях предпочтительнее использовать устройства с катушкой на 380 В и дополнительной защитой по фазам.
Практическое применение охватывает такие задачи, как автоматизация насосных станций, вентиляционного оборудования, компрессоров и деревообрабатывающих станков. Во всех этих случаях пускатель обеспечивает стабильную работу при кратковременных пусках и длительных нагрузках, сохраняя ресурс основного оборудования и минимизируя риски отказов.
Подключение электромагнитного пускателя в однофазную сеть

Для однофазных сетей (220 В) подключение электромагнитного пускателя требует особого внимания к схеме управления и защите. В отличие от трёхфазного подключения, где пускатель коммутирует три линии, здесь задействуются только два провода: фаза и ноль.
Основная задача – правильно организовать питание катушки пускателя. Чаще всего используется катушка на 220 В переменного тока, подключаемая параллельно нагрузке. Фазный провод подаётся на один из контактов катушки напрямую, а второй контакт подключается через управляющую цепь: тепловое реле, кнопку «Пуск» (нормально-разомкнутую) и кнопку «Стоп» (нормально-замкнутую).
Для устойчивого включения пускателя после отпускания кнопки «Пуск» применяется схема самоподхвата. Один из нормально-разомкнутых контактов самого пускателя подключается параллельно кнопке «Пуск». При замыкании он продолжает подавать питание на катушку до тех пор, пока не разомкнётся кнопка «Стоп» или не сработает тепловая защита.
Коммутационные контакты пускателя подключаются последовательно в фазный провод, ведущий к нагрузке. Нулевой провод идёт напрямую к потребителю. При этом важно учитывать токовую нагрузку контактов – большинство бытовых моделей рассчитаны на ток до 25 А.
Рекомендуется: использовать пускатели с встроенной тепловой защитой, особенно при подключении асинхронных однофазных двигателей. Также следует монтировать схему через автоматический выключатель, подобранный по току и характеру нагрузки.
Монтаж должен выполняться в соответствии с ПУЭ, с соблюдением требований к заземлению и выбору сечения проводов.
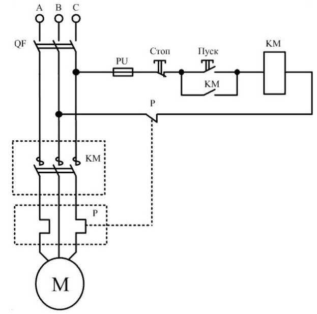
Схема управления электродвигателем с защитой от перегрузки

Для управления электродвигателем с применением электромагнитного пускателя и защиты от перегрузки используется схема, включающая автоматический выключатель, тепловое реле и кнопку управления. Питание подаётся через автомат, обеспечивающий защиту цепи от короткого замыкания. После него в цепь последовательно включается тепловое реле, настроенное на номинальный ток двигателя.
Катушка электромагнитного пускателя подключается через нормально-замкнутый контакт теплового реле и цепь управления с кнопками «Пуск» и «Стоп». Кнопка «Стоп» устанавливается в разрыв цепи, а «Пуск» – параллельно нормально-открытому вспомогательному контакту пускателя. После нажатия на «Пуск», катушка втягивает сердечник, замыкая силовые контакты и подавая напряжение на электродвигатель. Параллельное включение вспомогательного контакта обеспечивает самоподхват, позволяя катушке оставаться под напряжением после отпускания кнопки.
При перегрузке двигателя тепловое реле срабатывает, размыкая свою нормально-замкнутую контактную группу в цепи катушки, что приводит к отключению пускателя и разрыву цепи питания двигателя. Тепловое реле должно быть подобрано по характеристикам конкретного двигателя с учётом его номинального тока и условий запуска.
Для повышения надёжности рекомендуется применять устройства с возможностью ручного и автоматического возврата после срабатывания тепловой защиты, а также следить за состоянием контактов и изоляции проводников. Цепь управления может работать как от той же фазы, что и силовая часть, так и от отдельного пониженного источника питания, при условии соблюдения требований безопасности.
Использование пускателя в реверсивных схемах

Реверсивные схемы управления двигателями используются для изменения направления вращения. Это достигается благодаря применению двух пускателей, которые переключают фазы, изменяя направление тока, подаваемого на двигатель. При этом важно, чтобы в любой момент времени был включён только один пускатель, иначе возможно короткое замыкание.
Основной задачей пускателей в таких схемах является управление катушками реверсивных контакторов, которые поочерёдно замыкают цепи питания для каждого направления вращения. Электрическая и механическая блокировка пускателей предотвращает одновременное включение обеих цепей, что критично для безопасности.
- Электрическая блокировка используется через нормально замкнутые контакты каждого пускателя, соединённые с катушкой противоположного пускателя. Это позволяет отключать одну катушку при включении другой.
- Механическая блокировка предотвращает физическую возможность включения двух пускателей одновременно, устраняя риск короткого замыкания.
Для управления реверсивной схемой используется две кнопки: одна для запуска двигателя в одном направлении, другая – в противоположном. Кнопка «Стоп» отключает оба пускателя, гарантируя безопасность при остановке.
- Подбираются пускатели с номиналом тока, соответствующим рабочему току двигателя с запасом на пусковые токи.
- Устанавливаются тепловые реле, рассчитанные на максимальную нагрузку двигателя.
- Монтируются элементы блокировки, чтобы предотвратить одновременное включение пускателей.
- Производится подключение кнопок управления, катушек и проверка работы схемы.
Пускатели в реверсивных схемах широко используются для асинхронных двигателей в системах вентиляции, подъёмных механизмов и других устройствах, где требуется смена направления вращения. Основное внимание следует уделить надёжной настройке блокировок и проверке всех подключений перед запуском системы.
Организация дистанционного запуска оборудования

Электромагнитный пускатель позволяет реализовать дистанционное управление электродвигателями и другим оборудованием, что особенно актуально при необходимости пуска с удалённых постов или из щита управления. Основной принцип заключается в замыкании управляющей цепи катушки пускателя через выносные кнопки или переключатели.
Для организации дистанционного запуска требуется установка кнопочного поста с нормально разомкнутой кнопкой «Пуск» и нормально замкнутой кнопкой «Стоп». Эти элементы подключаются последовательно в цепь управления катушкой. Нажатие кнопки «Пуск» подаёт питание на катушку, вызывая замыкание силовых контактов пускателя. Контакт самоподхвата (вспомогательный контакт NO, подключаемый параллельно кнопке «Пуск») удерживает цепь при отпускании кнопки.
Для защиты цепи управления от обрыва и случайного срабатывания рекомендуется установка автоматического выключателя с характеристикой типа B или С и номиналом, соответствующим току катушки. Если длина линии управления превышает 10 метров, следует использовать провода с сечением не менее 1,5 мм² и обеспечить экранирование от наводок, особенно при наличии частотных преобразователей или другого импульсного оборудования.
При использовании нескольких пускателей на одном объекте необходимо исключить перекрёстные связи между управляющими цепями. Это достигается применением промежуточных реле или логических блоков, обеспечивающих независимость каналов и защиту от ложного включения.
Для оборудования, расположенного на открытых площадках, пускатели рекомендуется размещать в герметичных шкафах с уровнем защиты не ниже IP54, а дистанционные посты – использовать с маркировкой IP65 и надёжной фиксацией проводов в гермовводах.
Организация индикации состояния оборудования осуществляется через вспомогательные контакты пускателя. Их подключение к сигнальным лампам на панели управления позволяет визуально контролировать состояние: включено, отключено, авария.
Включение пускателя через кнопку «Пуск-Стоп»

Для управления электромагнитным пускателем применяется схема с кнопками «Пуск» и «Стоп», обеспечивающая дистанционное включение и отключение нагрузки. Кнопка «Пуск» – нормально разомкнутая (НР), кнопка «Стоп» – нормально замкнутая (НЗ).
При нажатии «Пуск» через кнопку подается питание на катушку пускателя, замыкается вспомогательный контакт пускателя, который удерживает цепь включенной после отпускания кнопки. Это обеспечивает самоподдержание цепи.
Нажатие кнопки «Стоп» разрывает цепь питания катушки, что приводит к размыканию главных контактов пускателя и отключению нагрузки. Вспомогательный контакт пускателя также размыкается, разрывая цепь самоподдержания.
Рекомендуется использовать контакты пускателя с минимальной токовой нагрузкой, соответствующей силе тока катушки. Для защиты кнопок и цепи управления следует применять предохранители или автоматические выключатели с уставками по току не выше 1А.
При подключении кнопок важно соблюдать правильную полярность и обеспечить надежный контакт, чтобы избежать ложных срабатываний. Соединения выполняются проводами сечением 0,75–1 мм².
Для повышения безопасности и предотвращения аварийного запуска допускается установка дополнительных защитных элементов, например, блокировочных реле или цепей контроля положения пускателя.
Учет блокировок и межблочной защиты в схемах с пускателем

Блокировки и межблочная защита обеспечивают надежность и безопасность при эксплуатации электромагнитных пускателей, предотвращая одновременное включение конфликтующих цепей и снижая риск повреждений оборудования.
Основные виды блокировок в схемах с пускателями:
- Электрические блокировки – предотвращают одновременное включение двух или более пускателей через контакты вспомогательных реле или самих пускателей.
- Механические блокировки – физически препятствуют одновременному включению, чаще применяются в реверсивных схемах для предотвращения короткого замыкания.
При проектировании схем с несколькими пускателями рекомендуется использовать следующие методы межблочной защиты:
- Установка нормально замкнутых контактов одного пускателя в цепь управления другого для исключения параллельного включения.
- Использование вспомогательных реле с блокирующими контактами, обеспечивающих контроль состояния каждого пускателя.
- Подключение сигнальных цепей с индикацией состояния пускателей для оперативного контроля и предотвращения ошибок оператора.
При монтаже необходимо тщательно проверить правильность подключения блокировочных контактов, учитывая напряжение управления и номиналы элементов для исключения ложных срабатываний.
Рекомендуется предусматривать схемы самоблокировки пускателя, когда включение осуществляется через кнопку «Пуск», а удержание – через собственный замыкающий контакт, что снижает вероятность одновременного включения нескольких устройств.
Для обеспечения межблочной защиты в реверсивных схемах обязательна установка двух видов блокировок:
- Электрическая блокировка – контакты одного пускателя размыкают цепь другого.
- Механическая блокировка – жесткая связь с рычагом другого пускателя, исключающая механическое включение обоих одновременно.
При настройке схем важно контролировать время срабатывания и отпускания блокировочных контактов, чтобы избежать «наложения» сигналов и ложных срабатываний.
Нарушение правил учета блокировок приводит к перегрузкам, авариям и выходу оборудования из строя. Правильное проектирование и проверка межблочной защиты являются обязательным этапом при создании и обслуживании схем с электромагнитными пускателями.
Вопрос-ответ:
Для каких типов электрических цепей обычно применяют электромагнитные пускатели?
Электромагнитные пускатели широко применяют в цепях управления электродвигателями переменного тока, особенно для включения и отключения нагрузки средней и большой мощности. Их используют в схемах автоматизации, промышленном оборудовании, вентиляционных системах и конвейерах, где требуется надежное дистанционное управление и защита от перегрузок.
Какие преимущества даёт использование электромагнитного пускателя в сравнении с простым выключателем?
В отличие от обычного выключателя, электромагнитный пускатель обеспечивает быстрое и безопасное включение и отключение нагрузки без искрения на контактах. Кроме того, он допускает интеграцию с дополнительными устройствами защиты, кнопками управления и автоматикой, что облегчает обслуживание и снижает риск повреждения оборудования.
Как происходит управление электромагнитным пускателем в схеме с кнопками «Пуск» и «Стоп»?
При нажатии кнопки «Пуск» через цепь управления подаётся питание на катушку пускателя, что приводит к замыканию его главных контактов и включению нагрузки. Кнопка «Стоп» разрывает цепь питания катушки, что отключает пускатель и нагрузку. Часто применяется схема с самоподхватом, когда контакты пускателя удерживают цепь питания после отпускания кнопки «Пуск».
Какие меры защиты применяют совместно с электромагнитными пускателями для предотвращения перегрузок?
В схемах с пускателями часто устанавливают тепловые реле перегрузки, которые реагируют на превышение тока выше нормы и разрывают цепь управления катушкой пускателя. Это предотвращает повреждение электродвигателя при длительной перегрузке или заклинивании ротора. Также применяют предохранители и автоматические выключатели для защиты от коротких замыканий.
Можно ли использовать электромагнитный пускатель для реверсирования направления вращения двигателя?
Да, электромагнитные пускатели часто применяют в реверсивных схемах, где два пускателя переключают последовательность подключения фаз двигателя. При этом важно обеспечить блокировку, чтобы исключить одновременное включение обоих пускателей, что могло бы привести к короткому замыканию. Для этого используют механические или электрические блокировки.
Как электромагнитный пускатель обеспечивает защиту и управление в электрических схемах?
Электромагнитный пускатель служит для включения и отключения электрических цепей под нагрузкой с помощью электромагнитного привода. Он позволяет управлять подачей питания на двигатель или другое оборудование дистанционно, обеспечивая безопасное и удобное управление. При перегрузках или коротких замыканиях пускатель в сочетании с защитными устройствами разрывает цепь, предотвращая повреждение оборудования. В схемах его устанавливают для автоматизации запуска и остановки, что сокращает ручные операции и повышает безопасность.
Какие особенности нужно учитывать при подключении электромагнитного пускателя к однофазной сети?
Подключение электромагнитного пускателя в однофазную сеть требует учёта номинального напряжения и силы тока, чтобы пускатель соответствовал параметрам нагрузки. Важно правильно подключить катушку управления к цепи управления с учётом напряжения катушки. При этом следует предусмотреть защиту от перегрузок и коротких замыканий, используя дополнительные устройства. Особенность однофазных сетей — отсутствие третьей фазы, что ограничивает применение трёхфазных пускателей, поэтому выбирается специальный пускатель или используется схема с дополнительными элементами для имитации трёхфазного запуска.
