
Трехфазный асинхронный двигатель на 380 В – один из наиболее распространённых типов электроприводов в промышленности и на производственных участках. Он отличается высокой надежностью, простотой обслуживания и устойчивостью к перегрузкам. Однако для его корректной работы требуется строгое соблюдение схем подключения и соответствие параметров сети.
Перед подключением двигателя необходимо убедиться, что обмотки соответствуют напряжению сети. Для сети 380 В обычно применяют схему соединения обмоток «звезда» или «треугольник». В большинстве случаев к сети подключаются двигатели, рассчитанные на 220/380 В или 380/660 В. Это указывается на шильдике двигателя: первое значение – напряжение при соединении «треугольник», второе – при «звезда».
Если на шильдике указано 220/380 В, двигатель должен быть подключен к сети 380 В по схеме «звезда», поскольку при соединении «треугольник» он рассчитан только на 220 В. Нарушение этого правила может привести к перегреву и выходу из строя обмоток. Если указано 380/660 В, разрешается использовать схему «треугольник» для подключения к 380 В, обеспечивая при этом полную мощность двигателя.
При подключении необходимо также учитывать направление вращения. Оно определяется чередованием фаз и может быть легко изменено путем замены двух фазных проводов местами. Это особенно важно для оборудования, чувствительного к направлению вращения, например, насосов или вентиляторов.
Для запуска мощных двигателей часто применяют устройства плавного пуска или магнитные пускатели с тепловым реле. Они защищают от перегрузок и обеспечивают стабильный запуск без скачков тока. Использование автоматических выключателей должно быть согласовано с номиналом тока двигателя, исходя из паспортных данных и условий работы.
Определение схемы подключения двигателя: звезда или треугольник

Если на заводской табличке указано: 380/220 В, это означает, что обмотки рассчитаны на 220 В, и при включении в трехфазную сеть 380 В следует использовать схему звезда, чтобы не повредить изоляцию. Напротив, если табличка содержит надпись 220/380 В, обмотки рассчитаны на 380 В, и можно применять схему треугольник при подключении к сети 380 В.
Для схемы «звезда» соединяются между собой концы обмоток U2, V2, W2. Фаза подается на начала U1, V1, W1. В результате на каждую обмотку подается фазное напряжение – 220 В при линейном 380 В. Для «треугольника» каждый конец одной обмотки соединяется с началом следующей: U1 с W2, V1 с U2, W1 с V2. Линейное напряжение 380 В прикладывается к каждой обмотке напрямую.
При невозможности определить параметры по шильдику следует использовать омметр. При последовательном прозвоне определяют пары с одинаковым сопротивлением – это начало и конец одной обмотки. Сопротивления должны быть примерно равны. После определения обмоток можно собрать нужную схему соединения.
При запуске двигателя через пускатель возможно использование перехода звезда–треугольник. Для этого двигатель должен иметь обмотки с номиналом 220/380 В. Пуск происходит по схеме звезда, затем автоматическое переключение на треугольник.
Ошибка в выборе схемы приводит к перегреву обмоток, падению крутящего момента или немедленному выходу двигателя из строя. Всегда сверяйтесь с паспортными данными.
Проверка соответствия двигателя параметрам электросети

Перед подключением трехфазного двигателя 380 В необходимо сопоставить его технические характеристики с параметрами локальной электросети. Несоответствие может привести к перегреву обмоток, потере мощности или выходу из строя пусковой аппаратуры.
Первым шагом проверяется напряжение: на паспортной табличке двигателя должно быть указано номинальное напряжение 380/660 В. Для подключения к сети 380 В обмотки соединяются по схеме «звезда». Если указано 220/380 В – такой двигатель можно использовать только через понижающий трансформатор или частотный преобразователь.
Далее сравнивается частота. Стандартная частота в российской сети – 50 Гц. При несовпадении частоты иномарочного оборудования (например, 60 Гц) с параметрами сети изменяется частота вращения и магнитные потери, что снижает ресурс двигателя.
Проверяется допустимый ток. Сила тока, указанная на шильдике двигателя, не должна превышать значение, которое может обеспечить автоматический выключатель и сечение кабеля. Например, если ток двигателя 5.2 А, кабель должен быть не менее 1.5 мм² при длине до 10 м и использоваться автомат на 10 А.
Также необходимо убедиться, что двигатель рассчитан на рабочую среду с аналогичными параметрами питающей сети: уровень гармоник, наличие скачков напряжения, длительность пусковых токов. При нестабильных сетях рекомендуется установка плавного пуска или частотного преобразователя с защитой от перенапряжения и перекоса фаз.
Выбор пусковой аппаратуры и средств защиты

При подключении трехфазного двигателя 380 В критически важен точный выбор пусковой аппаратуры и защитных устройств. Неправильная конфигурация приведет к перегреву обмоток, пробоям изоляции и выходу двигателя из строя.
- Для двигателей мощностью до 5,5 кВт рекомендуется использовать магнитный пускатель с тепловым реле, рассчитанным на номинальный ток двигателя с допуском ±10%.
- При мощности выше 5,5 кВт желательно применять плавный пускатель или частотный преобразователь. Это снижает пусковой ток в 2–3 раза и уменьшает механическую нагрузку на вал.
- Автомат защиты должен быть трехполюсным, с характеристикой типа C или D, в зависимости от пускового тока. Например, для двигателя 7,5 кВт (In ≈ 15 А) подойдет автомат на 20 А, тип D.
- Тепловое реле настраивается на ток, равный 1,05–1,1 от номинального. Например, при номинале 10 А реле выставляется на 10,5–11 А. Обязателен контроль времени срабатывания при 1,2 In – не более 60 секунд.
- Контактор выбирается по категории AC-3, его рабочий ток должен превышать номинальный ток двигателя минимум на 15–20%. Контакты должны иметь серебряное покрытие для устойчивости к дуге.
- Для защиты от перекоса фаз необходим реле контроля фаз с функцией обесточивания при пропадании или неправильной последовательности.
- Если двигатель установлен на удалении более 10 м от щита, в цепь управления добавляется промежуточное реле или контактор, исключающий падение напряжения на катушке пускателя.
Применение УЗО в цепи питания трехфазного двигателя нецелесообразно, за исключением особых требований (например, повышенная влажность). В таких случаях допустим только тип B с током утечки от 300 мА.
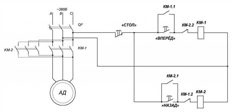
Подключение двигателя через магнитный пускатель

Магнитный пускатель используется для безопасного включения и отключения трёхфазного двигателя с возможностью дистанционного управления и защиты от перегрузок. Перед подключением необходимо убедиться в соответствии номинального напряжения катушки пускателя (обычно 220 В или 380 В) параметрам управляющей цепи.
Питающая сеть подключается к клеммам L1, L2, L3 пускателя. К выходным клеммам T1, T2, T3 подключаются фазы, идущие на клеммную коробку двигателя. В цепь питания обязательно устанавливается автоматический выключатель, рассчитанный на пусковой ток двигателя. Пускатель должен иметь тепловое реле, подключённое после магнитного блока, которое размыкает цепь при перегреве обмоток.
Управляющая кнопочная станция включает минимум две кнопки: «Пуск» и «Стоп». Кнопка «Пуск» замыкает цепь катушки, включая пускатель. Параллельно ей подключается нормально открытый контакт пускателя – самоблокировка. Кнопка «Стоп» разрывает цепь питания катушки, отключая двигатель. Все соединения выполняются медным проводом с сечением, соответствующим току нагрузки, с обязательной маркировкой жил.
Подключение выполняется в следующем порядке: монтаж защитного автомата, соединение питающих фаз с клеммами L1-L3, подключение двигателя к T1-T3, установка теплового реле, разводка управляющей цепи и проверка работы без нагрузки. При первом запуске следует проверить направление вращения и при необходимости поменять местами любые две фазы на выходе пускателя.
Схема подключения двигателя с использованием реле времени
Для запуска трехфазного двигателя 380 В с использованием реле времени применяют схему звезда–треугольник. Такая схема снижает пусковой ток, что особенно важно при подключении мощных двигателей.
Основные компоненты схемы: три магнитных пускателя (КМ1, КМ2, КМ3), тепловое реле, реле времени (КТ) и кнопки управления «Пуск» и «Стоп». КМ1 – главный пускатель, КМ2 – включает обмотки по схеме «звезда», КМ3 – переключает на «треугольник».
При подаче питания замыкается КМ1 и КМ2, обмотки соединяются звездой. Через реле времени КТ через установленный интервал (обычно 5–10 секунд) срабатывает КМ3, размыкает КМ2 и замыкает «треугольник». При этом КМ1 остается замкнутым до команды «Стоп».
Реле времени настраивается по паспорту двигателя. Важно учесть момент инерции нагрузки: при тяжелом запуске время перехода увеличивают до 15 секунд. При преждевременном переходе на «треугольник» возможно перегревание обмоток и срабатывание защиты.
Контакты реле времени должны быть рассчитаны на коммутацию управляющих цепей с индуктивной нагрузкой. Катушки пускателей подключаются через нормально замкнутые контакты других пускателей для исключения одновременного замыкания схем «звезда» и «треугольник».
Проводка должна выдерживать токи двигателя в режиме «треугольник». Использовать автоматический выключатель с характеристикой D, соответствующий номиналу двигателя. Все соединения выполнять с применением наконечников и клемм, обеспечивающих надежный контакт.
Установка теплового реле и настройка по току двигателя
Тепловое реле устанавливается в цепь статора для защиты двигателя от перегрузок по току. Основная задача – отключить питание при длительном превышении номинального тока, предотвращая перегрев обмоток.
- Выбор теплового реле производится по номинальному току двигателя. Например, для двигателя с током 10 А выбирается реле с диапазоном настройки от 8 до 12 А.
- Монтаж реле осуществляется на контактор, с которым оно работает в одном корпусе или в непосредственной близости для сокращения проводки и исключения помех.
- Перед подключением необходимо проверить соответствие параметров реле техническим характеристикам двигателя – напряжение, ток и тип двигателя (асинхронный с короткозамкнутым ротором).
- Подключение теплового реле производится последовательно в цепь питания статора: каждую фазу пропускают через отдельный тепловой элемент, либо через комбинированные элементы в зависимости от конструкции реле.
- После монтажа производится настройка уставки тока. Уставка выбирается в пределах 90–100% номинального тока двигателя для минимизации ложных срабатываний при пуске и кратковременных нагрузках.
- Проверить правильность установки уставки можно, измерив рабочий ток двигателя под нагрузкой мультиметром или амперметром, и сопоставив с текущей настройкой реле.
- Тепловое реле должно иметь плавный сброс после срабатывания (время выдержки не менее 10 секунд) для исключения повторных отключений при кратковременных перегрузках.
- Рекомендуется проводить регулярную проверку состояния и настройки теплового реле не реже одного раза в год, особенно при эксплуатации в тяжёлых условиях.
Правильная установка и точная настройка теплового реле обеспечивают надёжную защиту двигателя, продлевая срок его службы и снижая риск аварий.
Проверка направления вращения и его изменение
Для проверки направления вращения трехфазного двигателя подключите его к сети 380 В через защитный выключатель и минимальную нагрузку или холостой ход. Включите двигатель и визуально определите направление вращения вала или привода.
Если направление не совпадает с требуемым, поменяйте местами любые две фазы в подключении двигателя. Это изменит направление вращения на противоположное без изменения схемы подключения.
Рекомендуется фиксировать порядок подключения фаз при первом запуске, чтобы избежать ошибок при повторных проверках или обслуживании. Переключение фаз следует проводить только при отключенном напряжении и с соблюдением мер безопасности.
После изменения фаз повторно проверьте вращение под нагрузкой, чтобы убедиться в корректности направления и отсутствии вибраций или посторонних звуков.
Проверка изоляции обмоток перед подключением к сети

Перед подключением трехфазного двигателя 380 В необходимо измерить сопротивление изоляции обмоток мегаомметром с напряжением не ниже 500 В. Минимально допустимое значение сопротивления изоляции для двигателя мощностью до 5 кВт должно быть не менее 1 МОм, для более мощных – не ниже 2 МОм.
Измерения проводят между каждой обмоткой и корпусом двигателя, а также между фазами друг с другом. Если сопротивление ниже указанных норм, двигатель требует ремонта или замены изоляции, подключение запрещено.
При измерении важно выдерживать время теста не менее 1 минуты, фиксируя стабильное значение. Резкое снижение сопротивления или его рост с течением времени указывает на проблемы в изоляции, например, загрязнение или повреждения.
После измерений необходимо просушить обмотки при температуре 60-80 °C в течение нескольких часов, если сопротивление изоляции ниже нормы, затем повторить проверку. Игнорирование этих процедур может привести к короткому замыканию и аварийному отключению сети.
Вопрос-ответ:
Какие основные схемы подключения трехфазного двигателя к сети 380 В существуют?
Существует две распространённые схемы подключения трехфазного двигателя к сети 380 В — «звезда» и «треугольник». При подключении «звезда» каждая фаза обмотки подключается к своей фазе сети, а общий нейтральный проводник соединяет концы обмоток. При схеме «треугольник» концы обмоток соединяются попарно, образуя замкнутый контур, к которому подключаются три фазы сети. Выбор схемы зависит от характеристик двигателя и условий работы.
Как определить правильную последовательность фаз при подключении двигателя?
Последовательность фаз влияет на направление вращения ротора. Если двигатель вращается в обратную сторону, необходимо поменять местами любые две из трёх фаз, подключенных к обмоткам. Проверить направление вращения можно визуально при коротком запуске или с помощью специального прибора — фазометра. Правильное подключение обеспечивает нужное направление вращения и предотвращает поломки.
Нужно ли устанавливать защитные устройства при подключении трехфазного двигателя к сети 380 В?
Да, защита необходима для предотвращения повреждений двигателя и электросети. Обычно устанавливаются автоматические выключатели для защиты от перегрузок и короткого замыкания, а также тепловые реле, реагирующие на перегрев обмоток. Кроме того, рекомендуется применять защиту от утечки тока (УЗО) для безопасности людей. Без таких устройств риск аварий и повреждений значительно возрастает.
Можно ли подключить трехфазный двигатель к однофазной сети 220 В?
Подключение трехфазного двигателя напрямую к однофазной сети 220 В невозможно, так как для нормальной работы требуется три фазы с определённым сдвигом по напряжению. Для запуска в таких условиях используют специальные устройства, например, фазосдвигающие конденсаторы или частотные преобразователи, которые создают искусственные дополнительные фазы. Однако мощность и пусковые характеристики при этом снижаются.
Какие требования по сечению проводов при подключении трехфазного двигателя на 380 В?
Сечение проводов должно соответствовать силе тока, которую потребляет двигатель, и длине кабеля. Если сечение недостаточно велико, провода будут перегреваться, что приводит к повреждениям и снижению безопасности. Обычно сечение выбирается исходя из паспортных данных двигателя и стандартов электробезопасности. Рекомендуется использовать медные провода с запасом по току и соблюдать требования ПУЭ для прокладки кабеля.
Как правильно определить, подключен ли трехфазный двигатель к сети 380 В в «звезду» или «треугольник»?
Определить схему подключения можно по маркировке на клеммной коробке двигателя или по конфигурации соединений. Если выводы каждой фазы соединены вместе в одну точку, образуя «звезду», напряжение между любыми двумя фазами будет 380 В, а между фазой и нейтралью — около 220 В. В «треугольнике» каждая обмотка подключена последовательно между двумя фазами, и напряжение на каждой обмотке равно фазному напряжению сети, то есть 380 В. Обычно на двигателях есть схема с обозначениями U, V, W и соединениями клемм 1–6, что помогает визуально определить тип подключения.
Какие меры безопасности необходимо соблюдать при подключении трехфазного двигателя к сети 380 В?
Перед началом подключения следует отключить питание на распределительном щите и убедиться в отсутствии напряжения с помощью тестера. Все соединения должны быть надежно закреплены и изолированы, чтобы исключить короткое замыкание. Подключение рекомендуется выполнять по инструкции завода-изготовителя двигателя и с использованием соответствующих по сечению проводов и защитных устройств. Также важно правильно заземлить двигатель для предотвращения поражения электрическим током и защищать систему от перегрузок с помощью автоматических выключателей или плавких предохранителей.
