
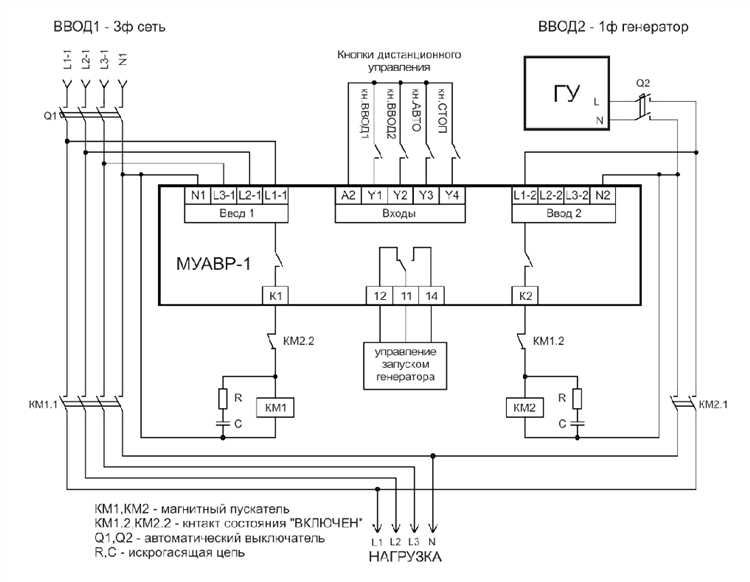
Автоматический ввод резерва (АВР) в системе электроснабжения с генератором обеспечивает переключение на резервный источник питания при отказе основного. В составе установки применяются устройства, контролирующие наличие напряжения на вводах, состояние нагрузки и готовность генератора к работе. При потере сетевого питания АВР подаёт сигнал на запуск генератора, переключает нагрузку и контролирует обратный переход после восстановления электроснабжения.
Для автономных генераторов, используемых на объектах с непрерывным потреблением электроэнергии (частные дома, серверные, насосные станции), АВР снижает риски отключения оборудования. Основные параметры при выборе устройства: номинальный ток, количество вводов, тип переключателя (контакторный или рубильниковый), а также совместимость с панелью управления генератора.
Монтаж АВР требует соблюдения ряда условий: установка автоматических выключателей на всех линиях, соблюдение селективности защиты, организация защитного заземления, а также настройка временных задержек на включение генератора и возврат на основное питание. Рекомендуется использовать устройства с возможностью ручного управления и визуальной индикацией состояний. При подключении к дизель- или бензогенератору важна точная настройка логики запуска и останова, чтобы избежать перегрузки и преждевременного износа оборудования.
Принцип работы АВР в системе резервного электроснабжения

Автоматический ввод резерва (АВР) обеспечивает быструю и надежную передачу нагрузки с основного источника питания на резервный при сбое питания. Основной элемент системы – управляющий модуль, отслеживающий параметры сети в реальном времени: фазное напряжение, частоту, симметрию фаз и наличие обрывов.
Когда фиксируется критическое отклонение, например, снижение напряжения ниже установленного порога (часто – 180–190 В для однофазной сети), АВР активирует логическую команду на запуск генератора. Одновременно отключается ввод от основной сети, чтобы исключить параллельную работу источников, что опасно для оборудования.
Алгоритм действий: обнаружение аварийного состояния → задержка (обычно 2–10 секунд для исключения кратковременных помех) → запуск генератора → стабилизация выходных параметров → переключение нагрузки.
После восстановления параметров основной сети АВР проводит обратное переключение по аналогичному алгоритму. Часто предусматривается дополнительная задержка (до 5 минут), исключающая ложные возвраты. Генератор отключается только после полной разгрузки и завершения цикла охлаждения (автоматическая продувка – до 1 минуты).
В системах с нагрузками критической категории применяются схемы с двойным контролем и ручным приоритетом, позволяющим оператору задавать предпочтительный источник. Это особенно актуально при нестабильной генерации или дефиците топлива.
Корректная настройка уставок времени и напряжения критична. Рекомендуется производить калибровку параметров на этапе пуско-наладки с учетом конкретной нагрузки и характеристик генератора.
Сценарии срабатывания АВР при потере напряжения в сети

Одна из ключевых задач системы автоматического ввода резерва (АВР) – обеспечить непрерывность электроснабжения при исчезновении напряжения на основном вводе. Реализация этого процесса зависит от конфигурации оборудования и типа объекта. Ниже рассмотрены конкретные сценарии срабатывания АВР при различных условиях пропадания напряжения в сети.
Если происходит полная потеря фазы или всех фаз на основном вводе, контроллер АВР фиксирует отклонение от нормальных параметров (напряжение ниже 85% от номинального уровня, фаза отсутствует более 0,5–1 секунды). В этом случае инициируется задержка – чаще всего от 1 до 10 секунд, чтобы исключить ложное срабатывание при кратковременных провалах. По истечении таймера система отключает ввод от городской сети, активирует стартер генератора и переключает нагрузку на резервный источник.
При обрыве нулевого провода или несимметрии фазного напряжения, если одна из фаз существенно превышает допустимые пределы (например, более 250 В при номинале 230 В), также происходит срабатывание АВР. Контроллер определяет аварийный режим по критическим параметрам и действует аналогично: переводит питание на генератор после задержки и успешного старта ДГУ.
Если восстановление напряжения в городской сети происходит во время работы генератора, АВР автоматически анализирует параметры входа. При стабильных значениях (обычно в пределах 95–105% от номинального напряжения и допустимого уровня частоты) происходит возврат на основной ввод. Перед переключением система отслеживает устойчивость сети в течение 10–30 секунд, чтобы исключить повторное срабатывание при нестабильности.
В конфигурациях с приоритетным питанием критически важного оборудования (например, серверных или систем жизнеобеспечения), АВР может быть дополнена логикой выбора нагрузки. При срабатывании резервного источника нагрузка распределяется по приоритету, исключая перегрузку генератора. Такой подход требует точной настройки параметров срабатывания и четкой схемы селективности.
Настройка сценариев АВР должна учитывать тип генератора, время его выхода на номинальные параметры, допустимую задержку на переключение и критичность питаемой нагрузки. Программируемые контроллеры (например, Schneider, Lovato, ComAp) позволяют гибко задать алгоритмы работы, включая условия возврата, количество попыток запуска и логику уведомлений при отказе.
Подключение АВР к генератору: схемы и особенности монтажа

Подключение автоматического ввода резерва (АВР) к электрогенератору требует точного соответствия схемы соединений с параметрами силовой сети и типа генератора. Основная задача – обеспечить корректное переключение питания между основным источником и резервным без задержек и повреждений оборудования.
В типичной трехфазной системе используется схема с автоматическим переключением контакторов или моторизированного рубильника, включающая в себя:
- силовые контакторы или автоматический выключатель на вводе от сети;
- отдельный ввод от генератора с собственным контактором или рубильником;
- блок управления АВР, синхронизированный с контроллером генератора;
- датчики напряжения на всех фазах для мониторинга параметров сети;
- блок запуска генератора (если запуск осуществляется автоматически);
- блок задержки возврата питания на основную сеть во избежание ложных срабатываний.
При монтаже АВР необходимо учитывать несколько ключевых особенностей:
Во-первых, коммутационное оборудование должно быть рассчитано на максимальные токи, возникающие при включении нагрузки, особенно если присутствуют индуктивные потребители. Выбор силовых контакторов и автоматов производится с учетом кратности пусковых токов.
Во-вторых, кабельные линии между АВР и генератором должны быть выполнены с минимальными потерями и надежной защитой от коротких замыканий. Рекомендуется использование бронированных кабелей с отдельным заземляющим проводником.
В-третьих, монтаж управляющей части должен исключать возможность ложного срабатывания. Это обеспечивается правильной прокладкой управляющих кабелей, исключающей помехи, и использованием реле контроля фаз, если питается трехфазная нагрузка.
Для автономных генераторов с автозапуском обязательно интегрировать систему дистанционного управления в контроллер АВР. Команды запуска и остановки должны передаваться с учетом времени прогрева и охлаждения двигателя.
Важно предусмотреть физическую блокировку одновременного включения обеих линий питания (сети и генератора) – как электрически, так и механически. Нарушение этой меры может привести к короткому замыканию или повреждению генератора.
Рекомендуется размещение всех компонентов в одном щите или шкафу с защитой от пыли и влаги, особенно при установке вне помещений. Все подключения должны выполняться с использованием наконечников и соответствующей маркировки проводов.
Финальное испытание системы после монтажа включает:
- проверку автоматического запуска генератора при отключении основного питания;
- оценку времени переключения;
- анализ синхронизации возврата на основной источник при восстановлении напряжения;
- проверку ручного режима управления (если предусмотрен);
- проверку всех защитных цепей, включая аварийную остановку генератора.
Корректное подключение АВР критично для надежности всей резервной системы. Нарушения в схеме или монтажных работах нередко приводят к отказу питания в ответственный момент. Именно поэтому проектирование и реализация должны выполняться с соблюдением всех технических норм и регламентов.
Типы автоматических вводов резерва для бытового и промышленного применения

Выбор типа автоматического ввода резерва (АВР) зависит от характера нагрузки, мощности системы, требований к надежности и условий эксплуатации. Конструктивно и функционально устройства делятся на несколько основных категорий, каждая из которых оптимальна для определённых сценариев использования.
- Однофазные АВР для бытовых систем. Используются в частных домах, коттеджах и небольших коммерческих объектах с однофазным подключением (220 В). Как правило, рассчитаны на токи до 63 А. Поддерживают ручной и автоматический режимы переключения. Чаще всего комплектуются встроенным контроллером, реле напряжения и таймером задержки старта.
- Трехфазные АВР для малых и средних объектов. Применяются в небольших предприятиях, магазинах, котельных. Напряжение – 380 В, токи до 160–250 А. Отличаются возможностью выбора приоритетной фазы, контролем перекоса фаз, наличием индикации и возможностью настройки параметров переключения.
- Модульные АВР на контакторах. Состоят из пары контакторов с механической блокировкой и контроллером логики переключения. Подходят для систем до 125 А. Часто применяются в квартирах, офисах, серверных комнатах. Уязвимы к сварке контактов при пусковых токах, поэтому не рекомендуются для индуктивной нагрузки без дополнительной защиты.
- АВР на автоматических выключателях с моторным приводом. Используются в промышленных щитах до 1600 А. Обеспечивают высокий уровень надёжности, возможность дистанционного управления и интеграции в системы диспетчеризации. Устойчивы к токовым перегрузкам и кратковременным провалам напряжения.
- Микропроцессорные АВР с PLC-управлением. Устанавливаются на объектах с критически важной нагрузкой – ЦОД, больницы, телекоммуникационные узлы. Оснащены функциями самодиагностики, архивации событий, удалённого мониторинга и тонкой настройки параметров. Совместимы с SCADA-системами, поддерживают интерфейсы Modbus, Ethernet и CAN.
При выборе АВР важно учитывать не только номинальный ток и количество фаз, но и особенности нагрузки: например, индуктивный характер электродвигателей требует использования устройств с выдержкой времени переключения и встроенной защитой. Для резервного питания генератором предпочтительны модели с задержкой включения и контролем частоты, чтобы исключить подключение к нестабильному источнику.
Роль контроллера и датчиков в работе системы АВР

Ключевая функция контроллера – оценка состояния основной и резервной сети в реальном времени. Например, при падении напряжения ниже заданного порога или исчезновении одной из фаз, контроллер инициирует запуск генератора и переключение на него. Алгоритм переключения зависит от настроек: возможно как немедленное переключение, так и с задержкой по времени для исключения кратковременных сбоев.
Датчики в системе АВР выполняют функцию первичных источников информации. Используются трансформаторы тока для измерения потребляемого тока, вольтметрические входы для контроля напряжения, а также частотные датчики и температурные сенсоры. Например, температурный датчик может контролировать перегрев генератора и предотвращать его запуск при превышении безопасного уровня температуры.
Система АВР также может включать датчики давления масла и уровня топлива в случае дизель-генераторов. Эти параметры считываются контроллером и влияют на допустимость запуска агрегата. Наличие встроенного самотестирования и функции аварийной сигнализации позволяет повысить надежность системы за счёт своевременного выявления неисправностей.
Для корректной работы контроллера важно обеспечить бесперебойное питание самого устройства – часто для этого применяют аккумуляторные батареи или ИБП. Кроме того, при выборе контроллера следует учитывать поддержку протоколов Modbus или CAN для интеграции в общую систему диспетчеризации и удалённого мониторинга.
Требования к генератору для корректной работы с АВР
Генератор, подключаемый к системе автоматического ввода резерва (АВР), должен обеспечивать стабильное напряжение в пределах ±5% от номинала и частоту с отклонением не более ±0,5 Гц для предотвращения ложных срабатываний и аварийных отключений.
Важна способность генератора быстро выходить на рабочие параметры после запуска: время набора номинала напряжения не должно превышать 5–10 секунд, а стабилизация частоты – 15 секунд. Это гарантирует своевременное подключение нагрузки через АВР без перебоев и скачков.
Генератор обязан иметь встроенную систему регулирования напряжения (AVR) и частоты, обеспечивающую плавное и точное поддержание параметров под нагрузкой. Отсутствие таких систем снижает эффективность работы АВР и повышает риск повреждений оборудования.
Рекомендуется использовать генераторы с защитой от перегрузок и коротких замыканий, оснащённые автоматикой аварийного отключения, что позволяет избежать повреждений при нестабильной работе сети и резких переходных процессах.
Для корректного взаимодействия с контроллером АВР генератор должен поддерживать интерфейсы передачи данных или выходы сигналов состояния (например, реле «генератор в норме»), обеспечивающие обмен информацией о готовности к работе и текущем состоянии.
Механическая и электрическая синхронизация генератора с сетью должна осуществляться с точностью, исключающей фазовые сдвиги свыше 10° при переключении нагрузок, что предотвращает аварийные режимы и повышает надежность автоматического ввода резерва.
Уровень шума и вибрации генератора не должен превышать нормативных значений для объекта, так как это косвенно влияет на срок службы электромеханических компонентов и стабильность работы АВР в целом.
Обязательным условием является регулярное техническое обслуживание и тестирование генератора в условиях, максимально приближенных к реальным, с имитацией срабатывания АВР, чтобы гарантировать корректную работу всей системы резервирования электроснабжения.
Распространённые ошибки при установке и настройке АВР

Некорректное подключение цепей управления генератором приводит к ложным срабатываниям и отказам. Часто встречается неправильное присоединение контактов контроллера АВР, что вызывает отсутствие реакции при обрыве сети или наоборот – запуск генератора без необходимости.
Ошибки в подборе задержек срабатывания АВР. Заниженные тайминги запуска генератора вызывают излишнюю нагрузку на оборудование, а завышенные – увеличивают время отключения питания. Оптимальные задержки следует выбирать исходя из технических характеристик генератора и нагрузки.
Отсутствие проверки синхронизации фаз при автоматическом переключении. Это приводит к коротким замыканиям и повреждению коммутационной аппаратуры. Важно использовать АВР с функцией контроля фаз и напряжения, а также проверять правильность подключения фазных проводников.
Игнорирование требований к заземлению генератора и панели АВР. Неправильное или отсутствующее заземление снижает эффективность защитных устройств и повышает риск поражения электрическим током при авариях.
Неучёт технических характеристик генератора, особенно мощности и времени выхода на номинальные параметры. Установка АВР без согласования с паспортными данными генератора ведёт к некорректной работе и преждевременному износу оборудования.
Отсутствие регулярного тестирования и технического обслуживания системы АВР. Без проверки работоспособности и настройки контроллеров возможны сбои, которые выявляются только при аварийной ситуации, что недопустимо для резервных систем питания.
Неиспользование дополнительных датчиков контроля параметров сети (напряжения, частоты, фазы). Это ограничивает возможности АВР выявлять нестандартные ситуации и корректно реагировать на них, снижая надежность всей системы.
Недостаточная изоляция и защита управляющих кабелей от внешних помех и механических повреждений. Перебои в передаче управляющих сигналов приводят к нестабильной работе АВР и ложным отключениям.
Отсутствие согласования АВР с системами защиты потребителей и другими автоматическими устройствами. Некорректная интеграция может вызвать конфликтные ситуации и нарушение работы электросети объекта.
Вопрос-ответ:
Что такое автоматический ввод резерва (АВР) в электрогенераторе и для чего он нужен?
Автоматический ввод резерва (АВР) — это система, которая при отключении основного электропитания автоматически переключает нагрузку на резервный источник, обычно электрогенератор. Она обеспечивает бесперебойное снабжение электроэнергией объектов, где прерывание питания недопустимо, например, больниц, промышленных предприятий или серверных центров. Основная задача АВР — быстрое и безопасное переключение, чтобы минимизировать время простоя и предотвратить повреждения оборудования.
Как происходит взаимодействие между генератором и системой АВР при сбое основного питания?
При отключении сетевого напряжения контроллер АВР фиксирует пропадание питания и подает команду на запуск генератора. После выхода генератора на стабильные параметры напряжения и частоты, система переключает нагрузку с основной сети на генератор. Когда напряжение в основной сети восстанавливается и стабилизируется, АВР возвращает питание обратно на сеть и отключает генератор. Все эти операции выполняются по заранее заданным алгоритмам с контролем времени задержек, чтобы исключить ложные срабатывания и резкие переключения.
Какие типичные ошибки возникают при монтаже и настройке АВР в электрогенераторе?
Одной из частых ошибок является неправильное подключение управляющих цепей, что может привести к срабатыванию АВР в неподходящее время или отсутствию реакции при отключении сети. Еще распространена неправильная настройка времени задержек, из-за чего генератор может запускаться слишком рано или слишком поздно, вызывая перебои. Некорректный подбор защитных устройств или отсутствие контроля параметров генератора (напряжения, частоты) также приводит к нестабильной работе системы и риску повреждения оборудования.
Какие требования предъявляются к генератору для корректной работы с системой АВР?
Генератор должен обеспечивать стабильное выходное напряжение и частоту в пределах допустимых норм при нагрузке. Важно наличие автоматического запуска и остановки по сигналу от АВР, а также встроенных средств защиты от перегрузок и коротких замыканий. Генератор должен быстро выходить на рабочий режим, чтобы минимизировать время переключения. Кроме того, желательно, чтобы он имел интерфейсы для передачи данных о состоянии и авариях в систему управления АВР для оперативного мониторинга и диагностики.
Можно ли использовать систему АВР с генераторами разных типов и мощностей?
Да, система АВР адаптируется под различные типы генераторов — дизельные, бензиновые, газовые, а также разной мощности. Однако важно, чтобы параметры АВР были настроены с учетом конкретных характеристик генератора: времени запуска, выходного напряжения, максимальной мощности и способа управления. Для больших мощностей или сложных систем рекомендуется применять специализированные контроллеры с расширенными функциями и возможностью интеграции с другими системами управления.
Каковы ключевые принципы работы автоматического ввода резерва (АВР) в электрогенераторе?
Автоматический ввод резерва обеспечивает бесперебойное электроснабжение путем переключения питания с основной сети на резервный генератор при обнаружении сбоев или отключений. Система постоянно контролирует параметры электросети и при пропадании напряжения или ухудшении его качества через заданное время включает генератор, подготавливая его к подаче тока. После стабилизации резервного источника происходит автоматическое переключение нагрузки на генератор. При восстановлении сетевого питания АВР возвращает нагрузку обратно, отключая генератор. Такой механизм минимизирует простой оборудования и защищает потребителей от длительных перебоев электроэнергии.
