
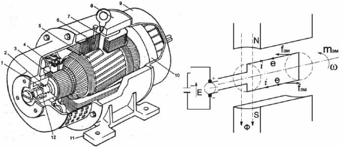
Якорь в двигателе постоянного тока выполняет роль центрального элемента, преобразующего электрическую энергию в механическую. Это одна из ключевых частей конструкции, непосредственно влияющая на эффективность работы устройства. Он состоит из проводников, которые создают магнитное поле, взаимодействующее с постоянным магнитом, что и приводит в движение ротор.
Функция якоря заключается в преобразовании тока в механическое вращение. Это достигается за счет взаимодействия магнитных полей, создаваемых током, и внешним магнитом. Якорь состоит из обмоток, намотанных на железный сердечник, и вращается в магнитном поле, создавая механическое вращение. Чем больше число витков обмотки, тем выше выходная мощность двигателя.
Одной из важнейших характеристик якоря является его сопротивление, которое определяет потери на теплоту и, как следствие, влияет на эффективность работы двигателя. Для оптимизации этих потерь используют материалы с низким сопротивлением, такие как медь, а также проводят соответствующие расчеты для выбора подходящей толщины проводников.
Якорь также отвечает за распределение тока по обмоткам, что влияет на момент силы и равномерность вращения. Важным моментом является правильное устройство якоря, что предотвращает его перегрев и износ, повышая тем самым долговечность двигателя.
Конструкция якоря имеет прямое влияние на динамику работы двигателя, и её оптимизация требует точных инженерных расчетов, с учетом всех факторов, влияющих на работу устройства.
Роль якоря в процессе преобразования энергии в двигателе постоянного тока

Основные функции якоря в процессе преобразования энергии:
- Создание магнитного поля: Когда электрический ток проходит через обмотки якоря, он создает магнитное поле. Это поле взаимодействует с магнитным полем статора, создавая механическую силу.
- Превращение электрической энергии в механическую: Взаимодействие магнитных полей вызывает появление силы, которая действует на якорь и приводит его в движение. Таким образом, электрическая энергия, подводимая к обмоткам, преобразуется в механическую энергию вращения.
- Обеспечение вращающего момента: Якорь, вращаясь, создает момент силы, который передается на выходной вал двигателя. Этот момент зависит от силы тока и магнитной индукции, создаваемой в обмотках якоря.
Эффективность преобразования энергии в двигателе во многом зависит от конструкции якоря, качества материала, из которого он изготовлен, и технологии намотки обмоток. Низкое сопротивление материалов обмоток и оптимальная геометрия якоря обеспечивают максимальное преобразование энергии с минимальными потерями.
Таким образом, якорь выполняет не только роль проводника электрического тока, но и является важным элементом, обеспечивающим взаимодействие с магнитным полем для эффективного преобразования энергии в механическую работу.
Как конструкция якоря влияет на характеристики двигателя

Форма якоря напрямую влияет на магнитный поток, который проходит через обмотки. Большие и плоские якоря с большей поверхностью обеспечивают лучшее распределение магнитного поля, что снижает потери и повышает эффективность работы двигателя. Уменьшение радиуса якоря, наоборот, может увеличить плотность тока в обмотках, что повышает нагрузочную способность, но приводит к большему нагреву и снижению КПД.
Материалы, использованные в конструкции якоря, также критичны для работы двигателя. Использование материалов с высоким электрическим и магнитным проводом, таких как медь для обмоток и стали с высоким содержанием углерода для сердечника, способствует минимизации потерь и улучшению характеристики. Применение высококачественных магнитных материалов позволяет уменьшить потери на гистерезис и вихревые токи, что приводит к повышению общей мощности и уменьшению потерь при работе.
Качество изготовления также влияет на динамику работы. Неровности поверхности якоря, неравномерность намотки обмоток и дефекты в стальных частях приводят к дополнительным потерям и снижению стабильности работы двигателя. Важно обеспечить точность подгонки всех элементов и минимизировать зазоры в конструкции, чтобы уменьшить механические потери и обеспечить равномерное распределение магнитного поля.
Рекомендации: для оптимизации работы двигателя необходимо выбирать якорь с правильной геометрией, учитывать характеристики материалов и строго контролировать качество производства. Это поможет не только повысить эффективность, но и продлить срок службы устройства, а также улучшить его работу при переменных нагрузках.
Влияние материала якоря на производительность двигателя

Материал якоря оказывает непосредственное влияние на эффективность работы двигателя постоянного тока, включая его мощность, КПД и долговечность. Правильный выбор материала позволяет улучшить тепловые характеристики и повысить устойчивость к механическим нагрузкам.
Основными требованиями к материалам якоря являются высокая электропроводность, хорошая магнитная проницаемость и высокая механическая прочность. Применение различных сплавов и технологий обработки позволяет настраивать характеристики двигателя под конкретные условия эксплуатации.
- Медь – самый распространенный материал для проводников якоря. Ее высокая электропроводность позволяет снизить потери энергии и повысить КПД двигателя. Однако медь склонна к коррозии, что требует дополнительных мер защиты, например, покрытия лаком или использованию медных сплавов.
- Алюминий – используется реже, но имеет несколько преимуществ, таких как меньшая масса по сравнению с медью. Однако его электропроводность значительно ниже, что может снизить эффективность работы двигателя, особенно при высоких токах.
- Сплавы с добавлением серебра – обеспечивают улучшенные электрические характеристики и устойчивость к износу, что делает такие материалы идеальными для высоконагруженных и долгосрочных операций.
При выборе материала для якоря важно учитывать рабочие условия двигателя. Например, для двигателей, работающих в экстремальных температурах или под высокой механической нагрузкой, требуется использование более прочных материалов с улучшенной термостойкостью, таких как сплавы с добавками железа или никеля.
Снижение потерь на вихревые токи также является важным аспектом. Для этого применяют материалы с низким коэффициентом магнитных потерь, такие как специально обработанные железные сплавы, которые уменьшают нагрев и повышают эффективность работы якоря.
Совмещение различных материалов в конструкции якоря также может повысить производительность. Например, использование меди для обмоток и железа с покрытием из алюминия или других сплавов позволяет достигать оптимальных характеристик как для механической прочности, так и для электрической проводимости.
Для достижения наилучших результатов в выборе материала якоря следует учитывать особенности конструкции двигателя и конкретные требования к его эксплуатационным характеристикам.
Как выбрать якорь для конкретных условий работы двигателя
Тип нагрузки определяет выбор материалов обмоток и конструктивных особенностей якоря. Для работы в условиях переменных нагрузок стоит выбирать якорь с усиленной изоляцией и прочной магнитной системой. В таких случаях предпочтение отдается якорям с медными обмотками, поскольку они лучше переносят колебания нагрузок.
Скорость вращения также играет важную роль. Для высокоскоростных двигателей необходимо использовать якоря с более жесткой конструкцией и усиленной вентиляцией для предотвращения перегрева. Важно, чтобы якорь был сбалансирован, чтобы минимизировать вибрации и повышенный износ подшипников.
Температурные условия требуют особого внимания к изоляционным материалам. Для работы в условиях высоких температур (например, в помещениях с жарким климатом) необходимо выбирать якоря с изоляцией, устойчивой к перегреву, например, из полиамидных или фторопластовых материалов. Якоря с такими изоляционными покрытиями способны выдерживать температуры до 200°C и выше без потери своих эксплуатационных характеристик.
Долговечность и надежность зависят от точности изготовления и качества материалов. Важно, чтобы якорь был произведен с соблюдением всех технологических стандартов, а его конструкция обеспечивала минимальный износ и надежную работу в течение длительного времени. При этом стоит учитывать, что материалы, такие как сплавы с высоким содержанием меди или алюминия, продлевают срок службы якоря.
Для работы в условиях высокой влажности и агрессивных сред предпочтительнее выбирать якоря с антикоррозионным покрытием, которое защищает металлические части от воздействия влаги и химических веществ.
Проблемы, связанные с износом якоря и способы их решения

Невозможно избежать износа коллектора, но можно значительно замедлить этот процесс с помощью регулярной проверки состояния щеток, а также своевременной замены поврежденных элементов. Щетки должны быть правильно отрегулированы для обеспечения оптимального контакта с коллектором, что снижает вероятность перегрева и преждевременного износа.
Другая проблема – механическое повреждение якоря из-за попадания посторонних предметов или деформации в процессе эксплуатации. Это может привести к неисправности всего механизма и требовать замены якоря. Для предотвращения повреждений важно поддерживать двигатель в чистоте и избегать попадания грязи или влаги внутрь корпуса.
Недостаток смазки также играет важную роль в ускорении износа. При недостаточной смазке, а также при использовании низкокачественных смазочных материалов, возникают дополнительные нагрузки на подшипники и другие механизмы, что может повлиять на работоспособность якоря. Регулярное обслуживание и использование подходящих смазок для конкретного типа двигателя помогают избежать таких проблем.
Наконец, неправильная эксплуатация, включая работу двигателя на максимальных оборотах без должной нагрузки, также может ускорить износ якоря. В таких случаях рекомендуется следить за рабочими параметрами устройства и избегать перегрузок, что продлит срок службы якоря и остальных компонентов.
Влияние конфигурации витков обмотки якоря на работу двигателя
Одним из важнейших факторов является количество витков в каждой обмотке. Увеличение числа витков приводит к увеличению магнитного потока, что, в свою очередь, увеличивает мощность двигателя. Однако при этом возрастает сопротивление обмотки, что может вызвать перегрев и потери мощности. Поэтому важно соблюдать баланс между количеством витков и проводимостью материала.
Расположение витков также оказывает значительное влияние. Витки, расположенные вдоль оси якоря, способствуют более равномерному распределению магнитного поля, что повышает эффективность работы двигателя. При размещении витков по спирали возможно уменьшение паразитных токов и улучшение равномерности нагрузки на каждый виток. Это помогает сократить потери и улучшить стабильность работы двигателя на разных оборотах.
Конфигурация витков в сочетании с типом проводника также определяет тепловые потери. Применение многожильных проводников или луженых проводов с меньшим сопротивлением позволяет снизить нагрев и повысить рабочие характеристики двигателя. В то же время, использование одного толстого провода может уменьшить механическую прочность обмотки, что приведет к деформации и нарушению работы двигателя при высоких нагрузках.
Для повышения надежности и долговечности обмотки важную роль играет изоляция. При неправильной изоляции между витками или между витками и статором возможно короткое замыкание, что существенно снижает ресурс двигателя. Поэтому важно использовать качественные изоляционные материалы, которые выдержат высокие температуры и механические нагрузки.
На работу двигателя также влияет взаимодействие между магнитным полем якоря и статором. Оптимальная конфигурация витков позволяет уменьшить пульсацию тока и снизить вибрации, улучшая тем самым эксплуатационные характеристики и срок службы устройства. Компактные и равномерно распределенные витки обеспечивают лучшую производительность при минимальных размерах двигателя.
Модификации якоря для увеличения мощности и устойчивости двигателя

Для повышения мощности и устойчивости двигателя постоянного тока основное внимание уделяется усовершенствованию конструкции якоря. Модификации могут включать изменения в материалах, форме и конструкции обмотки, а также в деталях магнитной системы якоря.
Один из эффективных способов увеличения мощности – использование высококачественных материалов для проводников обмотки. Применение меди с высоким уровнем проводимости позволяет уменьшить сопротивление обмотки и повысить её эффективность. Также используются специальные сплавы, обладающие лучшими термическими и механическими характеристиками, что позволяет увеличить рабочую температуру и обеспечить стабильную работу при высоких нагрузках.
Другая важная модификация касается геометрии якоря. Уменьшение диаметра якорного вала с параллельным увеличением длины сердечника позволяет значительно повысить его мощность. Это решение помогает снизить инерцию при работе двигателя, что важно для ускорения и устойчивости на высоких оборотах. Также разработаны якоря с изменённым числом полюсов, что способствует оптимизации распределения магнитного потока и улучшению коэффициента мощности.
Кроме того, важной деталью для улучшения работы является конструкция вентиляции якоря. Вентилируемые якоря обеспечивают более эффективное охлаждение обмотки, предотвращая её перегрев, что позволяет использовать двигатель при более высоких мощностях и нагрузках.
Модификации могут включать и усиление якорного каркаса, что минимизирует деформацию при высоких механических нагрузках. В качестве материала для каркаса часто выбираются композиты или сплавы, обладающие высокой прочностью при малом весе, что также способствует снижению инерции.
Для повышения устойчивости и надежности работы двигателя часто применяют усиленные подшипники и улучшенные системы скольжения, которые минимизируют трение и износ деталей якоря. Это также способствует более длительному сроку службы двигателя и его стабильной работе в сложных условиях эксплуатации.
Таким образом, модификация якоря двигателя постоянного тока требует комплексного подхода, направленного на улучшение материалов, геометрии, системы охлаждения и механической устойчивости. Эти изменения значительно увеличивают мощность, повышают эффективность работы и продлевают срок службы двигателя.
Вопрос-ответ:
Что представляет собой якорь в двигателе постоянного тока?
Якорь в двигателе постоянного тока — это вращающаяся часть устройства, которая взаимодействует с магнитным полем и преобразует электрическую энергию в механическую. Он состоит из стальной оси, обмоток, которые питаются током, и корпуса. Якорь создаёт момент силы, необходимый для вращения двигателя, за счет взаимодействия с магнитами.
Каковы функции якоря в двигателе постоянного тока?
Основная функция якоря — преобразование электрической энергии в механическую. Это достигается путем его вращения в магнитном поле. Когда ток проходит через обмотки якоря, возникает магнитное поле, взаимодействующее с внешними магнитами двигателя. Это взаимодействие вызывает вращение якоря, который передает механическую энергию на вал и выполняет работу. Таким образом, якорь помогает двигателю генерировать вращательное движение для работы различных механизмов.
Как можно повредить якорь в двигателе постоянного тока?
Повреждение якоря может произойти по нескольким причинам. Наиболее распространенные из них — перегрузка двигателя или неправильное подключение источника питания. Излишний ток может привести к перегреву обмоток якоря, что вызовет их повреждение. Также на якорь могут воздействовать механические повреждения, например, если двигатель работает в условиях, где есть вибрации или удары. В некоторых случаях повреждение якоря может привести к его заклиниванию или даже разрушению обмоток.
Почему качество материалов для якоря в двигателе постоянного тока имеет значение?
Качество материалов для якоря критично для долгосрочной работы двигателя. Материалы, из которых изготавливаются обмотки и сама ось якоря, должны быть высокопрочными и хорошо проводящими электрический ток. Это важно, чтобы уменьшить потери энергии, которые происходят из-за сопротивления материалов, а также снизить риск перегрева. Некачественные материалы могут привести к быстрому износу или даже поломке двигателя. Например, использование низкокачественного провода в обмотках может привести к коротким замыканиям и выходу двигателя из строя.
