
В трехфазной электрической цепи расчет реактивной мощности является неотъемлемой частью анализа и проектирования энергообеспечивающих систем. Реактивная мощность (Q) характеризует энергию, которая колеблется между источником и нагрузкой, но не превращается в полезную работу. Эта мощность возникает из-за индуктивных и емкостных элементов цепи и влияет на стабильность напряжения и работу трансформаторов и других устройств.
Для расчета реактивной мощности в трехфазной цепи используется формула Q = √3 * U * I * sin(φ), где U – линейное напряжение, I – линейный ток, φ – угол сдвига фаз между током и напряжением. Важно понимать, что реактивная мощность зависит от типа нагрузки (индуктивная или емкостная) и коэффициента мощности (cosφ), который влияет на эффективность использования энергии. Чем меньше этот коэффициент, тем больше реактивная мощность.
При проектировании электрических сетей и выборке оборудования необходимо учитывать, что чрезмерная реактивная мощность приводит к дополнительным потерям в проводах и трансформаторах, а также может вызвать перегрузки и снижения качества напряжения. Для уменьшения реактивной мощности применяются устройства компенсации, такие как конденсаторные батареи или синхронные компенсаторы, которые позволяют повысить коэффициент мощности и уменьшить потери в системе.
Как определить реактивную мощность для сбалансированной трехфазной цепи

Для расчета реактивной мощности в сбалансированной трехфазной цепи используется стандартная формула, которая применима при условии одинаковых напряжений и токов во всех трех фазах. Реактивная мощность \( Q \) определяется как произведение напряжения фазы, тока фазы и коэффициента мощности, умноженное на корень из трех:
Q = √3 × U × I × sin(φ)
где:
- U – фазное напряжение (в вольтах);
- I – ток в одной фазе (в амперах);
- φ – угол сдвига фазы между напряжением и током (в градусах);
- √3 – коэффициент для трехфазной системы.
Если известна линейная величина напряжения, то для ее использования в формуле необходимо перевести ее в фазное напряжение. Для сбалансированной цепи связь между линейным и фазным напряжением следующая:
Uфаза = Uлинейное / √3
Реактивная мощность \( Q \) имеет размерность в вольт-амперах реактивных (вар). Она характеризует энергопотребление системы, связанное с магнитными и электрическими полями, но не передающееся в полезную работу. Важно учитывать, что в трехфазной цепи реактивная мощность складывается из реактивных мощностей каждой из фаз, но так как цепь сбалансирована, расчет для каждой фазы идентичен.
Для точных расчетов необходимо определить коэффициент мощности \( \cos(φ) \), который зависит от типа нагрузки. Если известно активное потребление мощности и коэффициент мощности, реактивную мощность можно вычислить по следующей формуле:
Q = P × tan(acos(η))
где:
- P – активная мощность (в ваттах);
- η – коэффициент мощности (безразмерная величина).
Реактивная мощность является важным параметром для оценки работы электрической сети. Она влияет на качество электроснабжения, а также на стабильность работы генераторов и трансформаторов. Своевременное определение реактивной мощности позволяет оптимизировать нагрузку и избежать перегрузок оборудования.
Влияние фазового сдвига на расчет реактивной мощности

Фазовый сдвиг между напряжением и током в трехфазной цепи оказывает прямое влияние на величину реактивной мощности. В идеальных условиях, при фазовом сдвиге 0° (когда ток и напряжение находятся в фазе), реактивная мощность отсутствует. Однако в реальных цепях ток и напряжение обычно не совпадают по фазе, что приводит к появлению реактивной мощности.
Фазовый сдвиг возникает из-за различных характеристик нагрузок, таких как индуктивность и емкость. В случае индуктивной нагрузки ток отстает от напряжения, а при емкостной нагрузке – наоборот, ток опережает напряжение. Степень этого сдвига зависит от характеристик конкретной нагрузки и может варьироваться от 0° до 90°.
Реактивная мощность в трехфазной цепи определяется по формуле:
Q = √3 * U * I * sin(φ),
где U – эффективное напряжение, I – эффективный ток, φ – угол фазового сдвига. Как видно, реактивная мощность напрямую зависит от синуса угла сдвига. Это означает, что с увеличением фазового сдвига реактивная мощность возрастает.
Для точных расчетов необходимо учитывать влияние фазового сдвига на каждую фазу отдельно. Для симметричной нагрузки на всех фазах фазовые сдвиги будут одинаковыми, однако в случае асимметричных нагрузок фазовый сдвиг может отличаться на каждой из фаз, что требует применения более сложных методов расчета.
Практическое значение фазового сдвига заключается в том, что увеличение этого параметра приводит к большему расходу энергии в виде реактивной мощности, что снижает коэффициент мощности и повышает требования к передаваемой мощности. Это важно для выбора оптимальных трансформаторов и электродвигателей, а также для корректировки работы системы в целях повышения ее эффективности.
Методика вычисления реактивной мощности для несимметричных цепей
Шаг 1: Определение мгновенных значений напряжений и токов для каждой фазы. Если цепь несимметрична, то каждое из этих значений будет зависеть от времени, и будет иметь свой амплитудный уровень и фазовый угол. Используем базовую форму для трехфазного тока или напряжения в виде комплексной экспоненты, например:
U(t) = Um * ej(ωt + φ),
где Um – амплитуда, ω – угловая частота, φ – фазовый угол.
Шаг 2: Расчет реактивной мощности. Для несимметричной нагрузки реактивная мощность определяется через компоненты токов и напряжений в каждой фазе. Для каждой фазы вычисляется ее индивидуальная реактивная мощность Qk (где k – номер фазы), используя следующую формулу:
Qk = Uk * Ik * sin(φk),
где Uk – напряжение в фазе, Ik – ток в фазе, φk – фазовый угол между током и напряжением в соответствующей фазе.
Шаг 3: Суммирование реактивных мощностей. Для несимметричной нагрузки суммарная реактивная мощность Q всего устройства вычисляется как сумма реактивных мощностей по каждой фазе:
Q = QA + QB + QC,
где A, B, C – фазы системы. При этом важно учитывать, что для асимметричных цепей, где токи и напряжения в фазах отличаются, результат может быть значительно больше, чем при симметричной нагрузке.
Шаг 4: Учет фазового сдвига. В случае асимметричных цепей фазовый сдвиг между напряжениями и токами может быть различным. Это требует отдельного вычисления для каждой фазы, чтобы правильно учесть влияние несоответствия в фазах на реактивную мощность. Для этого могут использоваться фазовые углы, определенные через фазовые компоненты тока и напряжения для каждой фазы.
Методика такого расчета является основой для проектирования и диагностики электрических сетей с асимметричной нагрузкой, где точное определение реактивной мощности важно для корректной работы оборудования и снижения потерь энергии.
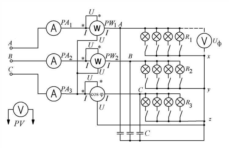
Использование измерителей мощности для определения реактивной мощности

Для измерения реактивной мощности применяется два типа ваттметров: однофазные и многофазные. В трехфазных системах часто используется двухваттметровая схема, при которой два ваттметра подключаются к двум фазам системы. Это позволяет точнее измерить реактивную мощность и определить её значение по формуле:
Q = √3 * (W1 — W2), где W1 и W2 – показания двух ваттметров, измеряющих мощность на разных фазах.
Для корректных измерений важно правильно подключить ваттметры. На практике, при подключении по схеме двух ваттметров, необходимо учитывать угол между фазами и направление тока. Применение этой схемы в случае симметричной нагрузки позволяет точно измерить реактивную мощность даже при высоких нагрузках.
В более сложных системах, например, в четырехпроводных системах или при наличии несбалансированных нагрузок, используются специальные устройства, такие как цифровые ваттметры или аналого-цифровые преобразователи, которые могут автоматически корректировать данные с учетом фазовых сдвигов.
Технические рекомендации:
- Проверьте правильность подключения ваттметра в схеме, особенно если используется двухваттметровая схема.
- Если система имеет несбалансированные нагрузки, используйте многоканальные измерители с возможностью учета фазового сдвига.
- Регулярно калибруйте измерительные приборы для поддержания точности измерений.
- При необходимости используйте анализаторы мощности, которые предоставляют данные не только о реактивной, но и о активной мощности, коэффициенте мощности и других параметрах.
Современные цифровые устройства могут автоматически вычислять реактивную мощность, обеспечивая высокую точность и быстрое получение данных. Однако важно учитывать, что качество измерений зависит от правильности установки и настройки оборудования.
Роль коэффициента мощности в расчетах реактивной мощности
Коэффициент мощности определяет, насколько эффективно используется энергия в системе. Если cos φ близок к единице, значит, большая часть мощности используется для выполнения полезной работы. В этом случае реактивная мощность минимальна. Когда cos φ снижается (например, в системах с индуктивными нагрузками), возрастает потребность в реактивной мощности для поддержания магнитных полей, что приводит к дополнительным затратам энергии и повышению потерь.
При расчете реактивной мощности для трехфазной системы используется формула:
Q = √3 × U × I × sin φ,
где U – линейное напряжение, I – линейный ток, φ – угол сдвига фаз, который зависит от значения коэффициента мощности. Чем меньше cos φ, тем больше sin φ, а следовательно, выше потребность в реактивной мощности.
Для повышения эффективности работы системы важно поддерживать коэффициент мощности как можно ближе к единице. Это можно достичь с помощью коррекции коэффициента мощности, например, установкой конденсаторных батарей или реакторов. Влияние этих мер на реактивную мощность можно учитывать при проектировании и эксплуатации электрооборудования, чтобы минимизировать потери энергии и уменьшить штрафы за низкий коэффициент мощности, применяемые энергоснабжающими организациями.
Как учесть реактивную мощность при проектировании электрических сетей

1. Определение потребностей в реактивной мощности
Для начала необходимо точно определить потребности в реактивной мощности для каждого потребителя. Это можно сделать путем анализа характеристик оборудования и его нагрузки. Например, индуктивные и емкостные элементы создают реактивную мощность, а их комбинация влияет на общий баланс. Следует учитывать как теоретические, так и реальные значения мощности, поскольку практические условия часто отличаются от идеальных.
2. Компенсация реактивной мощности
Для минимизации потерь и улучшения качества электроснабжения проектировщики включают устройства компенсации реактивной мощности, такие как конденсаторные батареи и синхронные компенсаторы. Это помогает повысить коэффициент мощности и уменьшить нагрузку на трансформаторы и линии. При этом важно точно подобрать размеры и место установки компенсирующих устройств для обеспечения равномерного распределения мощности.
3. Использование автоматизированных систем управления
Современные автоматизированные системы управления могут динамически корректировать реактивную мощность в зависимости от изменения нагрузки. Это позволяет более эффективно реагировать на колебания в сети и поддерживать стабильность электроснабжения. Важно, чтобы система управления была адаптирована под конкретные условия работы сети.
4. Учёт потерь при проектировании линий
При проектировании линий передачи важно учитывать не только активные, но и реактивные потери. Особенно это актуально для длинных линий, где реактивная мощность может значительно повлиять на потери энергии. В таких случаях используют специальные методы, такие как оптимизация диаметра проводников и расчет минимальных потерь для различных уровней напряжения.
5. Проектирование на основе расчёта полного тока
Реактивная мощность также влияет на выбор сечения проводников и номиналов защитных аппаратов. Для точного расчёта выбираются значения полного тока, которые включают как активную, так и реактивную мощность. Это позволяет уменьшить вероятность перегрузки и обеспечивать безопасную работу всей сети.
Особенности расчета реактивной мощности для асинхронных двигателей

При расчете реактивной мощности для асинхронных двигателей необходимо учитывать особенности их работы, в частности, зависимость реактивной мощности от коэффициента мощности и рабочих условий. Асинхронные двигатели, как правило, требуют значительных объемов реактивной мощности для создания магнитного поля, необходимого для их функционирования.
Основные факторы, влияющие на расчет реактивной мощности для асинхронных двигателей:
- Коэффициент мощности (cos φ): Асинхронные двигатели имеют коэффициент мощности, который зависит от нагрузки и частоты вращения. При полной нагрузке cos φ близок к 1, однако при малых нагрузках может снижаться, что ведет к увеличению потребности в реактивной мощности.
- Стартовые режимы: При запуске асинхронного двигателя требуется гораздо большее количество реактивной мощности, чем в нормальном рабочем режиме. Это следует учитывать при проектировании электроснабжения, чтобы предотвратить перегрузки.
- Частота вращения: На частоту вращения и, соответственно, на потребление реактивной мощности влияет скольжение. Чем выше скольжение, тем выше потребность в реактивной мощности.
- Тип двигателя: Для двигателей с короткозамкнутым ротором расчет немного отличается, так как реактивная мощность для таких машин также зависит от сопротивления ротора и его реактивной составляющей.
Рассчитать реактивную мощность можно с использованием следующей формулы:
- Pреактив = √(S² — P²), где:
- S – полная мощность (VA),
- P – активная мощность (W).
Особое внимание стоит уделить корректному измерению активной мощности, так как неточное определение этой величины может привести к ошибкам в расчете реактивной мощности. Для более точных расчетов можно использовать измерительные приборы, которые учитывают фазовый сдвиг между напряжением и током в цепи.
Для асинхронных двигателей с инверторным управлением или частотным регулированием расчет может требовать дополнительных корректировок, так как частота тока и напряжения изменяется в зависимости от режима работы.
Таким образом, расчет реактивной мощности для асинхронных двигателей включает учет множества факторов, таких как коэффициент мощности, нагрузка, частота вращения и режим работы. Для более точных данных рекомендуется проводить замеры в реальных условиях эксплуатации.
Как уменьшить потери из-за реактивной мощности в промышленных установках

Реактивная мощность приводит к дополнительным потерям в электрических сетях и увеличивает нагрузку на оборудование. Для ее компенсации и минимизации потерь на промышленных объектах применяют различные методы. Вот несколько эффективных подходов:
- Установка конденсаторных батарей. Конденсаторные установки компенсируют реактивную мощность, снижая нагрузку на трансформаторы и генераторы. Они могут быть установлены как на уровне всего предприятия, так и в отдельных цехах. Важно правильно рассчитывать параметры батарей для оптимального результата.
- Использование синхронных компенсаторов. Синхронные компенсаторы позволяют регулировать уровень реактивной мощности в сети, уменьшая потери на каждом этапе. Они могут быть более эффективными в крупных установках, где динамическая компенсация необходима для работы оборудования с переменной нагрузкой.
- Установка статических VAR-компенсаторов (SVC). Эти устройства автоматически регулируют уровень реактивной мощности, стабилизируя параметры напряжения. SVC помогает уменьшить колебания и улучшить качество электроэнергии, что снижает потери на сети и оборудование.
- Оптимизация работы трансформаторов. Использование трансформаторов с регулируемыми параметрами напряжения позволяет минимизировать потерю мощности при изменении нагрузки. Кроме того, применение современных высокоэффективных трансформаторов с низкими потерями на магнитопроводах также существенно снижает потери в системе.
- Модернизация электрических двигателей. Эффективные электродвигатели с улучшенной реактивной мощностью имеют меньшее влияние на общие потери в сети. Часто установка преобразователей частоты помогает оптимизировать работу двигателей, минимизируя потребление реактивной мощности.
- Интеллектуальные системы управления. Внедрение автоматизированных систем управления позволяет точно регулировать уровень реактивной мощности в зависимости от реальных потребностей оборудования. Это уменьшает ненужные потери и повышает эффективность работы всей установки.
Для достижения оптимального результата рекомендуется комплексное применение нескольких методов. Каждое предприятие должно учитывать свои особенности работы и выбира́ть решение, которое наилучшим образом соответствует его потребностям в компенсации реактивной мощности.
Вопрос-ответ:
Что такое реактивная мощность в трехфазной цепи?
Реактивная мощность в трехфазной цепи — это часть мощности, которая не выполняет полезную работу, но необходима для поддержания электрического поля в устройствах, таких как трансформаторы и электродвигатели. Она измеряется в вольт-амперах реактивных (ВА), и обычно ее значение зависит от сдвига фаз между напряжением и током. В идеальной цепи с чисто активной нагрузкой реактивная мощность отсутствует.
Как рассчитывается реактивная мощность в трехфазной цепи?
Реактивную мощность в трехфазной цепи можно рассчитать по формуле: Q = √3 * U * I * sin(φ), где U — линейное напряжение, I — линейный ток, φ — угол сдвига фаз между током и напряжением. Это выражение основано на взаимосвязи между активной, реактивной и полной мощностью в системе. Важно учитывать, что для корректного расчета нужно точно определить угол φ, который зависит от характеристик нагрузки.
Какой угол сдвига фаз влияет на величину реактивной мощности?
Угол сдвига фаз (φ) определяет, насколько ток отстает или опережает напряжение в цепи. Если нагрузка индуктивная (например, электродвигатели), угол будет больше 0, что приводит к положительной реактивной мощности. Если нагрузка емкостная (например, конденсаторы), то угол будет отрицательным, что вызывает отрицательную реактивную мощность. Угол сдвига фаз напрямую влияет на значение реактивной мощности, поскольку его синусоидальная функция включена в расчет.
Зачем нужно учитывать реактивную мощность в расчетах электрической цепи?
Учет реактивной мощности важен для эффективного проектирования и эксплуатации электрооборудования. Даже несмотря на то, что реактивная мощность не выполняет полезной работы, она может существенно повлиять на размеры проводов, трансформаторов и других компонентов. Если в цепи слишком много реактивной мощности, это может привести к перегрузке оборудования и потере энергии, что увеличивает расходы на электроэнергию и снижает общую эффективность системы.
Можно ли уменьшить реактивную мощность в электрической сети?
Да, уменьшить реактивную мощность можно с помощью различных методов компенсации, например, подключив конденсаторные батареи или использовав компенсирующие установки. Конденсаторы создают в цепи емкостную реактивную мощность, которая «нейтрализует» индуктивную реактивную мощность, уменьшая общий эффект сдвига фаз и снижая потери энергии. Также важным шагом является правильный выбор нагрузки и ее характеристик для оптимизации работы всей системы.
Что влияет на величину реактивной мощности в трехфазной сети?
Величина реактивной мощности в трехфазной сети зависит от нескольких факторов. Во-первых, это фаза тока относительно напряжения, что влияет на коэффициент мощности. Чем больше сдвиг фазы между током и напряжением, тем выше реактивная мощность. Во-вторых, характеристики самой нагрузки — индуктивные и ёмкостные элементы, такие как трансформаторы, двигатели, конденсаторы и другие устройства, могут создавать значительную реактивную мощность. Например, индуктивные нагрузки увеличивают реактивную мощность, а ёмкостные нагрузки могут её компенсировать. Также важно учитывать, что увеличение мощности нагрузок (например, повышение тока или напряжения) также может повлиять на реактивную мощность. Поддержание правильного коэффициента мощности и компенсация реактивной мощности могут помочь снизить потери и улучшить работу системы.
