
Детекторный приёмник способен не только принимать радиосигналы, но и выполнять роль автономного источника энергии. Принцип его действия основан на преобразовании электромагнитных волн радиочастотного диапазона в постоянный ток. Для реализации этой функции требуется правильно рассчитанная антенна, согласующая цепь и выпрямляющий элемент, обычно выполненный на основе германиевого или шоттки-диода с низким порогом напряжения.
Ключевым элементом схемы является диод, обладающий высокой чувствительностью и минимальным прямым напряжением – не более 0,2 В. Это позволяет извлекать энергию даже из слабых сигналов, уровень которых на входе приёмника может составлять всего 10–50 мкВт. Энергии достаточно для питания сверхэкономичных цифровых схем, таких как микроконтроллеры в режиме сна, или накопления заряда на конденсаторе с последующим импульсным питанием нагрузки.
На практике эффективная схема включает согласующий контур, настроенный на частоту радиостанции или индустриального передатчика в диапазоне 100 кГц – 30 МГц. Использование резонансного колебательного контура с высоким добротностью (>200) позволяет увеличить выходное напряжение до 1–2 В на нагрузке при наличии сильного сигнала. Антенна должна иметь длину не менее 5–10 метров при высоте подъёма над землёй от 2 метров и выше.
Для накопления энергии рекомендуется применять танталовые конденсаторы ёмкостью 100–470 мкФ с низким током утечки. При наличии стабильного источника радиосигнала возможно использование схемы для питания сенсоров, часов реального времени и других устройств с низким энергопотреблением без применения батарей. Энергетическая автономия достигается за счёт полной пассивности схемы и отсутствия источников с внутренним химическим преобразованием.
Принцип работы детекторного приемника и преобразование радиоволн в электричество

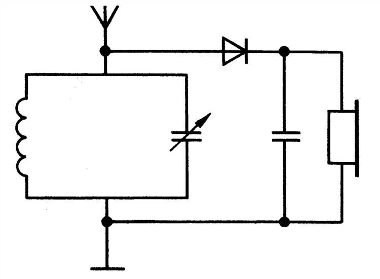
Детекторный приемник улавливает электромагнитные волны, излучаемые радиостанцией, с помощью антенны. В качестве антенны используется провод длиной не менее 10 метров, желательно расположенный как можно выше над уровнем земли. Радиоволны, приходящие на антенну, индуцируют в ней переменное напряжение в диапазоне сотен микровольт до нескольких милливольт в зависимости от расстояния до передатчика и мощности сигнала.
Колебательный контур, состоящий из катушки индуктивности и переменного конденсатора, настраивается на частоту несущей волны. Это позволяет выделить сигнал одной радиостанции из спектра. Добротность контура напрямую влияет на уровень получаемой энергии: чем она выше, тем больше амплитуда сигнала на выходе контура.
Диод выполняет функцию детектора. Он пропускает ток только в одном направлении, тем самым отделяя низкочастотную составляющую (аудиосигнал) от высокочастотной несущей. Наиболее эффективны германиевые диоды с низким порогом открывания (0,2–0,3 В), например, Д9Б, так как сигнал слишком мал для кремниевых диодов.
На выходе диода формируется выпрямленный ток, имеющий пульсирующий характер. Сглаживающий конденсатор подключается параллельно нагрузке и аккумулирует энергию, снижая пульсации. Эффективная емкость конденсатора подбирается экспериментально в пределах 100–1000 нФ.
Реальная электрическая мощность, которую можно извлечь с такого устройства, составляет доли микроватта. Этого достаточно для питания маломощных CMOS-схем или заряда суперконденсатора при наличии усилителя накопления. Для увеличения энергии применяется трансформаторная связь с антенной, многообмоточные катушки и использование активных выпрямителей на МОП-транзисторах с минимальным порогом открытия.
Выбор диапазона радиочастот для стабильного получения энергии

Длинноволновый диапазон (150–300 кГц) характеризуется стабильными сигналами мощных передатчиков, но уровень поля на местности часто недостаточен для уверенного детектирования без направленных антенн длиной десятки метров. Прием возможен только вблизи передающих станций.
Средние волны (530–1600 кГц) предпочтительны для установки в городской среде: высокая плотность AM-вещания, особенно в ночное время, обеспечивает уровень сигнала, пригодный для выработки энергии. При этом антенны допустимы короче – около 5–10 метров.
Короткие волны (3–30 МГц) дают доступ к международному эфиру и радиолюбительским передачам. Однако нестабильность прохождения и сильная зависимость от времени суток делают этот диапазон малопригодным для стабильного питания.
FM-диапазон (88–108 МГц) обеспечивает мощные сигналы вещательных станций с высокой плотностью в городских районах. При длине антенны около 1,5 метра можно получать достаточную энергию даже при компактной конструкции приёмника. Часто используется в практических схемах детекторных источников энергии.
Диапазоны Wi-Fi и GSM (900 МГц, 2,4 ГГц и выше) содержат излучения от мобильных телефонов, маршрутизаторов и базовых станций. Несмотря на высокую плотность трафика, их использование затруднено из-за малой проникающей способности сигнала и необходимости точно настроенных резонансных контуров. При этом антенны могут быть ультракомпактными (сантиметры), что актуально для встраиваемых решений.
Оптимальный выбор – FM-диапазон и средние волны: стабильные сигналы, достаточная мощность, приемлемые размеры антенн. При работе в этих диапазонах требуется точная настройка контура на максимум принимаемой мощности и качественное согласование с нагрузкой.
Типы антенн и способы увеличения уровня принимаемого сигнала
Для эффективной работы детекторного приёмника критически важно выбрать антенну с максимальной способностью захвата энергии электромагнитных волн. Ниже перечислены типы антенн, подходящие для пассивных радиоприёмников, и конкретные методы повышения уровня принимаемого сигнала.
- Проволочная антенна – натянутая медная проволока длиной от 10 до 40 метров. Чем выше и длиннее размещение, тем выше напряжение на входе приёмника.
- Рамочная антенна – несколько витков провода на изолированном каркасе. Увеличение числа витков и площади рамки повышает индукцию, особенно в диапазоне длинных волн.
- Телескопическая антенна – используется в портативных вариантах. Эффективность ограничена длиной, но может быть улучшена подключением внешнего провода.
- Заземлённая антенна – комбинация антенны и эффективного заземления позволяет образовать замкнутый контур, увеличивающий ток в детекторе.
Для увеличения уровня сигнала применяются следующие приёмы:
- Подъём антенны как можно выше над землёй, желательно не менее 5 метров, для снижения экранирующего влияния построек и рельефа.
- Установка антенны вдали от металлических конструкций и электроприборов, создающих паразитные токи и шум.
- Использование качественного изолятора в точках крепления, исключающего утечку сигнала на опору.
- Применение согласующего трансформатора между антенной и катушкой приёмника для максимальной передачи энергии.
- Плотное соединение всех контактов, особенно в точках подключения антенны и заземления, исключающее потери.
Правильная конфигурация антенны и соблюдение технических условий способны увеличить напряжение на детекторе в 3–5 раз по сравнению с неудачно подобранной системой.
Подключение нагрузок к выходу детекторной схемы без потерь сигнала
Выходное сопротивление детекторного приёмника высоко, поэтому даже незначительная нагрузка может вызвать снижение амплитуды сигнала. Для минимизации потерь при подключении внешних устройств необходимо учитывать следующие рекомендации:
- Использовать усилитель с высоким входным сопротивлением (не менее 10 МОм). Полевой транзистор в схеме с общим истоком – предпочтительное решение.
- Избегать прямого подключения низкоомных нагрузок (например, наушников с сопротивлением менее 2 кОм). Для них необходим буферный каскад.
- Разместить согласующий трансформатор между диодом и нагрузкой. Передаточное отношение подбирается так, чтобы сопротивление нагрузки отражалось в детектор с эквивалентным значением ≥500 кОм.
- В случае использования пьезоэлектрических излучателей учитывать их высокоомную природу и сохранять длину соединительных проводов минимальной, чтобы избежать паразитной ёмкости.
Особое внимание уделяется фильтрации сигнала перед подачей на нагрузку:
- Конденсатор фильтра должен иметь ёмкость в пределах 10–100 нФ. При превышении этих значений возрастает инерционность, при занижении – пульсации.
- Использование дросселей в LC-фильтрах допустимо только при условии сохранения высокого входного сопротивления последующего каскада.
Подключение измерительных приборов (например, осциллографов) требует буферизации, иначе входное сопротивление прибора (обычно 1 МОм) приведёт к искажению детектированного сигнала.
Соблюдение этих принципов обеспечивает передачу максимальной мощности на нагрузку без разрушения формы сигнала, что критично при использовании детекторной схемы в качестве источника энергии.
Использование конденсаторов и дросселей для накопления и сглаживания энергии

В детекторных приёмниках энергия сигнала радиостанции чрезвычайно мала, поэтому каждая часть схемы должна быть оптимизирована для максимального сохранения и использования получаемой энергии. Конденсаторы и дроссели играют ключевую роль в накоплении и фильтрации переменного тока, поступающего от антенны.
Конденсаторы используются для аккумулирования энергии, выделяемой детектором после выпрямления сигнала. Наиболее эффективны танталовые и керамические конденсаторы с низким эквивалентным последовательным сопротивлением (ESR), ёмкостью от 1 до 100 мкФ. Они обеспечивают достаточный запас энергии для питания маломощных устройств, например, CMOS-логики или светодиодов низкой яркости.
Дроссели подавляют высокочастотные пульсации и минимизируют потери при передаче энергии от детектора к нагрузке. Рекомендуются дроссели с индуктивностью от 100 мкГн до 1 мГн и малым активным сопротивлением – не более 5 Ом. Их размещение после детектора позволяет отсекать высокочастотную составляющую, пропуская только полезную низкочастотную компоненту, пригодную для накопления.
Практический пример: при использовании германиевого диода (например, Д9Б) и антенны длиной 5–10 метров можно достичь напряжения порядка 0,3–0,5 В на конденсаторе 10 мкФ, что достаточно для кратковременного включения энергоэффективной микросхемы. Последовательно включённый дроссель LC-фильтра снижает потери при накоплении энергии и предотвращает её утечку обратно в антенную цепь.
Для максимальной эффективности следует располагать элементы как можно ближе друг к другу, минимизируя паразитные индуктивности проводников. Контактные соединения должны быть прочными и с минимальным сопротивлением. Применение экранировки уменьшает наводки, особенно при сборке на макетных платах или в условиях городских электромагнитных помех.
Изоляция схемы от внешних помех и минимизация потерь мощности
Для снижения влияния внешних электромагнитных помех необходимо применять экранирование из материалов с высокой электропроводностью, таких как медь или алюминий, с толщиной не менее 0,5 мм. Контуры заземления должны быть минимальными по площади и реализованы по принципу «звезды», чтобы предотвратить образование петель наводок.
Размещение компонентов схемы рекомендуется компактным и симметричным, с минимальной длиной соединительных проводников не более 5 см, чтобы уменьшить индуктивные и емкостные эффекты. Для защиты от высокочастотных помех применяют фильтры с согласованной импедансной характеристикой, включающие LC-элементы, настроенные на частоты основной рабочей полосы.
Для минимизации потерь мощности важно использовать диоды с низким прямым падением напряжения, например, на основе германия или современных Шоттки, с падением менее 0,3 В. Конденсаторы в фильтрах должны иметь низкое эквивалентное последовательное сопротивление (ESR) – не выше 0,05 Ом при рабочих частотах.
Использование проводников с минимальным сопротивлением, например, медных проводов сечением не менее 0,5 мм², снижает потери на нагрев. Место пайки должно быть качественно выполнено для обеспечения надежного контакта и минимизации контактного сопротивления, которое не должно превышать 10 мОм.
Обязательным является контроль уровней паразитной емкости между элементами, особенно между диодом и землей, не допуская превышения 2 пФ, что снижает нежелательные токи утечки и повышает КПД схемы.
Практическая сборка и проверка работы детекторного источника питания

Для сборки детекторного источника питания необходимы следующие компоненты: германий или кремниевый диод с низким прямым напряжением, антенна с коэффициентом усиления не менее 10 дБ, конденсатор ёмкостью 100–200 пФ для сглаживания, а также резистор нагрузки от 1 до 10 МОм. Рекомендуется использовать диод типа 1N34A или аналогичный с малым прямым падением напряжения.
Сборку следует проводить на печатной плате с минимальной длиной соединений для снижения паразитных емкостей и индуктивностей. Антенну подключают к входу через конденсатор для предотвращения постоянного тока, а диод устанавливают так, чтобы анод был соединён с антенным входом, а катод – с конденсатором фильтра и резистором нагрузки, соединённым с землей.
После сборки необходимо проверить напряжение на выходе источника с помощью цифрового вольтметра с входным сопротивлением не менее 10 МОм. При наличии эффективной антенны и источника электромагнитного излучения (например, радиостанции AM-диапазона) на выходе следует наблюдать напряжение порядка 0,1–0,3 В постоянного тока.
Для оценки мощности, генерируемой детекторным источником, можно подключить нагрузку с известным сопротивлением и измерить падение напряжения. Рассчитанная мощность в идеальных условиях достигает десятков микроватт, что достаточно для питания низкоэнергетических схем с ультранизким потреблением.
Важно контролировать отсутствие коротких замыканий и стабильность контактов, так как малые токи легко нарушаются неплотным соединением. Рекомендуется дополнительно использовать экранирование для уменьшения помех и увеличить устойчивость детектора к внешним электромагнитным воздействиям.
Вопрос-ответ:
Как устроена схема детекторного приемника, которая может выступать источником энергии?
Схема детекторного приемника состоит из антенны, диода и нагрузки. Антенна принимает радиоволны и преобразует их в переменный электрический ток низкого напряжения. Диод действует как выпрямитель, пропуская ток в одном направлении, что позволяет выделить постоянную составляющую сигнала. Эта постоянная составляющая затем может быть использована для питания маломощных устройств, благодаря чему схема работает как источник энергии. Важным моментом является правильный выбор диода и минимизация потерь в цепи.
Почему диод в детекторном приемнике играет ключевую роль для получения энергии?
Диод выполняет функцию выпрямителя, превращая переменный ток, принимаемый антенной, в постоянный ток. Без выпрямления энергия радиосигнала не может быть использована напрямую для питания электрических устройств. Диод обеспечивает односторонний ток, благодаря чему происходит накопление и сглаживание энергии, что позволяет получать полезное напряжение на нагрузке. Качество диода, его чувствительность и низкое прямое напряжение существенно влияют на эффективность преобразования энергии.
Какие ограничения существуют у детекторного приемника как источника энергии?
Главным ограничением является низкая мощность радиосигнала, доступная для преобразования. Обычно детекторные схемы могут обеспечить только небольшие токи и напряжения, достаточные для питания лишь очень энергоэффективных устройств или индикаторов. Кроме того, эффективность преобразования зависит от условий приема, типа антенны и качества компонентов. Также следует учитывать, что мощность, получаемая из радиоволн, сильно зависит от расстояния до передатчика и уровня помех.
Какую роль играет антенна в схеме детекторного приемника, работающей как источник энергии?
Антенна служит первичным элементом, который захватывает электромагнитные волны из окружающего пространства и преобразует их в переменный электрический ток. Размер, форма и материал антенны влияют на уровень принимаемой энергии и диапазон частот. Чем лучше антенна согласована с длиной волны и условиями передачи, тем более эффективным становится процесс сбора энергии. Важен также правильный монтаж и минимизация потерь при подключении к диоду.
Можно ли использовать детекторный приемник для питания современных электронных устройств?
В большинстве случаев мощность, получаемая от детекторного приемника, слишком мала для полноценного питания современных устройств с высокой энергозатратой. Однако для очень низкопотребляющих систем, таких как некоторые датчики, индикаторы или часы, такая схема может служить дополнительным или резервным источником энергии. Для увеличения выходной мощности применяют несколько параллельно соединённых приемников или специальные схемы накопления и стабилизации напряжения.
