
Попадание фазного провода на нулевой – аварийная ситуация, приводящая к резкому росту тока в цепи. В однофазной сети 220 В при коротком замыкании между фазой и нулем сопротивление стремится к нулю, в результате чего ток может превышать 1000 А. Это вызывает мгновенный перегрев проводников, оплавление изоляции, повреждение розеток, автоматов и даже возгорание.
В распределительном щите сработает автоматический выключатель, если его номинал и характеристика тока срабатывания подобраны правильно. Однако при неисправном автомате или его отсутствии последствия будут разрушительными. Особую опасность представляет ситуация, когда «фаза на ноль» происходит в помещениях с повышенной влажностью – например, в ванных комнатах или на кухне. Здесь возрастает риск поражения электрическим током.
Основная защита – правильно выполненное заземление и применение УЗО (устройства защитного отключения). УЗО фиксирует ток утечки более 30 мА и разрывает цепь за доли секунды, предотвращая поражение током и дальнейшие повреждения. В системах TN-C, где ноль совмещён с защитным проводником, «фаза на ноль» может привести к тому, что корпус бытовых приборов окажется под напряжением. Это делает обязательным переход на системы TN-C-S или TN-S, где заземление и ноль разделены.
Для предотвращения подобных ситуаций рекомендуется регулярно проверять состояние электропроводки, не допускать самовольных подключений и использовать только сертифицированные комплектующие. Любое несанкционированное вмешательство в электрическую сеть должно производиться квалифицированным специалистом с допуском по электробезопасности.
Причины попадания фазного провода на нулевой

- Повреждение изоляции. При длительной эксплуатации кабельной продукции возможно разрушение изоляционного слоя, особенно в местах изгибов, в соединительных коробках и на участках с повышенной температурой. При пробое изоляции фаза может замкнуться на ноль.
- Нарушение порядка подключения. При неправильном монтаже электрощита или розеточной группы возможна прямая подача фазного провода на нулевую шину, особенно при отсутствии четкой цветовой маркировки проводов.
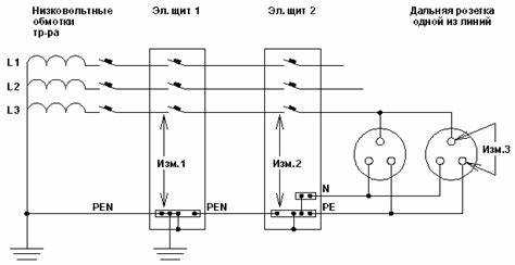
- Обрыв общего нулевого проводника. В трехфазной системе с несимметричной нагрузкой обрыв PEN-проводника приводит к перераспределению фазного напряжения на «нулевые» точки потребителей, вызывая обратную подачу фазы через другие нагрузки.
- Ошибки при подключении автоматических выключателей. При установке однополюсных автоматов вместо двухполюсных в схемах с общим нулем возможно оставление нулевого провода под напряжением от другой фазы.
- Попадание воды в распределительные коробки. При высокой влажности, особенно в подвалах и на открытых площадках, может возникать токопроводящий путь между фазой и нулем, что при наличии потенциала на корпусах оборудования становится причиной опасных токов утечки.
- Неправильное заземление. Использование «нулевого» проводника в качестве заземляющего в обход правил устройства электроустановок (ПУЭ) может привести к опасному смешению потенциалов при аварии в питающей сети.
Как ведет себя электросеть при коротком замыкании фазы на ноль

Короткое замыкание между фазой и нулем вызывает резкое увеличение тока в цепи, который в десятки раз превышает номинальное значение. Это приводит к мгновенному нагреву проводников и контактов, способному повредить изоляцию и вызвать возгорание.
Реакция автоматических выключателей или плавких предохранителей зависит от типа защиты и её времени срабатывания. Современные автоматы типа C и D реагируют на токи короткого замыкания за доли секунды, предотвращая повреждение кабеля. Однако при изношенных автоматах или нерассчитанных нагрузках возможен прогар контактов и оплавление розеток.
В распределительном щите происходит перераспределение потенциалов. Если замыкание возникло в цепи без защитного отключения, ток продолжает протекать по пути наименьшего сопротивления, включая тело человека при прикосновении к повреждённому оборудованию. Это создает опасность поражения электрическим током даже при наличии УЗО, если его параметры не соответствуют условиям эксплуатации.
Сопротивление петли «фаза-ноль» критически влияет на последствия замыкания. При низком сопротивлении ток достигает значений свыше 3000 А, что может вызвать локальные разрушения в точке контакта. При высоком сопротивлении автомат может не сработать вовсе, увеличивая риск перегрева и последующего возгорания.
Для снижения последствий короткого замыкания важно регулярно проверять затяжку контактов, проводить измерение сопротивления петли и использовать аппараты защиты с соответствующим классом отключающей способности. Подключение мощных потребителей должно производиться только через рассчитанную группу с кабелем нужного сечения и индивидуальной защитой.
Опасности для человека при контакте с поврежденной сетью

При нарушении изоляции или перепутанных соединениях, например, попадании фазы на ноль, корпус бытового прибора может оказаться под напряжением. При прикосновении к такому корпусу человек замыкает цепь на землю через своё тело, что может привести к поражению током величиной от 30 мА – уже опасной для жизни. При токе выше 100 мА вероятность фибрилляции сердца резко возрастает.
Особую угрозу представляют помещения с повышенной влажностью: в ванных комнатах сопротивление кожи падает до 1000 Ом и ниже. При стандартном сетевом напряжении 220 В ток через тело может превысить 200 мА, что смертельно. Контакт даже на доли секунды вызывает судороги, потерю сознания или остановку дыхания.
Если фаза подаётся на нулевой провод, а заземление отсутствует или подключено неправильно, происходит «обратное» протекание тока. В этом случае даже отключённый через выключатель прибор может быть под напряжением. Проверка индикаторной отверткой становится ненадежной: на корпусе может отсутствовать видимый потенциал, но ток пойдет при замыкании цепи телом.
При использовании переносных удлинителей с нарушенной схемой подключения фазы и нуля, все подключённые устройства потенциально опасны. В сочетании с плохими контактами возрастает риск дугового пробоя, ожогов и потери сознания при прикосновении.
Рекомендуется установка устройств защитного отключения (УЗО) с током срабатывания 10–30 мА и проверка целостности проводки специализированными приборами. Необходимо регулярно контролировать правильность подключения фаз и наличие рабочего заземления, особенно при реконструкции электросети.
Последствия для бытовой техники и электрооборудования

Попадание фазы на ноль приводит к значительному перенапряжению в сети, особенно при использовании однофазного подключения. В результате ток проходит по цепям, не предназначенным для работы под напряжением, что вызывает резкое увеличение нагрузки на изоляцию и компоненты устройств.
Наиболее уязвимы устройства с импульсными блоками питания – телевизоры, компьютеры, роутеры, зарядные устройства. При перенапряжении конденсаторы вздуваются или взрываются, выгорают силовые транзисторы и диодные мосты. Ремонт таких блоков в большинстве случаев экономически нецелесообразен.
Холодильники, стиральные машины, кондиционеры и другая техника с электродвигателями испытывают перегрузку обмоток. Без защиты происходит межвитковое замыкание, вызывающее полное разрушение двигателя. Часто перегорает и пусковое реле, что делает технику полностью неработоспособной.
Светодиодные и люминесцентные светильники выходят из строя из-за повреждения драйверов. Лампы начинают мигать или вовсе не включаются. Простые резистивные приборы (например, электрочайники, утюги) также могут получить повреждение термостатов и переключателей.
Рекомендуется обязательная установка устройств защиты от перенапряжений: УЗО, реле контроля напряжения, стабилизаторов. При эксплуатации генераторов или нестабильной сети следует использовать автоматические выключатели с контролем перекоса фаз. Игнорирование защиты приводит к массовому выходу из строя техники и дорогостоящему ремонту.
Работа автоматических выключателей и УЗО в такой ситуации

Если фазный провод попадает на нулевой, автоматический выключатель сработает только при превышении номинального тока. При прямом коротком замыкании между фазой и нулём, ток резко возрастает, что приводит к мгновенному срабатыванию тепломагнитного расцепителя. Однако при плохом контакте или высокоомном замыкании ток может быть недостаточен для отключения автомата, что создаёт пожароопасную ситуацию.
Устройство защитного отключения (УЗО) реагирует на утечку тока, а не на перегрузку или короткое замыкание между фазой и нулём. Если фаза попадает на ноль напрямую, УЗО не сработает, так как ток возвращается по тому же пути, и дифференциальный ток отсутствует. УЗО эффективно только при утечке на землю или на корпус оборудования. Поэтому оно не заменяет автомат, а дополняет его.
Для повышения надёжности защиты рекомендуется использовать автомат с номиналом, соответствующим сечению провода и предполагаемой нагрузке, а также УЗО с током утечки не более 30 мА. В случае частых ложных срабатываний необходимо проверить цепь на наличие токов утечки, вызванных старой или повреждённой изоляцией.
Комбинированные устройства – диффавтоматы – объединяют функции УЗО и автомата. Однако при их установке следует учитывать, что при срабатывании невозможно сразу определить, была ли причина в перегрузке, коротком замыкании или утечке. Для диагностики предпочтительнее раздельная установка автомата и УЗО.
Как диагностировать и устранить замыкание фазы на ноль

Диагностика начинается с проверки показаний защитных устройств: автоматов, УЗО, реле. При замыкании фазы на ноль возникает резкое повышение тока, что фиксируется этими приборами. Для точного определения места неисправности используют токовые клещи и мультиметр с функцией измерения сопротивления.
Первым шагом измеряют сопротивление изоляции между фазой и нулем на выключенном оборудовании. Значения ниже 1 кОм указывают на повреждение изоляции или прямое замыкание. Далее осматривают соединения на наличие механических повреждений, оплавленных контактов, следов коррозии или влаги.
Особое внимание уделяют соединительным коробкам и розеткам. Часто короткое замыкание происходит из-за неправильной скрутки проводов или ослабленных клемм. При подозрении на скрытые дефекты проводят инструментальную прозвонку кабелей, используя трассировочные приборы.
Устранение требует отключения питания и последовательной проверки всех участков цепи. Проводку, где выявлено повреждение, необходимо заменить или отремонтировать, используя провода с соответствующим сечением и изоляцией.
Поврежденные элементы оборудования заменяют, а контакты тщательно очищают и подтягивают. Для повышения надежности монтажа рекомендуют использовать наконечники и клеммники с винтовыми зажимами.
После ремонта выполняют повторное измерение сопротивления изоляции и тестирование защитных устройств под нагрузкой. Контрольные замеры исключают повторное замыкание и гарантируют безопасную работу электросети.
Вопрос-ответ:
Что происходит с электрическим оборудованием при замыкании фазы на ноль?
При коротком замыкании фазы на ноль возникает резкий скачок тока, который значительно превышает нормальный рабочий уровень. Это может привести к повреждению изоляции проводов, возгоранию оборудования и выходу из строя электроустановок, если защитные устройства не сработают своевременно.
Почему при попадании фазы на ноль возникает сильный ток короткого замыкания?
Потому что между фазой и нулём появляется практически прямое соединение с очень низким сопротивлением. Электрический ток стремится пройти по пути наименьшего сопротивления, и из-за малого сопротивления ток резко возрастает, что вызывает перегрузку проводов и оборудования.
Какие меры безопасности необходимо принимать для защиты от повреждений при фазе на ноль?
Для защиты используют автоматические выключатели и предохранители, которые отключают питание при обнаружении короткого замыкания. Также применяют устройства защитного отключения (УЗО), которые быстро реагируют на утечки тока и предотвращают возгорания и поражение людей электрическим током.
Можно ли восстановить оборудование после короткого замыкания фазы на ноль самостоятельно?
Если повреждения серьезные, ремонт должен выполнять квалифицированный электрик, так как неосторожные действия могут привести к повторным коротким замыканиям или опасности для жизни. Иногда замена повреждённых компонентов, проверка и тестирование системы помогут вернуть оборудование в рабочее состояние.
Как определить факт замыкания фазы на ноль в бытовой электросети?
Признаками могут быть срабатывание автоматов, запах горелой изоляции, искрение в розетках или резкое отключение электричества. Для точного выявления применяют специальные приборы — мультиметры или тестеры, которые измеряют сопротивление и выявляют короткое замыкание в цепи.
Что происходит в электрической цепи, если фаза случайно окажется на нулевом проводе?
Если фаза попадет на нулевой провод, это вызовет короткое замыкание. Нулевой провод обычно служит для возврата тока в источник, и на нем нет напряжения относительно земли. При контакте с фазой возникает резкий скачок тока, который может привести к срабатыванию защитных устройств, повреждению оборудования и даже возгоранию проводки. Такое состояние требует немедленного отключения питания и проверки цепи специалистом.
Какие последствия для безопасности возникают, когда фаза оказывается на нулевом проводе, и как это можно предотвратить?
Контакт фазы с нулевым проводом создает опасную ситуацию из-за сильного тока короткого замыкания. Это повышает риск возгорания и повреждения техники. Для защиты применяются автоматические выключатели и предохранители, которые отключают питание при перегрузке. Кроме того, правильная установка и регулярное техническое обслуживание электропроводки помогают избежать таких проблем. Важно доверять монтаж квалифицированным электрикам и проверять систему на отсутствие замыканий.
