
Газовая колонка – один из самых эффективных способов организации горячего водоснабжения в частном доме. В отличие от накопительных бойлеров, проточные водонагреватели не требуют больших резервуаров и начинают нагрев воды сразу после открытия крана. Это особенно актуально для домов с ограниченным пространством или нерегулярным потреблением воды.
Перед установкой необходимо определить тип газоснабжения: централизованное или автономное (сжиженный газ в баллонах или резервуаре). Для централизованного подключения потребуется получение технических условий от газораспределительной организации, а для автономного – согласование проекта автономной газификации с использованием газгольдера или баллонов, сертифицированных для бытового использования.
Выбор места установки должен учитывать нормативные требования: минимальное расстояние от потолка до колонки – 80 см, от стен – не менее 10 см, обязательное наличие вытяжки или отдельного дымохода. Помещение должно быть объемом не менее 7,5 м³ и иметь естественную вентиляцию. Разрешено размещение только в нежилых помещениях – кухнях или технических зонах, но не в ванных комнатах или санузлах.
Монтаж должен выполняться лицензированной организацией. Самовольное подключение является нарушением правил эксплуатации газового оборудования и грозит не только штрафами, но и опасностью для жизни. После установки оборудование подлежит опрессовке, проверке тяги и первичному пуску в присутствии представителя газовой службы.
Современные модели газовых колонок оснащены модуляцией пламени, автоматическим розжигом и защитой от перегрева. Однако даже при наличии автоматики крайне важно соблюдать регулярное техническое обслуживание: проверку теплообменника, чистку форсунок и дымохода. Это продлевает срок службы устройства и исключает риск утечки угарного газа.
Выбор места для установки газовой колонки с учётом вентиляции и дымоудаления
Газовую колонку необходимо устанавливать в помещении с естественной вентиляцией объёмом не менее 7,5 м³. Высота потолков – минимум 2,2 м. Окно с форточкой обязательно для обеспечения притока воздуха. При отсутствии форточки монтируется приточный клапан с сечением не менее 80 см².
Допустимая установка – только в кухне или специально оборудованном помещении. Запрещено размещение в ванных, санузлах и жилых комнатах. Между верхней частью колонки и потолком должно быть не менее 15 см, а боковые зазоры – не менее 10 см для доступа и теплоотвода.
Для отвода продуктов сгорания обязателен отдельный дымоход, выполненный из коррозионностойкой стали или алюминия. Минимальный диаметр – 110 мм для устройств до 24 кВт. Длина горизонтального участка не должна превышать 3 м, при этом каждый поворот добавляет сопротивление и должен быть сведён к минимуму. Подключение колонки к дымоходу – через герметичный переходник с обратным клапаном.
Категорически запрещено подключение к вентиляционным каналам и использование гибких гофрированных труб без термостойкости. При установке турбированной колонки необходимо предусмотреть прямой выброс через стену с учётом безопасного расстояния: минимум 60 см до ближайшего окна или двери и не менее 30 см до угла здания.
Требования к помещению для монтажа газовой колонки

Высота потолков должна быть не менее 2,2 метра. Недопустимо устанавливать колонку в помещениях с заниженными перекрытиями или мансардных комнатах без соблюдения норм высоты.
Объём помещения – минимум 7,5 м³ для одной колонки. Если планируется установка двух приборов, объём должен составлять не менее 13 м³.
Наличие вентиляции обязательно: естественная вытяжка через вентиляционный канал сечением не менее 140 см² и приточный канал для поступления свежего воздуха с площадью не менее 100 см². Использование только форточек или открытых окон не считается полноценной вентиляцией.
Стенки помещения не должны быть выполнены из горючих материалов. При установке на деревянную стену требуется теплоизоляционная прокладка из негорючего материала толщиной не менее 3 мм.
Газовая колонка должна быть установлена на капитальную стену. Расстояние от боковых сторон устройства до других предметов – минимум 10 см, сверху – не менее 15 см, снизу – минимум 20 см.
Дымоход необходим при установке колонки с открытой камерой сгорания. Диаметр дымохода должен соответствовать выходному патрубку колонки, но не менее 120 мм. Материал – металл с устойчивостью к высоким температурам и коррозии.
Запрещена установка в санузлах, ванных комнатах и подвалах без окон. Допускается монтаж в кухне или отдельном техническом помещении при соблюдении всех требований.
Подключение газовой колонки к системе газоснабжения по нормативам
Подключение газовой колонки к газовой магистрали осуществляется в строгом соответствии с требованиями СП 62.13330.2011 и Правилами пользования газом в РФ. Нарушение норм может привести к отказу в регистрации прибора и наложению штрафов со стороны надзорных органов.
Перед подключением необходимо получить технические условия (ТУ) от газораспределительной организации. В ТУ указываются параметры давления, точка врезки и допустимая мощность прибора.
Газопровод к колонке должен выполняться только из стальных труб, допускается применение гибких подводок только сертифицированных, с антикоррозийной защитой и маркировкой о соответствии ГОСТ Р 51609-2000. Максимальная длина гибкой подводки – 1,5 метра.
Обязательна установка запорного вентиля перед прибором. Вентиль должен быть легкодоступен и располагаться не дальше 0,5 метра от входа газовой трубы в колонку. Использование самодельных кранов категорически запрещено.
Соединения труб должны быть герметизированы с применением сертифицированных уплотнительных материалов, устойчивых к воздействию метана. Допускается только муфтовая или фланцевая стыковка. Сварные соединения выполняются только аттестованным специалистом.
Газовая колонка не может устанавливаться в помещениях без естественной вентиляции и окон. Расстояние от газопровода до электрических розеток и приборов должно составлять не менее 10 см.
После подключения проводится обязательная проверка герметичности с применением мыльного раствора или приборов контроля утечек. Только после акта опрессовки и пуска газа службой ГРО допускается эксплуатация оборудования.
Организация отвода продуктов сгорания через коаксиальный или обычный дымоход
При установке газовой колонки в частном доме критически важно правильно организовать отвод продуктов сгорания. Неправильный монтаж дымохода может привести к обратной тяге, накоплению угарного газа и снижению КПД оборудования.
Коаксиальный дымоход используется с турбированными моделями колонок. Он состоит из двух труб: внутренняя отводит газы наружу, внешняя подаёт воздух для горения. Для монтажа требуется пробивка отверстия в наружной стене диаметром не менее 110 мм. Максимальная длина коаксиального дымохода – 3 метра, с не более чем двумя поворотами по 90 градусов. Угол наклона трубы от колонки должен быть не менее 3° к внешней стороне, чтобы конденсат стекал наружу.
Обычный дымоход необходим для атмосферных колонок. Он выполняется из оцинкованной или нержавеющей стали толщиной не менее 0,5 мм. Диаметр трубы подбирается по паспорту колонки, чаще всего – 110 или 130 мм. Минимальная высота вертикального участка – 0,5 м от выхода газоотводящего патрубка. На горизонтальных участках обязателен уклон 3–5° в сторону колонки. Герметизация стыков выполняется жаростойким герметиком. Конструкция не должна содержать более трёх поворотов и горизонтальных участков длиннее 1 м.
Верхняя часть дымохода должна быть выведена выше конька крыши не менее чем на 0,5 м. На конце монтируется дефлектор для стабилизации тяги и защиты от осадков. Запрещено подключать несколько приборов к одному дымоходу без специального распределителя тяг.
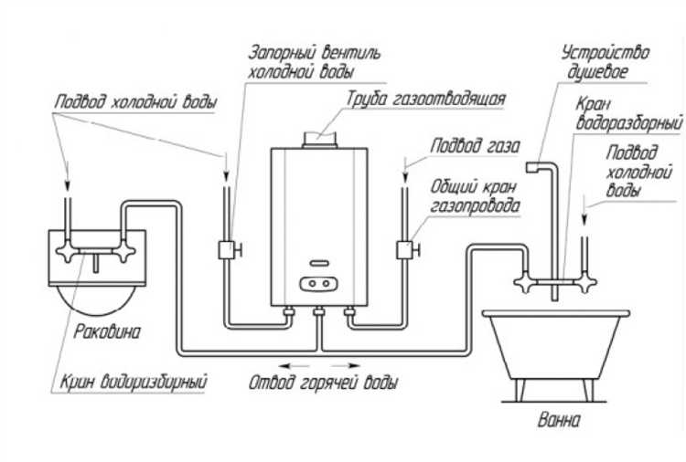
Подключение водопровода к газовой колонке и проверка герметичности

Перед подключением убедитесь, что напор воды в системе стабилен: минимальное давление – 0,15 МПа, максимальное – не выше 1,0 МПа. Если напор нестабилен, потребуется установка редуктора давления.
Для подключения используйте металлические или армированные гибкие шланги с температурной стойкостью не ниже 95 °C. Соединения выполняются через резьбовые фитинги с использованием пакли или сантехнической нити с пастой, исключая использование ФУМ-ленты, склонной к протечкам на горячей воде.
Перед подсоединением промойте водопровод, открыв кран на слив, чтобы удалить песок и окалину. Загрязнения могут повредить теплообменник. Подключение выполняется строго в соответствии с маркировкой: вход холодной воды – «С», выход горячей – «H».
После монтажа откройте подачу воды, не включая газ. Внимательно осмотрите все соединения. При обнаружении влаги на стыках – немедленно перекройте воду и устраните протечку.
Для проверки герметичности используйте мыльный раствор: нанесите его на соединения и наблюдайте в течение 5 минут. Пузырение указывает на утечку. Повторная герметизация необходима до полного устранения дефекта.
Запрещается использовать колонку при наличии даже незначительных протечек. Негерметичность системы приводит к повреждению оборудования и риску затопления.
После успешной проверки герметичности система готова к пусконаладке и подключению газа.
Настройка давления газа и регулировка подачи воды

Для корректной работы газовой колонки давление газа должно находиться в пределах 13–20 мбар. Измерение проводят с помощью манометра, подключаемого к газовой магистрали перед входом в колонку. Если давление ниже 13 мбар, устанавливают дополнительный редуктор; при превышении 20 мбар необходима регулировка основного редуктора или обращение к газовой службе.
Регулировка подачи воды выполняется через встроенный кран или винтовой регулятор подачи воды на корпусе колонки. Оптимальное давление воды – 0,15–0,3 МПа. При слишком низком давлении запуск колонки будет нестабильным, при слишком высоком возможны протечки и износ элементов.
После установки давления газа и подачи воды проверяют температуру на выходе горячей воды, регулируя подачу воды до достижения необходимой температуры. Если температура превышает 60 °C, уменьшают подачу газа, снижая риск образования накипи и продлевая срок службы аппарата.
Для контроля стабильности параметров рекомендуется проводить проверку давления и температуры не реже одного раза в год, а при изменениях качества воды – чаще.
Получение разрешения на установку и регистрация оборудования

Установка газовой колонки в частном доме требует официального согласования с газоснабжающей организацией и регистрации оборудования в соответствующих инстанциях.
- Подача заявки в газовую службу:
- Обратитесь в местное отделение газовой службы с заявлением на установку газового оборудования.
- К заявлению приложите паспорт объекта и технический паспорт колонки.
- Проведение предварительного осмотра объекта специалистом газовой службы обязательно.
- Получение технических условий (ТУ):
- ТУ содержат требования по монтажу и подключению оборудования, учитывающие особенности дома и систему газоснабжения.
- Срок выдачи – до 30 дней с момента подачи заявления.
- Выбор и согласование места установки:
- Место должно соответствовать нормативам СНиП и требованиям пожарной безопасности.
- Обязательна проверка наличия вытяжной вентиляции и достаточного воздухообмена.
- Монтаж и проверка оборудования:
- Установка производится лицензированными специалистами с допуском к газовым работам.
- После монтажа проводится опрессовка и тестирование на герметичность системы.
- Регистрация оборудования:
- Оформляется акт ввода в эксплуатацию, подписываемый газовой службой.
- Данные оборудования вносятся в технический паспорт и реестр газового хозяйства.
- Регистрация обязательна для последующего технического обслуживания и гарантийных обязательств.
- Соблюдение сроков и повторная проверка:
- Регулярные проверки состояния газового оборудования проводятся не реже одного раза в год.
- Невыполнение требований приводит к штрафам и отключению газа.
Техническое обслуживание и контроль безопасности после установки

Регулярное техническое обслуживание газовой колонки обеспечивает её исправную работу и минимизирует риски аварийных ситуаций. Контроль безопасности включает проверку основных элементов системы, измерение параметров и очистку внутренних частей.
- Проверка герметичности газовых соединений: проводится не реже одного раза в год с использованием газоанализаторов или мыльного раствора. Обнаруженные утечки устраняются немедленно.
- Осмотр дымохода и вентиляционных каналов: необходим минимум дважды в год – перед началом и в конце отопительного сезона. Засоры или повреждения приводят к нарушению тяги и накоплению угарного газа.
- Чистка теплообменника: выполняется ежегодно. Накопление нагара снижает КПД и повышает риск перегрева устройства.
- Проверка системы розжига и датчиков: диагностика электроподжига, контроль работы датчиков температуры и давления осуществляется при каждом техническом осмотре.
- Измерение давления газа на входе и выходе: должно соответствовать нормативам производителя – обычно входное давление не менее 13 мбар, а выходное – в пределах технических характеристик колонки.
- Проверка работы системы отвода продуктов сгорания: проводится с помощью дымоанализаторов для оценки уровня СО и СО₂, допустимые концентрации строго регламентированы.
Кроме регулярного обслуживания, рекомендуется:
- Установить газоанализатор с аварийной сигнализацией в помещении.
- Проводить обучение всех пользователей простым правилам безопасной эксплуатации.
- Своевременно вызывать специалистов для диагностики при первых признаках нестабильной работы (запах газа, перебои в розжиге, шумы).
Вопрос-ответ:
Какие основные требования к дымоходу при установке газовой колонки в частном доме?
Для безопасной работы газовой колонки важно обеспечить правильный отвод продуктов сгорания. Дымоход должен быть герметичным, устойчивым к высоким температурам и коррозии. Обычно используют металлические или керамические трубы с гладкой внутренней поверхностью. Его диаметр и высота рассчитываются с учётом мощности колонки и рекомендаций производителя. Важно исключить обратную тягу и обеспечить достаточную вентиляцию помещения, где установлена колонка.
Можно ли установить газовую колонку самостоятельно, без вызова специалистов?
Самостоятельная установка газовой колонки не рекомендуется. Подключение к газовой магистрали требует соблюдения строгих правил безопасности и наличия специального оборудования. Для монтажа необходимо получить разрешение и провести проверку системы. Ошибки при установке могут привести к утечкам газа, что опасно для здоровья и жизни. Лучше доверить работу лицензированным специалистам, которые гарантируют правильное подключение и последующую проверку оборудования.
Какой способ подключения газовой колонки к водопроводу предпочтительнее?
Наиболее распространённый и удобный вариант — подключение колонки через гибкие шланги, которые обеспечивают герметичность и простоту монтажа. Важно, чтобы шланги были сертифицированы и подходили по диаметру к системе водоснабжения. Также часто используют металлические трубы для более надёжного соединения, особенно если система подлежит частому техническому обслуживанию. Главное — обеспечить отсутствие протечек и стабильное давление воды.
Какие меры нужно принять для правильной эксплуатации газовой колонки зимой?
Зимой важно защитить колонку и её трубы от промерзания. Для этого используют теплоизоляционные материалы, обертывают трубы или устанавливают специальные утеплённые коробки. Также рекомендуется регулярно проверять вентиляционные отверстия, чтобы избежать скопления конденсата и льда. При сильных морозах можно оставить небольшой поток воды, чтобы вода в системе не застыла. Регулярное техническое обслуживание и своевременная очистка оборудования помогут избежать поломок в холодное время года.
