
Распределительная сеть электроснабжения – это совокупность электрических линий, трансформаторных подстанций и коммутационных устройств, обеспечивающих доставку электроэнергии от подстанций высокого напряжения до конечных потребителей. Эти сети функционируют в диапазоне от 0,4 кВ до 35 кВ и делятся на сети низкого и среднего напряжения.
Основной задачей распределительной сети является обеспечение надёжного и стабильного электроснабжения жилых, коммерческих и промышленных объектов. В городских условиях преобладают кабельные линии, которые обеспечивают высокую защищённость от внешних воздействий, в то время как в сельской местности используются воздушные линии, как правило, на деревянных или железобетонных опорах.
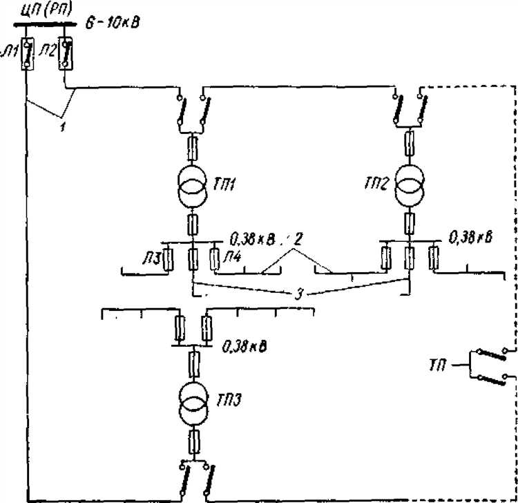
Для оптимизации потерь и поддержания напряжения в допустимых пределах применяются трансформаторные подстанции, которые понижают уровень напряжения с 6–10 кВ до 0,4 кВ. Расположение подстанций должно учитывать плотность нагрузки: в жилых зонах расстояние между ними обычно не превышает 500 метров.
Проектирование распределительной сети требует учёта сезонных колебаний нагрузки, коэффициента надёжности электроснабжения и возможности резервирования. На практике рекомендуется использовать кольцевую схему питания с возможностью быстрого переключения на резервную линию, что минимизирует время простоя при авариях.
Как устроена схема подключения потребителей к распределительной сети

Подключение потребителей к распределительной сети начинается с выбора точки присоединения. Она определяется сетевой организацией с учётом технической возможности и существующих мощностей. Чаще всего используется ближайшая трансформаторная подстанция среднего напряжения (6–10 кВ), от которой отходят распределительные линии.
Кабельная или воздушная линия от подстанции доводится до вводного распределительного устройства (ВРУ) потребителя. Для объектов с нагрузкой до 15 кВт применяется однофазное подключение на 220 В, свыше – трёхфазное на 380 В. Сечение кабеля рассчитывается по длительно допустимому току и падению напряжения на участке, как правило, не более 5% от номинала.
На вводе устанавливается коммутационный аппарат – автоматический выключатель или рубильник. Обязательно наличие УЗО или дифференциального автомата в жилых зданиях. Далее питание распределяется по группам через щитовую с установленными автоматами защиты, соответствующими нагрузке каждой линии.
Для юридических лиц обязательна установка прибора учёта с возможностью телеметрии. В многоквартирных домах учёт часто организован на этажных щитах или в общедомовом узле с разделением по квартирам. Все приборы учёта пломбируются представителями сетевой или сбытовой организации.
Монтаж схемы подключения выполняется на основании технических условий и проекта электроснабжения. После завершения работ производится проверка сопротивления изоляции, заземления и испытание автоматических выключателей. Допуск к эксплуатации выдаётся после положительного акта технадзора и заключения энергоснабжающей компании.
Чем отличается распределительная сеть 6-10 кВ от низковольтной сети 0,4 кВ

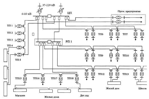
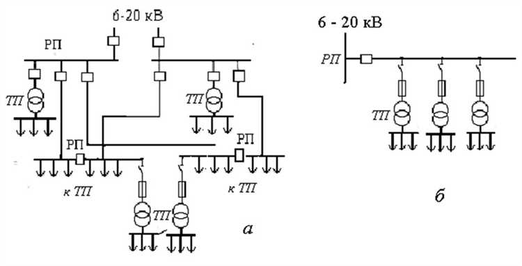
Распределительные сети 6–10 кВ предназначены для подачи электроэнергии от трансформаторных подстанций к распределительным пунктам или крупным потребителям. Низковольтные сети 0,4 кВ обслуживают конечных потребителей – жилые дома, магазины, административные здания.
Сеть 6–10 кВ работает в кольцевой или радиальной структуре с воздушными и кабельными линиями. Длина линий может достигать десятков километров, допустимая потеря напряжения – не более 10%. Для защиты используются автоматические выключатели с токами уставок от 50 до 1000 А, а также цифровые устройства релейной защиты.
Сеть 0,4 кВ имеет радиальную схему с короткими линиями (до 500 метров). Потери напряжения не должны превышать 5%. Для защиты применяются предохранители, автоматические выключатели на токи до 250 А и УЗО в жилом секторе.
Сеть 6–10 кВ требует более сложного технического обслуживания: термографический контроль, проверка сопротивления изоляции, измерения токов утечек. Персонал должен иметь IV или V группу допуска по электробезопасности. В 0,4 кВ допускается работа персонала с III группой.
Основные отличия сведены ниже:
| Параметр | Сеть 6–10 кВ | Сеть 0,4 кВ |
|---|---|---|
| Напряжение | 6 000 – 10 000 В | 380/220 В |
| Цель | Подача к РП и ТП | Подача конечным потребителям |
| Длина линий | До 20 км и более | Обычно до 0,5 км |
| Потери напряжения | До 10% | До 5% |
| Средства защиты | Релейная защита, автоматические выключатели | Плавкие вставки, УЗО, автоматы |
| Квалификация персонала | IV–V группа | III группа |
Какие функции выполняют трансформаторные подстанции в распределительной сети

Трансформаторные подстанции обеспечивают понижение напряжения с уровней 6–35 кВ до 0,4 кВ для питания потребителей. Это необходимо, поскольку высокое напряжение используется для передачи на дальние расстояния с минимальными потерями, а низкое – для безопасного и стабильного снабжения зданий и оборудования.
Основная задача – перераспределение мощности между линиями в зависимости от текущих нагрузок. Автоматические устройства учета и управления на подстанциях позволяют переключать секции, отключать аварийные участки и стабилизировать параметры сети без участия персонала.
Подстанции формируют точки подключения абонентов, включая жилые дома, предприятия и социальную инфраструктуру. При проектировании учитываются расчетные нагрузки, сезонные пики и резервные схемы, обеспечивающие бесперебойную подачу энергии при выходе оборудования из строя.
Дополнительные функции: защита сети от коротких замыканий и перегрузок с помощью автоматических выключателей; регулировка напряжения с применением ступенчатых трансформаторов с РПН (регулировка под нагрузкой); фильтрация гармоник при наличии нелинейных потребителей.
Рекомендуется: устанавливать подстанции ближе к центрам нагрузки для снижения потерь и колебаний напряжения; использовать трансформаторы с высоким КПД и современными средствами диагностики для минимизации эксплуатационных затрат и повышения надежности распределения.
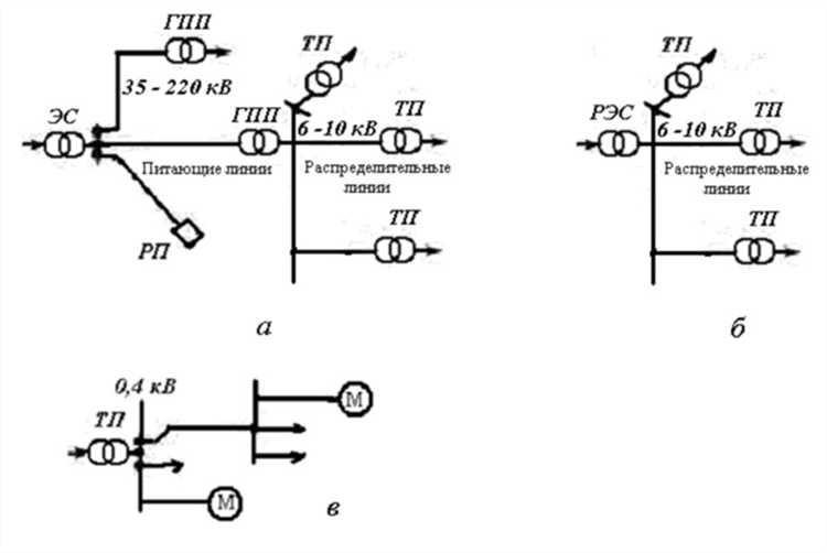
Как происходит передача электроэнергии от подстанции к потребителю

Передача электроэнергии от подстанции к конечному потребителю начинается с понижающего трансформатора. На подстанции высокое напряжение, используемое для магистральной передачи (например, 110 или 220 кВ), понижается до распределительного уровня – обычно 6–10 кВ для городских и промышленных сетей.
От подстанции отходят распределительные линии – воздушные или кабельные. В городской застройке чаще применяются кабели, проложенные в земле или в кабельных коллекторах, а в сельской местности – воздушные линии на деревянных или железобетонных опорах. На этой стадии используются автоматические выключатели и разъединители для локализации аварийных участков и проведения ремонтных работ без отключения всей линии.
Следующий этап – трансформаторные подстанции 6(10)/0,4 кВ, которые размещаются ближе к жилым домам, предприятиям или торговым объектам. Здесь напряжение снижается до 0,4 кВ. Распределение внутри объекта выполняется через вводно-распределительные устройства (ВРУ), оснащённые счётчиками, автоматами защиты и, при необходимости, устройствами защиты от перенапряжений.
Прокладка внутренней сети осуществляется медным или алюминиевым кабелем сечением, соответствующим расчётной нагрузке. В многоэтажных зданиях применяются стояки с распределительными коробками на каждом этаже, в частных домах – вводный щит и локальные распределительные линии на группы розеток и освещения.
Для минимизации потерь энергии соблюдаются нормативы по длине линий, сечению кабелей и уровню нагрузки. Регулярная проверка контактных соединений, термографический контроль распределительных щитов и балансировка фаз позволяют обеспечить стабильную подачу электроэнергии и избежать аварий.
Какие типы кабельных и воздушных линий используются в распределительной сети

В распределительных сетях применяются как кабельные, так и воздушные линии, каждая из которых подбирается с учетом напряжения, условий эксплуатации и экономической целесообразности.
- Кабельные линии напряжением до 1 кВ – используются в городских районах, на промышленных объектах и в местах с высокой плотностью застройки. Применяются кабели с медными или алюминиевыми жилами, чаще всего с изоляцией из сшитого полиэтилена (ПвСЭ), реже – ПВХ. Рекомендуется укладка в защитные ПНД трубы или бетонные каналы для снижения риска повреждений.
- Кабельные линии 6–35 кВ – используются для подключения подстанций и крупных потребителей. Предпочтительно использовать трехжильные или одножильные кабели с броней (например, типа ААШв, НАБл), особенно в грунте с агрессивными свойствами. В условиях повышенной влажности предпочтительны кабели с водоблокирующими лентами.
- Воздушные линии 0,4 кВ – типичные для сельских районов. Применяется самонесущий изолированный провод (СИП), который уменьшает риск коротких замыканий при контакте с деревьями. Рекомендуется использовать СИП-4 для участков без необходимости нулевого провода и СИП-2А – с несущей изолированной нейтралью.
- Воздушные линии 6–10 кВ – строятся на железобетонных или деревянных опорах. Применяется провод АС (сталеалюминиевый) или более устойчивый к атмосферным воздействиям провод с изоляцией (например, СИП-3), особенно в труднодоступных или лесных районах. Рекомендуется устанавливать ограничители перенапряжений и молниеотводы.
- Линии 20–35 кВ – часто используют комбинацию кабельных и воздушных участков. На воздухе – провод АС или СИП-3, в земле – бронированные кабели с контрольным экраном. При подземной прокладке обязательно применение сигнальных лент и маркеров для предотвращения механических повреждений.
Выбор линии зависит от рельефа, плотности застройки, наличия коррозионных факторов и требований по надежности электроснабжения. При модернизации старых сетей рекомендуется переход на СИП и кабели с пониженной горючестью и продленным сроком службы.
Как проводится техническое обслуживание и ремонт распределительных сетей

Техническое обслуживание распределительных сетей включает систематическую проверку состояния оборудования и линий электропередачи. Основные мероприятия проводятся в плановом порядке с использованием специализированных приборов для измерения параметров изоляции, токов утечки и температуры токоведущих частей.
Визуальный осмотр линий и подстанций выполняется для выявления коррозии, механических повреждений, дефектов изоляции и загрязнений. Особое внимание уделяется состоянию трансформаторов, коммутационной аппаратуры и заземляющих устройств.
Диагностика опор и проводов включает измерение натяжения и контроль износа токопроводящих элементов. При обнаружении отклонений проводится регулировка и замена повреждённых компонентов.
Ремонтные работы начинаются с отключения участка сети и выполнения мер безопасности. Замена оборудования осуществляется с использованием оригинальных комплектующих, что гарантирует сохранение технических характеристик и надежность сети.
Особое значение имеет своевременное обновление изоляционных материалов и коммутационной аппаратуры, что снижает риск коротких замыканий и аварийных отключений.
После ремонта проводятся испытания под нагрузкой и измерения параметров сети, чтобы подтвердить соответствие нормативам и техническим требованиям.
Документирование всех операций позволяет отслеживать историю технического состояния и планировать дальнейшие работы с учётом реального износа элементов распределительной сети.
Вопрос-ответ:
Что такое распределительная сеть электроснабжения и какую функцию она выполняет?
Распределительная сеть электроснабжения — это часть электросистемы, которая отвечает за передачу электрической энергии от подстанций к конечным потребителям. Она обеспечивает распределение напряжения и тока по жилым домам, предприятиям и учреждениям, гарантируя стабильное и безопасное снабжение электроэнергией.
Из каких основных элементов состоит распределительная сеть электроснабжения?
Распределительная сеть включает в себя линии электропередачи (воздушные и кабельные), трансформаторные подстанции, распределительные щиты и оборудование защиты. Эти элементы позволяют передавать электроэнергию на нужном уровне напряжения, а также контролировать и регулировать ее подачу, обеспечивая надежную работу всей системы.
Какие уровни напряжения используются в распределительной сети и почему?
В распределительных сетях обычно применяются среднее и низкое напряжение. Среднее напряжение (от 6 кВ до 35 кВ) служит для передачи энергии на большие расстояния внутри района, а низкое напряжение (обычно 220/380 В) используется для подачи электричества непосредственно в дома и предприятия. Такой подход позволяет оптимизировать потери и обеспечить безопасность потребителей.
Почему распределительная сеть так важна для стабильной работы электроснабжения?
Распределительная сеть играет ключевую роль, потому что именно она доставляет электричество от крупных генераторов и подстанций к конечным пользователям. Если в сети возникают сбои, это может привести к отключениям и снижению качества электропитания. Поэтому состояние и правильное функционирование распределительных линий и оборудования напрямую влияют на надежность электроснабжения.
Как современные технологии влияют на развитие распределительных сетей электроснабжения?
Внедрение новых технологий позволяет улучшать управление распределительными сетями, снижать потери энергии и быстрее выявлять неисправности. Например, автоматизированные системы мониторинга дают возможность контролировать состояние оборудования в реальном времени, а применение интеллектуальных счетчиков помогает более точно учитывать потребление и управлять нагрузками.
