
Резонанс токов в электрических цепях – это явление, при котором ток в цепи достигает максимального значения при определённых частотах внешнего воздействия. Резонансные явления особенно заметны в цепях, содержащих элементы с индуктивностью и ёмкостью, где колебания электрических параметров могут привести к резкому увеличению амплитуды тока. Чтобы эффективно управлять этим процессом, необходимо понимать, какие цепи подвержены резонансу, и как можно избежать его разрушительных последствий.
Линейные цепи с LC-элементами являются основными кандидатами для возникновения резонанса токов. Это цепи, содержащие элементы с индуктивностью (L) и ёмкостью (C). В таких цепях ток может усилиться, если частота источника переменного тока совпадает с резонансной частотой, которая определяется формулой: f₀ = 1 / (2π√(LC)). При этом цепь становится исключительно чувствительной к изменениям частоты, что важно учитывать при проектировании и эксплуатации.
В последовательных LC-цепях резонанс возникает, когда индуктивность и ёмкость компенсируют друг друга, приводя к минимальному импедансу. В таких цепях ток может возрасти до опасных уровней, если частота источника совпадает с резонансной. Этот эффект следует тщательно контролировать, чтобы избежать перегрева и повреждения компонентов.
Параллельные LC-цепи демонстрируют аналогичное поведение, но с противоположным эффектом: в резонансной точке импеданс цепи становится максимально высоким. В таких схемах важным моментом является то, что ток в цепи может резко уменьшиться, что создаёт потенциальную угрозу для источника питания и других подключённых устройств.
Для предотвращения негативных последствий резонанса рекомендуется использовать схемы с гасителями колебаний, такими как резисторы или дополнительные фильтры, которые снижают амплитуду колебаний и уменьшают вероятность достижения резонансных частот. Также полезно регулярно проверять параметры цепей на разных частотах, чтобы предотвратить аварийные ситуации.
Условия возникновения резонанса в RLC-цепях

Резонанс в RLC-цепях возникает, когда реактивные элементы (индуктор L и конденсатор C) становятся взаимно компенсирующимися, что приводит к максимальному току в цепи. Для этого необходимо выполнение нескольких условий.
Первое условие – совпадение резонансной частоты с частотой источника тока. Частота, при которой цепь резонирует, зависит от значений индуктивности L и ёмкости C, и выражается формулой:
fрез = 1 / (2π√(LC))
При этом в момент резонанса сопротивление цепи минимально, так как индуктивное и ёмкостное сопротивление компенсируют друг друга.
Второе условие – малая проводимость цепи. Для возникновения резонанса необходимо, чтобы активное сопротивление R было достаточно низким. Если сопротивление слишком велико, энергия быстро теряется, и резонанс не проявляется.
Третье условие – непостоянная амплитуда источника. В случае синусоидального источника тока амплитуда и частота должны совпадать с резонансными параметрами цепи, иначе резонанс не произойдёт.
Если все эти условия выполнены, то при резонансе возникает максимальный ток в цепи при минимальном сопротивлении. При этом значение тока и напряжения на отдельных элементах цепи может существенно возрасти.
Как параметры индуктивности влияют на резонанс
Резонанс в электрических цепях возникает, когда импеданс цепи становится минимальным или максимальным при определённой частоте. Важнейшую роль в этом процессе играет индуктивность, которая влияет на частоту резонанса. Для цепей с резонансом токов, индуктивность L, совместно с ёмкостью C, определяет резонансную частоту по формуле:
f₀ = 1 / (2π√(LC))
При увеличении индуктивности частота резонанса снижается. Это связано с тем, что индуктивность сопротивляется изменениям тока, создавая более медленное нарастание и спад в реакции цепи. Для получения резонанса при низкой частоте необходимо использовать более высокую индуктивность. Напротив, уменьшение индуктивности приводит к увеличению частоты резонанса.
При проектировании цепей с резонансом важно учитывать, как индуктивность взаимодействует с другими элементами цепи. Например, если индуктивность слишком велика, то система может быть слишком чувствительна к изменениям в частоте, что приводит к снижению стабильности работы. Если индуктивность слишком мала, резонанс может не наступить в нужном диапазоне частот, или цепь будет работать с меньшей эффективностью.
Для точного контроля резонансной частоты важно правильно подбирать значения индуктивности в зависимости от задачи. В высокочастотных цепях, например, индуктивность должна быть как можно меньшей, чтобы избежать значительных потерь на индуктивном сопротивлении. В низкочастотных же цепях можно использовать более высокие значения индуктивности, что обеспечит стабильность и требуемую частоту.
Резонанс токов в колебательных контурах
Резонанс токов в колебательных контурах возникает, когда частота внешнего воздействия совпадает с собственной частотой контуров. Это явление характерно для LC- и RLC-контуров, в которых происходят колебания тока и напряжения.
В колебательном контуре могут возникнуть два типа резонанса: при резонансе тока и при резонансе напряжения. Оба типа связаны с одинаковыми физическими процессами, но их эффекты отличаются в зависимости от параметров контура.
Условия для резонанса

Для того чтобы возник резонанс, необходимо, чтобы индуктивность и емкость контура создавали такую частоту колебаний, при которой реактивные сопротивления индуктивности и емкости компенсировали друг друга.
- Резонансный ток возникает при совпадении частоты внешнего источника с собственной частотой контура.
- Собственная частота колебательного контура определяется по формуле: f₀ = 1 / (2π√(LC)).
- На резонансное поведение контуров влияют значения индуктивности и емкости, а также сопротивление, которое ограничивает амплитуду тока.
Процесс резонанса

Когда контур находится в резонансе, ток в контуре может значительно увеличиться, так как сопротивление контура минимально, а реактивное сопротивление компенсируется. Это приводит к максимальной амплитуде тока.
- Ток становится максимальным при совпадении частоты источника с резонансной частотой.
- При этом сопротивление контура значительно снижается, и максимальное напряжение на контуре растет.
Факторы, влияющие на резонанс
- Сопротивление: при увеличении сопротивления амплитуда тока уменьшается, и контур становится менее «резонансным».
- Качество контура: качество контуров описывается коэффициентом добротности (Q). Высокий коэффициент добротности означает более узкую полосу резонанса и большую амплитуду тока.
- Емкость и индуктивность: изменение этих параметров влияет на резонансную частоту. При изменении емкости или индуктивности частота колебаний сдвигается, что может изменить условия для резонанса.
Проблемы и риски

- Высокая амплитуда тока при резонансе может привести к перегрузке компонентов контуров, что опасно для их целостности.
- Неправильный расчет резонансной частоты может вызвать нежелательные колебания, влияющие на работу всей электрической системы.
Применение резонанса

- Радиоаппаратура: резонанс используется для настройки радиоприемников и радиопередатчиков на определенную частоту.
- Фильтрация: в фильтрах резонанс помогает избирательно пропускать определенные частоты, блокируя другие.
Для эффективного использования резонанса в колебательных контурах необходимо точно настроить параметры контуров и учитывать влияние внешних факторов, таких как температурные колебания и изменения сопротивления материалов.
Влияние сопротивления на амплитуду резонанса
Амплитуда резонанса в электрических цепях зависит от сопротивления элементов цепи. С увеличением сопротивления амплитуда колебаний, как правило, уменьшается. Это связано с тем, что сопротивление в цепи вызывает потери энергии, которые ограничивают увеличение амплитуды на частоте резонанса.
Для цепи с резонансом, состоящей из резистора, индуктивности и емкости, сопротивление оказывает влияние на добротность системы. Чем выше сопротивление, тем ниже добротность, и наоборот. Добротность определяет, насколько эффективно энергия сохраняется в колебаниях, что напрямую влияет на амплитуду. Высокое сопротивление увеличивает потери энергии, уменьшая амплитуду резонанса.
Оптимизация сопротивления позволяет добиться высокой амплитуды на резонансной частоте, минимизируя потери. В практике, для достижения нужной амплитуды резонансных колебаний важно учитывать не только сопротивление резистора, но и особенности индуктивности и емкости. Например, использование катушек с малым сопротивлением и конденсаторов с низкими потерями может улучшить резонансную амплитуду в определенных диапазонах частот.
Также важно, что в реальных схемах часто возникает комбинация активного сопротивления и индуктивных/емкостных потерь, что дополнительно влияет на резонанс. Для высокочастотных цепей, где потери значительны, уменьшение сопротивления становится критическим для сохранения высокой амплитуды.
Методы определения частоты резонанса в электрических цепях
Частота резонанса в электрических цепях возникает, когда реактивные компоненты цепи (индуктивности и ёмкости) взаимодействуют таким образом, что их импедансы компенсируют друг друга. Это приводит к максимальному току в цепи или минимальному импедансу, в зависимости от типа цепи. Для точного определения этой частоты используются несколько методов, включая аналитические, экспериментальные и численные подходы.
1. Аналитический метод
Для LC-цепей (состоящих из индуктивности и ёмкости) частота резонанса может быть вычислена по формуле:
f = 1 / (2π√(LC))
где f – частота резонанса, L – индуктивность, C – ёмкость. Этот метод требует точных значений L и C, которые должны быть известны или измерены. Он применим для идеализированных цепей, где не учитываются потери и паразитные элементы.
2. Метод измерения импеданса
Частота резонанса может быть определена с использованием метода измерения импеданса. Для этого необходимо измерять общий импеданс цепи при различных частотах. Частота, при которой импеданс минимален (для параллельной LC-цепи) или максимален (для последовательной LC-цепи), будет частотой резонанса. Этот метод требует использования осциллографа или анализатора спектра для точных измерений.
3. Частотный анализ с использованием метода наложения
Метод наложения заключается в том, чтобы сначала изменить частоту источника сигнала и замерить ответ цепи. При этом сдвиг амплитуды сигнала позволяет точно определить точку, в которой происходит резонанс. Этот метод подходит для более сложных цепей, включающих активные компоненты или несколько резонансных пиков.
4. Численные методы
Для более сложных цепей, где аналитическое решение невозможно, используются численные методы, такие как метод конечных элементов (FEM) или модель SPICE. Эти методы позволяют моделировать поведение цепи при различных частотах и выявлять точку резонанса, основываясь на численных расчетах и моделях.
5. Экспериментальные методы
Частота резонанса также может быть определена экспериментально с использованием генератора сигналов и осциллографа. Генератор сигнала подает переменный ток на цепь, а осциллограф отображает отклик цепи. В момент, когда амплитуда тока или напряжения в цепи достигает максимума, можно зафиксировать частоту, соответствующую резонансу.
Каждый метод имеет свои ограничения и области применения. Выбор подходящего метода зависит от конфигурации цепи, требуемой точности и доступных измерительных приборов.
Использование резонанса для настройки фильтров

Для создания фильтров на базе резонансных цепей применяются два основных типа фильтров:
- Фильтры низких частот: настраиваются так, чтобы пропускать сигналы с частотами ниже резонансной частоты и ослаблять более высокочастотные сигналы.
- Фильтры высоких частот: настраиваются для пропуска сигналов с частотами выше резонансной частоты и ослабления низкочастотных сигналов.
Для точной настройки резонансной частоты в цепях используется комбинация индуктивности (L) и емкости (C). Основное правило для настройки резонанса:
- Резонансная частота цепи определяется по формуле: f0 = 1 / (2 * π * √(L * C)).
- Где f0 – резонансная частота, L – индуктивность, C – емкость.
Важно учитывать, что фильтры с резонансом могут быть как пассивными, так и активными. Пассивные фильтры работают только с резисторами, индуктивностями и емкостями. Активные фильтры дополнительно используют транзисторы или операционные усилители, что позволяет повысить их эффективность и настройку на более узкие частотные диапазоны.
При проектировании фильтра важно учитывать следующие аспекты:
- Качество фильтра: показатель, который определяется добротностью (Q). Высокое значение Q приводит к узкому резонансному пику, что позволяет более точно выделять нужные частоты.
- Ширина полосы пропускания: определяется как диапазон частот вокруг резонансной, в пределах которого фильтр имеет значительное ослабление сигнала. Чем выше Q, тем уже полоса пропускания.
- Реальные параметры компонентов: индуктивности и емкости имеют свои допуски, что может влиять на точность настройки резонанса. Для повышения точности часто используются компоненты с низкими допусками.
Использование резонанса для настройки фильтров дает возможность создания высокоэффективных устройств для работы в различных частотных диапазонах, таких как аудио- и радиочастотные системы, а также для создания фильтров помех в источниках питания.
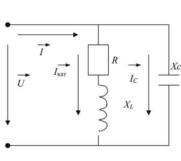
Особенности резонанса токов в параллельных цепях
Резонанс токов в параллельных цепях возникает, когда импеданс одного из элементов цепи изменяется так, что общий импеданс всей цепи минимизируется. В этом случае токи через компоненты цепи становятся наибольшими. Резонансные явления в параллельных цепях наблюдаются в системах с индуктивными и ёмкостными элементами, когда их реактивные сопротивления уравновешиваются.
В параллельных цепях резонанс происходит на определённой частоте, называемой резонансной частотой. Она определяется как частота, при которой индуктивное сопротивление и ёмкостное сопротивление становятся равными по величине и противоположны по знаку. В этом случае общий импеданс цепи минимален, а токи через индуктивные и ёмкостные элементы максимальны. Резонансная частота в таких цепях может быть выражена через параметры индуктивности (L) и ёмкости (C):
f₀ = 1 / (2π √(LC))
При резонансе токи в параллельных цепях могут значительно возрасти, что необходимо учитывать при проектировании схем, чтобы избежать перегрузки элементов. Важным фактором является уровень качества (Q) резонансной цепи, который характеризует степень сходимости импеданса на резонансной частоте. Высокий коэффициент качества приводит к большему увеличению тока, в то время как низкий коэффициент снижает резонансный эффект.
Для предотвращения нежелательных последствий резонанса в параллельных цепях, необходимо правильно подбирать параметры индуктивности и ёмкости, чтобы резонансная частота не совпала с частотой, на которой работает система. В случае с высокочастотными цепями особенно важно учитывать влияние паразитных ёмкостей и индуктивностей, которые могут существенно изменять характеристики цепи.
В дополнение к этому, стоит учитывать, что резонанс в параллельных цепях может вызвать резкое увеличение тока, что приведёт к перегреву и повреждению компонентов, если цепь не оснащена защитой от перегрузки. Поэтому важно использовать элементы с достаточным запасом по мощности и учесть возможность регулировки частоты в таких схемах, чтобы избежать выхода системы из строя.
Практическое применение резонансных цепей в радиотехнике
Резонансные цепи в радиотехнике используются для фильтрации, настройки и усиления сигналов на определённых частотах. Эти цепи важны при проектировании радиоприёмников, передатчиков и фильтров, где необходимо выделить или усилить сигналы определённой частоты, исключив другие.
Наиболее распространённым применением резонансных цепей является настройка частот в радиоприёмниках. В таких устройствах часто используются LC-цепи (с катушкой индуктивности и конденсатором), настроенные на частоту сигнала. Это позволяет эффективно избирательно усиливать нужный сигнал, подавляя шумы и помехи, попадающие на другие частоты.
В радиочастотных усилителях резонансные цепи применяются для максимизации коэффициента усиления на определённой частоте. Такие усилители работают с высокими частотами и используют резонанс для улучшения работы фильтрации и согласования импеданса.
Резонансные цепи также используются в качестве фильтров в широкополосных передатчиках, где требуется подавление нежелательных гармоник. Они позволяют улучшить качество сигнала и обеспечить его чистоту, минимизируя интерференцию с другими каналами частот.
Одним из ключевых аспектов в проектировании радиотехнических устройств является настройка резонансных частот для максимальной эффективности работы. Для этого важно учитывать не только сопротивление, индуктивность и ёмкость, но и параметры окружающей среды, такие как температура и влажность, которые могут влиять на характеристики цепи.
В современных радиотехнических устройствах часто применяют регулируемые резонансные цепи, в которых элементы могут изменять свои характеристики для достижения необходимой частоты. Такие схемы применяются в мобильных радиопередатчиках, где требуется быстрая настройка на различные частоты в зависимости от каналов связи.
Для точной настройки в радиотехнике широко используются цепи с высококачественными катушками индуктивности и конденсаторами с минимальными потерями. Это повышает общую эффективность цепи, позволяя добиться высокой селективности и стабильности работы устройств.
Вопрос-ответ:
Что такое резонанс токов в электрических цепях?
Резонанс токов возникает, когда в цепи с индуктивностью и емкостью возникает условие, при котором их реактивные сопротивления компенсируют друг друга. Это приводит к тому, что ток в цепи может резко возрасти, если частота источника тока совпадает с резонансной частотой цепи. Это явление имеет важное значение, так как при резонансе ток может достигать таких значений, которые могут повредить элементы цепи.
Какие факторы влияют на возникновение резонанса токов?
На возникновение резонанса токов в электрической цепи влияет несколько факторов, включая частоту тока, индуктивность и емкость цепи. Основным условием для резонанса является совпадение частоты источника с резонансной частотой цепи, которая зависит от величины индуктивности и емкости. Чем выше индуктивность или емкость, тем ниже резонансная частота.
Почему резонанс токов опасен для электрических цепей?
Резонанс токов может быть опасен, потому что при его возникновении ток в цепи может значительно увеличиться, что приводит к перегрузке компонентов цепи. Это может вызвать перегрев, повреждение проводников, изоляции и других элементов цепи. В некоторых случаях резонанс может стать причиной выхода из строя всей системы.
Как можно предотвратить резонанс токов в электрических цепях?
Для предотвращения резонанса токов в цепях можно использовать несколько методов. Одним из них является изменение частоты источника тока так, чтобы она не совпадала с резонансной частотой цепи. Также можно изменить параметры цепи, например, уменьшив индуктивность или емкость. В некоторых случаях в цепь добавляют сопротивление для гашения колебаний, что помогает уменьшить амплитуду тока.
Какие устройства могут быть подвержены резонансу токов?
Подвержены резонансу токов, как правило, устройства, содержащие индуктивные и емкостные элементы, такие как трансформаторы, генераторы, фильтры и различные виды осцилляторов. Особенно подвержены риску резонанса те устройства, в которых используется постоянный источник с фиксированной частотой, так как они могут работать на резонансной частоте цепи, что приведет к повышению тока и повреждению компонентов.
Что такое резонанс токов в цепи и как он возникает?
Резонанс токов — это явление, при котором ток в электрической цепи достигает наибольшего значения из-за совпадения частоты внешнего воздействия с собственной частотой колебаний цепи. Это может происходить в цепях с индуктивностью и ёмкостью, например, в LC-цепях. Когда частота источника тока совпадает с частотой собственных колебаний цепи, происходят резонансные колебания, что приводит к значительному увеличению тока. Это явление важно учитывать при проектировании радиочастотных цепей и фильтров.
