
На вопрос о причинах возникновения напряжения 220 В между фазой и землей можно ответить с точки зрения электрической сети, которая используется в большинстве домов и предприятий. В России и странах СНГ стандартное напряжение в однофазной сети составляет 220 В, и это значение поддерживается именно между фазой и нейтралью. Однако, многие люди ошибочно полагают, что между фазой и землей также должно быть 220 В, что часто становится причиной недоразумений.
Причина кроется в особенностях распределения электрической энергии. Электрическая сеть построена таким образом, что однофазное напряжение на самом деле измеряется между фазой и нейтралью, которая в свою очередь соединена с землей. Однако, напряжение между фазой и землей может варьироваться в зависимости от конструкции сети, качества заземления и других факторов. В нормальных условиях, земля считается нейтральной точкой с нулевым потенциалом, и напряжение между фазой и землей должно быть близким к 220 В. Но на практике возможны отклонения из-за проблем с заземлением.
Основной фактор, который влияет на стабильность этого напряжения, – это эффективность системы заземления. Если заземление плохо выполнено или нарушена его целостность, напряжение между фазой и землей может значительно отличаться от номинальных значений. Также стоит учитывать влияние электромагнитных помех, которые могут изменять локальное напряжение, создавая кратковременные колебания в сети.
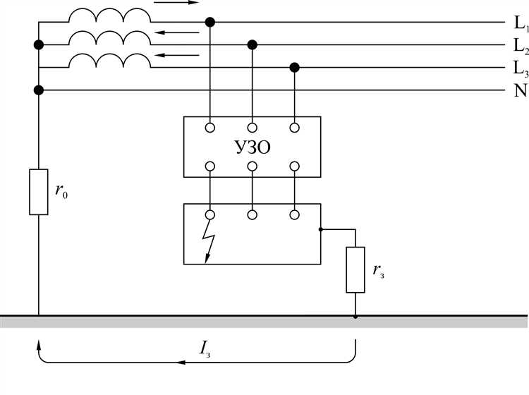
Для обеспечения безопасности важно регулярно проверять состояние заземляющих систем. Нарушения в подключении заземления могут привести к образованию высоких потенциалов на металлических частях электроприборов, что увеличивает риск поражения электрическим током. Поэтому рекомендуется использовать устройства защиты, такие как УЗО (устройства защитного отключения), которые помогут минимизировать последствия неисправностей в системе заземления.
Что такое фаза и земля в электросети?

Земля, в свою очередь, представляет собой проводник, который служит для защиты от электрического тока. Она соединена с землей, что позволяет эффективно отводить избыточный ток в случае короткого замыкания или других неисправностей. Электрическое оборудование, подключенное к сети, должно быть заземлено для предотвращения поражения электрическим током. При нормальной работе земля не несет напряжения, однако, при повреждении изоляции или других неисправностях, она может стать источником опасного напряжения.
Таким образом, фаза и земля выполняют разные функции в сети. Фаза служит для передачи энергии, а земля – для безопасности, обеспечивая защиту от токов замыкания. Разница потенциалов между фазой и землей составляет 220 В в стандартных бытовых сетях, что является основой работы большинства электроприборов в домах и квартирах. Чтобы избежать опасности, важно, чтобы все устройства были правильно заземлены и подключены к сети согласно стандартам безопасности.
Как измеряется напряжение между фазой и землей?

Измерение напряжения между фазой и землей выполняется с использованием вольтметра или мультиметра. Для этого прибор подключают к контактам: один щуп – к фазе, второй – к заземлению. Напряжение между этими точками в стандартных распределительных сетях обычно составляет около 220 В.
При подключении прибора важно убедиться в его правильной настройке и диапазоне измерений. Мультиметр должен быть установлен в режим измерения переменного напряжения (AC), чтобы получить корректные результаты. Некоторые приборы могут отображать как пиковое, так и эффективное значение напряжения, что также важно учитывать при интерпретации результатов.
Заземление, или земля, в данном случае выступает как безопасный путь для тока, и подключение к ней происходит через систему заземления электросети. При корректной работе системы заземления, значение напряжения между фазой и землей будет близким к 220 В, но могут встречаться отклонения в зависимости от состояния электросети или наличия помех.
Для точных измерений стоит использовать приборы с высокой точностью, например, цифровые мультиметры, которые позволяют избежать ошибок, связанных с низким качеством аналоговых приборов. В случае значительных отклонений от нормы (например, более 230 В) следует проверить систему заземления и, если необходимо, обратиться к специалисту для диагностики.
Почему напряжение между фазой и землей равно 220 В?

Напряжение в электросети, которое мы получаем в домах, обычно составляет 220 В между фазой и нейтралью. Однако часто можно встретить вопрос, почему напряжение между фазой и землей также равно 220 В. Это связано с особенностями распределения электросети и подключением заземления.
Основная причина заключается в том, что сеть в домах обычно имеет однофазное подключение с нейтралью, которая подключена к земле на распределительном щите. Это делает нейтраль и землю практически одинаковыми по потенциалу, и любое изменение потенциала фазы относительно земли будет измеряться как 220 В.
Ниже перечислены основные причины, почему напряжение между фазой и землей составляет 220 В:
- Заземление и нейтраль: На распределительном щите нейтраль обычно соединяется с землей. В идеальных условиях земля и нейтраль находятся на одном потенциале, что делает разницу напряжений между фазой и землей равной 220 В.
- Симметричная сеть: В однофазной сети токи и напряжения между фазой и нейтралью симметричны, что обуславливает равенство потенциалов между нейтралью и землей. Поэтому напряжение между фазой и землей почти всегда равно номинальным 220 В.
- Распределение электрической энергии: В большинстве домашних электрических сетей используется система с фазным и нейтральным проводом, где нейтраль является частью замкнутой цепи с землей. Это также подтверждает тот факт, что напряжение между фазой и землей эквивалентно 220 В.
Некоторые важные моменты для понимания:
- Перепады напряжения: В реальности напряжение может слегка отклоняться от 220 В из-за изменений нагрузки, работы трансформаторов или состояния проводки. Однако отклонения обычно не превышают 10-15%, что все равно сохраняет значение около 220 В.
- Безопасность: Правильное заземление и соблюдение стандартов электробезопасности критически важны для предотвращения опасности поражения электрическим током. Это также важно для правильного функционирования электрических устройств и защиты от коротких замыканий.
- Негативное влияние неисправностей: Если нейтраль не заземлена должным образом или повреждена, то потенциал между фазой и землей может существенно измениться, что приведет к риску для людей и оборудования.
Таким образом, напряжение между фазой и землей в сети при правильном подключении и хорошем заземлении будет равняться 220 В, что является стандартом для бытовых электрических систем в России и ряде других стран.
Роль нейтрали в системе 220 В
Она обеспечивает замкнутый контур, необходимый для стабильного функционирования электрооборудования. Без нейтрали устройство не сможет получить необходимое напряжение или будет работать некорректно.
Основные функции нейтрали:
- Уравнивание потенциала. Нейтраль служит для соединения всех точек системы с землей, обеспечивая стабилизацию напряжения.
- Возврат тока. Ток, проходящий через нагрузку, возвращается в источник по нейтрали. Это необходимо для поддержания баланса в системе.
- Безопасность. Нейтраль защищает от перепадов напряжения, так как она стабилизируется на потенциале земли, что снижает риск повреждения оборудования.
Нейтраль в сети 220 В не должна восприниматься как «ноль». Это всего лишь провод, который подключен к земле на трансформаторной подстанции. Если нейтраль не будет правильно подключена или будет повреждена, это может привести к опасным ситуациям, например, к перегрузке или короткому замыканию.
Значение нейтрали также заключается в том, что она позволяет поддерживать баланс фазного напряжения (220 В) и обеспечения стабильной работы приборов при любых колебаниях в сети.
В случае неправильного подключения нейтрали, могут возникнуть ситуации, когда на корпусе устройства или электроприборе появится напряжение, что создает угрозу для людей и может повредить электрооборудование. Поэтому очень важно следить за состоянием нейтрали и ее соединением с землей.
В системах с плохим заземлением или с нарушениями в подключении нейтрали могут возникать необоснованные скачки напряжения, что делает работу в таких условиях не только неэффективной, но и потенциально опасной.
Как защитить себя от возможных опасностей напряжения?

1. Использование защитных устройств. Один из самых эффективных способов защиты – это установка автоматических выключателей и дифференциальных защитных устройств (УЗО). УЗО отключает цепь при малом токе утечки, что значительно снижает риск поражения током. Автоматический выключатель срабатывает при коротком замыкании или перегрузке, предотвращая повреждение проводки и возможные возгорания.
2. Заземление и подключение нейтрали. Надежное заземление – важнейшая мера защиты. Если корпус электроприбора окажется под напряжением, ток через заземление уйдет в землю, минимизируя вред для человека. Подключение нейтрали также предотвращает возникновение опасных ситуаций, когда фаза может случайно оказаться на металлических частях устройства.
3. Использование резинотехнических изделий. Перчатки и обувь с изолирующими свойствами эффективно блокируют путь тока при контакте с проводниками. Такие защитные средства особенно полезны при работе с электрооборудованием или в помещениях с повышенной влажностью.
4. Соблюдение норм и стандартов монтажа. Электропроводка должна быть выполнена в строгом соответствии с нормами безопасности. Использование качественных материалов, а также соблюдение правильных расстояний между проводами и отступов от других объектов снижает вероятность коротких замыканий и возгораний.
5. Предупреждения и знаки безопасности. На всех электроприборах, установках и в местах, где существует риск поражения электрическим током, должны быть установлены предупредительные знаки. Это помогает людям осознавать опасность и правильно действовать в случае необходимости.
6. Регулярное обслуживание и проверка. Электрическое оборудование и проводка должны проверяться регулярно. Старые, поврежденные изоляции или оборудование могут стать причиной аварий. Периодические проверки позволяют избежать серьезных поломок и инцидентов.
7. Опасность влажных помещений. Влажность существенно повышает проводимость, поэтому в помещениях с высокой влажностью необходимо использовать электрическое оборудование с дополнительной изоляцией, а также соблюдать все требования к электробезопасности. В таких местах следует использовать только устройства с влагозащищенным корпусом и встроенной защитой от коротких замыканий.
8. Обучение и знание основ электробезопасности. Каждый человек, имеющий дело с электричеством, должен понимать основные принципы безопасной работы. Это включает знание того, как правильно обращаться с проводами, какие меры нужно принять при возникновении аварийных ситуаций и как использовать защитное оборудование.
Как стабильность напряжения влияет на работу электрических приборов?

Когда напряжение в сети отклоняется от номинального значения (220 В), это может привести к перегрузке или недогрузке устройства. Например, при повышении напряжения до 250 В или выше, устройства, не оборудованные защитой, могут быстро выйти из строя из-за перегрева или выхода из строя компонентов. В свою очередь, снижение напряжения ниже 200 В приведет к снижению мощности прибора, что не позволяет ему выполнять свои функции на должном уровне. В таких условиях электродвигатели, например, начинают работать с пониженной эффективностью и могут перегреваться.
Для большинства приборов важен не только уровень напряжения, но и его стабильность во времени. Частые перепады могут вызвать повреждение внутренних цепей, особенно в устройствах с мощной электроникой. Поэтому устройства с чувствительной электроникой, такие как компьютеры, телевизоры, холодильники с инверторными моторами и другие подобные системы, требуют более точного контроля за уровнем напряжения. Для защиты таких приборов рекомендуется использовать стабилизаторы напряжения, которые предотвращают краткосрочные колебания и могут помочь избежать длительных повреждений.
Например, инверторные кондиционеры и холодильники при нестабильном напряжении могут начать работать с пониженной эффективностью или даже не включаться. Особенно это заметно при слишком низком или высоком напряжении, когда компрессор не может запуститься из-за недостатка мощности. Постоянные перепады напряжения также сокращают срок службы внутренних компонентов.
Для промышленных устройств, таких как сварочные аппараты или насосы, нестабильное напряжение может стать причиной частых поломок, а также нарушений в процессе работы. В таких случаях использование стабилизаторов или источников бесперебойного питания (ИБП) поможет не только продлить срок службы техники, но и повысить качество выполняемых операций.
Важно помнить, что перепады напряжения могут повлиять не только на устройство, но и на безопасность. Высокое напряжение может привести к коротким замыканиям или возгоранию, если устройство не имеет необходимой защиты. Поэтому для предотвращения подобных ситуаций необходимо регулярно проверять и поддерживать сеть в рабочем состоянии.
Для обеспечения надежной работы приборов стоит также использовать устройства, которые имеют встроенную защиту от скачков напряжения. Они обеспечат максимальную стабильность работы и минимизируют риск поломок. Таким образом, стабильность напряжения не только влияет на функциональность техники, но и играет ключевую роль в обеспечении ее долговечности и безопасности.
Погрешности в измерениях напряжения между фазой и землей

При измерении напряжения между фазой и землей на практике часто возникают погрешности, обусловленные рядом факторов. Один из них – особенности работы измерительных приборов. Например, мультиметры с низким сопротивлением входа могут вводить значительное искажение при измерении в условиях неполной нагрузки сети.
Кроме того, погрешности могут быть связаны с самим процессом измерения. Измерения проводятся с использованием вольтметров, которые могут иметь различную точность в зависимости от их класса точности. Важно учитывать, что на погрешность также влияют условия эксплуатации прибора, включая его калибровку и техническое состояние.
Важным аспектом является наличие на проводах паразитных емкостных и индуктивных соединений. Эти эффекты могут приводить к появлению мнимых напряжений, особенно в случае использования длинных кабелей. В таких ситуациях измеренное значение может значительно отличаться от реального напряжения, особенно при отсутствии заземления или при наличии слабого контакта с землей.
Электрические помехи от соседних проводов или оборудования также могут существенно искажать показания. Например, вблизи мощных электродвигателей или трансформаторов измерения могут показывать завышенные значения из-за наведенных напряжений.
Еще одним источником погрешностей является некорректное подключение к сети. Например, при подключении измерительного прибора между фазой и землей может возникнуть эффект тока утечки, особенно если заземление имеет высокое сопротивление. Это также может искажать результаты измерений.
Для минимизации погрешностей рекомендуется использовать мультиметры высокого класса точности, а также проводить регулярную проверку и калибровку оборудования. Важно помнить, что для точных измерений следует выбирать приборы, имеющие низкое внутреннее сопротивление и высокое качество контакта.
Для точных измерений в реальных условиях следует также учитывать влияние электромагнитных помех, установив приборы на достаточном расстоянии от источников мощных сигналов. В случае с многокабельными системами рекомендуется проводить замеры с минимальными длинами соединительных проводов, а также использовать заземление с низким сопротивлением.
Причины отклонений от стандартных 220 В в бытовых сетях
Другим важным фактором является неустойчивость в работе трансформаторов. При недостаточной мощности трансформатора или его перегрузке напряжение может колебаться в пределах ±10% от номинала. В некоторых случаях это явление проявляется как скачки напряжения, которые негативно влияют на работу электрических приборов.
Также значительное влияние на стабильность напряжения оказывает качество и состояние электрической проводки. Старые или поврежденные проводники могут увеличить сопротивление, вызывая падение напряжения. Это особенно заметно в старых домах с устаревшими электрическими системами, где часто не проводится регулярное обслуживание проводки.
Местные потребители электричества, такие как крупные электроприборы, могут влиять на стабильность напряжения в сети. В моменты включения мощных устройств (например, электрических плит или кондиционеров) возникает кратковременное снижение напряжения, что может привести к отклонениям от стандарта, особенно в домах с слабой или устаревшей проводкой.
Иногда источником отклонений являются проблемы с регулировкой напряжения на уровне распределительных подстанций. Нестабильность в сети может быть связана с неисправностями оборудования или ошибками в его настройках. В таких случаях необходимо провести проверку и диагностику системы регулировки напряжения на подстанции.
Для минимизации отклонений рекомендуется использовать стабилизаторы напряжения, которые могут компенсировать колебания и обеспечивать стабильное питание для чувствительных приборов. Также полезным будет регулярное техническое обслуживание электрической проводки и использование качественного оборудования для подключения электроприборов, чтобы избежать повреждений из-за скачков напряжения.
Вопрос-ответ:
Почему между фазой и землей напряжение 220 В?
Суть заключается в том, что в сетях переменного тока применяется двухпроводная система с фазой и нейтралью. Нейтраль заземляется, а фаза является проводником напряжения. В такой системе разница потенциалов между фазой и землей составляет 220 В. Это значение напряжения стандартизировано для большинства стран с напряжением 220-240 В в бытовых сетях, что обеспечивается с учетом различных факторов, таких как потеря напряжения и характеристики распределительных трансформаторов.
Что такое фаза и нейтраль в электрической сети?
Фаза – это провод, через который в электрическую цепь подается напряжение от источника. Нейтраль – это провод, который замкнут на землю в месте трансформатора или распределительного устройства. Нейтраль используется для того, чтобы вернуть электрический ток в источник. Разница потенциалов между фазой и нейтралью может быть 220 В, а между фазой и землей – тоже 220 В, что обусловлено заземлением нейтрали в распределительных устройствах.
Как заземление нейтрали влияет на напряжение в сети?
Заземление нейтрали в электрической сети важно для безопасности и стабильности работы. Оно помогает уменьшить риск поражения электрическим током в случае повреждения изоляции или короткого замыкания. Нейтраль, будучи заземленной, становится на одном потенциале с землей, что позволяет поддерживать стабильное напряжение между фазой и землей на уровне 220 В. Это напряжение является стандартным для большинства бытовых сетей, обеспечивая нормальное функционирование электроприборов.
Почему напряжение в сетях может колебаться вокруг 220 В?
Напряжение в сети может изменяться из-за ряда факторов. В зависимости от расстояния от трансформаторной подстанции, мощности потребителей и качества проводки могут быть небольшие колебания напряжения. В нормальных условиях, это изменение составляет не более 10%, то есть напряжение может варьироваться от 198 В до 242 В. Важно, чтобы колебания не выходили за эти пределы, так как это может повлиять на работу бытовых приборов.
