
Самодельная буржуйка – компактная печь, способная обогреть гараж, мастерскую или временное жилище при минимальных затратах. Её можно собрать из доступных металлических отходов, без привлечения дорогостоящего оборудования. Основные материалы – стальная бочка, баллон из-под пропана, труба большого диаметра или даже листовой металл толщиной от 3 мм.
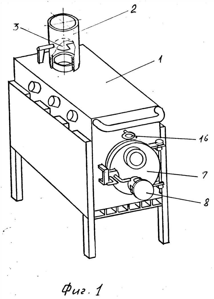
Ключевой элемент – камера сгорания. Для неё подойдёт старый газовый баллон объёмом 50 литров. Перед резкой обязательно спустить остатки газа и промыть внутренность водой с содой. Далее потребуется труба диаметром 100–120 мм для дымохода, которая обеспечит необходимую тягу. Важно учесть: длина трубы должна быть не менее 2,5 м, выход – строго вертикальный для стабильной работы буржуйки.
Топливный отсек стоит оснастить колосником, сваренным из арматуры диаметром не менее 10 мм. Под ним – зольник с выдвижным ящиком, что упростит обслуживание. Дверцу топки удобно вырезать из той же бочки или баллона, укрепив петлями от старого сейфа или распределительного шкафа. Не забудьте про регулятор подачи воздуха – простая заслонка на дверце позволяет управлять интенсивностью горения.
Такая печь работает на дровах, бумаге, древесных отходах и даже угле. Чтобы повысить эффективность, можно обварить корпус дополнительным листом металла и встроить кожух для обдува – это обеспечит лучшую теплоотдачу. Безопасность требует соблюдения расстояния до стен (не менее 1 м) и установки печи на металлический лист.
Выбор подходящего материала для корпуса буржуйки

Оптимальный выбор – толстостенная сталь толщиной от 4 до 8 мм. Тонкий металл (менее 3 мм) быстро прогорает, особенно в зоне активного горения. Идеально подходят обрезки газовых баллонов, куски старых котлов, фланцы от толстостенных труб.
Газовые баллоны – прочный и термостойкий материал. Перед использованием необходимо полностью удалить остатки газа, заполнив баллон водой. После этого можно разрезать корпус. Сталь у таких баллонов – около 4 мм, устойчива к перегреву и механическим нагрузкам.
Трубы большого диаметра (от 300 мм) с толщиной стенки 5–8 мм – надежная основа корпуса. Они обеспечивают хорошую теплоемкость и равномерный нагрев. Такие трубы часто остаются после демонтажа магистральных коммуникаций.
Листы котельной стали марки 09Г2С или аналогичной – промышленный вариант, хорошо выдерживают высокие температуры. Их можно использовать для прямоугольного корпуса или усиления топочной части.
Нержавеющая сталь не рекомендована: она теряет прочность при постоянном нагреве, склонна к деформации и стоит значительно дороже. Также не подходят автомобильные бочки, листовой металл менее 2 мм и алюминиевые емкости – они быстро прогорают и деформируются.
Как разметить и вырезать отверстия для загрузки и дымохода

Для точной разметки загрузочного люка определите удобную высоту от нижнего края корпуса буржуйки – оптимально 20–25 см. Это обеспечит достаточное пространство для топки и зольника. Отметьте прямоугольник размером 20×20 см, используя угольник и маркер. Проверяйте вертикаль и горизонталь по уровню, чтобы исключить перекос.
Разметку под дымоход начинайте с выбора места на верхней или задней части корпуса. Если буржуйка будет стоять у стены, отверстие лучше разместить сзади – на расстоянии 5–10 см от верхнего края. Диаметр стандартной трубы – 115 мм, добавьте 2–3 мм на зазор. Отметьте окружность с помощью циркуля или обведите трубу.
Для вырезания прямоугольника используйте болгарку с тонким отрезным кругом по металлу. Делайте надрезы по линиям, начиная с коротких сторон, затем переходите к длинным. Углы прорезайте аккуратно, избегая искривления пропила. Готовое отверстие зачистите напильником или лепестковым диском от заусенцев.
Круглое отверстие под дымоход вырезается корончатой фрезой по металлу или болгаркой – в этом случае сделайте серию радиальных надрезов из центра к краю окружности, затем выломайте лепестки и зачистите края.
Контролируйте совпадение размеров: труба должна входить плотно, но без усилий. При необходимости подгоните отверстие напильником. При монтаже используйте термостойкий герметик и сварку для герметичности соединения.
Сборка корпуса и герметизация сварных швов
Для изготовления корпуса буржуйки оптимально использовать отрезок стальной трубы диаметром от 300 до 500 мм и толщиной стенки не менее 4 мм. Если подходящей трубы нет, корпус можно сварить из листового металла толщиной 3–5 мм, вырезав прямоугольные заготовки по размерам и соединяя их в форму цилиндра или прямоугольной коробки.
Сначала вырезают дно и крышку. Дно приваривается к корпусу сплошным швом по всей окружности или периметру. Крышку крепят позже, после установки дымохода и топочной дверцы. Все сварочные швы необходимо выполнять встык или внахлёст с минимальным зазором. При сварке следить за полным проваром – непровар приведёт к утечке дыма и ухудшению тяги.
Особое внимание уделяется герметизации. После завершения сварки корпус полностью осматривают: наличие раковин, пор и сквозных щелей недопустимо. Все подозрительные места дополнительно обвариваются. После остывания швов проводится проверка – можно слегка нагреть корпус горелкой и нанести на швы мыльный раствор: появление пузырей укажет на негерметичность.
Для повышения герметичности допускается обработка внешних швов жаростойким герметиком на силикатной основе, выдерживающим температуру не менее 1000 °C. Герметик наносят тонким слоем по шву, избегая попадания внутрь топки. Использование бытовых силиконов недопустимо – они не выдерживают высоких температур и выделяют токсичные газы при нагревании.
После герметизации корпус должен остыть и выстояться не менее суток перед первой топкой, чтобы все соединения стабилизировались. Только после этого можно переходить к установке дверцы и дымохода.
Изготовление дверцы и установка запорного механизма
Для дверцы используется листовая сталь толщиной не менее 3 мм. Оптимальный размер – 200×200 мм, при условии, что топочная камера буржуйки не превышает 400 мм в длину. Заготовку вырезают болгаркой, края обрабатывают напильником, чтобы избежать заусенцев.
Петли подбираются термостойкие, сварные, длиной от 50 мм. Привариваются к корпусу буржуйки и к дверце с отступом 10–15 мм от верхнего и нижнего краёв. После сварки необходимо проверить ход створки – она должна открываться без усилий и заеданий.
По периметру дверцы с внутренней стороны приваривается стальной уголок 15×15 мм, который выполняет функцию уплотнителя и предотвращает выход дыма. Для герметичности можно использовать термостойкий шнур, зафиксированный металлическими скобами.
Запорный механизм изготавливается из стальной полосы 20×4 мм. Один конец загибается в форму ручки, второй снабжается штырём, который входит в зацеп с ответной петлёй на корпусе печи. Для фиксации применяется пружинный механизм или обычный винтовой зажим из обрезка болта М8 с гайкой, приваренной к корпусу. Это обеспечивает надёжное прижатие дверцы без люфта.
Если предполагается установка поддувальной заслонки, в нижней части дверцы высверливается отверстие Ø40 мм и монтируется поворотный диск из стали толщиной 2 мм с эксцентриком, закреплённым болтом через шайбу.
Монтаж дымохода с учётом тяги и безопасности
Для устойчивой тяги необходимо, чтобы высота дымохода от колосниковой решётки до устья трубы составляла не менее 4 метров. Внутренний диаметр трубы – не менее 100 мм при объёме топки до 30 литров. При использовании стальных труб избегайте резких поворотов – не более двух колен под углом 45°.
Внутреннюю поверхность дымохода не покрывайте краской или антикоррозийными составами – они выгорают, выделяя вредные вещества. Для снижения образования конденсата используйте сэндвич-конструкцию: внутренняя труба из нержавеющей стали, утеплитель (каменная вата не менее 50 мм), внешняя труба из оцинковки.
Все проходы через деревянные конструкции (чердак, крыша) обязательно изолируются негорючими материалами. Вокруг трубы оставляется зазор не менее 150 мм, заполняемый базальтовым утеплителем.
На выходе устанавливается искрогаситель с ячейками не крупнее 5 мм. Заслонка в трубе (шибер) монтируется на расстоянии не менее 1 метра от буржуйки и обеспечивает регулировку тяги. Герметичность всех соединений проверяется дымовой пробой до начала эксплуатации.
Тестирование буржуйки и устранение возможных проблем
После сборки буржуйки важно провести комплексное тестирование для оценки её работоспособности и безопасности.
- Проверка герметичности швов и соединений: Перед первым розжигом осмотрите все сварные и крепёжные места. Для обнаружения утечек дыма можно намочить швы водой и включить сильное освещение – появление тёмных пятен или запаха дыма укажет на проблемные участки. При необходимости усиливайте сварку или используйте жаропрочный герметик.
- Тестирование тяги: Зажгите небольшой костёр внутри буржуйки и замерьте время, за которое дым выходит через дымоход. Оптимальная тяга обеспечивается при скорости выхода дыма около 1-2 м/с. Слишком слабая тяга вызовет задымление помещения, а слишком сильная – перерасход топлива и быстрое остывание стенок.
- Проверка теплоотдачи и равномерности прогрева: Прогрейте буржуйку полным загрузом топлива в течение 30-40 минут. Температуру поверхности измерьте IR-термометром в нескольких точках. Температура стенок должна варьироваться в диапазоне 200-300 °C, без критических перегревов (выше 350 °C) и холодных зон, которые снижают эффективность.
- Устранение задымления внутри помещения:
- Проверьте правильность установки дымохода – он должен иметь уклон не менее 3° к наружной части.
- Убедитесь, что нет сквозняков, мешающих стабильной тяге.
- При необходимости установите дефлектор или искрогаситель для стабилизации тяги.
- Коррекция подачи воздуха: Если пламя слишком слабое, а дым выходит чёрным, увеличьте отверстия подачи первичного и вторичного воздуха. Важно, чтобы регулировка была плавной, без резких скачков подачи воздуха.
- Проверка зольника и очистки: После прогорания топлива оцените удобство удаления золы и сажи. Убедитесь, что зольник легко открывается и закрывается, а накопившаяся зола не блокирует поток воздуха.
- Безопасность эксплуатации: Осмотрите помещение на предмет пожарной безопасности – расстояние до горючих материалов должно быть минимум 50 см. Для контроля температуры рядом с буржуйкой рекомендуется установить термостойкий экран или защитный кожух.
Регулярное тестирование при эксплуатации позволит выявлять и устранять мелкие неисправности до их перерастания в серьёзные проблемы.
Вопрос-ответ:
Какие материалы из подручных средств подходят для изготовления буржуйки?
Для изготовления буржуйки часто используют старые газовые баллоны, металлические трубы, листовой металл толщиной от 2 мм и сварочный аппарат. Можно также применять старые газовые баллоны, бочки или трубы большого диаметра. Главное — чтобы материал был прочным и устойчивым к нагреву. Некоторые мастера используют кирпичи или металлические пластины для усиления конструкции и создания теплообменника.
Как правильно сделать дверцу для загрузки топлива и избежать выхода дыма в помещение?
Дверца должна плотно прилегать к корпусу буржуйки, чтобы обеспечить хорошую герметичность. Для этого используют уплотнитель из негорючего материала, например, асбестовую ленту. Крепление дверцы обычно выполняется с помощью надежных петель и замка. Важно также предусмотреть регулировку подачи воздуха — в дверце делают отверстия с заслонками для контроля горения, что снижает вероятность выхода дыма внутрь комнаты.
Как обеспечить безопасную эксплуатацию самодельной буржуйки в жилом помещении?
Перед установкой буржуйки необходимо тщательно проверить все сварные швы на отсутствие трещин и протечек. Обязательно обеспечить качественный дымоход с хорошей тягой и установить защитный экран вокруг печи, чтобы избежать случайных ожогов. Рекомендуется разместить прибор на негорючей подставке и держать в комнате работающий детектор угарного газа. Также следует регулярно чистить дымоход и следить за состоянием корпуса печи.
Какие размеры и формы буржуйки считаются наиболее практичными для дачи или небольшого дома?
Оптимальный размер буржуйки зависит от площади помещения. Для небольшой комнаты часто делают печь высотой около 50–60 см и диаметром корпуса около 30–40 см. Такая форма позволяет быстро прогревать воздух и не занимает много места. Прямоугольные модели удобны для установки в углах, а цилиндрические — лучше обеспечивают циркуляцию тепла. Также стоит предусмотреть место для загрузки топлива и удобный дымоход.
Как улучшить теплоотдачу самодельной буржуйки без сложных дополнительных конструкций?
Увеличить теплоотдачу можно за счет правильной организации подачи воздуха и улучшения циркуляции тепла. Например, стоит сделать несколько отверстий в корпусе или встроить металлические ребра для увеличения площади нагрева. Также помогает установка небольшого вентилятора с питанием от сети или батареек, который будет распределять теплый воздух по комнате. Не менее важно тщательно изолировать дымоход, чтобы минимизировать теплопотери.
