
Транзисторы NPN и PNP – ключевые компоненты в аналоговой и цифровой электронике, основанные на взаимодействии трех слоев полупроводникового материала с различным типом проводимости. Их работа базируется на управлении током между коллектором и эмиттером с помощью тока базы. Отличие между ними заключается в направлении движения носителей заряда и полярности управляющих напряжений.
В транзисторе NPN основной ток переносится электронами. При подаче положительного напряжения на базу относительно эмиттера происходит инжекция электронов в базу, откуда они диффундируют в коллектор. Это обеспечивает эффективное усиление, особенно в схемах с высокой скоростью переключения. Для нормальной работы необходимо, чтобы напряжение база-эмиттер (VBE) было около 0,6–0,7 В для кремниевых транзисторов.
В транзисторе PNP носителями тока являются дырки. Напряжение базы должно быть ниже напряжения эмиттера на те же 0,6–0,7 В. При этом ток течет от эмиттера к коллектору, а направление базового тока противоположно NPN. Такие транзисторы часто используются в качестве высокосторонних ключей в схемах с положительной логикой.
Для надежной работы важно учитывать характеристики насыщения и отсечки. В режиме насыщения транзистор работает как замкнутый ключ: напряжение коллектор-эмиттер падает до 0,1–0,3 В. В режиме отсечки ток базы равен нулю, и между коллектором и эмиттером ток не проходит. Эти параметры критичны для построения эффективных логических схем и импульсных преобразователей.
Как различаются структуры и направления токов в транзисторах npn и pnp

Структура транзистора npn представляет собой последовательность слоёв: n-область эмиттера, p-область базы и n-область коллектора. В pnp-транзисторе расположение противоположное: p-эмиттер, n-база, p-коллектор. От различий в структуре зависит принцип инжекции носителей и направления токов.
В npn-транзисторе основной ток создаётся потоком электронов из эмиттера в базу. Эти электроны проходят через тонкий базовый слой и попадают в коллектор, создавая коллекторный ток, направленный от коллектора к эмиттеру. Напряжение между базой и эмиттером должно быть положительным (VBE > 0.6 В для кремниевых транзисторов), чтобы обеспечить прямое смещение p-n перехода.
В pnp-транзисторе носителями тока являются дырки, которые движутся от эмиттера в базу, а затем собираются коллектором. Ток эмиттера направлен от эмиттера к базе, ток коллектора – от базы к коллектору. Чтобы транзистор проводил, требуется обратное смещение: напряжение базы должно быть отрицательным относительно эмиттера (VBE < -0.6 В).
Ключевое отличие – направление токов и тип носителей: электроны в npn, дырки в pnp. Это обуславливает не только различие в подключении, но и особенности схемотехники. npn-транзисторы предпочтительнее в скоростных схемах из-за большей подвижности электронов по сравнению с дырками.
При проектировании схем с pnp необходимо учитывать инвертированную полярность питания и сигнального управления. Управляющий ток базы должен течь из базы в эмиттер для pnp и в базу из эмиттера для npn. Несоблюдение этих направлений приведёт к запиранию транзистора.
Что происходит на уровне p-n переходов при подаче напряжения

Когда на p-n переход подаётся напряжение, начинается перераспределение носителей заряда, что влияет на поведение транзистора. Рассмотрим, как это происходит в транзисторах типов npn и pnp.
В транзисторе npn прямое смещение подается на эмиттерный переход, создавая условия для движения электронов из эмиттера (n-типа) в базу (p-типа). Этот процесс называется инжекцией электронов. Большая часть электронов проходит через базу и попадает в коллектор. При этом база выполняет роль канала, через который происходит передача носителей заряда.
Обратное смещение на коллекторном переходе создаёт внутреннее электрическое поле, которое вытягивает электроны из базы в коллектор. Это приводит к образованию тока коллектора. Важно, что из-за маленькой толщины базы большинство электронов не рекомбинируют с дырками в базе, а продолжают свой путь к коллектору.
В транзисторе pnp процесс аналогичен, но с инжекцией дырок из эмиттера (p-типа) в базу (n-типа). При прямом смещении эмиттерный переход позволяет дыркам двигаться в базу, а при обратном смещении на коллекторе они втягиваются в коллектор. Так же, как и в транзисторе npn, основная часть тока через транзистор формируется за счет движения носителей через базу и её инжекции в коллектор.
- При прямом смещении на p-n переходе ток диффузии носителей заряда преодолевает барьер, создавая ток через переход.
- При обратном смещении на переходе расширяется барьер, ток ограничивается только неосновными носителями.
- Чем тоньше база транзистора, тем меньше вероятность рекомбинации носителей и тем выше коэффициент усиления.
Для оптимальной работы транзистора важно правильно подобрать параметры напряжений на переходах. Прямое смещение должно быть достаточно сильным для уменьшения барьера и увеличения тока через переход, но не настолько высоким, чтобы возникали явления пробоя. Обратное смещение на коллекторном переходе должно быть таким, чтобы не происходила рекомбинация носителей и не снижается эффективность работы транзистора.
Как понять режим насыщения и отсечки для npn и pnp транзисторов

Режим насыщения для npn транзистора достигается, когда напряжение база-эмиттер (U_BE) превышает примерно 0.7 В, а напряжение коллектор-эмиттер (U_CE) падает ниже 0.2 В. В этом состоянии транзистор полностью открыт, коллекторный ток максимален, а сопротивление перехода коллектор-эмиттер минимально. Ток базы должен быть достаточным, чтобы обеспечить насыщение, иначе транзистор будет работать в активном режиме.
Для pnp транзистора режим насыщения определяется обратным полярностью напряжениями: база должна быть на 0.7 В ниже эмиттера, а коллектор – примерно на 0.2 В выше эмиттера. В этом режиме pnp транзистор пропускает максимальный ток от эмиттера к коллектору при минимальном напряжении на переходе коллектор-эмиттер.
Режим отсечки характеризуется отсутствием тока базы. Для npn транзистора это означает, что U_BE ниже порогового значения около 0.6 В, из-за чего коллекторный ток стремится к нулю, и транзистор полностью закрыт. В pnp транзисторе отсечка наступает, когда база находится на уровне эмиттера или выше, что исключает ток базы и перекрывает цепь коллектора.
Для практической проверки режима насыщения измерьте напряжение U_CE: значение меньше 0.2 В говорит о насыщении. При U_CE, близком к напряжению питания или выше 0.3 В (для npn), транзистор, скорее всего, в отсечке или активном режиме. Следует также контролировать ток базы, так как недостаточный ток не позволит войти в насыщение.
Важно помнить, что при эксплуатации транзистора в режиме насыщения максимальный ток коллектора ограничен техническими характеристиками устройства и схемы. Перегрузка приведет к перегреву и выходу из строя. Для pnp транзисторов полярность источников питания должна строго соответствовать указанным условиям, иначе режимы не будут достигнуты.
Как включать транзисторы npn и pnp в схемах усиления сигнала

Для правильной работы транзистора NPN в схеме усиления сигнал должен подаваться на базу через ограничительный резистор, обеспечивающий ток базы порядка 1/10 от тока коллектора. Эмиттер NPN обычно подключается к общему (земле), а нагрузка – в цепи коллектора и источника питания с положительным напряжением.
При подаче положительного напряжения на базу через резистор, происходит открытие перехода база-эмиттер, и ток коллектора увеличивается, усиливая входной сигнал. Важно выбирать резистор базы так, чтобы транзистор находился в активном режиме, а не насыщении, для линейного усиления.
В схеме с транзистором PNP логика инверсна: эмиттер подключается к положительному питанию, а нагрузка – в цепи коллектора и общего провода. Сигнал на базу подается отрицательным относительно эмиттера через резистор, который ограничивает ток базы. При этом база должна быть смещена на 0.7 В ниже эмиттера, чтобы транзистор открылся и усилил сигнал.
Для минимизации шумов и искажений рекомендуется использовать стабилизированные источники питания и обеспечить точное смещение базы, применяя делители напряжения или стабилитроны. Важен расчет сопротивлений базы и коллектора с учетом требуемого коэффициента усиления по току (β), чтобы обеспечить требуемую линейность и амплитуду выходного сигнала.
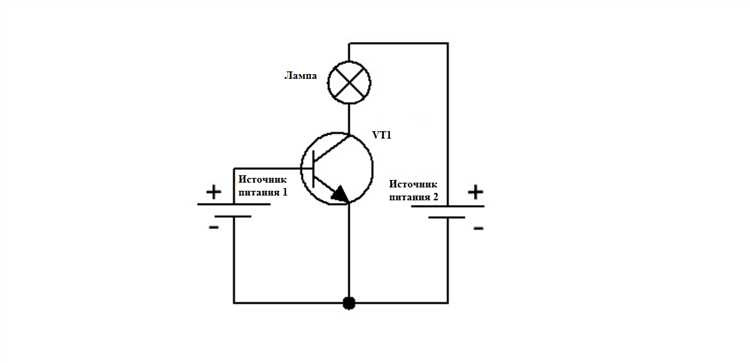
Как транзисторы npn и pnp управляют нагрузкой в ключевом режиме

В ключевом режиме транзистор работает как электронный переключатель: либо полностью открыт (насыщение), либо закрыт (отсечка). Для транзистора npn управляющий ток базы должен обеспечить насыщение коллектора при напряжении коллектор-эмиттер около 0,2 В. Это достигается подачей положительного напряжения на базу относительно эмиттера через ограничивающий резистор, который контролирует базовый ток, обычно рассчитываемый как I_б = I_к / h_FE, где h_FE – коэффициент усиления по току.
При насыщении npn-транзистора нагрузка подключается между положительным источником питания и коллектором, а эмиттер – к общему проводу. Ток через нагрузку определяется характеристиками самой нагрузки и источника питания, транзистор минимально ограничивает ток и напряжение.
Для pnp-транзистора схема управления инвертирована: нагрузка подключается между коллектором и общим проводом, а эмиттер – к положительному источнику питания. Базу необходимо сместить отрицательно относительно эмиттера, чтобы включить транзистор, обычно с помощью резистора, подсоединенного к земле. Насыщение достигается при падении напряжения коллектор-эмиттер около 0,2 В, аналогично npn, но с противоположной полярностью управляющего сигнала.
Рекомендуется рассчитывать базовый резистор так, чтобы обеспечить запас по базовому току около 2–3 раз больше минимально необходимого для насыщения, это повышает надежность переключения и уменьшает тепловые потери в транзисторе.
При работе в ключевом режиме важно учитывать максимально допустимые токи и напряжения транзисторов, чтобы избежать пробоя и перегрева. Для повышения надежности обычно используют тепловые радиаторы и контролируют ток через нагрузку с помощью предохранителей или защитных схем.
Как выбирать тип транзистора в зависимости от логики схемы и источников питания

Выбор между транзисторами npn и pnp напрямую зависит от типа используемой логики и конфигурации источников питания. В схемах с положительным питанием относительно общей шины чаще применяют npn-транзисторы, поскольку они обеспечивают более простое управление базой через положительный потенциал. Для включения npn необходимо подать на базу напряжение примерно на 0.7 В выше эмиттера, что удобно реализовать при положительном питании.
В схемах с отрицательным или «земляным» питанием логичнее использовать pnp-транзисторы. Они активируются подачей базового напряжения ниже эмиттера, что соответствует логике с отрицательным потенциалом управления. Это особенно актуально при наличии общего положительного напряжения питания, где базу удобнее опускать ниже эмиттера для включения pnp.
При построении интерфейсов с цифровыми микроконтроллерами и логическими микросхемами на +5 В чаще выбирают npn, так как выходы микросхем формируют положительные импульсы для управления базой. Для питания с отрицательным напряжением или в схемах с высокоомной нагрузкой, подключаемой к плюсу, целесообразнее pnp.
Если схема требует коммутации нагрузки, подключённой к положительной шине питания, то pnp транзистор позволяет замыкать цепь на «землю», упрощая управление. Аналогично, для управления нагрузкой, соединённой с землёй, используют npn, чтобы замыкать цепь на плюс.
Важен также уровень напряжения управления: если логика управления формирует сигналы, близкие к земле, выбор npn оптимален; если сигналы ближе к плюсу – предпочтительнее pnp. При комбинировании транзисторов в усилительных каскадах или ключах следует учитывать напряжения смещения, чтобы обеспечить достаточный запас по базовому току и избежать неправильного включения.
Итог: npn – для логики с общим минусом и положительным питанием нагрузки, pnp – для логики с общим плюсом и отрицательным управлением. Это упрощает схему и повышает надёжность переключения.
Вопрос-ответ:
Как устроен транзистор npn и в чем его отличие от pnp?
Транзистор npn состоит из трёх слоев полупроводников: два слоя с избытком электронов (n-типа) и один слой с недостатком электронов (p-типа) между ними. В pnp транзисторе наоборот: два слоя p-типа и один n-тип между ними. Основное отличие в направлении движения зарядов и напряжениях, необходимых для управления током.
Как именно происходит управление током в транзисторе npn?
В транзисторе npn при подаче положительного напряжения на базу относительно эмиттера в базовой области начинает течь небольшой ток, который позволяет электронам из эмиттера переходить в коллектор. Благодаря этому управляющему сигналу возникает гораздо больший ток между эмиттером и коллектором, что и обеспечивает усиление сигнала.
Почему транзистор pnp требует противоположной полярности напряжений для работы?
В транзисторе pnp для открытия прохода тока на базу нужно подать отрицательное напряжение относительно эмиттера, так как основными носителями заряда здесь являются дырки. Это изменяет внутренние условия в структуре и позволяет дыркам течь от эмиттера к коллектору, управляя током.
Можно ли использовать npn и pnp транзисторы взаимозаменяемо в одной схеме?
Нет, они не взаимозаменяемы из-за различий в структуре и управляющих напряжениях. При замене нужно адаптировать схему к типу транзистора, так как полярность питания и направление токов различаются. Обычно для каждого типа схемы подбирается конкретный вид транзистора.
Что влияет на скорость переключения транзисторов npn и pnp?
Скорость переключения зависит от времени накопления зарядов в базе и емкости переходов. В npn транзисторах электроны, обладающие большей подвижностью, обеспечивают более быстрое переключение по сравнению с pnp, где основными носителями являются дырки с меньшей подвижностью. Кроме того, конструкция и материал полупроводника также играют роль.
